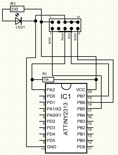
Hallo Ich bin gerade dabei eine Schaltung zu Programmieren mit einem Attiny2313. In der Schaltung ist auch eine ISP schnitstelle für den µC. Die Schnitstelle hat nicht funktioniert, also habe ich mir eine Kleine Platiene gebaut, auf der ich den Attiny2313 nur an der ISP Schnitstelle angeschlossen habe. Die Spannungsversorgung kommt ebenfalls vom ISP Programmer. Die Schaltung habe ich genauso aufgebaut, wie bei einer anderen Platiene für den Atmega32, wo sie einwandfrei Funktioniert. Bei dem Attiny2313 gibt mir BAscom aber jedes mal eine Fehlermeldung, die so viel bedeutet wie dass kein µC gefunden wurde oder dieser nicht unterstützt wird. Könnt ihr mir sagen, was ich da falsch mache oder was ich noch kontrollieren könnte? Das ist der ISP Programmer den ich benutzte: http://cgi.ebay.de/AVR-USB-ISP-Programmer-ATMEL-ATMEGA-STK500-Neu-ATTINY-/370490000223?pt=Wissenschaftliche_Ger%C3%A4te&hash=item5642ecc35f
Und wo kommt da der Strom für den Mikrocontroller her? Oder hast du die nur nicht eingezeichnet? Die Programmieradapter stellen keinen Strom für die Platine bereit, die lesen maximal die Spannung der Zielplatine aus.
Schonmal mit "Takt" versucht ? Kann ja sein dass er auf externen Takt eingestellt ist, und somit gibt er mit Deiner Schaltung "keine Antwort" Gruß, Andy
Also der ISP Programmer stellt über den Pin 2 5 Volt und über die Pins 6,8 und 10 Masse vom USB Port bereit. Der µC ist neu und wurde noch nie Programmiert. sind die dann nicht auf internen Takt gestellt? Ich werde aber trotzdem mal einen 8Mhz Quarz mit Kondensatoren anlöten
> sind die dann nicht auf internen Takt gestellt?
Das könnte dir eventuell das Datenblatt verraten.
So Quarz ist dran mit einem 22pf Kondensator pro quarz pin und ich hab nochmal einen 100nf kondensator an vcc und gnd vom µC gelötet und einen komplett neuen µC genommen und es ist das selbe Ergebnis.
ICh bin gerade dabei einen RS232 ISP zu bauen, wie er auf dem Pollin Evaluations-Board verwendet wird. damit konnte ich auf jeden fall den attiny2313 programmieren.
Ich hab auch gerade rausgefunden, dass ich mit dem USB ISP Programmer den Code von einem ATtiny2313 lesen kann, jedoch nicht schreiben
> ICh bin gerade dabei einen RS232 ISP zu bauen, wie er auf dem > Pollin Evaluations-Board verwendet wird. damit konnte ich auf > jeden fall den attiny2313 programmieren. Das geht nur wenn Du eine „echte“ RS232 Schnittstelle hast, der Programmer vom Pollin-Board läst sich nicht über einen USB-RS232-Adapter betreiben.
Ich kann ausserdem auch fusebits schreiben. jedoch konnte ich es bei beiden nur einmal und jetzt niewieder. Zwei hab ich ja noch. Wie sind denn die besten einstellungen um den µC zu flashen? Ich hatte bis jetzt bei dem ersten external Clock und kein Teiler des Clocks eingestellt und bei dem anderen external clock und den Teiler afu zwei glaube ich gelassen.
Ich habe einen echten Com-Port am PC. muste aber feststellen, dass das auch nicht geklappt hat. Ich hab da allerdings noch das Problem, dass ich PonyProg nur auf einem Virtual PC unter Windows XP am laufen habe und der ISP Programmer nicht ganz korrekt war weil mir zwei dioden fehlten und ich statdessen zum Pegelwandeln den MAX232 genommen habe.
Killerawft schrieb: > Ich hatte bis jetzt bei dem ersten external Clock .... Hast du denn einen exrternen Takt(oszilator) oder nur einen externen Quarz(kristal) dran. MfG Turbotoni
Ich habe einen 8Mhz Quarz an die beiden XTAL pins gelötet und pro quarz pin einen 22pf kerko gegen masse geschaltet. Aber ich lese gerade den unterschied zwischen den beiden und denke ich hätte auf internen 8 Mhz osc. schalten sollen. Naja morgen :)
Meine Fusebits sehen jetzt so aus. Mit der Einstellung kann ich zwar fusebits lesen und shreiben und den code lesen, jedoch keinen Code schreiben.
Spannungsversorgung zu schlecht 100nF überprüfen und mal nen größeren Elko an die Spannungsversorgung ranbasteln ( > 100µF). Beim kurzen schreiben der Fusebits reicht die Kapazität gerade so aus, aber wenn mehr Strom gezogen wird bricht die Spannung zu sehr ein. (Vermutung)
Bist Du sicher, dass das .hex-file, das Du einschreiben willst, überhaupt der Prog-Software bereitsteht? Wenn die Signatur lesbar ist, läuft die ISP-Verbindung ja richtig. Wenn die fuses verstellbar sind, geht auch das proggen. Also kann es eigentlich nur daran liegen, dass der progger kein .hex file zur Verfügung hat, das einzuschreiben ist. Ach so: eep-file not found, heißt, dass keine Programmierdaten (fuses und .hex-file bereitstehen. Außerdem erkennt die Software dass der angeschlossene Kontrollertyp nicht mit dem gelesenen Typ übereinstimmt. -und unterlässt daher das Programmieren.
Ich habe den Code mit Bascom V.1.11.9.5 geschrieben und versuche damit auch den µC zu programmieren. Und bascom ist so eingestellt, dass ein hex file automatisch erstellt wird. Das komische ist ja, dass ich den Atmega32 genauso programmieren kann, wie ich es mit dem attiny2313 versuche. Vielleicht liegt es am Code?
Ja siehst Du nicht die Fehlermeldungen, oben im screenshot, z.B.: the target chip (AT90S2313) does not match the detected chip (atiny2313) oder:....eep not found Selbstverständlich beginnt die Software dann nicht mit dem Programmieren.
Ok ich hab das Problem gefunden. Der Compiler hatte recht xD. Das 2313DEF.dat ist für den AT90S2313. Für den Attiny2313 braucht man das Attiny2313.dat. Jetzt gehts auch. Trotzdem Danke für eure Hilfe. Hier wird einem immer super geholfen :)
Bitte melde dich an um einen Beitrag zu schreiben. Anmeldung ist kostenlos und dauert nur eine Minute.
Bestehender Account
Schon ein Account bei Google/GoogleMail? Keine Anmeldung erforderlich!
Mit Google-Account einloggen
Mit Google-Account einloggen
Noch kein Account? Hier anmelden.


