Hallo ich habe einen Ad9833 am Prototypenboard nach Datenblatt verschaltet und das funktioniert auch prächtig. Der Verschleiss ist mir langsam aber unheimlich.. wenn ich das Labornetzteil zu schnell an und ausschalte geht er kaputt , wenn die Masse kurz ausfällt geht er kaputt , ich glaube mich zu erinnern dass er sogar schonmal das zeitliche gesegnet hab als ich die Frequenz zu schnell geändert hab... muss ich das dann auch am print befürchten? wie sicher ich diesen Knirps denn gut ab?
dotmarkus schrieb: > Der Verschleiss ist mir langsam aber unheimlich.. wenn ich das > Labornetzteil zu schnell an und ausschalte geht er kaputt Mal Unabhängig von sonstigen Problemem... MAl abgesehen von einigen wenigen besonders hochwertigen Netzteilen wo es dann auch noch extra angegeben ist: NIEMALS ein geregeltes Netzteil einschalten während eine (Empfindliche) Schaltung angeschlossen ist. Grund: Die Spannungs/Stromregelung im Netzteil ist selber ja eine Elektronische Schaltung die auch erst bei einer gewissen Mindestspannung sauber arbeiten kann. Diese Spannung wird aber auch über dne Netzschalter geschaltet, bei billigen NT kommt die direkt von der Spannung die geregelt werden soll. Bei besseren GEräten ist teilweise eine eigene Wicklung auf dem Trafo. Das Problem ist nun: Wenn man das Netzteil einschaltet steigen die Spannung schlagartig an. Vom erreichen der Mindestspannung für die Steuerelektronik an dauert es dann noch ein paar ms bis die Regelung eingeschwungen ist. Dadurch kann es sein das die Spannung weit über den eingestellten Wert ansteigt bevor die REgelung überhaupt erst greifen kann. Diese hohe SPannungen liegen dann solange an (Zwar meist nur Sekundenbruchteile) bis die Regelung dann endlich anfängt zu arbeiten. Für eine Empfindliche Schaltung kann es aber schon das Ende sein wenn statt der Eingestellten 5 Volt dann für 100ms 20V Anliegen... Daher: Wenn in der Bedienungsanleitung nicht explizit darauf hingewiesen wird das dieses Verhalten unterbunden wird (z.B. durch einen separat abschaltbaren Ausgang der erst freigeschaltet wird wenn die Regelung eingeschwungen ist) und man nicht wirklich robuste Elektronik dran hängen hat: IMMER Die Schaltung vom NT trennen, DANN das NT Einschalten und erst jetzt wieder die Verbindung herstellen!!! DAvon abgesehen, das kann ja nicht die Einzige Ursache sein: Mit dem o.g. AD Baustein habe ich noch nicht gearbeitet, weiß also selber nicht ob er evtl. ein echtes "Sensibelchen" ist. Allerdings bin ich bei Steckboardaufbauten immer sehr skeptisch was die "Kontaksicherheit" angeht. Es ist durchaus möglich das da einige Kontakte nicht so sind wie sie sein sollten und das es dadurch zu Potentialverschiebungen kommt. Aber auch zahlreiche andere Dreckseffekte sind möglich... So ist der Aufbau aufgrund de rSteckfedern ja auch mit einem hohen Kapazitätsbelag versehen, was einerseits eine Belastung der Ausgänge verursacht, andererseits eine Überkoplung von Signalen (auch Störimpulsen und Spannugnsspitzen) auf benachbarte Federleisten sehr stark "Fördert". GEnerell sehe ich solche Aufbauten eher Kritisch und würde das Steckboard bei allem was über ein paar diskrete Bauteile und einfache (robuste) Transistoren hinausgeht eher sein lassen. Lieber mal zum Lötkolben und LR Platine greifen. Gerade wenn man es mit sensiblen Bauteilen oder schnellen Signalen zu tun hat. HAt man Bauteile die man da nicht fest auflöten will macht man sich NUR FÜR DIESE BAUTEILE eine kleine Fassung oder Aufsteckplatine fertig. Was bei dir wegen dem SMD ja eh nötig war. Gruß Carsten
> Gruß > Carsten danke für die antwort. mein labornetzteil hat halt so einen "output" schalter mit dem man die vorher eingestellten werte auf die ausgänge mittels relais überträgt , ich fand das bisjetzt recht sicher.
dotmarkus schrieb: > Der Verschleiss ist mir langsam aber unheimlich.. wenn ich das > Labornetzteil zu schnell an und ausschalte geht er kaputt Dann würde ich mich mal mit einem Oszillogramm der Vorsorgungsspannung beim Einschaltvorgang - vielleicht erst mal mit einem deiner Schaltung entsprechenden RC-Last ;-) - an das Problem herantasten. Da hat man hier im Forum schon die dollsten Dinge über kurzzeitige Überspannungen beim Einschalten mancher "Labornetzteile" gehört. Sorry, find je leider den Link nicht.
wie oft denn noch? schrieb: > @TO: Bildformate Wer nicht angemeldet ist hat hier niemanden zu maßregeln! Sachdienliche Kommentare sind okay - der Rest nicht. dotmarkus schrieb: > Der Verschleiss ist mir langsam aber unheimlich.. wenn ich das > Labornetzteil zu schnell an und ausschalte geht er kaputt , wenn die > Masse kurz ausfällt geht er kaputt , ich glaube mich zu erinnern dass er > sogar schonmal das zeitliche gesegnet hab als ich die Frequenz zu > schnell geändert hab... Woran merkst du denn, dass der IC defekt ist? Hast du mal gecheckt, ob du wirklich genau nach Schaltplan verkabelt hast?
Lehrmann Michael schrieb: > wie oft denn noch? schrieb: >> @TO: Bildformate > > Wer nicht angemeldet ist hat hier niemanden zu maßregeln! > Sachdienliche Kommentare sind okay - der Rest nicht. Jaja Chef. Schlechte Nacht gehabt?
Lehrmann Michael schrieb: > wie oft denn noch? schrieb: >> @TO: Bildformate > > Wer nicht angemeldet ist hat hier niemanden zu maßregeln! > Sachdienliche Kommentare sind okay - der Rest nicht. > > dotmarkus schrieb: >> Der Verschleiss ist mir langsam aber unheimlich.. wenn ich das >> Labornetzteil zu schnell an und ausschalte geht er kaputt , wenn die >> Masse kurz ausfällt geht er kaputt , ich glaube mich zu erinnern dass er >> sogar schonmal das zeitliche gesegnet hab als ich die Frequenz zu >> schnell geändert hab... > > Woran merkst du denn, dass der IC defekt ist? > > Hast du mal gecheckt, ob du wirklich genau nach Schaltplan verkabelt > hast? Ja. das passt alles ! Es ist mir mittlerweile 4 mal passiert. Ich hab den Fluke im Minmaxbetrieb am Netzteil hängen gehabt und das Teil hunderte male an und abgeschaltet und nie wurde eine Spannung aufgezeichnet die grösser war als das eingestellte (der Fluke is echt schnell , da seh ich am Oszi weniger) Einen habe ich sogar verbraten mit Steckernetzteil und Spannungsregler.... die Symptome sind immer die gleichen : man legt die Betriebsspannung an , auf die gleiche Weise wie immer , jedoch kommt aus dem ad9833 nur noch Knistern und Rauschen , ich hätte gesagt das passiert jedes 30te mal... dann ist er erfahrungsgemäss nicht mehr zu reaktivieren und reagiert auf nichts mehr. Ich hab noch 5 Stück, wenn ich bis zu deren Ende nicht herausgefunden habe was ich falsch gemacht habe , wird diese Bastelei in den Rundordner verfrachtet :)
> Hast du mal gecheckt, ob du wirklich genau nach Schaltplan verkabelt > hast? ds ist übrigens schon der dritte Aufbau am Brettl , Diesmal habe ich auch versucht so gut wie möglich die Massen Sternfömig zusammenzuführen.
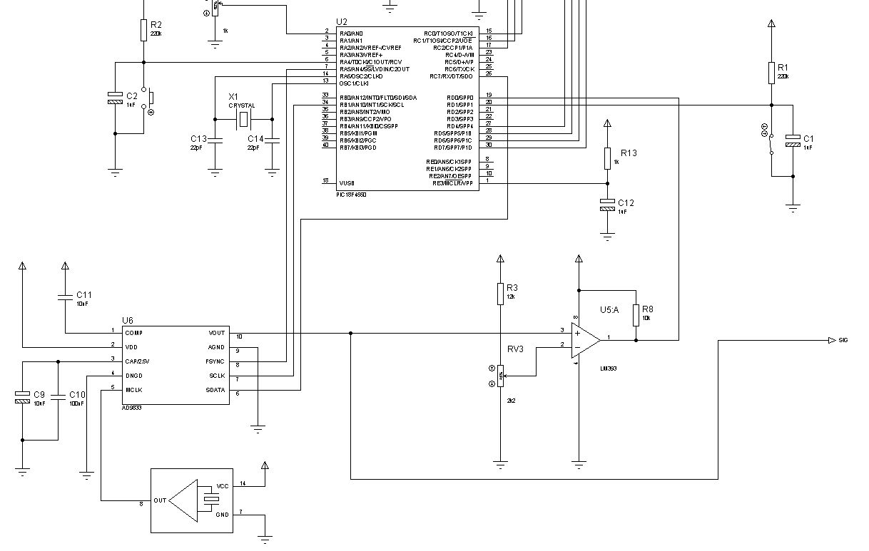
Hi Bei deinem Aufbau vermisse ich Abblockkondensatoren um den AD. Oder sieht man die nur nicht. MfG Spess
was mir aufgefallen ist!!! : ich hab einmal versucht den Eingang vom Komparator mit einem Kondensator an den Ausgang des ad9833 zu koppeln, dabei ist mir aufgefallen dass sich am so angekoppelten Komparatoreingang eine garnicht unerhebliche (mehr als 1 Volt) Offsetspannung aufbaut. Ob das mit den IC-Morden zu tun hat?
Hast Du schon einmal die Spannungen nachgemessen? Ein knistern entsteht oft durch dauerhaft hohe Spannung über den Maximalwerten. Auch die Ausgänge kontrollieren, ob sich da nicht etwas "hinternrum" reinschummelt. Diode am Spannungsregler vorhanden? Evtl. Schutzwiderstände einbauen.
spess53 schrieb: > Hi > > Bei deinem Aufbau vermisse ich Abblockkondensatoren um den AD. Oder > sieht man die nur nicht. > > MfG Spess nanu? vermisst du die auch im Schaltplan? alles was am Schaltplan ist befindet sich auch im Aufbau. Die Verschaltung hab ich praktisch aus dem Datenblatt übernommen (dürfte sich um das eval Board handeln)
Pete K. schrieb: > Hast Du schon einmal die Spannungen nachgemessen? Ein knistern entsteht > oft durch dauerhaft hohe Spannung über den Maximalwerten. Auch die > Ausgänge kontrollieren, ob sich da nicht etwas "hinternrum" > reinschummelt. > Diode am Spannungsregler vorhanden? > verpolungsschutzdiode? > Evtl. Schutzwiderstände einbauen. nur wo? in Serie zur Versorgung des ad? in den Datenleitungen?
Hi >nanu? vermisst du die auch im Schaltplan? Ja. Sieh dir mal das EVALUATION BOARD im Datenblatt an. >alles was am Schaltplan ist befindet sich auch im Aufbau. Es kommt auch darauf an, wo sie sich im Aufbau befinden. MfG Spess
Sind AGND und DGND zusammengeführt und angeschlossen? Auf dem Bild kann man das schlecht sehen. AGND und DGND dürfen max 0,3V abweichen. Wie groß ist VCC (gemessen)? Ist aus dem Schaltplan nicht ersichtlich. Vielleicht auch mal eine andere Position auf dem Steckbrett ausprobieren, eventuell gibt es einen Kurzschluss unter den Pins (IC durchgedrückt).
spess53 schrieb: > Hi > >>nanu? vermisst du die auch im Schaltplan? > > Ja. Sieh dir mal das EVALUATION BOARD im Datenblatt an. > >>alles was am Schaltplan ist befindet sich auch im Aufbau. > > Es kommt auch darauf an, wo sie sich im Aufbau befinden. > > MfG Spess meinst du c6 bis c10? ich hab die als Spannungsstabilisierung interpretiert. c2 und c4 hab ich mir gespart , da die paralel zu c6 bis c10 hängen. Wozu sind die gut? Sowas verbau ich hin und wieder an mikrocontrollern mit höhrem Strombedarf wenn ich Angst hab dass nicht genug Energie bereitgestellt wird bei einigen Schaltvorgängen. Das shlimmste was passieren kann wenn die nicht da sind is das die Versorgung ei wenig zusammenbricht bei zu hohem Leitungswiderstand oder? Ich lass mih aber gerne aufklären!
Pete K. schrieb: > Sind AGND und DGND zusammengeführt und angeschlossen? Auf dem Bild kann > man das schlecht sehen. > > AGND und DGND dürfen max 0,3V abweichen. > ja sind. > Wie groß ist VCC (gemessen)? Ist aus dem Schaltplan nicht ersichtlich. > 5.0 Volt ziemlich genau via Labornetzteil. am ad 4.9irgendwas > Vielleicht auch mal eine andere Position auf dem Steckbrett > ausprobieren, eventuell gibt es einen Kurzschluss unter den Pins (IC > durchgedrückt). das ist schon der dritte unabhängige Aufbau auf einem nagelneuen Steckbrett mit der gleichn Problematik :)
In der Tat. Deswegen nutze ich normalerweise ein schlichtes 78xx basiertes Netzteil mit ebensolchen Relais für Versuchsaufbauten.
ich hab mir jetzt das Labornetzteil am Oszi angesehen. die Spannung baut sich in einer gemütlichen log-ähnichen Kurve stetig nach oben hin auf und erreicht dann das Soll quasi asymptotisch. Wirklich vorbildhaft :)
Wenn die Probleme nur beim Einschalten/Ausschalten auftreten, dann solltest Du mehr Kondensatoren einsetzen. Abblockkondensatoren (100nF) so weit wie möglich an die Pins vom IC.
Pete K. schrieb: > Wenn die Probleme nur beim Einschalten/Ausschalten auftreten, dann > solltest Du mehr Kondensatoren einsetzen. > > Abblockkondensatoren (100nF) so weit wie möglich an die Pins vom IC. langsam fang ich euch an zu glauben :) ich werd mal alles damit zukleistern und schaun was passiert
Immer diese elendigen Steckbretter! Mein Rat: entwirf eine kleine, aber "richtige" Platine, wo sowohl der DDS als auch das nachfolgende Filter und der steuernde uC drauf sind und mache dir auf dieser Platine die benötigten Spannungen selbst, also z.B. am Eingang ein LF-50 für's Grobe, dann von der 5V aus ein LF-33 und wenn dein uC noch nen 1.8V braucht, dann von der 3.3V aus eben noch ein 1.8V Regler. So eine LP kannst du an jedes Labornetzteil anschließen, zur Not auch an nen Klingeltrafo, da in sich stabil. Ich mach das selbst bei meinen Probierplatinen so und fahre damit gut. Die paar Pfennige für nen Spannungsregler sind gut angelegt. W.S.
>Da hat man hier im Forum schon die dollsten Dinge über kurzzeitige >Überspannungen beim Einschalten mancher "Labornetzteile" gehört. Oder beim abschalten.
dotmarkus schrieb: > ich hab mir jetzt das Labornetzteil am Oszi angesehen. die Spannung baut > sich in einer gemütlichen log-ähnichen Kurve stetig nach oben hin auf > und erreicht dann das Soll quasi asymptotisch. Wirklich vorbildhaft :) Du hast Pin 9 (AGND) deines AD8933 nicht angeschlossen!
Hallo zusammen! Ich versuche ein Sinussignal in Bereich von 1kHz bis 5 MHz mit einem AD9833 zu erzeugen. Für meine Aufgabe ist es wichtig, dass die Amplitude des Signals sich beim Wechseln der Frequenz nicht ändert. Ich habe ein Beispielcode geschrieben, wobei die Frequenz sich mit einem 100 kHz Schritt von 500 kHz bis 3 MHz ändert. Ich habe festgestellt, dass Vpp dabei von 600 mV beim 500 kHz bis zu 500 mV beim 3 Mhz gesunken hat. Ist es normall oder habe ich was falsch gemacht? Und noch eine Frage. Egal mit welcher Frequenz hat mein Signal eine Offset-Spannug. Z.b. beim 500 kHz beträgt sie 40 mV. Ist es auch OK? Mit freundlichen Grüßen, Illia
Bitte melde dich an um einen Beitrag zu schreiben. Anmeldung ist kostenlos und dauert nur eine Minute.
Bestehender Account
Schon ein Account bei Google/GoogleMail? Keine Anmeldung erforderlich!
Mit Google-Account einloggen
Mit Google-Account einloggen
Noch kein Account? Hier anmelden.

