Hallo zusammen... Ich habe mir in den letzten Tagen eine Fernbedienung gebaut. Da ich seit einiger zeit vermehrt Wert auf gute Optik meiner Projekte lege, habe ich mir viel mühe bei den Tasten gegeben. Herausgekommen sind milchig weisse Plexiglas Tasten mit sowas wie Icons oder wie man dem auch sagen möchte. Ich wollte euch diese Tasten hier mal zeigen. Anbei sind Bilder der Tasten und meiner Fernbedienung. Sie eignen sich hervorragend zum Einbau in ein Gehäuse um damit darunterliegende Taster zu betätigen. Falls jemand interesse an solchen Tasten hat, (auch mit eigenen icons) kann dieser sich bei mir melde per PN oder als Antwort hier im Forum. ich könnte mir vorstellen für ein paar Euro ein paar von diesen Tasten zu fräsen. Die Ecke ist absichtlich abgetrennt worden. Wie man sieht gibt es auch noch eine "small" edition der Tasten... Würde mich über Kommentare und Anregungen freuen... Grüsse Claudio
Schick! Jetzt musst du nurnoch das Seifenkisten-Design vom Gehäuse ändern, dann sieht das richtig gut aus. :) Hast du mal probiert, die Gravur mit Farbe auszulegen? Auf den Bildern scheint die Beschriftung schwer erkennbar zu sein, wirkt vielleicht auch nur so. Hast du zufällig dünnes Plexiglas (0,5mm z.B.) in transparent da? Du könntest mal probieren über die gefärbte Gravur einen Deckel zu kleben. Dann kann man die Tasten zwar nicht mehr "erfühlen", dafür bleibt aber die Farbe in der Gravur und man hat eine schöne Oberfläche. Noch eine Frage: Wo hast du die Taster bestellt? Die sehen sehr stabil aus. Wäre toll wenn du eine Bestellnummer hast.
Das sieht interessant aus. Ein paar Fragen dazu hätte ich noch. Ich kann es mir nach den Fotos nicht gut denken: Welche Maße haben die Tasten? Länge, Breite, Höhe? Was wäre das mögliche Minimum? Auf den Fotos sieht man an den Fräskanten innen einen dunklen Rand. Woher kommt der? Lässt er sich vermeiden oder entfernen?
Besonders schick wird es jetzt, wenn du die Icons etwas schmaler ausfräst und mit Gravierwachs in passenden Farben auslegst, http://shop.schula.de/product_info.php/cPath/0_231_292/products_id/9245 und dann die Knöpfe von unten mit einer weissen SMD LED beleuchtest
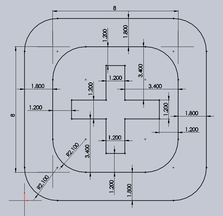
Testbesucher schrieb: > Schick! Dankeschön :) Testbesucher schrieb: > Hast du mal probiert, die Gravur mit Farbe auszulegen? Auf den Bildern > scheint die Beschriftung schwer erkennbar zu sein, wirkt vielleicht auch > nur so. Hab ich grade gemacht... Einfach mal mit einem Edding.... Testbesucher schrieb: > Hast du zufällig dünnes Plexiglas (0,5mm z.B.) in transparent da? Du > könntest mal probieren über die gefärbte Gravur einen Deckel zu kleben. > Dann kann man die Tasten zwar nicht mehr "erfühlen", dafür bleibt aber > die Farbe in der Gravur und man hat eine schöne Oberfläche. Gute idee... Nein, hab ich leider nicht da... Testbesucher schrieb: > Wo hast du die Taster bestellt? Die sehen sehr stabil aus. Wäre toll > wenn du eine Bestellnummer hast. Gute frage.... Die hab ich schon vor einiger Zeit bestellt... Wenn ichs wieder weiss, sag ichs dir... Kali schrieb: > Ich kann es mir nach den Fotos nicht gut denken: Welche Maße haben die > Tasten? Länge, Breite, Höhe? Was wäre das mögliche Minimum? Minimum ist derzeit 1mm (mein fräser hat diesen durchmesser) 0.4mm ist der kleinste kaufbare fräser. Wegen den Massen, ich habe dir eine Technische Zeichnung angehängt. Höhe ist 4.5mm Der untere Rand ist 2.2mm und der obere 2.3mm Vertiefung 0.3mm Kali schrieb: > Auf den Fotos sieht man an den Fräskanten innen einen dunklen Rand. > Woher kommt der? Lässt er sich vermeiden oder entfernen? Das ist Dreck welcher sich durch die Benutzung in der Vertiefung gesammelt hat. Die Tasten kommen selbstverständlich mackellos aus der Fräse... MaWin schrieb: > Besonders schick wird es jetzt, > wenn du die Icons etwas schmaler ausfräst > und mit Gravierwachs in passenden Farben auslegst, > http://shop.schula.de/product_info.php/cPath/0_231... > und dann die Knöpfe von unten mit einer weissen > SMD LED beleuchtest Sehr interessant :) Falls jemand Verwendung hätte, würde ich auch ein paar Tasten machen und lediglich das Porto von etwa 2 Euro zu euch berechnen (Von CH -> DE oder AT) Das Icon kann selbstverständlich selbt bestimmt werden. Auch die grösse... Grüsse
Kannst du auch das Kreuz machen mit den vorbereiteten Löchern für die Leds von unten.
> Wegen den Massen, ich habe dir eine Technische Zeichnung angehängt. > Höhe ist 4.5mm Der untere Rand ist 2.2mm und der obere 2.3mm > Vertiefung 0.3mm Das ist noch lange keine techn. Zeichnung, und "Massen" meinst du auch nicht..
@ Claudio Vielen Dank für Deine Antworten. Kali schrieb: > Ich kann es mir nach den Fotos nicht gut denken: Welche Maße haben die > Tasten? Länge, Breite, Höhe? Was wäre das mögliche Minimum? Claudio schrieb: >Minimum ist derzeit 1mm (mein fräser hat diesen durchmesser) 0.4mm ist >der kleinste kaufbare fräser. Ich glaube Du hast mich da missverstanden. Da Du die Fräserdurchmesser angibst, scheinst Du meine Frage so verstanden zu haben, als wenn ich nach den minimalen Maßen einer Linie/Struktur des Logos gefragt habe. Eigentlich wollte ich aber wissen, welche minimalen Maße die ganze Taste haben kann. Also der minimale Wert der Länge und Breite die ich aus Deiner Zeichnung momentan als 8 + 1,8 + 1,8 = 11,6mm ablese. Es wäre nett, wenn Du mir das angeben könntest. Ich stelle mir vor eine Reihe von SMD-Tasten neben und übereinander anzuordnen. Da wäre die Zielgrösse von etwa 7 * 7mm nötig. Meinst Du das ginge? Kannst Du für die Logos auch dxf oder andere Zeichnungen annehmen? Jedenfalls eine nette Arbeit und sicher für einige Projekte sehr interessant.
hm da hätt ich wirklich intesse an ein paar tasten
eine mit einem power symbol und dann std play controll tasten also
|<< ( seek skip left ) 2x halt für vor und zurück
>|| ( play pause )
quadart als stop
und vieleicht noch kreis für recorde
So hallo zusammen... Ich war für eine weile nicht zuhause aber nun beantworte ich alle fragen :) chris schrieb: > Kannst du auch das Kreuz machen mit den vorbereiteten Löchern für die > Leds von unten. Es ginge schon, ist jedoch aufwändiger da ich das ganze umdrehen muss... Kali schrieb: > Eigentlich wollte ich aber wissen, welche minimalen Maße die ganze Taste > haben kann. Grundsätzlich unendlich klein... also 0.5mm ist z.B. auch möglich... Lediglich die Höhe wird durch das Material bestimmt... Eigentlich 5mm Plexiglas aber gemessen ist es 4.5mm Kali schrieb: > Kannst Du für die Logos auch dxf oder andere Zeichnungen annehmen? dxf und dwg sind die einzigen sinnvollen Formate welche ich verwenden kann. Kali schrieb: > Jedenfalls eine nette Arbeit und sicher für einige Projekte sehr > interessant. Vielen Dank :) Das hört man gerne... Sebastian G. schrieb: > hm da hätt ich wirklich intesse an ein paar tasten > > eine mit einem power symbol und dann std play controll tasten also > > |<< ( seek skip left ) 2x halt für vor und zurück >>|| ( play pause ) > quadart als stop > und vieleicht noch kreis für recorde Das kann ich gerne machen... am besten, du lieferst selbst direkt das dxf oder dwg file... oder du gibst zumindest die mase an. Grüsse
Claudio Hediger schrieb: > Kali schrieb: > >> Eigentlich wollte ich aber wissen, welche minimalen Maße die ganze Taste >> haben kann. > > > Grundsätzlich unendlich klein... also 0.5mm ist z.B. auch möglich... > > Lediglich die Höhe wird durch das Material bestimmt... Eigentlich 5mm > Plexiglas aber gemessen ist es 4.5mm Eigentlich kannst du ja auch "beliebig" flach machen indem du einfach über das gesamte Material drüberfräst wie du auch die Kante machst.
Michael Dierken schrieb: > Eigentlich kannst du ja auch "beliebig" flach machen indem du einfach > über das gesamte Material drüberfräst wie du auch die Kante machst. Das stimmt :) Ich habe damit eigentlich mehr die maximal grösse gemeint...
Eine runde Ausführung wäre eventuell besser geeignet, da man hier nur eine Bohrung machen muss... Eventuell wäre noch eine art nocken sinnvoll, damit die Taste sich nicht drehen kann... Was denkt ihr?
Bitte melde dich an um einen Beitrag zu schreiben. Anmeldung ist kostenlos und dauert nur eine Minute.
Bestehender Account
Schon ein Account bei Google/GoogleMail? Keine Anmeldung erforderlich!
Mit Google-Account einloggen
Mit Google-Account einloggen
Noch kein Account? Hier anmelden.







