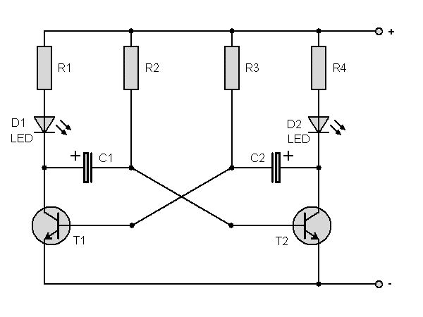
Moin, ich habe ein Projekt am laufen, in dem ich einen möglichst präzisen Wechselblinker konstruieren möchte. Ich habe zwei Schaltungen gefunden (siehe Anhang), die beide für mich als Einsteiger vernünftig aussehen. Die Taktung soll ohne OSZ, Uhr oder Quarz erfolgen. Mir wurde erklärt, dass die Schaltung mit dem NE555 genauer sei, als mit den 2 Kondensatoren. Mein Ziel ist es mit einer der beiden Schaltungen eine konst. Periodendauer von 8sek zu erhalten und das so präzise wie möglich. Da ich denke, dass durch Toleranz die Berechnung sehr schwer wird, möchte ich versuchen, die Periodendauer mit einem Trimmer-Widerstand zu regeln. Könnt ihr mir helfen die richtige Schaltung zu wählen und erklären welche Vorzüge die jeweilige hat? Mit will eigentlich nicht recht klar werden, warum die eine präziser sen sollte als die andere, da ja beide Kondensatoren u. Transistoren nutzen. Des weiteren wäre interessant zu wissen, welche Kondensatoren sich am besten eignen und welchen Kondensator man sich kaufen sollte, damit der Widerstand nicht allzu groß wird. Ich danke schonmal im Vorraus für die Antworten. Lg Alex
Eben, der NE555 ist genau in dem Sinne, daß sich die Frequenz nicht ändert wenn sich die Betriebsspannung ändert (nachlassende Batterie) aber die Abweichung des Elkos und anderer Bauteile hat er trotzdem. Man müsste es also vorher einstellen. Wenn man Dinge GENAU haben will, verwendet man einen Quartz (macht deine Uhr ja auch). Ein CD4060 teilt einen 32768kHz Quartz herunter auf 2Hz, das reicht dir also nicht, aber 2 CD4060 in Reihe reichen, um entweder einen 32768 oder einen 4.194MHz Quartz auf deine Periodendauer von 8 Sekunden zu teilen. Schaltung siehe Datenblatt +5V LED | +--560R--|<|-- +5V Quartz--CD4060--CD4060--+ +--560R--|>|-- GND LED Ok, man braucht also 2 ICs. Mit einem Microcontroller würde einer ausreichen, aber den müsste man vorher programmieren.
Moin. danke für deine schnelle Antwort. jedoch möchte ich ja gerade keine Quartz nutzen. In welchem Genauigkeitsbereich würde ich mich denn Bewegen, wenn ich eine Periodendauer von 9s anstreben? Lg Alex
12.5% Abweichung gegenüber deinen 8 Sekunden. Der NE555 hält seine ein mal eingestellte Frequenz besser als 1%, wenn nicht die Alterung eines Elkos ihm zusetzt, weil er ein vernünftiges Prizip verwendet (umladen um 1/3 der Spannung mit scharfen Schaltschwellen durch Vergleich der Spanung mit den Spannungsniveau eines Spannungsteilers). Noch besser ist ein CMOS-555 wie LMC555. LED +--560R--|<|-- +5V NE555--+ +--560R--|>|-- GND LED Für 9 Sekunden braucht man aber einen Elko :-) denn sonst braucht man für 8 Sekunden (4 Sekunden an und 4 Sekunden aus) und 1uF satte 5.6 Megaohm - zu viel für einen NE555, vielleicht akzeptabel für einen LMC555. Maximal bekommst du einen Folienkondensator für 4.7uF, dazu gehört dann ein Widerstand von 1.2 MOhm und ein Trimmpoti von 100k, das könnte mit einem NE555 noch hinhauen. Der astabile Multivibrator ist von allem möglichen abhängig, er hat schon mal 2 Elkos die nicht gleich sind, nud schaltet wenn ein Transitor seine Basisschwellspannung von ca. 0.65V überschreitet, und de ist bekanntlich Temeraturabhäng. Und weil sie nicht abhängig von der Versorgungsspannug n ist, aber das entladen des Elkos von der Versorgungsspannung erfolgt, ist die Zeit auch nicht versorgungsspannungsabhängig. Also Bauteiltoleranzabhängig, Temperaturabhängig und Versorgungsspannungsabhängig und damit kaum 10% stabil.
Hey, du hast mir wirklich geholfen! Hast du zufällig die komplette Schaltung irgendwo gesehen? Jetzt verstehe ich auch warum die 555-Schaltung die präzisere ist. :-) Mit welchen Formeln hast du das denn errechnet? Ist das hier der richtige? http://de.farnell.com/national-semiconductor/lmc555cm/zaehler-cmos-smd-soic8-555/dp/9493972 Gruß Alex
> Mit welchen Formeln hast du das denn errechnet? Denen aus dem Datenblatt. Man sollte immer ins Datenblatt gucken. > Ist das hier der richtige? Na ja, klein und teuer, aber das richtige Modell (von dem es mehrere gibt von unterschiedlichen Herstellern die alle ok wären, auch TLC555, ICM7555, TS555, alle bei Reichelt deutlich billiger als bei Apotheke Farnell). Interessanter ist die Frage: Welcher Kondensator? z.B. MKS-2-5 4,7µ :: WIMA Folienkondensator, Rm 5mm, 4,7µF prompt nicht lieferbar, also wohl MKS-4-100 4,7µ :: FOLIEN-KONDENSATOR
Moin, danke du bist mir wirklich eine riesen Hilfe. Nehmen wir nun den TS555. Im Datenblatt heißt es unter High Duration t = 1.1 R x C im MMV betrieb. Das heißt also, bei gleichen Wiederständen, wobei einer beim Laden über eine Diode kurzgeschlossen wird. Möchte ich also ein High-Signal von 4,5 sek und ein Low-Signal von 4,5 müssen beide Widerstände gleich sein. 4,5s=x*4,7*10^-6 T=(x*4,7*10^-6)*2 Das würde dann fü die Schaltung einen Widerstand von 1M Ohm bedeuten. Dabei geht über Diode wahrscheinlich noch Spannung verloren. Würde der TS-555 damit klarkommen? Oder sit es einfacher einen 10uF-Kondensator zu nehmen? Lg Alex
> müssen beide Widerstände gleich sein.
Nein.
Es hängt von der Schaltung ab die du wählst.
Monstable ist falsch.
In Figure 6 steht nichts von 1.1 mal, sondern 0.693.
Und zeitbestimmend ist Rb. Ra sollte demgegenüber einfach klein sein,
unter 1% aber nicht unter 1k Ohm (man könnte sogar exakt ausrechnen wie
klein damit der Spannungsabfall genau dem am Transistor von Discharge
entspricht, aber das ist mir zu aufwändig).
Also ist Ra=1k und Rb=1.2MOhm+100kPoti recht passend, dann ist R1 ja nur
0.1% von Rb.
Bitte erschlagt mich nicht, aber: quartz ist englisch. Auf Deutsch heißt es Quarz (ohne t). Danke.
Moin, das mit dem kleinen Widerstand leuchtet ein. Bei gleichen Widerständen würde diese Schaltung zum Tragen kommen, wenn ich das richtig verstanden habe. http://www.elektronik-kompendium.de/sites/slt/0310131.htm Dabei würde die Diode jedoch für Ungenaugikeit sorgen. Würde ein Spannungsregler, den man vorschaltet die Genauigkeit erhöhen? http://www.conrad.de/ce/de/product/156872/SPGREGL-TS78L08ACY-RM-TSC-SOT-89/0204453&ref=list Lg Alex
> Würde ein Spannungsregler, den man vorschaltet die Genauigkeit erhöhen? Nein, der 555 ist ja gerade unempfindlich gegen Spannungsschwankungen. > Bei gleichen Widerständen würde diese Schaltung zum Tragen kommen, > wenn ich das richtig verstanden habe. Solche Schaltungen sind erst sinnvoll, wenn unter 50% duty cycle erreicht werden sollen, und man den Ausgang nicht einfach umgepolt verwenden kann. Also i.A. überflüssig. 50% (1:1) kann ein NE555 auch ohne den Aufwand.
Moin, ich denke nun sind alle meine Fragen geklärt. Ich werde mir 100k Ohm 1,2MOhm 100k-Poti MKS-4-100 4,7u TS-555 bestellen und mal schauen, wie das wird. Ich danke euch vielmals und wünsche euch noch ein möglichst erholsames Wochenende. LG Alex
Alexander schrieb: > Moin, > > das mit dem kleinen Widerstand leuchtet ein. Bei gleichen Widerständen > würde diese Schaltung zum Tragen kommen, wenn ich das richtig verstanden > habe. http://www.elektronik-kompendium.de/sites/slt/0310131.htm Diese Schaltung wird im Datenblatt nicht empfohlen. Bei Verwendung gilt dann auch nicht mehr die Angabe 1% Genauigkeit. Gruss Harald
Damit du wirklich ein Tastverhältnis von 50% erreichst, musst du diese Schaltung anwenden. Diese Schaltung funktioniert aber nicht mit einem NE555, da dessen Ausgang eine Unsymmetrische Spannung liefert. Damit bei dem CMOS555 die Ausgangsspannung am Pin 3 symmetrisch bleibt, wird Pin 3 nicht weiter Belastet und Als Ausgang wird Pin 7 mit dem offenen Kollektor genutzt!
> Damit du wirklich ein Tastverhältnis von 50% erreichst, > musst du diese Schaltung anwenden. Nein (also: funktionieren tut sie mit CMOS 555 schon und liefert auch 50% wenn man mit dem leistungsschwachen open drain Ausgang leben kann, sie braucht sogar im Mittel weniger Strom, aber:) Auch die konventionelle Schaltung funktionrt, weil der Entladetransistor an DISCHARGE auch einen Spannungsabfall hat. Der wird nur bei den üblichen Formeln immer vergessen. Rechnet man ihn ein, und rechnet man ihn so, da0 der Spannungsabfall an Ra ebenso hoch ist, dann kommen auch bei der konventionellen Schaltung exakt 50% raus. Mit 1k passt das schon recht gut :-) Hier sind die exakten Formeln drin, in denen Rd für den Widerstand des Entladetransistors steht, wer will, kann also nachrechnen (ich bin zu faul, messe lieber): http://www.fairchildsemi.com/ds/LM/LM555.pdf
ein Gast schrieb: > 12V / 1kOhm = 12mA! :( 12V * 12mA = 144mW Da kann der Wiederstand ja schon fast heiß werden! julian
Julian R. schrieb: > 12V * 12mA = 144mW > Da kann der Wiederstand ja schon fast heiß werden! > > julian
Alexander schrieb: > Würde ein > Spannungsregler, den man vorschaltet die Genauigkeit erhöhen? Ich würde mir mehr Gedanken um die Temperatur machen. Ich hatte den 555 mal als Tongenerator um 2kHz (als Licht-noch-an-Warner in einem alten Auto) verwendet. Die Frequenz ist im Winter hörbar abgedriftet. Bei einem Wechselblinker mit so niedriger Frequenz wird das wohl weniger auffallen.
Horst schrieb: > Alexander schrieb: >> Würde ein >> Spannungsregler, den man vorschaltet die Genauigkeit erhöhen? Naja, der Fehler ist 0,3%/Volt. Es kommt also darauf an... > Ich würde mir mehr Gedanken um die Temperatur machen. Ich hatte den 555 > mal als Tongenerator um 2kHz (als Licht-noch-an-Warner in einem alten > Auto) verwendet. Die Frequenz ist im Winter hörbar abgedriftet. Nun, laut Datenblatt hat der 555 eine Temperaturdrift von 150ppm/K. Das ist recht wenig. Vielleicht hattest Du schlechte Widerstände oder Kondensatoren. Gruss Harald
> Die Frequenz ist im Winter hörbar abgedriftet.
Da hattest du wohl Murks gebaut.
"Temperature Stability of 0.005%/°C"
Wie schon erwähnt, Elkos können übel sein.
MaWin schrieb: >> Die Frequenz ist im Winter hörbar abgedriftet. > > Da hattest du wohl Murks gebaut. > > "Temperature Stability of 0.005%/°C" Das gilt wohl für Monoflops. Bei Astabilen ist es etwas grösser. (siehe Seite 3) Gruss Harald
Moin, MKS-4-100 4,7µ :: FOLIEN-KONDENSATOR wurde empfohlen. Der hat jedoch eine Kapazitätstoleranz von 20%. Ist das nicht etwas viel?
Alexander schrieb: > Moin, > > MKS-4-100 4,7µ :: FOLIEN-KONDENSATOR > > wurde empfohlen. Der hat jedoch eine Kapazitätstoleranz von 20%. Ist das > nicht etwas viel? Dann musst du das mit dem Widerstand ausgleichen. Hast du denn überhaupt eine Vorstellung, wie du den Multivibrator eichen willst? Hast du einen Impulszähler mit dem du über eine bestimmte Zeit die Impulse Zählen kannst? Oder ein Frequenznormal mit Zähler, so, dass du denen Generator als Tor für den Zähler benutzt. Was mich die ganze Zeit irritiert, ist, dass du ständig andere Angaben machst. Deine Periodendauer ist mal 11s dann 9s und 8s waren auch schon im Gespräch.
@ein Gast (Gast): Eichen wird er ihn überhaupt nicht, dazu hat er keine Berechtigung. Er wird ihn höchstens kalibrieren. Eichen - Kalibrieren, ein himmelweiter Unterschied!
Eichamt schrieb: > Eichen wird er ihn überhaupt nicht, dazu hat er keine Berechtigung. Er > wird ihn höchstens kalibrieren. > > Eichen - Kalibrieren, ein himmelweiter Unterschied! Ja, das sehe ich ein! Da habe ich mich in der Wortwahl vergriffen. Aber ich bezweifle, dass er den AMV so genau kalibrieren kann.
Moin, ja es geht mir auch nicht direkt um die Periodendauer sondern darum, dass sie annähernd konstant ist. Bedeutet die Toleranz, dass die Fertigung ungenau ist, oder das diese Abweichung innerhalb der Schaltung auftritt und sich die Kapazität stetig verändert? Kalibrieren will ich mit Widerständen und indem ich mehrere Perioden abwarte und dann die Zeit durch die Periodenzahl teile. Je mehr Perioden ich gewartet habe, desto genauer das Ergebnis. Lg Alex
Alexander schrieb: > Bedeutet die Toleranz, dass die > Fertigung ungenau ist, Ja. Die 20% beziehen sich auf die Fertigungstoleranz.
Bitte melde dich an um einen Beitrag zu schreiben. Anmeldung ist kostenlos und dauert nur eine Minute.
Bestehender Account
Schon ein Account bei Google/GoogleMail? Keine Anmeldung erforderlich!
Mit Google-Account einloggen
Mit Google-Account einloggen
Noch kein Account? Hier anmelden.


