Guten Morgen zusammen, die Jugend forscht mal wieder und braucht eure Hilfe :) Ich bin dabei eine kleine Schaltung aufzubauen, bei der ich ein paar Vorgabe habe, die mir ganz schön Kopfzerbrechen bereiten. Prinzipiell geht es um die Stromversorgung für ein Mikrocontroller Schaltung. Die soll zum einen aus einer 12V Fahrzeugbatterie kommen, und sollte das, aus Welchem Grund auch immer, wegfallen auf eine Backupbatterie umschalten. Den Schematischen Aufbau hab ich mal versucht im Bild darzustellen. Sobald also das Bordnetz wegfällt, schaltet das Relais um auf die Backup Batterie. Das ganze wird noch von mehreren Kondensatoren gepuffert, sodass der uC das nicht mitbekommen wird. Soweit funktioniert auch alles. Nur soll jetzt auch noch die Spannung der Backup Batterie vom uC überwacht werden und sobald die einen bestimmten Wert unterschreitet, soll eine LED anfangen zu blinken. Problem bei der Sache ist zum einen die galvanische Trennung zwischen Batterie und uC die beibehalten werden soll. Zum anderen soll die Spannung der Batterie auch überwacht werden, selbst wenn die Schaltung auf dem Bordnetz versorgt wird. Also muss das ganze möglichst Stromsparend aufgebaut werden. Nicht das die Batterie irgendwann leer ist, obwohl sie eigentlich nie gebraucht wurde. Ich hab dafür das Bauteil ICL7665 verwendet, da der mit einem großen Eingangsspannungsbereich klar kommt. Der hat zwei "Messkanäle". Einmal soll bei <6V eine Warnung an den uC gehen und die LED zum Blinken bringen. Außerdem soll die ganze Schaltung bei <5.4V ganz abgeschaltet werden, damit die Akkus nicht tiefentladen werden. Den einen Ausgang des ICL7665 kann ich direkt benutzen, da der DCDC Wandler mit Masse ausgeschaltet wird. Jetzt fehlt noch die Warnung für den uC. Meine Idee seht ihr in dem zweiten Bild, mit dem Pull-Up und dem Optokoppler...aber so richtig gefallen tut mir das nicht. Permanent 3-5mA aus dem Akku ziehen kann´s doch nicht sein...Fällt jemandem eine bessere Methode ein? Also der Ausgang des ICL7665 hängt die ganze Zeit auf Masse, bis die Spannung kleiner als 6V ist, dann floatet der Ausgang. Beim zweiten Ausgang ist die Logik genau umgedreht. Der Ausgang floatet bis die Spannung kleiner als 5.4V ist, dann wird der Ausgang auf Masse gezogen und schaltet so den DCDC ab. Hat vielleicht jemand eine clevere Idee für mich? Ich wär unendlich dankbar!!!
Vergiss das Relais. Dioden sind erfunden. Alleine deine Optokoppler frisst den 1000-fachen Strom des ICL7665. Wenn die Schaltung galvanisch vom Bordnetz getrennt sein soll, kannst du deinen DC/DC-Wandler dazu beibehalten +------+ +-------------------|LP2951|-- 5V +-----+ | +------+ Bordnetz ---| +|---|>|--+--|<|--+ | |DC/DC| Backup-Batterie | Masse ------| -|----------------+---------------+----- GND +-----+ Dein uC kann problemlos die Spannung der Backup-Batterie messen, denn zu ihr hin ist er nicht galvanisch getrennt, wozu auch ? Es gibt auch Spannungsregler mit Unterspannungserkennung, wie L387 (Pollin, der uC sollte bei 3.3V noch laufen).
Hallo MaWin, ich zieh am Ausgang fast 1.6A. Ich glaub, da komm ich mit einem Linearregler nicht sehr weit. Deswegen würde ich den DCDC Wandler gern aus der Batterie versorgen. Ist übrigens ein 10W DCDC Wandler von Gaia. Ich dachte mir, dass ich die Batterie am wenigsten belaste, wenn ich sie über ein Relais ganz sauber vom Rest der Schaltung trenne, wenn sie nicht gebraucht wird. Mir schwebt irgendwie eine Schaltung vor, die den Optokoppler nur dann durchschaltet, wenn die Batteriespannung die 6V unterschreitet. Aber ich komm um den Pull-Up Widerstand nicht drumrum...Oder vielleicht mit einem NPN Transistor? Der Wird doch mit Masse geschaltet. Aber dann brauch ich wieder ein Pull-Up um den Transistor sicher auszuschalten...da dreh ich mich im Kreis. Wobei ich dann einen dickeren Widerstand nehmen könnte, aber Verluste hab ich immernoch. Also um den Optokoppler komm ich nicht drumrum. Aber die Ansteuerung darf halt im "Normalbetrieb" möglichst keinen Strom ziehen.
Leon schrieb: > Ich dachte mir, dass ich die Batterie am wenigsten belaste, wenn ich sie > > über ein Relais ganz sauber vom Rest der Schaltung trenne, wenn sie > > nicht gebraucht wird Nimm ein bistabiles Relais, Panasonic DK oder ST Serie. Dann benötigst Du nur für's Umschalten kurzzeitig Strom, danach hält das Relais den Schaltzustand (= Stromverbrauch 0mA). Effizienter kannst du es nicht trennen bei Batteriesystemen.
Andrew Taylor schrieb: > Nimm ein bistabiles Relais Im stromlosen Zustand ist das Relais ja auf der Batterieseite und verbraucht somit kein Strom. Nur wenn die Schaltung durch das Bordnetz versorgt wird, schaltet das Relais aktiv um. Aber wenn das Bordnetz dranhängt, ist es mir egal ob und wieviel Strom das Relais braucht. Da kommt es nicht auf Sromsparen an (dekadent ich weiß :))
> ich zieh am Ausgang fast 1.6A. Wie gross ist denn da deine Hilfsbatterie ? Lastwagenanhänger ? Sicher machen dann 10mA für den Optokoppler nchts mehr aus. Aber wer wesentliche Informationen vorenthält, muß sich über falsche Antworten nicht wundern. > Aber die Ansteuerung darf halt im "Normalbetrieb" möglichst > keinen Strom ziehen Das passt ja wohl kaum zu deinen 1.6A. Ich denke, du veralberst uns hier mit Halbwahrheiten und niemand hat Bock, sind von dir an der Nase rumführen zu lassen.
Wie Bitte??? Also ich kann doch nicht meine komplette Schaltung samt Quellcode hier posten?! Nicht weil ich euch was vorenthalten will, sondern weil das einfach viel zu viel wird und nix mit dem eigentlichen Problem zutun hat. Aber ich beantworte dir gern alle Fragen: - 1.6A bei 5V kommen durch einen dicken ARM9, 4xCAN, 2xRS232, 2xRS422, Display und viel Kleinkram zustande. - Wozu man da ein Lastwagenanhänger benötigt, erschließt sich mir nicht ganz. Gepuffert wird das ganze von 6x1.2V Akkupack mit 2400mA. Das die Schaltung aus der Backup Batterie versorgt wird, ist nur ein Sonderfall. z.B wenn man die ganze Schaltung vom Fahrzeug abzieht und zum nächsten Fahrzeug geht. Also max 1 Stunde. - Damit man aber mitbekommt ob und wann der Akku leer ist, soll das über eine blinkende LED dargestellt werden. Auch wenn die Schaltung gerade vom Fahrzeug versorgt wird. Nun soll aber das Messen der Batteriespannung nicht die Batterie selbst zu stark entladen. Klar geht nicht ganz ohne, aber die Batterie soll halt so lang wie möglich durchhalten. - Mit "Normalbetrieb" meine ich, das die Schaltung aus dem Bordnetz versorg wird und die Batterie eigentlich nix zutun hat. In dem Fall wär es blöd wenn ich sie permanent mit 5mA entlade, oder? Und wenn man dann mitbekommt, dass die Batterie bald leer ist, kann man das ganze ja wieder ans Fahrzeug hängen und dann den Akku tauschen. So war der Plan.
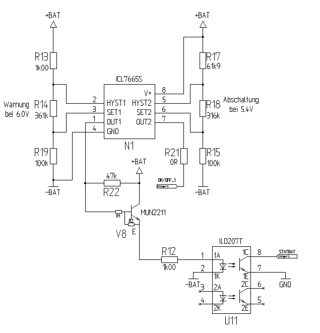
Wie wärs damit? Solang der Ausgang vom ICL7665 auf Masse liegt passiert nix, und wenn der anfängt zu floaten, schaltet der Transistor durch und damit der Optokoppler? Ergibt ein Ruhestrom von knapp 0.1mA. Damit könnt ich leben.
Leon schrieb: > 1.6A bei 5V kommen durch einen dicken ARM9, 4xCAN, 2xRS232, 2xRS422, > Display und viel Kleinkram Wow, wohl alles noch in Standard-TTL?
Fra Nk schrieb: > Wow, wohl alles noch in Standard-TTL? Versteh nicht so ganz wieso ihr euch darüber so aufregt? Da hängt halt auch ein Touchscreen samt Beleuchtung dran. 1.6A ist der Maximalstrom...dazu müssen aber auch CAN gleichzeitig senden und der ARM9 ordentlich was zutun kriegen. Dennoch muss die Stromversorgung dafür ausgelegt sein.
In deiner "Lösung" würdest du aber den Optokoppler dauerhaft durchsteuern, wenn dein i.O. Signal auf Masse liegt. Soviel zum Thema Stromsparen!
Bitte melde dich an um einen Beitrag zu schreiben. Anmeldung ist kostenlos und dauert nur eine Minute.
Bestehender Account
Schon ein Account bei Google/GoogleMail? Keine Anmeldung erforderlich!
Mit Google-Account einloggen
Mit Google-Account einloggen
Noch kein Account? Hier anmelden.


