Hallo zusammen, Ist es möglich den microcomputer Baustein TMP80C39A auszulesen und weitere Bausteine dieses Typs anschließend mit der ausgelesenen Information zu beschreiben? Hier der Link zu dem PDF Datenblatt des Bausteins: http://doc.chipfind.ru/pdf/toshiba/tmp80c39a.pdf Welchen Programmer bräuchte ich dafür sofern es möglich ist? Danke im Voraus für eure Hilfe! Mit freundlichen Grüßen P Wilczek
P Wilczek, der TMP80C39A hat keinen internen Programmspeicher, den man auslesen könnte. Das Programm wird wohl in einem EPROM gestanden haben. Ciao, Yagan
Hallo, Danke für die schnelle Antwort, musste spontan ins Ausland die lezten Tage :-) Also im Prinzip geht es um drei verschiedene microcontroller: 1. TMP80C39AP mit internem speicher. 2. SAB8048 mit internem Speicher. 3. MSM80C48 mit internem Speicher. Das sind defekte Bausteine auf Platinen die ich reparieren muss. Ich habe vor die software aus einem funktionierendem beschriebenen controller auszulesen und dann auf den ersatzchip zu schreiben Dazu benötige ich einen passenden Programmer und die dazugehörige Software. Wäre echt super wenn mir da einer weiterhelfen könnte! Danke im Voraus!
> Wäre echt super wenn mir da einer weiterhelfen könnte!
Da kann dir wohl nur noch Ebay weiterhelfen. Grundsaetzlich ist es
moeglich einen MCS48 auszulesen und alles in einen 8748 zu brennen.
Aber sowohl die Bausteine wie auch die Brenner gibt es wohl nur noch im
Museum. Ich habe meinen ersten Brenner dafuer als Steckkarte fuer
einen ][+ selber gebaut. Aber fuer sowas sind die Leute heute zu faul.
Olaf
Hallo, Kann ich die nicht mit einem universellen PIC programmer lesen und wieder neu beschreiben? Gruß Peter
Yagan Ζ. Dongobar schrieb: > P Wilczek, > > der TMP80C39A hat keinen internen Programmspeicher, den man auslesen > könnte. Das Programm wird wohl in einem EPROM gestanden haben. Wilczek-one: Hast Du das nicht gelesen oder hast Du gar keinen TMP80C39A? Gruß Dietrich
> Hast Du das nicht gelesen oder hast Du gar keinen TMP80C39A?
Alle 39er die ich damals in den Fingern hatte, hatten auch irgendein
Programm drinnen. Das sind einfach maskenprogrammierte die keiner haben
wollte. Vielleicht findet er da ja das Programm einer Spuelmaschine von
1980. :-D
Olaf
Hallo, Es ist der TMP80C39AP, dieser hat einen internen speicher. Der TMP80C39A hat keinen. Ich kann mir den Programmer auch gerne selbst aufbauen, wenn mir jemand nen link oder Schltplan für nen entsprechenden Programmer schicken könnte. Daher die Frage ob ich da mit einem herkömmlichen PIC Programmer dranngehen kann? oder dieser microcontroller nicht unterstützt wird? Gruß Peter
> Ich kann mir den Programmer auch gerne selbst aufbauen, wenn mir jemand > nen link oder Schltplan für nen entsprechenden Programmer schicken > könnte. Das brauchst du nicht. Die Algorythmen waren damals noch nicht geheim. Du musst nur das Datenblatt lesen und kannst dir dann einfach so einen Brenner bauen. > Daher die Frage ob ich da mit einem herkömmlichen PIC Programmer > dranngehen kann? PIC? Naja, sagen wir mal so, nicht jeder kann so einen Brenner bauen. Oh..man PIC! Das ist eine MCS48. Hast du denn schon 8748er? Die wuchsen damals schon nicht auf Baeumen. Olaf
Nach dem Datenblatt sieht der TMP80C39AP nicht so aus als ob man ihn auslesen könnte.
D8748 und D8749 können laut Liste mit Galep4 programmiert werden. Programmierversuch mit D8749 war bei mir erfolgreich.
Der TMP80C39AP hat kein ROM. http://www.cpu-world.com/CPUs/8039/index.html Also lies den zugehörigen ROM aus.
Hallo zusammen, Sorry für die Verwirrung die ich hier gestiftet habe!! Also ich muss an der Stelle mal ein Update einbringen. Habe mich mit der Platine genauer beschäftigt: Der TMP80C39AP arbeitet auf der Platine in Kombination mit einem M27C64A Eprom. Die Fehlerquelle ist der defekte TMP80C39AP. Wodurch könnte ich hier Ersatz schaffen? auf die einfachste Weise? Ich kann auch ein Bild von der Platine hochladen. Gruß Peter
> Wodurch könnte ich hier Ersatz schaffen? auf die einfachste Weise?
Durch jeden 8039 oder auch 8049. Also auch die Typen mit internem Rom
funktionieren weil das bei dir durch deine Schaltung deaktiviert wird.
Nur ist die Beschaffung halt nicht so einfach weil total veraltet.
Andererseits wurden sie natuerlich in grossen Stueckzahlen produziert.
Ich glaube mich z.B zu erinneren das in den alten Video2000 Recorder von
Grundig mal 2-3 drin waren.
Es koennte auch sein das sie in manchen Tastaturen drin waren, auch wenn
ich denke das da eher die MCS51 verwendet wurden.
Aber Achtung, deine Teile haben 128Byte internes Ram. Verbreiteter waren
damals die 8048. Die hatten nur 64Byte Ram. Die werden wahrscheinlich
nicht funktionieren. Es gab auch mal welche mit 256Byte Ram. Aber die
waren eher selten.
Ich bin mir auch sicher das auf jedem Flohmarkt etwa 10Stk davon
irgendwo rumliegen. Du muesstest nur wissen in welchen von den alten
Teilen sie sich verstecken. :-)
Olaf
Wilczek-one schrieb: > Der TMP80C39AP arbeitet auf der Platine in Kombination mit einem M27C64A > Eprom. > > Die Fehlerquelle ist der defekte TMP80C39AP. Wie hast Du das geprüft? Wie hast Du ausgeschlossen, daß das EPROM nicht seine Programmierung vergessen hat? Programm ausgelesen, Prüfsumme mit der aus bekannten Aufzeichnungen verglichen? Oder Programm aus einer defekten Platine ausgelesen und mit dem aus einer baugleichen noch funktionierenden Platine verglichen? Erst wenn Du das gemacht hast, kannst Du das EPROM als Fehlerquelle ausschließen. Die Dinger sind nicht unendlich haltbar, die Hersteller haben typisch 10 Jahre Datenerhalt "garantiert", und wie lange das tatsächlich funktioniert, hängt unter anderem von der Genauigkeit der Einhaltung der Programmieralgorithmen beim (damaligen) Programmieren ab. > Wodurch könnte ich hier Ersatz schaffen? auf die einfachste Weise? Wenn es wirklich der 8039 ist: Durch einen anderen 8039. Machen musst Du mit dem gar nichts, außer ihn in die Platine einsetzen.
Du schreibst oben das Du Platinen mit 8048 und 8039 hast... die selben Platinen? Dann tut es auch ein 8048. Ich müßte noch ca 10 Stück 7048 und 49 herumliegen haben.. Gruß, Holm
Hallo, Ja ich habe mehrere baugleiche Platinen wo auch statt dem TMP80C39AP auch der: MSM80C39 PCB80C39 11P (Philips) Alternativ eingesetzt ist. Was möchtest du für die Bausteine Haben? Kann ich den SAB8048 mit dem 7048/ 49 ersetzen? Das wär schonmal ein Anfang!
Ja, ein 8048 kann durch einen 8049 ersetzt werden (mehr RAM, aber kompatibel). Umgekehrt meist nicht. Falls Holm seine nicht mehr findet, hätte ich noch zwei oder drei gebrauchte anzubieten.
Irgendwie ist mir in Erinnerung, das es kleine Unterschiede zwischen 80c39 und 8039 gibt. In einer Schaltung war das wichtig, ansonsten ging etwas an der Hardware defekt.
Michael_ schrieb: > Irgendwie ist mir in Erinnerung, das es kleine Unterschiede zwischen > 80c39 und 8039 gibt. In einer Schaltung war das wichtig, ansonsten ging > etwas an der Hardware defekt. Kann das sein das du 80535 und 80C535 meinst? Die waren nicht direkt austauschbar. Man konnte einen 80535 nicht in eine Platine für 80c535 stecken.
Hallo, Ich werde morgen mal ein Bild der Platine hochladen. Dann könnt ihr euch das mal ansehen. Gruß Peter
>Kann das sein das du 80535 und 80C535 meinst?
Nein. War schon lange her >10 Jahre, irgendwas aus dem ELEKTOR.
Ich würde schon den gleichen oder einen Vergleichstyp nehmen.
Auch der 8051 ist schon 25 Jahre alt ( siehe hier: http://www.efton.sk/t0t1/history8051.pdf ). Es ist also durchaus wahrscheinlich, daß in dem uralten Elektorartikel vom '535 die Rede war. In diesem Datenblatt: http://www.datasheetcatalog.org/datasheets/2300/467334_DS.pdf sind 8039 und 8049 überall als elektrisch gleich angegeben. Weiteres hier: http://www.nyx.net/~lturner/mcs48_pin.html
Der 80535 ist auch schon so alt. Siemens hatte den ungefaehr so Ende der 80er rausgebracht. Da der 80535 noch in NMOS gefertigt wurde brauchte er eine negative Spannung. Die hat er sich intern mit einer Ladungspumpe selbst erzeugt. Lediglich an einem Pin musste man einen extern Kondensator von 100nF anschliessen zur Glaettung. Beim 80C535 wurde dieser Pin anderwertig belegt, meistens mit 5V. Steckte man nun einen 80535 in einem fuer 80C535 layouteten Board lag an diesem Eingang dann halt 5V an was der 80535 sehr uebel nahm. Umgekehrt ging es aber. Beim 8039/8049 ist mit sowas nicht bekannt.
Die von mir angegebenen 7048 und 49 sind Tippfehlertypen. Ich habe natürlich 8048 und -49. Wie viele brauchst Du? Gruß, Holm
Ich hätte Bedenken, einen 80Cxx einfach so gegen eine 80xx auszutauschen. NMOS oder CMOS-Technik, da ist doch schon ein erheblicher Unterschied (Stromverbrauch, Ausgangspegel/Strom/Schaltzeiten ...). Umgekehrt geht es eher, man braucht dann eventuell "nur" zusätzliche Stützkondensatoren. Gruß Dietrich
Ich möchte nochmal an meine Fragen hier Beitrag "Re: TMP80C39A Auslesen und beschreiben" erinnern - nicht, daß hier viel Aufwand getrieben wird, einen unschuldigen Controller zu ersetzen, wenn es doch nur das EPROM ist, das vergesslich wurde ...
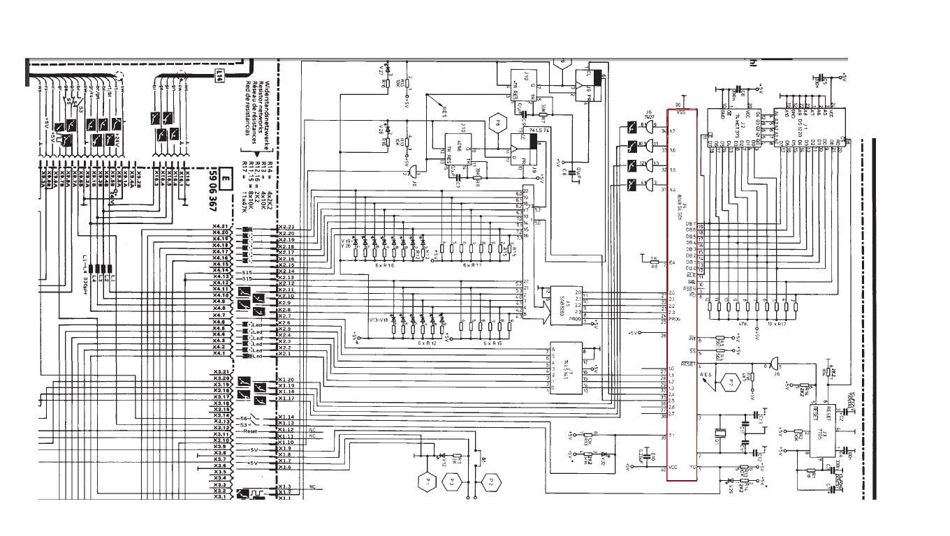
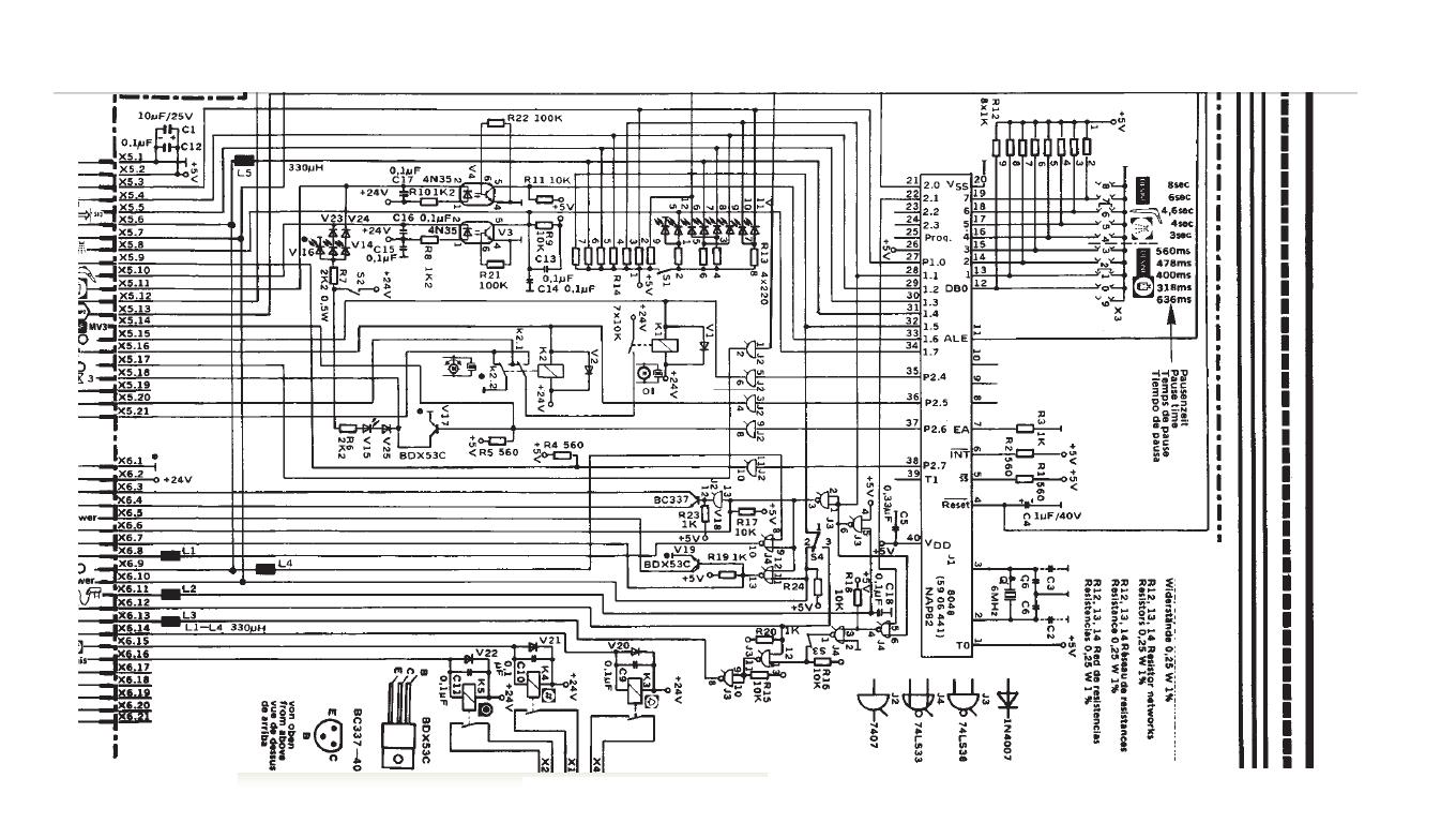
Hallo zusammen, So hier wie versprochen mit etwas Verspätung die Links zu den Bildern! Zwei Platinen mit einem 8048 bestückt und die dazugehörigen Schaltbild Auszüge. Nun solltet ihr euch ein Bild davon machen können was ich meine :-) Hier die Links: http://img845.imageshack us/img845/8985/2981546d3188a.jpg http://img822.imageshack us/img822/6995/5906433d3188a.jpg http://img40.imageshack us/img40/4858/platine2t.jpg http://img88.imageshack us/img88/6334/platine1.jpg Zwischen "imageshak" und "us" fehlt ein punkt (spammeldung vom board :-( bitte ergänzen!) Hier noch ein Bild von einer Platine mit einem microcontroller mit dem Namen: MCD3000B-03 ich kann dazu nichts finden im netz und nirgendwo. Weis jemand was das für ein Baustein ist und was ich hier einsetzen könnte? http://img543.imageshack us/img543/2152/5906573d3181a.jpg Das aber nur am Rande... @Rufus: wenn ich ihn aus einer anderen Platine einsetze dann funktioniert es wieder. Somit schließe ich eine andere Fehlerquelle aus. @Holm und andere die mir diese Bausteine anbieten können: Meine Mailadresse ist: wilczek.eins@gmail.com Schreibt mir mal bitte eine Email damit wir den Versand der Bausteine und das finanzielle besprechen können. Danke!
Hallo, Hier sind die Bilder nochmal in besserer Auflösung und ohne umweg auf imagsehsack... P Wilczek
Also noch mal ein Nachtrag: nach den Bildern sind das Chips mit internem Programmspeicher, von EEPROM kann keine Rede sein. Diese müssen tatsächlich kopiert werden: Intakten Chip mit Galep o.ä. auslesen und in einen 87C48 oder 87C49 schreiben. Diese sind inzwischen recht schwer zu bekommen. Übrigens, zum Thema Interdesign: Uralt ist gar kein Ausdruck... Interdesign wurde in "grauer Vorzeit der Mikroelektronik", als das Internet nicht einmal eine Zukunftsvision war, von Hans Camenzind, dem Erfinder des Timer-IC 555 gegründet. Später von GEC/Plessey übernommen, die heutige Firma Plessey hat jedoch wahrscheinlich keine Unterlagen mehr. Außerdem hat Interdesign schon damals Custom-Chips im Kundenauftrag produziert.
hallo hast du noch 8048? habe ein alten Beitrag gelesen aber such heute solch ic! mfg
Bitte melde dich an um einen Beitrag zu schreiben. Anmeldung ist kostenlos und dauert nur eine Minute.
Bestehender Account
Schon ein Account bei Google/GoogleMail? Keine Anmeldung erforderlich!
Mit Google-Account einloggen
Mit Google-Account einloggen
Noch kein Account? Hier anmelden.




