Hallo, ich bin auf der Suche nach einer Schaltung mit der ich eine Standart-LED beim Einschalten langsam an-, und beim Ausschalten langsam ausgehen lassen kann. Als Spannung stehen zur Verfügung entweder 2,8, 4,2 oder 5,6V (Knopfzellenreihenschaltung). Habe schon einiges gelesen, gut gefallen hat mir auch eine Version wo beim Einschalten die LED recht schnell angeht, beim Ausschalten jedoch langsamer ausgeht (1-2 Sekunden nachglimmt). Kann jemand eine solche Schaltung für die verschiedenen Versorgungsspannungen berechnen? Vielen Dank für Eure Mühe! Gruß Alexander
Der LED ein Elko parallel schalten. Beim Einschalten muss dieser erst geladen werden, bevor eine zum Leuchten ausreichende Spannung erreicht wird. Beim Ausschalten wird die LED noch kurz aus dem Elko versorgt. Vorwiderstand vor LED und Elko wichtig!
>ich bin auf der Suche nach einer Schaltung mit der ich eine Standart-LED >beim Einschalten langsam an-, und beim Ausschalten langsam ausgehen >lassen kann. Für einen befriedigenden Eindruck sollte der Strom durch die LED exponentiell ansteigen und abfallen. Das ist garnicht so leicht umzusetzen. Es gibt zwar eine Möglichkeit, das mit dem Laden und Entladen eines RC-Gliedes anzunähern, aber das funktioniert nur bei einer genau definierten Versorgungsspannung. Ändert sich die Batteriespannung deiner Knopfzellen mit zunehmnder Betriebsdauer, geht der Effekt leider verloren. Been there done that... Auch eine einfache PWM funktioniert nicht, wenn das exponetielle Ansteigen und Abfallen des LEDstroms über mehrere Dekaden gehen soll. Dazu bräuchtest du schon 16bit PWM und eine entsprechend hohe Taktfrequenz des µC, was den Versorgungsstrom in die Höhe treibt und deine Knofzellen zu rasch entladen würde. Eine PWM mit exponentiell gewichteten Einzelstromquellen würde dagegen funktionieren, zumindest auf dem Papier. Leider bin ich noch nicht dazu gekommen, daß einmal selbst aufzubauen...
Ich brauche eine sehr sehr kleine Schaltung - habe nur 10x7x7mm zur Verfügung... Hilft Euch das evtl. weiter? http://www.ledstyles.de/ftopic8721.html
Und was stört dich an dieser Schaltung, die du selbst gefunden hast?
Kommentare wären echt super, ob und wie es funktioniert oder auch was ich ändern muss, wenn beispielsweise die Spannung für die LED zu hoch ist. Ich habe in meinem Fall wahrscheinlich auch nur 2,8V zur Verfügung. Was muss ich ändern wenn ich die Schaltung mit 2,8 oder 5,4V betreiben will?
Alexander schrieb: > Spannung für die LED zu hoch Und zum 1.000.000sten Mal: LEDs werden nicht mit Spannung, sondern mit Strom betrieben! Du musst höchstens den Vorwiderstand der LED anpassen, damit der Strom wieder stimmt. Gruß Jonathan
>Und zum 1.000.000sten Mal: LEDs werden nicht mit Spannung, sondern mit >Strom betrieben! Das stellt doch überhaupt niemand in Frage. >Ich habe in meinem Fall wahrscheinlich auch nur 2,8V zur Verfügung. Welche Farbe hat denn deine LED?
Deine Schaltung habe ich mal mit FET gemacht. Da wird der Kondensator kleiner. So liegst du schätzungsweise bei >10µF.
> beim Ausschalten jedoch langsamer ausgeht (1-2 Sekunden nachglimmt). Woher soll denn der Strom nach dem ausschalten kommen ? Die Batterie ist dann ja offenbar abgeklemmt. Dann wirst du um einen Kondenstaor nicht drumrum kommen. 20mA für 1 Sekunde liefert ein 20000uF Kondensator, dessen Spannung fällt dabei um 1V +--Schalter--47R--+--47R--+ | | | 4.2V Batterie Kondensator LED | | | +-----------------+-------+ > habe nur 10x7x7mm zur Verfügung... Keine Arme keine Kekse.
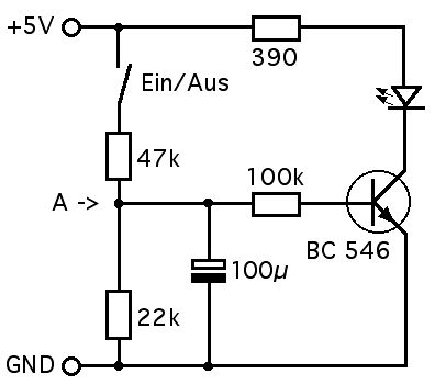
Funktioniert die Schaltung mit Transistor die ich weiter oben erwähnt habe denn nicht? Welche Bauteilwerte brauche ich bei 2,8 bzw. 5,6 V ?
>Funktioniert die Schaltung mit Transistor die ich weiter oben erwähnt >habe denn nicht? Welche Bauteilwerte brauche ich bei 2,8 bzw. 5,6 V ? Warum baust du sie denn nicht mal selbst auf?? Wenn du eine rot-orange LED mit 2V Spannungsabfall hast, dann funktioniert die Schaltung mit 2,8V eher nicht so gut. 5,6V Spannungsversorgung ist dann schon besser. An der Schaltung brauchst du dann nichts zu ändern. Der Strom durch die LED wird hier übrigens eher durch die Stromverstärkung des Transistors begrenzt als durch den 390R Widerstand.
MaWin schrieb: > 20mA für 1 Sekunde liefert ein 20000uF Kondensator, > dessen Spannung fällt dabei um 1V Und bei 1V ist die LED schon längst aus, so dass dann bestimmt keine 20mA mehr fließen.
> Und bei 1V ist die LED schon längst aus, > so dass dann bestimmt keine 20mA mehr fließen. Ach ..., daher habe ich 4.2V als Batterie eingezeichnet. Von 4.2V über 47 Ohm an den Kondensator der seine ca. 3.2V über weitere 47 Ohm an die LED bringt di ungefähr 2.1V Flusspannung hat. Wenn dann die 3.2V auf 2.2V absinken, wird gerade die Grenze erreicht an der die LED dunkler wird aber noch nicht ganz aus ist.
Bitte melde dich an um einen Beitrag zu schreiben. Anmeldung ist kostenlos und dauert nur eine Minute.
Bestehender Account
Schon ein Account bei Google/GoogleMail? Keine Anmeldung erforderlich!
Mit Google-Account einloggen
Mit Google-Account einloggen
Noch kein Account? Hier anmelden.
