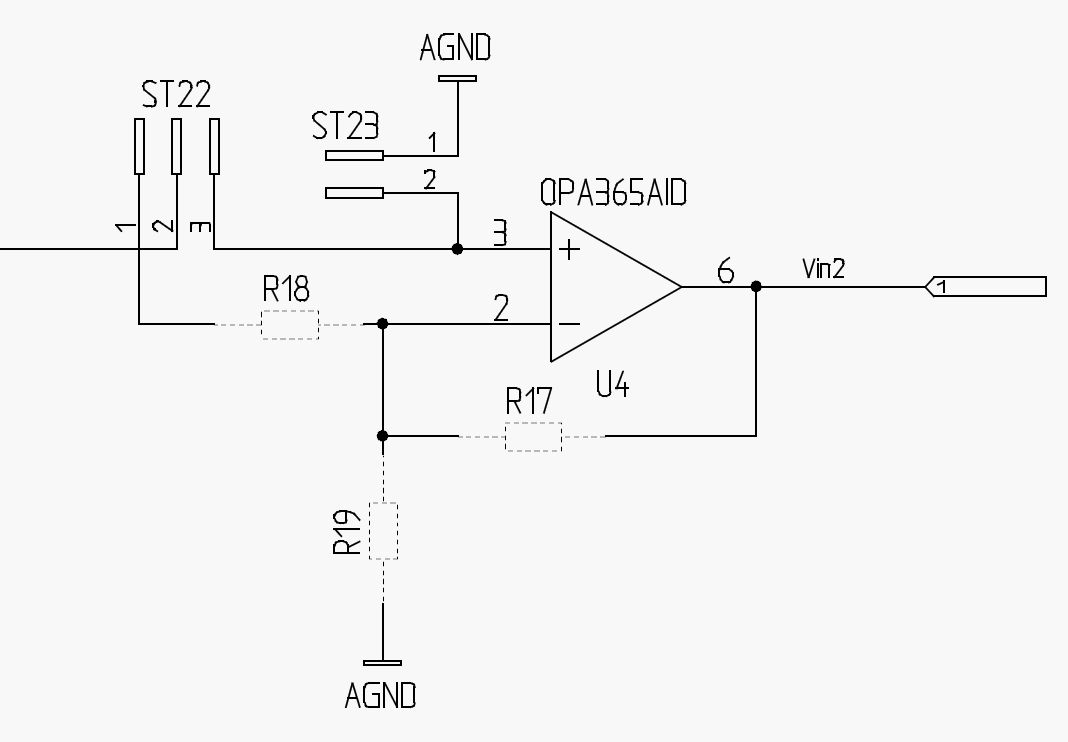
Hallo zusammen, die OPs in einem Testaufbau von mir tun nicht so wie erwartet. Ich habe versehentlich die die OPs nur an positive Versorgung (12V) angschlossen (die negativen Versorgungsanschlüsse einfach floaten lassen). Können die allein dadurch kaputt gegangen sein oder muss ich da mehr falsch gemacht haben? Zur Beschaltung: die gestrichelten Rs sind zuerst nicht bestückt. Durch wahlweise Bestückung sollen hier invertierend, nicht invertierend und Spannungsfolger möglich sein.
> Können die allein dadurch kaputt gegangen sein
Ja, der Ausgang wäre die zweite Leitung zum Stromkreis.
Also der eingezeichnete OPA365 ist ein Single Supply OP bis ma. 5,5V. http://www.ti.com/lit/ds/symlink/opa365.pdf Wenn du den an 12V anschließt ist der kaputt.
noips schrieb: > die OPs in einem Testaufbau von mir tun nicht so wie erwartet. Vielleicht hast du eine falsche Erwartung. Was hast du gemacht? Was hast du erwartet? Was ist passiert?
... schrieb: > Wenn du den an 12V anschließt ist der kaputt. OK, danke. War zu dumm, genauer das Datenblatt anzuschauen. Peinlich, peinlich...
Bitte melde dich an um einen Beitrag zu schreiben. Anmeldung ist kostenlos und dauert nur eine Minute.
Bestehender Account
Schon ein Account bei Google/GoogleMail? Keine Anmeldung erforderlich!
Mit Google-Account einloggen
Mit Google-Account einloggen
Noch kein Account? Hier anmelden.
