Hallo, ich habe da ein Problem mit einem kaputten Spannungsverstärker. Leider kostet das Gerät mehrere Tausend Euro, und kann eigentlich mehr, als ich brauche. Es geht um folgendes: Ich habe einen Motor, den ich per PC ansteuern will. Das Signal vom PC kommt analog mit 0-5V raus und soll nun 3fach verstärkt an einen Motor gesendet werden. Der Motor hat einen geringen Widerstand, was dazu führt, dass da bis zu 2-3A fließen können. Außerdem bin ich an eine Versorgungsspannung von 24V gebunden. Um die Aufgabe zu realisieren dachte ich an eine einfache nicht-invertierende OpAmp Schaltung. Leider habe ich nur zwei OpAmps gefunden, die dafür geeignet wären: LM675 und LM3886. LM675 schafft die Leistung nur gerade so am Rande, und eigentlich müsste das ganze für bis zu 4A ausgelegt sein, weshalb ich eher an den LM3886 dachte. Nun ist der LM3886 eigentlich ein Audioverstärker und da ich mich nur in den Grundzügen der OpAmp Verschaltungen auskenne, hatte ich gehofft, dass man ihn dennoch wie einen ganz normalen nicht-invertierenden Verstärker anschließen kann - ist das richtig? Übrigens hat der Motor mit Kabel einen Widerstand von ca. 4Ohm (auf den Blindwiderstand verzichte ich hier, da die Steuersignale an die Motoren nicht über 10Hz gehen werden). Meine Idee ist also: Einfach den Widerstand R3 durch einen 220k/3 WIderstand zu ersetzen und so ziemlich alle Kondensatoren rauszuschmeißen. Ich wäre euch sehr dankbar, wenn ich Rückmeldung erhalten könnte, da ich bisher nirgends über einen ähnlichen "Missbrauch" des LM3886s gefunden habe. Dank und Gruß.
Warum diese Woche alle Leute ihre Motoren mit linear abgeregelter Gleichspannung betrieben wollen... Muß eine neue Mode sein. Der LM3886 enthält Schutz gegen Kurzschluss, Übertemp, SOA-Bereich-Überschreitung wie auch ein LM317. Aber der LM3886 verstärkt um mehr als 3, das Eingangssignal muss also abgeschwächt werden, und die Schaltung muss so ausgelegt werden, daß sie auch Gleichspannung verstärkt. Das tut deine Schaltung mit C5 und C6 je gerade nicht. Verzichtet man auch all diesen Schutz, könnte ein OpAmp, geschaltet als Verstärker mal 3, direkt einen Leistungs(darlinton)transistor ansteuern. Der muss dann so ausgelegt sein, daß er unter allen Betriebsbedingungen (blockierter Motor) nicht zu heiss werden kann, den Strom aushält, und bei Generatorbetrieb des Motors eine Freilaufdiode hat. +24V | +-----+-------+ | | | ----|+\ | | | >--|< | +--|-/ |E | | | | | +---(-20k-+--|>|--+ | | | 10k | Motor | | | GND GND GND
Hallo, danke für die Antwort. Warum ich gerade JETZT das Problem mit dem Motor habe, weiß ich nicht, aber ich wäre froh, wenn ich es NIE gehabt hätte! :) Und die Kondensatoren hätte ich natürlich weggelassen :). Meine Frage ist nun allerdings, warum ich noch den Leistungstransistor brauche, wenn ich schon den OpAmp habe? In der alten Schaltung war auch nur ein OpAmp mit fest eingestellter Verstärkung (leider gibt's den nicht mehr zu kaufen). Oder soll der Transistor als Impedanzwandler fungieren? Da der LM3886 an 4Ohm Last und 8Ohm Last betrieben werden kann, und der Motor samt Zuleitung 4 Ohm hat, mache ich mir darüber eigentlich (fälschlicherweise??) keine Gedanken. Gruß
HB Dürr schrieb: > Da der LM3886 an 4Ohm Last und 8Ohm Last betrieben werden kann, und der > Motor samt Zuleitung 4 Ohm hat, mache ich mir darüber eigentlich > (fälschlicherweise??) keine Gedanken. Nicht jeder Verstärker-IC mag Gleichspannung verstärken und zusammen mit einem größeren Ausgangsstrom ausgeben. Es gibt nur wenige, die das zulassen (TDA2030 z.B.).
mhh schrieb: > Nicht jeder Verstärker-IC mag Gleichspannung verstärken und zusammen mit > einem größeren Ausgangsstrom ausgeben. Es gibt nur wenige, die das > zulassen (TDA2030 z.B.). Genau das habe ich befürchtet. Dass ein OpAmp keine Gleichspannung verstärken kann, wusste ich nicht. Leider habe ich dazu auch nichts im Datenblatt gefunden. Kennt sich denn jemand speziell mit diesem OpAmp aus? Bzw. kennt einen Ersatz, der die gleiche Leistung bringt? Wie wird denn üblicherweise solch eine Verstärkung realisiert? Eigentlich müsste das es doch schon fertige Geräte geben, oder? Gruß
HB Dürr schrieb: > Dass ein OpAmp keine Gleichspannung > verstärken kann, wusste ich nicht. Bitte nicht verwechseln. NF-Verstärker-IC ist nicht immer mit einem OPV identisch, wenn die Arbeitsweise stellenweise auch gleich erscheint und manchmal auch ist. Das Problem beim Verstärker-IC wird zuviel Wärme an einer Stelle des Chips sein (statt halber Belastung jedes Ausgangstransistores beim Sinus erfolgt ja vereinfacht gesagt nun eine einseitige volle Belastung bei gleicher Last). Also zu wenig Sand verbaut. :) HB Dürr schrieb: > Bzw. kennt einen > Ersatz, der die gleiche Leistung bringt? Der Vorschlag von MaWin ist einfach mal viel billiger als ein spezieller OPV, der das kann was Du möchtest.
> Meine Frage ist nun allerdings, warum ich noch den Leistungstransistor > brauche, wenn ich schon den OpAmp habe? Als Alternative. Ein kleiner OpAmp wie LM358, ein dicker Transistor wie BDW83C. Kein dicker OpAmp wie LM3886.
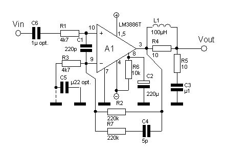
MaWin schrieb: > Als Alternative. Ok. Das erklärt einiges. Die Alternative gefällt mir sehr gut. Ich hab noch was anderes gefunden, was man vielleicht ohne viel Aufwand benutzen könnte: http://www.conrad.de/ce/de/product/192287/10-A-DREHZAHLSTELLER-FUeR-GLEICHSTROMMOTO/2407030&ref=list Aber ehrlich gesagt hätte ich schon Lust so einen Verstärker selbst auszulegen. :) Braucht eigentlich jemand einen LM3886 Gainclone Bausatz - ich hätte einen über. :D Dank und Gruß
Bitte melde dich an um einen Beitrag zu schreiben. Anmeldung ist kostenlos und dauert nur eine Minute.
Bestehender Account
Schon ein Account bei Google/GoogleMail? Keine Anmeldung erforderlich!
Mit Google-Account einloggen
Mit Google-Account einloggen
Noch kein Account? Hier anmelden.
