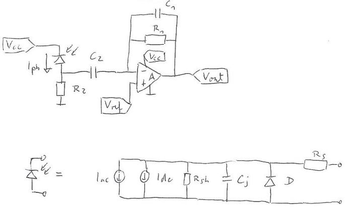
Hallo Zusammen, ich will die Übertragungsfunktion von dem im Anhang gezeigten Transimpedanzverstärker herleiten. Wie geht man dazu grundsätzlich vor? Ich habe mir schon diverse Herleitungen zum "normal" beschalteten TIA angesehen (z.B. Beitrag "Übertragungsfunktion von Transimpedanzverstärker berechnen" ). Leider habe ich es nach vielen Versuchen immer noch nicht hinbekommen. Ich wäre für Tipps und Literaturhinweise sehr dankbar. Viele Grüße, Florian
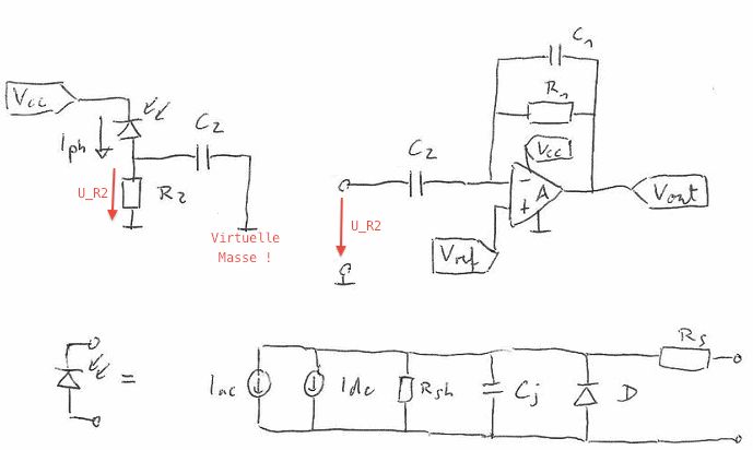
Ich hätte da mal zwei Lösungsideen, siehe Anhang. Du kennst hoffentlich den Begriff "virtuelle Masse"? Dann rechne erstmal so, als wäre C2 nach Masse kurzgeschlossen. Das geht natürlich nur bis die GBW des OPamp erreicht ist etc., aber fürs erste reichts denk ich. Ansatz 1(tia_01): Die Spannung über R2 ist erstmal interessant. Ausrechnen in Abhängigkeit von I_phot. Dann diesen Ausdruck an die OP-Schaltung weiterreichen und nun so tun als wäre U_R2 eine Spannungsquelle. Beim OP gehts ja einfach: Verstärkung = -Oben/Unten also G(jw) = -(X_C1||R1)/X_C2. Fertig. Ansatz 2(tia_02): Der Strom durch C2 ist erstmal interessant. Ausrechnen in Abhängigkeit von I_phot. Nun so tun, als wäre eine Stromquelle mit I = I_C2 da, die direkt in den Transimpedanzverstärker rein speist. Hier fließt der Strom nun nicht in den Eingang vom OP rein, sondern durch die Parallelschaltung von R1 und C1. Der Ausgang wird so nachgeregelt, dass am -Eingang eben Masse anliegt. Also ist Uout = -I_C2 * ((X_C1||R1)). Fertig. mfg mf
Bitte melde dich an um einen Beitrag zu schreiben. Anmeldung ist kostenlos und dauert nur eine Minute.
Bestehender Account
Schon ein Account bei Google/GoogleMail? Keine Anmeldung erforderlich!
Mit Google-Account einloggen
Mit Google-Account einloggen
Noch kein Account? Hier anmelden.


