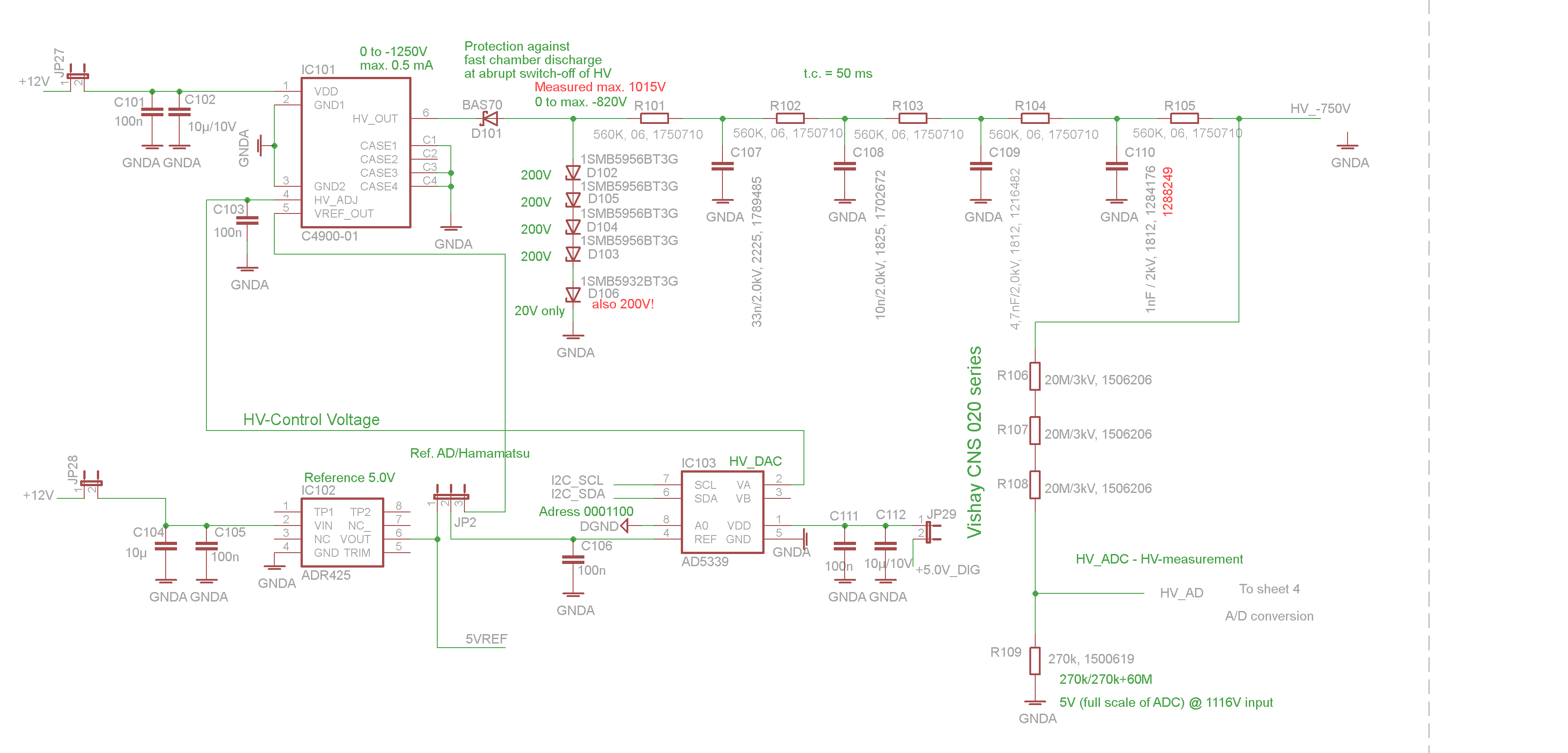
Liebe Kollegen, für einen Teilchenzähler erzeuge ich Hochspannung von -750 Volt mit einem Spannungsgesteuerten Hochspannungsnetzteil von Hamamatsu (IC101). Der Ausgang ist mit einer RC-Glättungskaskade belastet und danach geht die HV an die Kathode der Ionisationskammer. Das Ziel ist, am Ausgang der Glättungskaskade die besagten z.B. -750V zu haben, wobei die Last ca. 25µA zieht, aber nicht konstant:-( Diese 750V sollen auf 1.0V stabil sein. Die Genauigkeit ist im Moment untergeordnet und hängt mit der Spannungsreferenz des AD-Wandlers zusammen. Es wird am Schluss mit einem DMM kalibriert. Das Hamamatsu HV-Netzteil bekommt eine Steuerspannung von 0 bis 5 Volt (entspricht 0 bis -1250 Volt am Ausgang von IC101). Diese Steuerspannung erzeuge ich mit einem 12-bit DA-Wandler (IC103, AD5339). Die Hochspannung messe ich mit einem bipolaren 16-bit AD-Wandler AD7656-1 über den Spannungsteiler 270K/60M. Das ganze wird mit einem ATMEGA1284P gesteuert. Jetzt zu meiner Frage an euch: wie würdet ihr das regeln? Da ich ein Regelungstechnischer Laie bin, bitte z.B. um Links zu dem Thema, was ich mir durchlesen sollte. Zu der Kette: die "Zeitkonstante" der Glättungskaskade ist ca 50 ms, d.h. nach ca. 5*50 ms pendelt sich nach einem Sprung am Eingang der Ausgang ein. Der Übertragungsfaktor des Hochspannungsnetzteils ist ca. -250. Welche Art Regler würdet ihr dafür nehmen oder was könnt ihr mir empfehlen? Vielen Dank im Voraus Karel
>Welche Art Regler würdet ihr dafür nehmen oder was könnt ihr mir
empfehlen?
PI
Karel Marsalek schrieb: > ca. 25µA zieht, aber nicht konstant:-( Diese 750V sollen auf 1.0V stabil Und das bei insgesamt 2,8 Meg-Ohm Quellimpedanz. Ich behaupte mal: das geht gar nicht. Bei 5uA (+/-2.5uA) Schwankung an der Last ergeben sich schon 14V Ausgangsänderung die du gar nicht so schnell ausregeln kannst wie sie sich ändert. Meine Strategie wäre: Quellimpedanz drastisch reduzieren. Die Spannungsschwankungen durch Laständerung dürfen nicht mehr als 0.1 - 0.5V sein damit ich bei der langsamen Strecke noch eine Chance habe irgendwas auszuregeln. Karel Marsalek schrieb: > Hochspannung messe ich mit einem bipolaren 16-bit AD-Wandler AD7656-1 > über den Spannungsteiler 270K/60M. Da ist hoffentlich noch ein Hochohmiger Pufferverstärker (siehe Datenblatt) dazwischen ansonsten macht der Leckstrom von 1uA einen gewaltigen Fehler. Gruß Anja
Hallo Anja und Hacky. Danke für eure Antworten. Anja, habe nochmal nachgerechnet, wie groß die Stromschwankungen werden, und auf der 2.8 MOhm Quellimpedanz macht es nur ca. 100mV. Leider kann ich die Quellimpedanz nicht reduzieren - es muss ausreichend glätten aber wegen Safety muss die Gesamtkapazität unter ca. 47 nF bleiben - da bin ich schon am Limit. Ich kann nachher dennoch messen, wie weit das Rauschen ansteigt, wenn ich die Hochspannung weniger glätte, d.h. die 560 kOhm durch etwas kleineres ersetze. Anja schrieb: >> Hochspannung messe ich mit einem bipolaren 16-bit AD-Wandler AD7656-1 >> über den Spannungsteiler 270K/60M. > Da ist hoffentlich noch ein Hochohmiger Pufferverstärker (siehe > Datenblatt) dazwischen ansonsten macht der Leckstrom von 1uA einen > gewaltigen Fehler. Im Moment puffere ich es nur mit einem R-C Glied 82R + 10nF, was u.U. nicht ausreicht. Zieht der AD7656 den 1µA ständig oder nur beim Samplen? Wie stabil ist der Leckstrom auf Dauer? Vielen Dank Karel
Karel Marsalek schrieb: > Welche Art Regler würdet ihr dafür nehmen oder was könnt ihr mir > empfehlen? Du hast einen großen Vorteil, du weißt schon einiges über deine Strecke. Für die digitale Regelung ist ein PID-Regler prinzipiell keine schlechte Wahl. Der ist in ein paar wenigen Zeilen C-Code implementiert. Google liefert haufenweise Beispiele. Für das Einstellen ist das empirische Verfahren nach Ziegler-Nichols nicht schlecht. Es liefert zwar keine theoretisch optimalen Werte, dafür kommen sehr schnell ganz brauchbare Einstellungen raus. Max
Karel Marsalek schrieb: > Zieht der AD7656 den 1µA ständig oder nur beim Samplen? > Wie stabil ist der Leckstrom auf Dauer? Die 1uA sind der Maximalwert über Temperatur. Bei 25 Grad wird es vermutlich weniger sein. Beim sampeln kommt noch für jeden Sample-Vorgang die Ladung des 10-14pF-Sample-Kondensators dazu. Gruß Anja
Bitte melde dich an um einen Beitrag zu schreiben. Anmeldung ist kostenlos und dauert nur eine Minute.
Bestehender Account
Schon ein Account bei Google/GoogleMail? Keine Anmeldung erforderlich!
Mit Google-Account einloggen
Mit Google-Account einloggen
Noch kein Account? Hier anmelden.
