Hallo, ich habe vor an einen ATMEGA8 ein Display, eine Tastatur und eine SD-Karte anzuschließen. Display und Tastatur funktioniert bereits in einer Schaltung ohne die 74HC(T)...'s und ohne gemeinsamen Bus. Die SD-Karte hat Probleme bereitet wegen der Versorgungsspannung von 5 V für µC, Display und Tastatur und der 3,3V für die SD-Karte. Die zwei 74HC u. 74HCT vor der SD-Karte dienen u. a. zur Wandlung von 5V -> 3,3 V (74HC) und 3,3V -> 5V (74HCT) und zum schalten auf "Hochohmig", das auf dem Bus eine Mehrfachbelegung existiert. (Bei der SD-Karte tritt der Sonderfall ein, dass die SD-Karte zusätzlich den CS von PB2 bekommt.) Wenn der ISP-Programmer angeschlossen ist und RESET gegen GND zieht (beim Programmieren, richtig?), dann sollten die 74HC(T) vor Display und SD-Karte hochohmig sein. Ansonsten soll der µC den CS (ChipSelect) von Display und SD-Karte gegen Masse ziehen, wenn das Gerät angesprochen werden soll. Aber im Resetfall sollen die Chips hochohmig sein (damit Programmieren möglich). Desweiteren soll die Schaltung mit dem MC34063 9V in 15 V wandeln. Mit einem geeigneten Spannungsteiler sollte dies auch funktionieren, oder? Der LF50CV macht 9V -> 5 V und der LF33CV macht aus 9V -> 3.3V. Müssen die GX-Anschlüsse der 74HC(T) alle angeschlossen sein, auch wenn der die zugehörigen AX und YX Anschlüsse nicht benutzt werden? Unter http://www.mikrocontroller.net/articles/Pegelwandler steht nämlich: "Achtung: Mindestens für 74HC(T) Gatter ist dokumentiert (Philips 74HC/T High-Speed CMOS User Guide), dass auch schon geringer Strom durch die internen Schutzdioden zu einer unerwünschten Kopplung von Eingängen führen kann, d.h. der Strom fliesst zu einem anderen Eingang wieder hinaus. Sind also andere Eingänge ebenso hochohmig angeschlossen, kann dieser Querstrom zu Fehlfunktion führen." Die Spannungen sind angegeben VCC (5V), VDD (3.3V), VEE(15V). Funktioniert die Schaltung (im groben und ganzen Zusammenhang - siehe auch Anhang)? Danke und Gruß Stefan Koch
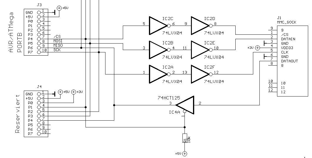
Hier mal eine einfachere ISP taugliche SD Karten Anbindung.
Den 74HC125 vor dem ISP-Anschluss könnte ich auch weglassen, das Programmieren würde so schon funktionieren, richtig? Allerdings weiß ich nicht, ob der Programmer wenn er nicht am Programmieren seine Eingänge hochohmig geschaltet hat und so das Display oder die SD-Karte stören könnte (wenn er also nur zur Stromversorgung angeschlossen ist) - drum hab ich den Baustein einfach sicherheitshalber dazugebaut - kann ich den weglassen? Würde meine Schaltung insgesamt so funktionieren wie ich mir es vorstelle? Danke Stefan
Da fehlen fast überall die Versorgungsspannungen. Außerdem fehlen haufenweise Verbindungen (z.B. an den Spannungsreglern). Das erkennt man an den fehlenden "Knoten". Und wofür brauchst du am Reset zwei Pull-Ups? Und insgesamt ist das Ding so chaotisch gezeichnet, dass da keiner wirklich durchblicken kann. Mach den Schaltplan vielleicht erst einmal fertig und ordentlich.
Spannungen und Masse sind mit VCC, VDD, etc gekennzeichnet. Dort habe ich dann auch keine Verbindung gezeichnet. Der Spannungsregler LF50CV hat z. B. bei OUT VCC, hier muss man sich überall dorthin eine Verbindung denken wo auch VCC steht. Z. B. an den Anschluss 7 vom µC. Ein Fehler ist mir aufgefallen, dann wären am MC34063 zwei Versogrungsspannungen angeschlossen (VCC und 9V)
Dass Verbindungen fehlen kann sein, ich habe nämlich einiges geändert. Was ich eigntlich wissen möchte ist ob die Grundidee mit den 74HC(T) im zusammenspiel mit Display, SD und Tastatur funktioniert und ob die CS (ChipSelect)-Idee so funktioniert wie ich mir das vorstelle (auch im Resetzustand). Die Beschaltung ist dabei nicht so wichtig, die wird vermutlich noch ein bisschen verändert. Danke Stefan
Der Reset ist auch falsch. Weshalb die paar Pfennige sparen ? Nimm einen Mega32.
Beim Reset ist ein Widerstand zuviel drin, möglicherweise ist die Verbindung auch nicht richtig. Aber würde die Idee mit den verwendeten Bauteilen funktionieren?
Hat das einen Grund das die Elkos bei den Spannungsregler falsch herum sind? Ingo
Hallo Stefan, mal eine grundsätzliche Anmerkung: Ein Schaltplan enthält Symbole, die deshalb so heißen, weil sie das physikalische Bauteil symbolisieren sollen. Sprich, man zeichnet Symbole so, dass die Funktion des Bauteils auf den ersten Blick erkennbar machen. Und eben nicht, wie in Deinem Schaltplan, das physikalische Abbild des Bauteils einfach nur 1:1 kopieren. In dem Falle könnte man sich den Schaltplan nämlich sparen. Mein Tip: Zeichne den Schaltplan nochmal neu mit den üblichen Logiksymbolen, so wie im Vorschlag von holger. Ich (und vermutlich auch andere) haben nämlich keine Lust, 3 HC125 im 16-Pin Symbol im Kopf auseinanderzudröseln. Peter
Hallo, die Schaltung funktioniert jetzt mit Display, Tastatur und MMC-Karte. Zum Aufspielen vom Programm verwende ich den USBASP, bei diesem kann ein Jumper gesetzt werden, der die 5V (VCC) am ISP-Anschluss (Wannenbuchse) unterbricht oder nicht. Also entweder ich schließe den Jumper so brauche ich keine seperate Spannungsversorgung für 5V auf der Schaltung oder ich unterbeche ihn, dann muss ich an der Schaltung eine Batterie zum Programmieren anstecken. Im Zusammenhang mit diesem Jumper treten zwei Probleme auf. Wie man dem Schaltplan entnehmen kann ist der LF50CV, LF33CV und der MC34063 mit +9V verbunden. Das funktioniert im Batteriebetrieb auch, die verwendete Batterie hat ohne Last eine Spannung von 8,7 V. Im Batteriebetrieb liegen folgende Spannungen an: Am LF50CV zwischen IN und GND: 8,62 V zwischen OUT und GND: 4,87 V Am LF33CV zwischen IN und GND: 8,62 V zwischen OUT und GND: 3,27 V Am MC34063 zwischen Anschluss 6 und GND: 8,62 V zwischen VEE (am Anschluss 6 nach R4) und GND: 14,65 V Bei der Stromversorgung mit dem USBASP, also ohne Batterie liegen folgende Spannungen an: Am LF50CV zwischen IN und GND: 3,61 V zwischen OUT und GND: 4,98 V Am LF33CV zwischen IN und GND: 3,61 V zwischen OUT und GND: 3,27 V Am MC34063 zwischen Anschluss 6 und GND: 3,61 V zwischen VEE (am Anschluss 6 nach R4) und GND: 14,64 V Meine Frage ist jetzt woher die 3,61 V zwischen dem jew. Eingang und GND am LF50CV, LF33CV und MC34063 herkommen? Wäre das Problem gelöst wenn ich den IN vom LF33CV mit VCC (5V entweder von LF50CV bzw. USBASP) verbinde (anstatt mit +9V - nur LF50CV bekommt am in +9V)? Desweiteren gibt es ein weiteres Problem. Dazu der Schaltplan vom Programmer (USBASP): http://www.fischl.de/usbasp/bilder/usbasp_circuit.png Das Problem liegt im Zusammenhang mit einem Jumper, der ist im Schaltplan mit "Supply target" gekennzeichnet und hat den Namen JP1. Wenn ich im Batteriebetrieb den USBASP (nicht mit dem Rechner verbunden - also ohne Stromversorgung) mit gelösten Jumper (für VCC) angeschlossen habe. Dann liegt beim Anschluss 1 vom Atmega8 (RESET-Anschluss) 1,7 V an. Der Atmega8 macht dann immer beim Aufruf der Funktionalitäten für die MMC-Karte (Anschluss 12 vom Atmega zieht dann die meiste Zeit gegen Masse, somit sind die entsprechenden Anschlüsse vom 74HC... nicht mehr hochohmig - ob das ein Grund ist - es passieren ja noch andere Dinge im Programmcode) einen Neustart durch. Ist der Jumper verbunden, dann liegen am RESET-Anschluss 3,8 V und der USBASP bekommt auch Strom und fährt hoch. Wohlgemerkt der USBASP ist dabei nicht am Rechner angeschlossen. Wenn der USBASP gar nicht an der Schaltung angeschlossen ist, sind am RESET-Anschluss vom Atmega8 auch 3,8 V. Um den Neustart zu verhindern reicht es auch aus, die Tastatur anzuschließen (USBASP auch verbunden ohne Jumper). ABER auch hier liegen am RESET-PIN nur ca. 1,7 V. Ohne die Tastatur anzuschließen kommt es zum Neustart. Oder einfach den USBASP abziehen bzw. Jumper durchverbinden, dann gibts auch keinen Neustart. Dann liegen am RESET-PIN auch 3,8 V, unabhängig vom Anschluss der Tastatur. Was kann das Problem sein? Ich könnte die RESET-Leitung ja über einen 74HC drüberschalten - oder gibts eine andere Lösung? Die ChipSelect-Sache bei der MMC-Karte wollte ich aber auch noch verändern. Danke. Gruß Stefan
Ein Ziel war auch den ISP Adapter durch den 74HC... an der Schaltung abgeschlossen zu haben, damit erst keine Störungen verursachen kann - ob das überhaupt Notwendig ist? Das ist allerdings keine Lösung zum obigen Post. Wie kann die zwei Probleme im obigen Post gelöst werden? Danke und Gruß Stefan Koch
Was ich auch noch festgestellt habe ist, dass wenn ich den USBASP während des Programmaufspielens vom USB-Port abziehe, dann leuchten die LEDs vom USBASB - wenn auch schwächer - weiterhin. Dabei bekommt der USBASP vom Rechner keinen Strom und VCC vom USBASP ist mit VCC der Schaltung auch nicht verbunden.
Bitte melde dich an um einen Beitrag zu schreiben. Anmeldung ist kostenlos und dauert nur eine Minute.
Bestehender Account
Schon ein Account bei Google/GoogleMail? Keine Anmeldung erforderlich!
Mit Google-Account einloggen
Mit Google-Account einloggen
Noch kein Account? Hier anmelden.


