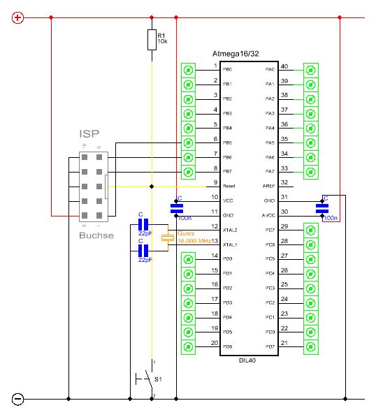
Hallo liebe Community. Ich habe leider keine wirkliche Ahnung von Elektronik, weswegen ich hoffe, daß Ihr Profis mir eventuell helfen könnt. Also ich weiß schon wie ein Relais funktioniert und auch wofür ein Widerstand gut ist, aber dann hörts eigentlich schon auf. Ich interessiere mich sehr für die Programmierung von Mikrocontrollern und habe die meisten Anfängersachen (blinkende LEDs, Ampelschaltung, Taster/Schalter, Aussteuerungsanzeige) auch schon erfolgreich auf meinem Steckbrett oder auf Platinen umgesetzt, aber nun möchte ich eine Schaltung aufbauen die, auf meine Kenntnisse bezogen, bereits etwas komplexer ist und, bevor ich irgendetwas falsch mache, frage ich lieber die Profis, ob meine Überlegungen richtig sind oder nicht. Ich möchte noch erwähnen das ich zwar Anfänger in diesem Gebiet, aber keinesfalls zu faul bin, die Suche oder das Internet zu befragen. Genau das habe ich natürlich gemacht, aber da ich für meine Problemstellung verschiedene Lösungen gefunden habe, bin ich mir nicht sicher, welche Lösung denn nun die richtige oder beste ist. Nun zu meinem Vorhaben: Ich möchte mir eine Experimentierplatine für Atmega16-Controller erstellen. Eine DIL40-Halterung, zwei 100nF-Kondensatoren, Reset-Taster (mit Widerstand) und Schraubsteckerleisten für die Ports korrekt auf eine Platine zu löten bekomme ich hin. Jetzt möchte ich aber noch eine ISP-Buchse zum direkten programmieren haben und da kommen die ersten Fragen auf. Ich habe im Anhang mal einen (von mir erstellten Schaltplan) hinzugefügt und würde gerne wissen ob meine Überlegungen richtig sind, oder, falls nicht, was ich verändern muss und wieso. Ich möchte ja schließlich was lernen dabei. ;) Das ist aber noch nicht alles. Ich hätte gerne auf dieser Platine noch eine Möglichkeit um diese an den Computer anschließen und dann die Ports mit Hilfe von einem Purebasic-Programm steuern zu können (Also bspw. PortA1 an- und ausschalten). Da ich dafür, trotz vieler Überlegungen, keine Lösung gefunden habe, ist sowas auf meinem Schaltplan noch nicht mit eingearbeitet. Zum Thema der ISP-Programmierung hätte ich da auch noch eine Frage. Soweit ich das verstanden habe, muss der Atmega16 während des Programmierens unter Spannung stehen. Aber dann spult er ja auch gleichzeitig sein Programm ab. Wie lässt sich das vereinbaren, oder bin ich da völlig auf dem Holzweg ? Ich hoffe die Profis unter Euch fühlen sich nicht gekränkt von meinen Fragen, da sie für Euch sicherlich trivial sind, aber für mich als Anfänger stellt das erstmal eine Herausforderung dar. Ich möchte auch noch sagen das ich keine fertigen Lösungen vorgesetzt bekommen möchte, denn dann hätte ich zwar vielleicht eine funktionierende Schaltung, wüsste aber nicht wie und wieso sie funktioniert und würde somit ja nichts dabei lernen. Ich hoffe Ihr könnt mir dennoch ein paar Denkansätze geben, um mein Projekt umsetzen zu können. Vielen Dank.
Das jemand was lernen will, kann ich nur unterstützen. Auf deinem Screenshot kann ich zwar nicht wirklich viel erkennen, aber ich versuchs mal. Zunächst ist der Reset Pin am Atmega active low, das heißt der Chip ist im Reset-Zustand, wenn er low also 0V ist. Bei nicht gedrücktem Schalter wäre er bei dir dauer-low. Du musst den Widerstand gegen 5V bzw high schalten und den Schalter gegen low. So wird dann der Atmega bei gedrücktem Schalter resettet. Zum ISP: http://www.atmel.com/dyn/resources/prod_documents/AVRISPmkII_UG.pdf Da auf Seite 26 steht die Pinbelegung, einfach nur die Pins mit selben namen verbinden. Da siehst du auch, dass der ISP einen Resetpin hat. D.h. der Reset-Zustand wird beim Programmieren aktiviert. Dann steht der Chip zwar immer noch unter Strom, aber spult das Programm nicht ab, sondern ist im Programmiermodus. Falls du einen AVR ISP mkII hast (Investition lohnt sich für ca. 40€) kannst du den ISP Port auch so beschalten wie ich in dem Screenshot. P2 ist bei mir die ISP Schnittstelle. Für die Anteuerung über den PC ist für den Anfang immer ein virtueller COM Port recht einfach zu realisieren. Vielleicht helfen die meine Screenshots da weiter. Du brauchst nur eine USB Buchse und nen FT232RL, den beschaltest du wie im Bild und verbindest die RXD und TXD Ports miteinander. Wichtig ist nur, dass RXD am Atmega zum TXD am FT232RL und TXD am FT232RL zu RXD am Atmega gehen. Dein Glück, dass ich da auch nen Atmega16 genommen hab, ansonsten halt einfach ins Datenblatt schauen und gucken welche Pins RXD und TXD sind. Danach kannst du das ganze relativ einfach über UART benutzen, gibt hier auch viele Programmierbeispiele zu UART/USART. Musst nur die richtige Baudrate programmieren. Viel Erfolg.
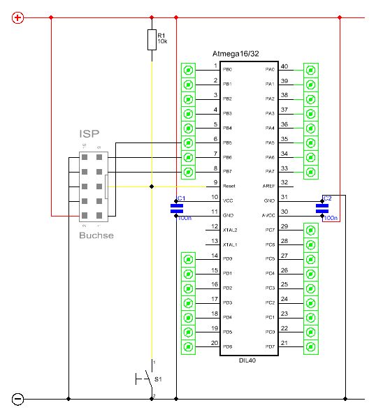
Vielen Dank für die schnelle und vor allem hilfreiche Antwort ! > Auf deinem Screenshot kann ich zwar nicht wirklich viel erkennen... Sorry. Wollte gerade in meinem Eröffnungsthread ein neues (größeres) Bild hochladen, aber das funktionierte leider nicht mehr. Deswegen hier eine größere Version (mit korrigiertem Resettaster). > Zum ISP: > http://www.atmel.com/dyn/resources/prod_documents/AVRISPmkII_UG.pdf Laut dem Datenblatt müsste ich es richtig gemacht haben !? > Da siehst du auch, dass der ISP einen Resetpin hat. D.h. der > Reset-Zustand wird beim Programmieren aktiviert. Dann steht der Chip > zwar immer noch unter Strom, aber spult das Programm nicht ab, sondern > ist im Programmiermodus. Das geht dann also quasi vollautomatisch !? > Falls du einen AVR ISP mkII hast... Nee, den habe ich nicht. Ich hab den MySmartUSB. > Für die Anteuerung über den PC ist für den Anfang immer ein virtueller > COM Port recht einfach zu realisieren. Ich musste ja den Treiber für den MySmartUSB installieren, damit der funktioniert. Der stellt dann einen virtuellen Com-Port dar. Eigentlich müsste ich diesen Treiber ja auch für die Direktsteuerung nutzen können, oder !? > Danach kannst du das ganze relativ einfach über UART benutzen... Das ist bestimmt das Stichwort was mir gefehlt hat. Da kann ich direkt danach nochmal suchen und mich belesen. Vielen Dank.
Sorry für den Doppelpost, aber ich habe gemerkt das er in meinem vorherigen Beitrag immernoch den ersten Schaltplan anzeigt, obwohl ich eine neue Version davon angegeben habe. Auch mehrfache Editierversuche haben nichts gebracht. Wieso funktioniert das nicht ? :O Ich hoffe dieser Versuch funktioniert jetzt...
Hast du dir schonmal Arduino oder ähnliche Plattformen angeguckt?
Ja das habe ich. Das Arduino-Board ist im Prinzip das was ich machen will, aber erstmal sind die nicht ganz günstig und dann möchte ich die Schaltung auch selber aufbauen, damit der Lerneffekt größer ist, was bei einer vorgefertigten Schaltung nicht der Fall wäre.
K. N. schrieb: > Nee, den habe ich nicht. Ich hab den MySmartUSB. > >> Für die Anteuerung über den PC ist für den Anfang immer ein virtueller >> COM Port recht einfach zu realisieren. > ... Eigentlich müsste ich diesen Treiber ja auch für die > Direktsteuerung nutzen können, oder !? Kannst du. Wenn du den UART von deinem ATmega benutzen möchtest, machst du dir das Leben leichter, wenn du den µC mit einem externen Quarz betreibst, damit die Übertragungsraten stimmen. Mit dem internen RC Oszillator geht es auch, falls du die entsprechenden Meßmöglichkeiten hast, um die Oszillatorfrequenz abzugleichen. Für die Programmierung kannst du auch die serielle Schnittstelle verwenden, nachdem du über ISP einmalig einen Bootloader auf den µC aufgespielt hast. Gruß Matthias
> ...wenn du den µC mit einem externen Quarz betreibst... Ich habe hier einen 16MHz-Quarz den ich vor längerer Zeit auch schon in eine Schaltung mit dem Mikrocontroller eingebaut hatte, aber ich hab das nie so hingekriegt das es auch funktioniert. :( > Für die Programmierung kannst du auch die serielle Schnittstelle > verwenden, nachdem du über ISP einmalig einen Bootloader auf den µC > aufgespielt hast. Davon hab ich auch schon gehört, aber das hört sich momentan noch sehr kompliziert für mich an und ich weiß auch nicht, was nun die bessere Lösung wäre !? Kannst Du (oder jemand anderes) mir sagen ob meine aktuelle Schaltung soweit korrekt ist ?
K. N. schrieb: > ... aber ich hab das nie so hingekriegt das es auch funktioniert. Du mußt nur den Quarz zwischen XTAL1/2 hängen und jeweils einen 22pF Kondensator nach Gnd vorsehen. Die Fuses des µC müssen dann auf externen Chrystal/Resonator gesetzt werden. Beim ISP könnte man Pin 3 noch an Gnd legen und am ARef Anschluß würde ich zur Störunterdrückung bei Nutzung des AD-Wandlers wie im Datenblatt beschrieben noch einen Entkopplungskondensator gegen Gnd vorsehen.
> Du mußt nur den Quarz zwischen XTAL1/2 hängen und jeweils einen 22pF > Kondensator nach Gnd vorsehen. Die Fuses des µC müssen dann auf externen > Chrystal/Resonator gesetzt werden. Die Schaltung hatte ich damals hingekriegt, nur das mit den Fuses nicht. Einen Atmega16 hab ich dadurch nämlich schon klargekriegt. ;) > Beim ISP könnte man Pin 3 noch an Gnd legen... Das hatte ich in meinem ersten Schaltplan auch gemacht, aber da ich ja dann den Widerstand und den Taster vertauscht habe, lag Pin 3 mit am Taster. ;) Danke das Du mich drauf aufmerksam gemacht hast. Hab es korrigiert. > ...und am ARef Anschluß würde ich zur Störunterdrückung bei Nutzung des > AD-Wandlers wie im Datenblatt beschrieben noch einen > Entkopplungskondensator gegen Gnd vorsehen. Brauch ich den A/D-Wandler denn ?
K. N. schrieb: > Brauch ich den A/D-Wandler denn ? Das kommt drauf an, wofür du dein Board verwenden möchtest. K. N. schrieb: > Die Schaltung hatte ich damals hingekriegt, nur das mit den Fuses nicht. > Einen Atmega16 hab ich dadurch nämlich schon klargekriegt. ;) Ein beliebter Fehler ist, auf "ext. Clock" statt auf "ext. Chrystal/Resonator" zu stellen. Falls dir das passiert ist, läßt sich dein µC mit Hilfe eines extern angelegten Taktes wiederbeleben ;-)
> Das kommt drauf an, wofür du dein Board verwenden möchtest. Was wären denn klassische Beispiele, wozu man den bräuchte ? > Ein beliebter Fehler ist, auf "ext. Clock" statt auf "ext. > Chrystal/Resonator" zu stellen. Falls dir das passiert ist, läßt sich > dein µC mit Hilfe eines extern angelegten Taktes wiederbeleben ;-) Was genau ich falsch gemacht habe weiß ich nicht mehr, aber ich habe kein Gerät mit dem ich einen Takt erzeugen kann. Außer mein Metronom vielleicht, aber Du meinst bestimmt was anderes. ;)
Du kannst ja einfach einen µC so programmieren, das er den Takt ausgibt (Blinkprogramm, nur schneller) und den anderen µC damit ansteuern...
Du kannst ja einfach einen µC so programmieren, das er den Takt ausgibt (Blinkprogramm, nur schneller) und den anderen µC damit ansteuern...
> Du kannst ja einfach einen µC so programmieren, das er den Takt ausgibt > (Blinkprogramm, nur schneller) und den anderen µC damit ansteuern... Gut zu wissen. :) Ich war vorhin bei Conrad und hab mir einige Bauteile gekauft. Einen FT232RL hatten die aber nicht. Kann ich die Steuerung durch den Computer auch anders lösen (vom Bootloader mal abgesehen) ? Dann hab ich noch ein 16x2-Textdisplay gekauft. Soweit ich das einschätzen kann, müsste ich das doch mit dem Atmega16 steuern können, oder irre ich mich da ?
Ich hab total vergessen anzugeben um welches Textdisplay es sich überhaupt handelt. ;) Also laut Beschreibung nennt sich das Ding 'LCD-Punktmatrix-Modul 6H REF EV Zeichenformat 16 x 2 Zeichenhöhe 5.5 mm' und die Conrad-Artikelnummer ist '183342 - 62'. Laut Datenblatt läuft das Teil mit einem KS0066-Controller.
Sicher kannst du das Display mit einem Atmega16 ansteuern. Verwende den 4-Bit Modus und du sparst auch noch Leitungen. Bezüglich Steuerung via PC, eine UART ist für deine Zwecke völlig ausreichend.
Dann werd ich mir das mal zu Gemüte führen. Erstmal muss(will) ich aber rauskriegen wie ich die Pins per PC steuern kann. :)
alles wichtige zu LCD-Displays steht unter http://www.mikrocontroller.net/articles/AVR-Tutorial:_LCD und http://sprut.de/electronic/lcd/
Wenn du, wie du geschrieben hast, Anfänger bist, dann würde ich dir vom FT232RL abraten. Das Ding gibts nur im 28 Pin SSOP Gehäuse. Also SMD mit Pinabstand von 0,65 mm. Für einen Anfänger nicht gerade leicht zu löten.
> alles wichtige zu LCD-Displays steht unter... Die hab ich auch schon gefunden und hab mir auch schon einiges angelesen. Trotzdem danke für den Tip. >Das Ding gibts nur im 28 Pin SSOP Gehäuse... Das wusste ich noch gar nicht. Da lass ich lieber die Finger davon. :)
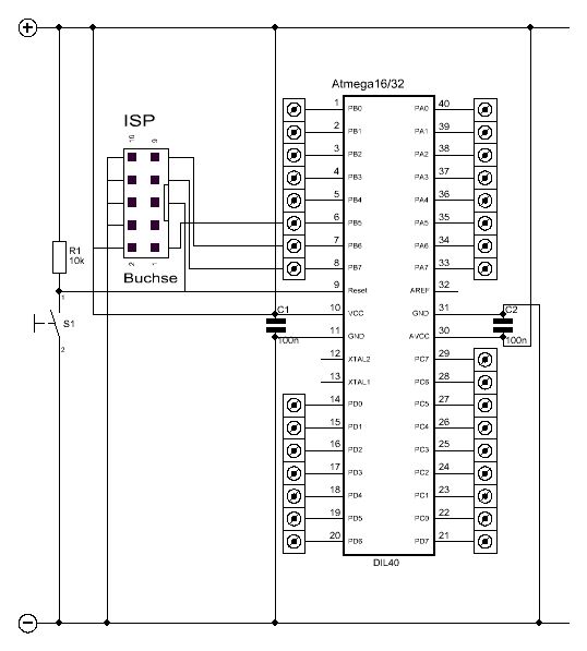
So, da bin ich wieder. :) Ich habe mittlerweile die obige Schaltung auf meinem Steckbrett genau nachgebaut und wie ich sah, sah ich nichts. Beim Übertragungsversuch brachte Bascom lediglich die Meldung, daß der Chip nicht identifiziert werden kann. :( Der Grund dafür war, daß die obige Schaltung schlicht und einfach falsch ist, da ich die Pinbelegung für die ISP-Buchse irgendwo ausm Netz gezogen habe. Nachdem ich das Datenblatt des MySmartUSB zurate gezogen habe, war mir mein Fehler klar und ich hab die Anschlüsse geändert. Den korrigierten Schaltplan hab ich hier mit hochgeladen. Ich habe den auch gleich mal bissl farblich gemacht, damit ich einen besseren Überblick darüber habe. Aber Irgendwie ist das schon seltsam...Kaum schließt man alles richtig an, schon funktionierts. ;) Der aktuelle Stand ist also der, daß ich eine funktionierende Schaltung habe in der ich momentan meinen Atmega16 im laufenden Betrieb neu programmieren und auch per Taster resetten kann. Das freut mich sehr, da ich den Mikrocontroller zum Programmeiren jetzt nicht mehr ständig aus der Schaltung rausnehmen und umstecken muss. Allerdings kommen dadurch wieder neue Fragen auf. Bis jetzt hatte ich eine externe 5V-Stromquelle um meine Schaltung am Laufen zu halten. Nachdem ich allerdings die momentane Schaltung aufgebaut hatte, fiel mir auf, daß diese jetzt durch den MySmartUSB gespeist wird. Ein Blick ins Datenblatt verriet mir, daß man das abschalten kann, wenn man den Dip1-Schalter auf OFF stellt. Das habe ich gemacht, aber das hat keine Veränderung gebracht. Liegt das daran daß ich Pin 2 der ISP-Buchse auf VCC und die Pins 4,6,8 und 10 auf GND schalte ? Und ist das richtig oder falsch, gut oder schlecht ? Fragen über Fragen. :)
Also das ich es ausschalten kann hab ich mittlerweile hingekriegt, aber die anderen Fragen sind dennoch aktuell. :)
Noch zum Quarz: Der Muss so dicht wie nur irgendwie möglich an die Pins drann. Also nicht mit langen Drähten ;)) Ich weiß noch als ich als Azubi das erste mal ne µC Schaltung aufgebaut habe und dann nichts lief, weil die leitungen zu lang waren. Gruß
Also das Nächste was man (normalerweise) machen kann, wären 2,54mm. Aber das müsste doch reichen, oder !? Kann man einen Quarz eigentlich mit einem ganz normalen Multimeter auf Funktionalität überprüfen (also ob er schwingt), oder braucht man dazu einen Oszi ?
2,54 mm sind nah genug. ;-) Vergiß die Kondensatoren nicht. Mit einem handelsüblichen Multimeter kannst Du nicht unmittelbar testen, ob der Quarz schwingt. Wie Du richtig schreibst, braucht man dafür einen Oszi.
> 2,54 mm sind nah genug. ;-) Vergiß die Kondensatoren nicht. Stimmt denn meine die hier angehängte Schaltung ? Quarz scheint kein einfaches Thema zu sein, da ich schon sehr viele (teils widersprüchliche) Äußerungen zu diesem Thema gelesen habe. Zum einen las ich unterschiedliche Wertangaben für die Kondensatoren, aber auch daß ein Atmega16 mit einem 16MHz-Quarz gar nicht funktioniert. Dann aber auch, daß der Quarz nicht an XTal1 und XTal2 anzuschließen sei, sondern nur an XTal1. Kurz gesagt habe ich so viele verschiedene Aussagen zu diesem Thema gefunden, sodaß ich jetzt gar nicht mehr durchsehe. Kann mir das jemand erklären ? > Mit einem handelsüblichen Multimeter kannst Du nicht unmittelbar testen, > ob der Quarz schwingt. Wie Du richtig schreibst, braucht man dafür einen > Oszi. Das dachte ich mir bereits. Aber hätte ja sein können, daß es da einen Trick gibt. :)
Ob Dein ATmega16 für 16 Mhz geeignet ist, kannst Du anhand seiner Beschriftung dem Datenblatt entnehmen. Ein Quarz gehört immer an Xtal1 und Xtal2. Es gibt Quarzgeneratoren (meist in einem Metallgehäuse), die anders angeschlossen werden. Das muß Dich aber jetzt nicht kümmern. Ob der Quarz schwingt, kannst Du am besten über die Funktion der Schaltung feststellen, z. B. ein einfaches Programm aufspielen, das im Sekundentakt den Zustand der Ports wechseln läßt oder ähnliches. Das kannst Du dann mit einem Multimeter messen. Eine andere Methode ist der Aufbau eines einfachen Quarztesters, (siehe Google) mit dem man sicherstellen kann, dass der Quarz tatsächlich funktioniert. Du solltest davon ausgehen, dass Dein neugekaufter Quarz funktioniert, sofern Du ihn nicht mechanisch, thermisch und/oder elektrisch mißhandelt hast. ;-)
Du kannst die Fuses am Anfang ja erstmal auf internem Oszillator laufen lassen (8MHz). Dann machst du ne Schaltung die ne LED blinken lässt. Danach kannst du die Fuses auf externen Quarz (high Frequency) umschalten und guckst ob die LED immernoch blinkt. Sie wird das doppelt so schnell machen, wenn der Quarz funktioniert. Eigentlich geht das stets zuverlässig. Nachteil ist nur, dass wenn du die Fuses auf externen Quarz gestellt hast du den µC nicht mehr programmieren kannst. Du musst dann an den Takteingang einen externen Takt anlegen um wieder proggen zu können. Aber in der Regel geht das problemlos.
Nachtrag: Du kannst den µC natürlich nur dann nicht mehr proggen wenn der Quarz nicht schwingen will (also im Fehlerfall).
Aber genau auf diese Weise habe ich mir schon einen geschrottet. Damals hatte ich die Fusebits korrekt gesetzt und dann lies er sich nicht mehr programmieren. Deswegen bin ich bei diesem Thema eher vorsichtig, da ich das nicht nochmal machen will.
hm ok - naja dann lass doch den Quarz erstmal weg - bzw bestücke ihn, aber lass die Fuses auf intern. ;)
Hallo! Erstmal ganz Allgemein ein paar Tips: Conrad ist relativ teuer. Ich meide die so gut es geht. Ist aber praktisch wenn ein grosses C in der Nähe ist und man mal eben was kleines braucht^^ "Normale" Bauteile bestelle ich meistens bei reichelt.de. Da Stimmt (meistens) der Preis sowie der Service. Bei Pollin.de kannst du auch ab und zu mal schauen, ob was dabei ist. Die Bausätze sind meist gut zu gebrauchen^^ Dann solltest du dir evtl. mal ein anders Programm zum Schaltplan zeichnen zulegen. Viele Leute hier benutzen Eagle, ich persönlich favoritisiere Target 3001!, da ich damit besser zuercht komme. Vorteil der beiden Programme ist ganz klar, das du direkt aus der Schaltung eine Leiterkarte entwickeln (zeichnen) kannst. Und der letzte Tip: Schau dir unbedingt wann immer möglich die Datenblätter zu den Bauteilen an. So kannst du Fehlkäufe vermeiden. Zu deiner Frage mit dem Quarz: Der Quarz ist in deinem Bild erstmal richtig angeschlossen. Bei den Kondensatoren musst du darauf achten, das es Keramikkondensatoren sind. Folienkondis funktionieren da nicht^^ Der Abstand sollte so nah wie möglich sein, auch die Kondensatoren sollten möglichst nahe am Quarz sein. Ausser den Quarzen gibt es auch noch Osszilatoren. Die sind eine externe Taktquelle für den AVR. Der Unterschied zwischen den Fuses "ext. Clock" und "ext. Crystal/Resonator" ist, das bei "ext. Clock" ein Taktsignal am Eingang erwartet wird, bei "ext. Crystal/Resonator" jedoch zusätzlich ein Signal ausgegeben wird, um z.B. einen Quarz in Schwingung zu versetzen. Zu deiner PC-Verbindungs-Frage: Beschäftige dich mal mit dem MAX232. Der IC wandelt die Logiclevelsignale des Controller-U(S)ART in RS232-kompatible Signale um (Serial-Port). So kann der AVR dann mit dem PC "reden". Deine Aufgabe besteht dann darin, das Protokol zu schreiben, damit der AVR auch weis was er mit den Bytes machen soll... Der MAX232 ist quasi die Vorstufe zum FT232RL. Der FT232RL macht nichts anderes als die Serielle Schnitstelle des PCs zu umgehen, indem er die Logiclevel-Signale des AVR über USB an einen virtuellen COM-Port sendet. So, ich hoffe einige Klarheiten beseitigt zu haben ;) Gruss Stefan
Wow. Vielen Dank für diese umfassenden Erklärungen. >Conrad ist relativ teuer. Da geb ich Dir recht. Und nicht nur das die viel zu teuer sind, dort scheinen (also zumindestens bei uns) nur völlig inkompetente und unfreundliche Vollpfosten zu arbeiten. Aber bei uns gibt es nunmal einen und ich wollte ja schnell basteln, anstatt tagelang auf ein Paket zu warten. ;) >Dann solltest du dir evtl. mal ein anders Programm zum Schaltplan zeichnen zulegen. Ich hab mir damals SPlan 6.0 gekauft und für mich reicht das momentan völlig. Ich weiß das hier viele auf Eagle schwören, aber das ist mir eindeutig zu teuer im Moment. Vielleicht nach Weihnachten. ;) >Schau dir unbedingt wann immer möglich die Datenblätter zu den Bauteilen an. Das mache ich eigentlich grundsätzlich. Das Problem dabei ist, daß die alle in Englisch sind. Ich kann zwar gut Englisch, aber da ich momentan von Elektronik noch soviel verstehe wie eine Kuh von Quantenphysik, erschwert mir es das ungemein. >Bei den Kondensatoren musst du darauf achten, das es Keramikkondensatoren sind. Für den Quarz habe ich mir (laut Beschreibung) Keramikkondensatoren gekauft. Die Conrad-Artikelnummer ist 457167. Kannst Du mir eventuell sagen mit welchem Programm (AVR-Studio ?) ich die Fusebits einstellen muss und vorallem wie genau ? Ich will halt nicht noch einen Controller begraben müssen. ;) >Beschäftige dich mal mit dem MAX232. Zum Thema UART hab ich mir schon ziemlich viel durchgelesen, aber so richtig steig ich da nicht dahinter. Das liegt größtenteils daran, daß ich immer wieder widersprüchliche Aussagen lese. Mal heißt es man soll den Max232 nehmen und mal den FT232RL. Dann habe ich die verschiedensten Schaltpläne gefunden und irgendwann sieht man da nicht mehr durch. Ich bin sehr interessiert an Mikrocontrollern, aber habe das Problem das ich keine Ahnung habe. Manche machen das ja schon jahrelang und/oder haben eine Ausbildung in dieser Richtung gemacht, aber ich eben nicht. Deswegen fällt es mir im Moment noch sehr schwer da dahinter zu kommen. Und da ich leider auch niemanden kenne der sich mit Elektronik auskennt, bin ich auf die Hilfe der Profis hier angewiesen. Ich hoffe man hat Geduld mit mir. ;) Ich bin ja auch lernwillig (und auch lernfähig), möchte aber nicht alles aufeinmal, sondern erstmal klein anfangen. Die ISP-Schnittstelle hab ich ja schon zum Laufen bekommen. Jetzt hoffe ich, daß ich das mit dem Quarz auch hinbekomme und zwar ohne meinen Mikrocontroller (wie fügt Ihr eigentlich dieses Mikro-Zeichen ein ?) zu schrotten. Danach fänd ich es toll, wenn ich ein paar LEDs per Computer an- und ausschalten könnte. :)
Eagle und Target 3001! gibts auch als Demoversion mit z.B. begrenzter Pinzahl für lau ;) Wie hast du denn bis jetzt die Fuses gesetzt? Deinen Programmer kenne ich leider nicht. Kann der aus dem AVR-Studio angesteuert werden? Wenn ja, musst du nur External Crystal/Resonator auswählen. Dann musst du schauen, es gibt da verschiedene Einträge. Erstmal die richtige Frequenz raussuchen und dann die Einschaltverzögerung aussuchen. Ich nehme immer die höchste Verzögerung. Damit Schwingt der Quarz dann sicher, bevor das Programm beginnt. Die Sache FT232RL vs. MAX232 ist ganz einfach: Wenn du z.B. ein Laptop ohne serielle Schnitstelle hast, musst du immer einen Konverter mit rumschleppen. Der MAX232 macht die Signale vom AVR zu waschechten RS232-Signalen. Im Konverter werden sie dann wieder zu 5V-Signalen. Diesen Zwischenschritt über RS232 kannst du dir durch die Verwendung des FT232RL sparen. Der ist der MAX232 und der Serial-Konverter in einem. Für den Anfang würde ich dir aber ganz klar zum MAX232 raten. Damit lernst du quasi die Grundlagen^^ Gruss Stefan PS: Jeder hat mal klein angefangen, also mach dir keine Sorgen. Es gibt (fast) keine Dummen Fragen...
> PS: Jeder hat mal klein angefangen... Vielen Dank für Dein Verständnis und vorallem für Deine Hilfe. > Eagle und Target 3001! gibts auch als Demoversion mit z.B. begrenzter > Pinzahl für lau ;) Ich hatte mir damals auch andere Programme angeschaut, aber vorallem Eagle empfand ich für meinen Geschmack viel zu überladen. Mir gefiel SPlan, weil es (meiner Meinung nach) gut strukturiert und übersichtlich ist. Ein Platinen-Layoutprogramm brauch ich momentan eh nicht, da ich zu Übungszwecken sowieso erstmal alles auf meinem Steckbrett zusammenbastle. Da ich momentan noch nicht genau weiß was ich eigentlich mache, ist es notwendig das ich meine Schaltungen schnell umbauen kann, falls ich mal einen Fehler mache. Und sollte ich doch mal was löten wollen, dann mach ich das auf normalen Lochrasterplatinen, da selber ätzen mir momentan zu umfangreich und bestellen zu teuer ist. > Wie hast du denn bis jetzt die Fuses gesetzt? Also momentan noch gar nicht. Mein Controller befindet sich noch (fast) im Originalzustand. Ich hab nur die JTAG-Funktion abgestellt. >Kann der aus dem AVR-Studio angesteuert werden? Ja, kann er. Hier die Infos dazu: http://shop.myavr.de/index.php?404;http://myavr.de:80/shop/article.php?artDataID=36 > Die Sache FT232RL vs. MAX232 ist ganz einfach: Wenn du z.B. ein Laptop > ohne serielle Schnitstelle hast, musst du immer einen Konverter mit > rumschleppen. Also zukunftsorientiert gesehen, möchte ich gerne den Atmega über die USB-Buchse des Computers steuern. Das heißt, daß ich an meine Schaltung eine USB (Type B)-Buchse anbringen möchte. Also quasi nichts mehr mit der normalen RS232-Schnittstelle, sondern alles über USB. Die Treiber für einen virtuellen Com-Port der über USB läuft habe ich ja eh installiert, da der MySmartUSB den benötigt. Bloß da gibts insgesamt ziemlich viele Variablen, die für mich noch sehr unübersichtlich sind. Schaltungen die den MAX232 nutzen, haben irgendwie immer eine RS232-Schnittstelle und die mit dem FT232RL haben USB. Wenn ich das also richtig verstanden habe müsste ich den FT232RL nehmen, wenn ich das ganze über USB machen will, oder täusch ich mich da ?
Ich habe soeben einen Schaltplan gefunden, auf dem die USB-Buchse direkt an einen Atmega8 angeschlossen wird. Bedeutet das, daß man gar keinen extra IC braucht, sondern eine Direktverbindung vom PC zum Mikrocontroller herstellen kann ? Hier der Link: http://www.schatenseite.de/index.php?eID=tx_cms_showpic&file=uploads%2Fpics%2Fcircuit.sch_02.png&md5=fad4a2daea8c3098a7143220e58fde1058ff81c0¶meters[0]=YTo0OntzOjU6IndpZHRoIjtzOjQ6IjgwMG0iO3M6NjoiaGVpZ2h0IjtzOjQ6IjYw¶meters[1]=MG0iO3M6NzoiYm9keVRhZyI7czoyNDoiPGJvZHkgYmdjb2xvcj0iI2RkZGRkZCI%2B¶meters[2]=IjtzOjQ6IndyYXAiO3M6Mzc6IjxhIGhyZWY9ImphdmFzY3JpcHQ6Y2xvc2UoKTsi¶meters[3]=PiB8IDwvYT4iO30%3D
K. N. schrieb >> Eagle und Target 3001! gibts auch als Demoversion mit z.B. begrenzter >> Pinzahl für lau ;) > Ich hatte mir damals auch andere Programme angeschaut, aber vorallem > Eagle empfand ich für meinen Geschmack viel zu überladen. Mir gefiel > SPlan, weil es (meiner Meinung nach) gut strukturiert und übersichtlich > ist. Deshalb benutze ich Target 3001!. Das finde ich übersichtlicher. > Ein Platinen-Layoutprogramm brauch ich momentan eh nicht, da ich zu > Übungszwecken sowieso erstmal alles auf meinem Steckbrett > zusammenbastle. Da ich momentan noch nicht genau weiß was ich eigentlich > mache, ist es notwendig das ich meine Schaltungen schnell umbauen kann, > falls ich mal einen Fehler mache. Und sollte ich doch mal was löten > wollen, dann mach ich das auf normalen Lochrasterplatinen, da selber > ätzen mir momentan zu umfangreich und bestellen zu teuer ist. Das ist soweit auch nicht verkehrt. Wenn du aber jetzt schon deine Schaltpläne mit einem der oben genanten Programme erstellst, kannst du später wenn du soweit bist, eicnfach umschalten und gleich weitermachen. Du brauchst dich dann nichtmehr komplett umstellen. >>Kann der aus dem AVR-Studio angesteuert werden? > Ja, kann er. Hier die Infos dazu: > http://shop.myavr.de/index.php?404;http://myavr.de:80/shop/article.php?artDataID=36 Ich hab mal hier geschaut: http://www.mikrocontroller.net/articles/AVR_In_System_Programmer#mySmartUSB Dort steh, du hast ein Tool Namens myAVR_ProgTool.exe zum setzen der Fuses. Welchen Programmer stellst du denn beim AVR-Studio ein? Ich benutze den AVR-Dragon. Bei dem kann man einfach per Dropdown-Menü und Häckchen die Fuses auswählen. (Der Dragon kann übrigens auch hoffnungslos verpfuschte AVRs noch retten, dank High-Voltage-Programming. Das geht aber nicht als ISP^^) >> Die Sache FT232RL vs. MAX232 ist ganz einfach: Wenn du z.B. ein Laptop >> ohne serielle Schnitstelle hast, musst du immer einen Konverter mit >> rumschleppen. > Also zukunftsorientiert gesehen, möchte ich gerne den Atmega über die > USB-Buchse des Computers steuern. Das heißt, daß ich an meine Schaltung > eine USB (Type B)-Buchse anbringen möchte. Also quasi nichts mehr mit > der normalen RS232-Schnittstelle, sondern alles über USB. Die Treiber > für einen virtuellen Com-Port der über USB läuft habe ich ja eh > installiert, da der MySmartUSB den benötigt. > Bloß da gibts insgesamt ziemlich viele Variablen, die für mich noch sehr > unübersichtlich sind. Schaltungen die den MAX232 nutzen, haben irgendwie > immer eine RS232-Schnittstelle und die mit dem FT232RL haben USB. > Wenn ich das also richtig verstanden habe müsste ich den FT232RL nehmen, > wenn ich das ganze über USB machen will, oder täusch ich mich da ? Das ist soweit auch richtig. Der MAX232 tut nur die Spannungen der Signale des AVR umwandlen, so das eine RS232-Schnittstelle damit klar kommt. Der FT232RL ist eben ein USB-zu-Seriel-Konverter. Der Wandelt die Signale des AVR quasi in USB-Signale um und über den Treiber von FTDI hast du einen weiteren virtuellen COM-Port. Was du dann bei dem Treiber für Einstellungen hast, hängt halt vom Gerät ab. Wenn ich es richtig verstanden habe, hat dein Programmer ja scon so eine "Bridge", also Seriel zu USB. Dann könntst du das Teil nach dem Programmieren einfach an die serielle Schnitstelle deines AVR Stecken und es sollte gehen... Gruss Stefan
> Deshalb benutze ich Target 3001!. Das finde ich übersichtlicher. Danke für den Tip. Dann werde ich es mir mal anschauen. >Wenn du aber jetzt schon deine Schaltpläne mit einem der oben genanten Programme >erstellst, kannst du später wenn du soweit bist, eicnfach umschalten und gleich >weitermachen. Du brauchst dich dann nichtmehr komplett umstellen. Das ist natürlich ein sehr gutes Argument und ein Grund mehr, mir das mal anzuschauen. > Dort steh, du hast ein Tool Namens myAVR_ProgTool.exe zum setzen der > Fuses. Ach sorry. Du hast vollkommen Recht. Ich hab AVR-Studio mit dem MyAVR_ProgTool verwechselt. Ich hab das natürlich über das Progtool gemacht. >Das geht aber nicht als ISP^^) Sondern ? Müsste ich den Controller dann wieder auf meine gelötete Platine umstecken ? Falls ja, könnte ich dann (rein theoretisch) nicht einfach nur die Bauteile meiner Steckbrettschaltung rausnehmen ? Weil dann hätte ich ja die gleiche Schaltung (IC-Sockel und 2x100n Kondensatoren) wie auf meiner Platine zum programmieren. > Der FT232RL ist eben ein USB-zu-Seriel-Konverter. Dann wäre ein FT232RL wohl besser für mich. Das Problem ist allerdings, daß Conrad den nicht hat und bei Reichelt muss ich dafür mindestens 15,60 Euro ausgeben. Und was ist damit die USB-Buchse direkt an den Controller zu klemmen ? > Wenn ich es richtig verstanden habe, hat dein Programmer ja scon so eine > "Bridge", also Seriel zu USB. Dann könntst du das Teil nach dem > Programmieren einfach an die serielle Schnitstelle deines AVR Stecken > und es sollte gehen... Das sollte tatsächlich funktionieren, da man den mySmartUSB auch in den 'Steuerungsmodus' umschalten kann. Müsste ich mal ausprobieren. Das Ziel ist allerdings, eine Schaltung zu entwerfen die ohne den MySmartUSB auskommt (außer zum Programmieren natürlich). [OffTopic]
1 | Ich weiß nicht wie es bei Dir aussieht, aber bei uns hat es gerade, zum ersten Mal in diesem Winter |
2 | und auch noch pünktlich zu Weihnachten, angefangen zu schneien. Hach ist das schön. :) |
3 | Auch wenn ich persönlich auf Schnee verzichten kann, so freu ich mich für die Kinder, |
4 | für die das ja was Besonderes ist. |
[/OffTopic] In diesem Sinne wünsche ich Dir und Deiner Familie (und natürlich allen anderen Usern hier) ein wundervolles Weihnachtsfest und schöne Feiertage.
K. N. schrieb: >>Das geht aber nicht als ISP^^) > Sondern ? Müsste ich den Controller dann wieder auf meine gelötete > Platine umstecken ? Falls ja, könnte ich dann (rein theoretisch) nicht > einfach nur die Bauteile meiner Steckbrettschaltung rausnehmen ? Weil > dann hätte ich ja die gleiche Schaltung (IC-Sockel und 2x100n > Kondensatoren) wie auf meiner Platine zum programmieren. Nein nein, das war nicht auf deinen Programmer bezogen, sondern auf die High-Voltage-Programmierung meines AVR-Dragon, also für deinen Fall besser wieder vergessen! >> Der FT232RL ist eben ein USB-zu-Seriel-Konverter. > Dann wäre ein FT232RL wohl besser für mich. Das Problem ist allerdings, > daß Conrad den nicht hat und bei Reichelt muss ich dafür mindestens > 15,60 Euro ausgeben. Ja, der wäre der richtige für deinen Zweck. Aber beachte UNBEDINGT(!!!) das der nur im SMD-Gehäuse (SSOP28) mit 0,65mm Pinnabstand gibt. Das heisst nur 0,3mm Freiraum zwischen den Pins. Das zu löten bedarf schon ein bisschen Erfahrung. Ich habe für den ersten geschlagene 40min gebraucht bis es einwandfrei war! Ausserdem müsstest du da eine Leiterkarte für machen. Ich würde dir als Anfänger erstmal davon abraten. > Und was ist damit die USB-Buchse direkt an den Controller zu klemmen ? Das habe ich auch schon einmal probiert. Leider hat es nicht funktioniert. Der AVR hat sich gerade so als USB-Device gemeldet, danach ging nix mehr^^ >> Wenn ich es richtig verstanden habe, hat dein Programmer ja scon so eine >> "Bridge", also Seriel zu USB. Dann könntst du das Teil nach dem >> Programmieren einfach an die serielle Schnitstelle deines AVR Stecken >> und es sollte gehen... > Das sollte tatsächlich funktionieren, da man den mySmartUSB auch in den > 'Steuerungsmodus' umschalten kann. Müsste ich mal ausprobieren. > Das Ziel ist allerdings, eine Schaltung zu entwerfen die ohne den > MySmartUSB auskommt (außer zum Programmieren natürlich). Mit dem mysmartUSB kannst du ja erstmal testen. Der sollte ja einwandfrei funktionieren. Wenn dann alles läuft, kannst du ihn einfach durch einen FT232RL oder MAX232 ersetzen und weisst nebenbei das der AVR funktioniert. Wenn es dann also nicht klappt, kannst du den AVR ausschliessen^^ [OffTopic] > [OffTopic] >
1 | > Ich weiß nicht wie es bei Dir aussieht, aber bei uns hat es gerade, zum |
2 | > ersten Mal in diesem Winter |
3 | > und auch noch pünktlich zu Weihnachten, angefangen zu schneien. Hach ist |
4 | > das schön. :) |
5 | > Auch wenn ich persönlich auf Schnee verzichten kann, so freu ich mich |
6 | > für die Kinder, |
7 | > für die das ja was Besonderes ist. |
8 | > |
> [/OffTopic] > > In diesem Sinne wünsche ich Dir und Deiner Familie (und natürlich allen > anderen Usern hier) ein wundervolles Weihnachtsfest und schöne > Feiertage. Danke, Danke! Euch auch ein schönes Fest. Bei mir waren schonmal 25cm Schnee, die sind aber mitlerweile schon wieder geschmolzen. [/OffTopic] Gruss Stefan EDIT: Ich habe mir gerade mal deinen Programmer näher angeschaut. Der ist ja nach AVR910/911 gebaut. Eigendlich solltest du im AVR-Studio mit dem Teil die Fuses einstellen können. Des weiteren ist die USB-Anbindung bei dem Programmer auch über eine USB-Serial-Bridge gelöst. Das ist einfach eine zuverlässige MEthode^^
Hallo Als PC Verbindung kann ich das hier noch empfehlen. http://shop.myavr.de/Bauelemente%20und%20Controller/myUSBtoUART.htm?sp=article.sp.php&artID=200024 Dürfte der FT232RL sein auf einer kleinen Platine mit USB Anschluss. Ich habe mir eins davon geholt und eine Stiftleiste dran gelötet und kann das dann auf mehreren Platinen benutzen.
> Dürfte der FT232RL sein auf einer kleinen Platine mit USB Anschluss
CP2102 von SILABS
Nur als Tipp, es gibt noch die FT232 Breakout-Board Platine bei Hannes. http://www.ehajo.de/Platinen/FT232-Breakout-Board-Platine?source=2&refertype=1&referid=10 Damit entfällt die eigene Platine und man kann auch ein Modul für das Breadboard bestücken. .
Der CP2102 von SILABS gibt aber nur 3,3V aus. Der FT232RL je nach Betriebsspannung 3,3-5V. Hier: http://www.ehajo.de/Aufgebaut/Aufgebaut/Aufgebaut/Aufgebaut/Aufgebaut/Aufgebaut/Aufgebaut/Aufgebaut/Aufgebaut/Aufgebaut/Aufgebaut/Aufgebaut/Aufgebaut/Aufgebaut/Aufgebaut/Aufgebaut/Aufgebaut/Aufgebaut/FT232-Breakout-Board?source=2&refertype=1&referid=1 gibt es auch die fertige Platine mit dem FT232RL. Gruss Stefan
@Stefan M. > Nein nein, das war nicht auf deinen Programmer bezogen, sondern auf die > High-Voltage-Programmierung meines AVR-Dragon, also für deinen Fall > besser wieder vergessen! Ok. Schon vergessen. :) > Ja, der wäre der richtige für deinen Zweck. Aber beachte UNBEDINGT(!!!) > das der nur im SMD-Gehäuse (SSOP28) mit 0,65mm Pinnabstand gibt Hm...Das is ja blöd. Gibt es da keine Alternative (außer den MAX232)? :O > Das habe ich auch schon einmal probiert. Leider hat es nicht > funktioniert. Der AVR hat sich gerade so als USB-Device gemeldet, danach > ging nix mehr^^ Weißt Du woran es gelegen hat ? Weil in der Schaltung in meinem Link scheint es ja auch funktioniert zu haben. > Mit dem mysmartUSB kannst du ja erstmal testen. Der sollte ja > einwandfrei funktionieren. Wenn dann alles läuft, kannst du ihn einfach > durch einen FT232RL oder MAX232 ersetzen und weisst nebenbei das der AVR > funktioniert. Wenn es dann also nicht klappt, kannst du den AVR > ausschliessen^^ Das werde ich auch machen und dann ausführlich berichten. :) > Danke, Danke! Euch auch ein schönes Fest. Danke. :) >Des weiteren ist die USB-Anbindung > bei dem Programmer auch über eine USB-Serial-Bridge gelöst. Das ist > einfach eine zuverlässige MEthode^^ Wie genau meinst Du das ? @alle anderen: Vorgefertigte Platinen sind ja schön und gut, aber die will ich nicht nutzen, da ich was dabei lernen will. Deswegen möchte ich mir ja meine eigene AVR-Experimentierplatine bauen.
So...Weihnachten ist (glücklicherweise) vorbei und ich habe die letzten Tage auch dazu genutzt mich ein wenig fortzubilden und bissl was auszuprobieren. So hab ich mir mal das von Stefan gepriesene Target 3001! runtergeladen und auf Herz und Nieren geprüft. Allerrdings war ich von diesem Programm sehr entäuscht. Nicht nur das es (ähnlich wie Eagle) total überladen und nicht wirklich intuitiv zu bedienen ist, es ist auch total verbuggt. Es hat natürlich viel mehr Funktionen als das von mir verwendete SPlan, aber was nützen die tollsten Funktionen, wenn sie nicht oder nicht richtig funktionieren bzw. total unübersichtlich sind ? Es gibt Freewareprogramme in diesem Sektor, die weitaus besser sind. Im Prinzip muss jeder selbst wissen was er für ein Programm verwendet, aber ich bleibe da lieber bei 'meinem' SPlan. Auch habe ich mal probiert meinen Atmega16 über den Datenmodus des MySmartUSB zu kontrollieren und das hat ohne größere Probleme funktioniert. Nun liegt allerdings mein Anliegen darin, diese Funktion direkt (also ohne zusätzlichen Programmer) in meine Schaltung zu integrieren. Wir haben ja nun schon festgestellt das der Max232 für mich ungeeignet ist, da ich diese Funktion ja über USB benutzen möchte und der FT232RL nur als SMD-Bauteil erhältlich und somit für meine Zwecke auch nicht praktikabel ist. Auch die von Silabs scheint es nur in SMD-Bauweise zu geben. Deswegen hier nochmals die Frage ob irgendjemand einen IC kennt, der die Funktionen des FT232RL besitzt, aber nicht in SMD ist ? Eine weitere Frage ist, ob mir jemand Schritt für Schritt erklären könnte, welche Fusebits ich wie setzen muss, damit mein Atmega16 (16PU) meinen 16MHz-Quarz zum schwingen bringt !? Ich habe natürlich selbst schon geschaut und mir viel zu diesem Thema durchgelesen, aber es gibt da soviele Einstellungen und man kann da soviel falsch machen, daß ich hier lieber nochmal fragen will, bevor ich noch einen Atmega ins Jenseits schicke. Desweiteren habe ich die Tage mal versucht mein neu gekauftes LCD-Display zum Laufen zu bekommen. Das war allerdings so gar nicht von Erfolg gekrönt. Ich benutzte dazu folgendes Tutorial: http://halvar.at/elektronik/kleiner_bascom_avr_kurs/lcd_textanzeige/ Das Problem ist allerdings, daß ich keinen 2,5k Drehwiderstand und auch nicht solch einen Elko habe. Kann ich da auch andere Bauteile (10k Poti und 470nF) verwenden bzw. gibt es eine Möglichkeit mal zu testen, ob es überhaupt funktioniert (Hintergrundbeleuchtung anschalten oder sowas) ? Laut dem Datenblatt von meinem Display... http://www.produktinfo.conrad.com/datenblaetter/175000-199999/183342-da-01-ml-LCD_Modul_16x2_Zeichen_de_en.pdf ..müsste doch, wenn man an Pin15 rund 5V anlegt, die Hintergrundbeleuchtung angehen, oder lieg ich da falsch ? Hinzu kommt, daß es rechts auch nochmal die Anschlüsse A und K gibt. Das sind doch die selben wie an den Pins 15 und 16, oder !?
Da ich vorankommen will habe ich gestern mal auf gut Glück die Fusebits gesetzt und glücklicherweise hab ich meinen MC nicht geschrottet. Der läuft jetzt also auch mit einem 16MHz-Quarz. Die anderen Punkte sind aber nach wie vor aktuell. Vorallem das mit der USB-Schnittstelle. Hat irgendjemand eine Idee ?
K. N. schrieb: > Eine weitere Frage ist, ob mir jemand Schritt für Schritt erklären > könnte, welche Fusebits ich wie setzen muss, damit mein Atmega16 (16PU) > meinen 16MHz-Quarz zum schwingen bringt !? Ich habe natürlich selbst > schon geschaut und mir viel zu diesem Thema durchgelesen, aber es gibt > da soviele Einstellungen und man kann da soviel falsch machen, daß ich > hier lieber nochmal fragen will, bevor ich noch einen Atmega ins > Jenseits schicke. ich hatte mir bei meinem letzten mega16 mal notiert:
1 | # erstmaliges Setzen bei einem neuen Atmega16 ext. Q.; ohne JTAG, ohne OCD, mit SPI: |
2 | hfuse: 0=programmed, 1=unprogrammed |
3 | 0x80 0=enable OCD (def. 1) -> 0x80 |
4 | 0x40 0=enable JTAG (def. 0) -> 0x40 |
5 | 0x20 0=enable SPI (def. 0) -> 0x00 |
6 | 0x10 0=Osc. options (def. 1) -> 0x00 |
7 | 0x08 0=EEPROM preserved on chip erase -> 0x08 |
8 | 0x04 0=select bootsize1 -> 0x00 |
9 | 0x02 0=select bootsize2 -> 0x00 |
10 | 0x01 0=select reset vector -> 0x01 |
11 | ------------ |
12 | hfuse = 0xC9 |
13 | lfuse: 0=programmed, 1=unprogrammed |
14 | 0x80 BODLEVEL -> 0x80 |
15 | 0x40 0=BOD enabled -> 0x40 |
16 | 0x20 SUT1 -> 0x20 |
17 | 0x10 SUT0 -> 0x10 |
18 | 0x08 CKSEL3 -> 0x08 |
19 | 0x04 CKSEL2 -> 0x04 |
20 | 0x02 CKSEL1 -> 0x02 |
21 | 0x01 CKSEL0 -> 0x01 |
22 | ------------ |
23 | lfuse = 0xFF |
24 | |
25 | avrdude -c stk200 -p m16 -P /dev/parport0 -U lfuse:w:0xff:m -U hfuse:w:0xc9:m |
K. N. schrieb: > Wir haben ja nun schon festgestellt das der Max232 für mich ungeeignet > ist, da ich diese Funktion ja über USB benutzen möchte und der FT232RL > nur als SMD-Bauteil erhältlich und somit für meine Zwecke auch nicht > praktikabel ist. > Auch die von Silabs scheint es nur in SMD-Bauweise zu geben. > Deswegen hier nochmals die Frage ob irgendjemand einen IC kennt, der die > Funktionen des FT232RL besitzt, aber nicht in SMD ist ? Für die meisten SMD-Baugrößen finden sich kleine Breakoutplatinen, die das Ganze auf 2,54mm-Raster umsetzen. K. N. schrieb: > Desweiteren habe ich die Tage mal versucht mein neu gekauftes > LCD-Display zum Laufen zu bekommen. Das war allerdings so gar nicht von > Erfolg gekrönt. > Ich benutzte dazu folgendes Tutorial: > http://halvar.at/elektronik/kleiner_bascom_avr_kur... > > Das Problem ist allerdings, daß ich keinen 2,5k Drehwiderstand und auch > nicht solch einen Elko habe. Kann ich da auch andere Bauteile (10k Poti > und 470nF) verwenden bzw. gibt es eine Möglichkeit mal zu testen, ob es > überhaupt funktioniert (Hintergrundbeleuchtung anschalten oder sowas) ? Den C kannst du einfach weglassen oder eine andere (halbwegs ähnliche) Größe, ich lasse ein LCD immer ohne laufen - geht genauso. Statt des 2k5-Poti geht auch ein größeres. Wenn es wesentlich größer wird, kann man auch R2 vergößern. Ansonsten wird die Einstellung etwas grober, aber letztlich macht das nix. > > Laut dem Datenblatt von meinem Display... > > http://www.produktinfo.conrad.com/datenblaetter/17... > > ..müsste doch, wenn man an Pin15 rund 5V anlegt, die > Hintergrundbeleuchtung angehen, oder lieg ich da falsch ? Aber natürlich nur, wenn ein passender R3 vorhanden ist! Sonst wird der Strom auch schnell zu groß, dann leuchtet gar nichts mehr. Im Datenblatt steht, welcher Strom für die LEDs passt; daraus kann man sich einen passenden Widerstand ausrechnen. Die im Schaltplan angegebenen 4,2 V können bei dir auch anders sein. Weiterhin muß die andere Seite (über den Widerstand) auf Masse gehen, im LCD ist das nicht mit Masse verbunden. Deshalb heißen die beiden Anschlüsse auch üblicherweise NICHT + und - bzw. GND, aondern A(node) und K(athode). Ob und was man auf Masse oder sonstwohin legt, bleibt jedem selbst überlassen. Außerdem muß man natürlich die Spannung richtig rum anlegen. Der Strom muß von A nach K fließen. > Hinzu kommt, > daß es rechts auch nochmal die Anschlüsse A und K gibt. Das sind doch > die selben wie an den Pins 15 und 16, oder !? ja Manche haben die A und K an Pin 15 und 16, manche stattdessen getrennt irgendwo auf der Platine und manche haben beides. Leicht zu überprüfen mit einem Widerstandsmeßgerät zwischen den je zwei vermutlich zusammengehörenden Pins.
Hallo Klaus. Vielen Dank für die Erklärungen. Die Fusebits hab ich glücklicherweise schon hingekriegt. > Für die meisten SMD-Baugrößen finden sich kleine Breakoutplatinen, die > das Ganze auf 2,54mm-Raster umsetzen. Du meinst diese Adapterplatinen ? Die Möglichkeit habe ich mir auch schon überlegt, aber im Prinzip wäre mir ein normaler IC viel lieber. Da muss es doch einen geben, den ich nehmen könnte, oder ? Wie gesagt habe ich auch schon mehrere Schaltpläne gesehen bei denen das USB-Kabel direkt am MC anliegt, aber ich bin noch nicht so richtig dahintergestiegen wie das funktionieren soll. > Aber natürlich nur, wenn ein passender R3 vorhanden ist! > Sonst wird der Strom auch schnell zu groß, dann leuchtet gar nichts > mehr. > Im Datenblatt steht, welcher Strom für die LEDs passt; daraus kann man > sich einen passenden Widerstand ausrechnen. > Die im Schaltplan angegebenen 4,2 V können bei dir auch anders sein. Na da hoffe ich mal, daß ich es noch nicht gegrillt habe. :O > Weiterhin muß die andere Seite (über den Widerstand) auf Masse gehen, im > LCD ist das nicht mit Masse verbunden. > Deshalb heißen die beiden Anschlüsse auch üblicherweise NICHT + und - > bzw. GND, aondern A(node) und K(athode). Ob und was man auf Masse oder > sonstwohin legt, bleibt jedem selbst überlassen. > > Außerdem muß man natürlich die Spannung richtig rum anlegen. > Der Strom muß von A nach K fließen. Ich werde es nochmal probieren und dann Bericht abliefern. :)
So...Hab gerade versucht mein LCD-Display zum Funktionieren zu überreden, aber leider ohne Erfolg. Da rührt sich gar nichts. Gibt es denn einen sicheren Weg um herauszufinden ob das Display funktioniert, oder ob ich es tatsächlich versehentlich geschrottet habe ?
K. N. schrieb: > Gibt es > denn einen sicheren Weg um herauszufinden ob das Display funktioniert, > oder ob ich es tatsächlich versehentlich geschrottet habe ? Probiere es mit einem neuen baugleichen.
> Probiere es mit einem neuen baugleichen.
Ich meinte natürlich OHNE mir ein neues zu kaufen, denn das wär
sinnloses Geldrausgeschmeiße, wenn mein jetziges funktioniert. Denn so
günstig sind die auch nicht.
Ich habe mir einen Vorrat an "ORIGINAL USB DATENKABEL für SIEMENS DCA-510 S55 / SL55" über eBay angelegt. (Stück ~5 Euro) Der USB-TTL Chip sitzt im USB-Stecker. So braucht man nur den Handystecker entfernen und hat Zugriff auf RXD, TXD, GND und +5V. Der Treiber installiert einen virtuellen COM-Port. Displays gibt es bei Pollin recht günstig.
Peter R. schrieb: > Ich habe mir einen Vorrat an "ORIGINAL USB DATENKABEL für SIEMENS > DCA-510 S55 / SL55" über eBay angelegt. (Stück ~5 Euro) Der USB-TTL Chip > sitzt im USB-Stecker. So braucht man nur den Handystecker entfernen und > hat Zugriff auf RXD, TXD, GND und +5V. Der Treiber installiert einen > virtuellen COM-Port. Über diese Möglichkeiten habe ich auch schon gelesen, aber mein Ziel ist es ja das man die Schaltung mit jedem x-beliebigen USB-Kabel anschließen kann. Also muss sie entweder mit einem extra IC aufgebaut werden, oder man benutzt sowas wie V-USB, damit man die USB-Buchse direkt am Mikrocontroller anschließen kann. Da steig ich allerdings noch nicht so wirklich dahinter. > Displays gibt es bei Pollin recht günstig. Ich möchte mir kein neues kaufen, da das, was ich da habe, auch neu ist und ich erstmal testen will, ob genau dieses funktioniert, oder ob ich es geschrottet habe und mir ein neues kaufen muss. Denn sollte es noch funktionieren, dann brauch ich mir auch kein neues holen.
K. N. schrieb: > Ich meinte natürlich OHNE mir ein neues zu kaufen, denn das wär > sinnloses Geldrausgeschmeiße Ich kann mir wohl denken dass dir die Lösung nicht passt. Leider gibt es für ein Ausschlussverfahren nur 2 Möglichkeiten: -Du hast ein Display welches funktioniert (weil es an einer anderen Schaltung funktioniert), und es läuft an deiner Schaltung nicht: Es muss an deiner Schaltung was verkehrt sein. -Du hast eine Schaltung, welche funktioniert (weil sie mit einem neuen, baugleichen Display funktioniert), und dein Display läuft daran nicht: Das "alte" Display muss defekt sein. Ob du lieber nochmal 13,90 für ein zweites Display ausgibst oder die Schaltung samt Software systematisch analysierst (mit Know-How welches du offenbar noch erlernen musst und nicht ganz trivial ist, sowie Equipment welches du möglicherweise nicht besitzt (Oszilloskop und Logicanalyzer)) bleibt dir überlassen. Beides liesse sich unter "Lehrgeld" verbuchen...
> Beides liesse sich unter "Lehrgeld" verbuchen...
Da haste wohl Recht. :D
Wie Du schon richtig bemerkt hast, fehlt mir noch das nötige Fachwissen.
Aber ich dachte man kann an die Hintergrundbeleuchtung Spannung anlegen
und dann müsste es ja zumindestens leuchten, sofern es in Ordnung ist.
Oder seh ich das völlig falsch ?
Anlegen kannst du die Spannung natürlich. Aber entweder legst du zuwenig an, dann wirst du nichts sehen, oder du legst etwas zuviel an, dann siehst du höchstens nochmal kurz etwas leuchten - dann ist die LED tot. LEDs müssen mit einem definierten Strom gefüttert werden, die Spannung stellt sich dann von selbst ein. Siehe irgendwo im Tutorial.
K. N. schrieb: > Aber ich dachte man kann an die Hintergrundbeleuchtung Spannung anlegen > und dann müsste es ja zumindestens leuchten, sofern es in Ordnung ist. > Oder seh ich das völlig falsch ? Das siehst du schon richtig. Die Beleuchtung hat mit der Funktion des eigentlichen Display allerdings nichts zu tun. Zur Beleuchtung stehen im Datenblatt ein paar Angaben für verschiedene Anschlussmöglichkeiten, wo ich zugeben muss dass ich sie nicht ganz verstehe, auf Seite 3 rechts unten. Demnach müssen J1 und J2 irgendwie verbunden werden, um die Spannung an Pin 1 und 2 in Verbindung mit dem eingebauten Vorwiderstand für die LEDs nutzen zu können. Typischer Fall von "muss ich vor Augen haben", um zu beurteilen wie die Hinweise GENAU gemeint sein könnten. Ich würde empfehlen erstmal das eigentliche Display zur Funktion zu bringen. Wenn wir dabei helfen sollen, sind wie gehabt ein Schaltplan sowie der vollständige verwendete Programmcode und die Einstellungen im Bascom-Menü für das LCD wichtig.
@Klaus Wachtler Na eigentlich müsste man 4,2V anlegen. Das hab ich versucht, aber geleuchtet hat trotzdem nichts. :( @Wichtel Genau das ist mein Problem. Ich seh da nämlich auch nicht richtig durch. Ich werde mal einen Schaltplan zeichnen und ein Bascom-Programm dazu schreiben. Aber das mach ich dann im nächsten Jahr. ;D Guten Rutsch Euch allen. :)
Dann fang doch mal einfach an, dich über LEDs schlau zu machen. Dann braucht man nicht immer wieder erzählen, daß es keinen Sinn macht eine Spannung anzulegen, sondern daß man für einen bestimmten Strom sorgen muß. Damit du nicht suchen musst: http://www.mikrocontroller.net/articles/LED Kurz: Du musst mehr als die 4.2 V anlegen, und dafür noch einen passenden Vorwiderstand in Reihe schalten - dann kommst du auf einen halbwegs definierten Strom.
Hallo und Euch allen ein gesundes neues Jahr. :) > Dann fang doch mal einfach an, dich über LEDs schlau zu machen. Ich weiß wie LEDs funktionieren ! Da muss ich mich nicht drüber informieren. > Du musst mehr als die 4.2 V anlegen, und dafür noch einen passenden > Vorwiderstand in Reihe schalten - dann kommst du auf einen halbwegs > definierten Strom. Habe ich, wie schon mehrmals gesagt, bereits probiert, aber nichts funktionierte. Aber das Display ist mir momentan erstmal egal, weil es für meine Experimentierplatine nicht von Bedeutung ist. Viel lieber wäre mir, wenn mir jemand zum oben mehrfach erwähnten USB-Thema helfen könnte !?!
Hat denn niemand eine Ahnung welche Bauteile man für die USB-Anbindung noch nehmen könnte ? :(
Da mir anscheinend niemand auf die Fragen antworten kann oder will, gibts hier mal eine neue. ;) Wenn man den Mc steuert, kann man dann die Pins RXD und TXD trotzdem als normale I/O-Pins benutzen, oder hat man dann nur 30 steuerbare Ein-/Ausgänge ?
K. N. schrieb: > Da mir anscheinend niemand auf die Fragen antworten kann oder will, > gibts hier mal eine neue. ;) Vielleicht hat keiner Lust, alles was es in diesem Forum zu USB gibt, zusammen zu kopieren oder voruzulesen, damit du es nicht suchen musst? Oder die Gegenfrage: was hast du davon schon alles gelesen, und was hast du davon warum nicht verstanden? > > Wenn man den Mc steuert, kann man dann die Pins RXD und TXD trotzdem als > normale I/O-Pins benutzen, oder hat man dann nur 30 steuerbare > Ein-/Ausgänge ? kannst du natürlich; z.B. kannst du an RxD und TxD noch LEDs anschließen. Rate mal, was die machen, wenn Daten übertragen werden? :-)
Hi >Aber das Display ist mir momentan erstmal egal, weil es für meine >Experimentierplatine nicht von Bedeutung ist. Viel lieber wäre mir, wenn >mir jemand zum oben mehrfach erwähnten USB-Thema helfen könnte !?! Wenn du schon so schnell beim LCD aufgibst brauchst du mit USB gar nicht anfangen. MfG Spess
> Vielleicht hat keiner Lust, alles was es in diesem Forum zu USB gibt, > zusammen zu kopieren oder voruzulesen, damit du es nicht suchen musst? Wie ich eingangs schon erwähnte, bin ich niemand der andere für sich suchen lässt. Ich habe natürlich dieses und andere Foren, Google und viele weitere Quellen durchsucht, aber leider keine für mich passende Lösung gefunden. Ich habe auch FTDI-Glasgow angeschrieben, aber auch die sagten mir das sie nicht vorhaben eines Ihrer Produkte jemals in DIP-Bauform zu produzieren. Kurz gesagt gehe ich mittlerweile davon aus das es solch einen IC nicht gibt (was mich bei der heutigen Fülle an ICs und dem technologischen Fortschritt echt wundert), aber es hätte ja sein können das irgendjemand hier noch einen passenden Chip kennt und mir verraten würde. > Rate mal, was die machen, wenn Daten übertragen werden? :-) Ich gehe mal davon aus das die dann blinken/flackern, oder !? ;) >Wenn du schon so schnell beim LCD aufgibst brauchst du mit USB gar nicht >anfangen. Ich habe nicht aufgegeben, sondern meine Prioritätenreihenfolge eingehalten. Das mit der USB-Verbindung soll ja auf meine Platine mit drauf, aber ein LCD nicht. Deswegen steht USB nunmal weiter vorn auf meiner To-Do-Liste. :)
Hi >Kurz gesagt gehe ich mittlerweile davon aus das es solch einen IC nicht >gibt (was mich bei der heutigen Fülle an ICs und dem technologischen >Fortschritt echt wundert),... Wieso? Der Fortschritt ist SMD. Und die FTDI-ICs sind eher von der grobschlächtigen SMD-Sorte. MfG Spess
Wie wärst denn mit einem FT232 Breakout Board? Erhältlich über egay.
> Wieso? Der Fortschritt ist SMD. Und die FTDI-ICs sind eher von der > grobschlächtigen SMD-Sorte. Da haste natürlich Recht, aber umso erstaunlicher ist es ja dann, daß es keinen passenden Chip der 'alten' Form gibt. Ich hätte aber angenommen das heutzutage für alles Mögliche passende SMD UND! DIP Lösungen erhältlich sind. @Daniel Polz Lies Dir bitte VOR dem Posten den Thread durch, denn ich habe keine große Lust alles 10-mal erklären zu müssen.
Trabant 500 schrieb: > @Daniel Polz > Lies Dir bitte VOR dem Posten den Thread durch, denn ich habe keine > große Lust alles 10-mal erklären zu müssen. Also ich habe den Thread durchgelesen, ist nur eben schon länger her und wenn man mehrere Threads verfolgt, dann vergisst man manchmal kleinere Details. Ich bitte das zu entschuldigen. Wahrscheinlich meinst du diesen Abschnitt: K. N. schrieb: >> Für die meisten SMD-Baugrößen finden sich kleine Breakoutplatinen, die >> das Ganze auf 2,54mm-Raster umsetzen. > Du meinst diese Adapterplatinen ? Die Möglichkeit habe ich mir auch > schon überlegt, aber im Prinzip wäre mir ein normaler IC viel lieber. Da > muss es doch einen geben, den ich nehmen könnte, oder ? Der aktuelle Stand der Technik ist BGA und Konsorten. Die meisten Bastler haben sich inzwischen damit abgefunden, Adapterplatinen benutzen zu müssen. Viele, darunter auch ich, arbeiten nur noch mit SMD-Bauteilen, weil diese viele Vorteile mit sich bringen. Ich kann ehrlich gesagt nicht nachvollziehen, was gegen ein BOB sprechen soll? Man muss sich eben entscheiden, was man möchte. Alte Technik in DIL, dann bleib bei der alten RS232, oder eine moderne USB-Schnittstelle, dann musst du dich eben auch mit modernen Gehäusen anfreunden und dich arrangieren. Es gibt drei Möglichkeiten: - BOB - USB-Seriell-Kabel - VUSB mit DIL-AVR - EDIT: DIL-PIC mit USB Und gegen jede fällt dir irgendein Grund ein, warum dir das nicht passt? Das ist so, alles hat seine Vor- und Nachteile. Such dir jetzt die, die dir am besten gefällt, aus und lebe damit. Hier noch Links: http://www.recursion.jp/avrcdc/ http://www.futurlec.com/SMD_Adapters.shtml http://www.ftdichip.com/Products/Modules.htm http://www.ebay.de/itm/FT232RL-USB2-0-to-Serial-TTL-level-5V-3-3V-Module-Converter-Adapter-for-Arduino-/160706240955?pt=LH_DefaultDomain_0&hash=item256ad6a1bb#ht_3169wt_1270 Daniel Polz schrieb: > wärst > egay Sorry, das macht mein Tablet.
Das habe ich auch noch gefunden: Beitrag "USB-Controller für AVR als DIL/DIP-Package" http://www.tigal.com/product.asp?pid=1447 Übrigens kommen die Links alle durch google, wenn man "USB interface DIP" eintippt.
Daniel Polz schrieb: > Trabant 500 schrieb: >> @Daniel Polz >> Lies Dir bitte VOR dem Posten den Thread durch, denn ich habe keine >> große Lust alles 10-mal erklären zu müssen. > > Also ich habe den Thread durchgelesen, ist nur eben schon länger her und > wenn man mehrere Threads verfolgt, dann vergisst man manchmal kleinere > Details. Ich bitte das zu entschuldigen. Kein Problem. War ja auch nicht böse gemeint. > Es gibt drei Möglichkeiten: > - BOB > - USB-Seriell-Kabel > - VUSB mit DIL-AVR > - EDIT: DIL-PIC mit USB Nach dem V-USB fragte ich ja bereits, aber ohne eine Antwort zu bekommen. Wahrscheinlich kennt sich hier niemand damit aus. Was meinst Du mit dem Dil-Pic ? > Und gegen jede fällt dir irgendein Grund ein, warum dir das nicht passt? Natürlich nicht, aber wie bereits gesagt hoffte ich auf eine Ein-Chip-Lösung. [Edit] Danke für die Links. Das klingt sehr interessant. Da werde ich mich mal reinlesen.
Trabant 500 schrieb: > Nach dem V-USB fragte ich ja bereits, aber ohne eine Antwort zu > bekommen. Wahrscheinlich kennt sich hier niemand damit aus. > Was meinst Du mit dem Dil-Pic ? Ich finde die Stelle nicht, was willst du über VUSB wissen? Ein PIC ist ein Mikrocontroller der Firma Mircochip. AFAIK gibt es davon einen mit USB im Hobbygehäuse, bin mir aber nicht hunderprozentig sicher, da ich mit PICs noch nicht viel gemacht habe. Den könnte man bestimmt als Protokollwandler missbrauchen. Trabant 500 schrieb: > Natürlich nicht, aber wie bereits gesagt hoffte ich auf eine > Ein-Chip-Lösung. Die gibt es nunmal nicht fix und fertig im DIL-Format, soweit waren wir doch schon. Du musst ein Workaround finden. Schau dir meine Links an. Ich finde das Teil von Tigal ziemlich cool.
> Ich finde die Stelle nicht, was willst du über VUSB wissen? Nur ob jemand damit irgendwelche Erfahrungen gemacht hat und vielleicht mal ein Fazit abgeben kann. > Ein PIC ist ein Mikrocontroller der Firma Mircochip. AFAIK gibt es davon > einen mit USB im Hobbygehäuse, bin mir aber nicht hunderprozentig > sicher, da ich mit PICs noch nicht viel gemacht habe. Den könnte man > bestimmt als Protokollwandler missbrauchen. Was ein PIC ist weiß ich. hatte damals einen für eine RS232-Schnittstelle. > Die gibt es nunmal nicht fix und fertig im DIL-Format, soweit waren wir > doch schon. Das weiß ich doch mittlerweile. Deswegen schrieb ich ja 'Ich hoffte...'. > Ich finde das Teil von Tigal ziemlich cool. Da geb ich Dir Recht. Das wär eine gute Alternative. Aber auch ganz schön teuer, finde ich.
Trabant 500 schrieb: > Nur ob jemand damit irgendwelche Erfahrungen gemacht hat und vielleicht > mal ein Fazit abgeben kann. Funktioniert prima. Ich habe hier im Forum mal einen ISP-Programmer auf Basis von VUSB entwickelt (wobei die Firmware aber nicht von mir stammte) und eine Sammelbestellung á 300 Stück gemacht. Hat sich bisher niemand beschwert, dass das USB-Protokoll nicht funktionieren würde. Es gibt bestimmt massenhaft Leute hier, die damit auch schon Erfahrung in eigenen Projekten gesammelt haben. Desweiteren ist die Software ziemlich flexibel. Also, wenn dir die Lösung am besten gefällt, dann brauchst du keine Bedenken wegen der Zuverlässigkeit haben. Trabant 500 schrieb: > Da geb ich Dir Recht. Das wär eine gute Alternative. Aber auch ganz > schön teuer, finde ich. Naja, du bist ja der einzige, der sowas braucht, da müssen die schon bei dem einen Mal richtig zulangen ;-) Mal im Ernst: Du glaubst doch nicht, dass du deine Spezialanfertigung zum Preis von Massenware bekommst? Ich bin normalerweise gegen das Anti-Geiz-Ist-Geil-Gehabe, aber man muss für Speziallösungen auch mal hinblättern können. Wenn du das nicht kannst oder willst musst du dich mit einem Arduino zufriedengeben (das man nicht unbedingt über die IDE programmieren muss).
> Funktioniert prima. Also, wenn dir die Lösung am besten gefällt, dann > brauchst du keine Bedenken wegen der Zuverlässigkeit haben. Genau zum Thema Zuverlässigkeit habe ich schon verschiedene Aussagen gelesen. Deswegen war ich mir da nicht so sicher. > Naja, du bist ja der einzige, der sowas braucht, da müssen die schon bei > dem einen Mal richtig zulangen ;-) Mal im Ernst: Du glaubst doch nicht, > dass du deine Spezialanfertigung zum Preis von Massenware bekommst? Ich glaub da hast Du mich falsch verstanden. Ich finde es seltsam, daß sowas unter Spezialanfertigung läuft. Ich meine, es gibt ja auch Mikrocontroller in dieser Bauform und die sind weitaus komplexer als so ein kleiner Umwandler. Das bringt mich zu einer weiteren Frage. Das einzigste Problem sind doch die unterschiedlichen Spannungen, oder täusche ich mich da ? Ich hab auch schon nach einem Sockel in DIL-Ausführung geschaut der SMD-Chips aufnehmen kann, aber auch dazu habe ich leider nichts gefunden. Ich habe mich inzwischen damit arrangiert das es keine einfache Lösung gibt, aber ich finde das Problem eigentlich dermaßen trivial, daß es mich sehr wundert das es dafür eben nicht mehrere gute Chips gibt.
Trabant 500 schrieb: > Das bringt mich zu einer weiteren Frage. Das einzigste Problem sind doch > die unterschiedlichen Spannungen, oder täusche ich mich da ? Formuliere das doch bitte mal verständlicher. Ich glaube inzwischen, dass du da was durcheinander bringst. USB ist ein ziemlich abstraktes Protokoll und weitaus schwieriger zu verstehen, als z.B. die RS232-Schnittstelle, wo direkt die Bytes rausgesprutzt werden, symbolisiert durch einfache H/L-Pegel/Flanken. In der Tat liegen die Datenleitungen an 3,3V, aber das ist nicht das Problem. Man kann schließlich entweder den Controller mit 3,3V versorgen (MSP430 und ARMs zum Beispiel laufen schon gar nicht mit 5V) oder die Pegel mit Z-Dioden anpassen (siehe VUSB). Der AVR registriert 3,3V ohnehin als High. Das Problem ist eben, dass das USB-Protokoll ein ganz bestimmtes Verhalten vorschreibt. Sieh dir den Link unten an, dann kannst du dir eine ungefähre Vorstellung davon machen, was ein USB-Chip so alles erledigen muss. Das ist alles nicht so trivial und passt nicht in einen 74HC... Natürlich ist ein Mikrocontroller (der ja mit VUSB als USB-Wandler programmiert werden kann) noch etwas aufwändiger und wo so einer reinpasst, passt auch ein USB-Wandler rein, aber in der Industrie wird DIL nicht mehr verlangt. Und glaubst du, FTDI baut für ein paar Bastler, die noch nicht ganz in der Gegenwart angekommen oder in der Einübungspase sind, noch eine Fertigungsstraße? http://www.usbmadesimple.co.uk/ums_3.htm
Das USB natürlich komplexer ist als die RS232-Schnittstelle ist mir bewusst, aber heutzutage gibt es für jeden Schnick-Schnack einen fertigen IC, nur eben dafür nicht. Und genau das hat mich gewundert.
Trabant 500 schrieb: > aber heutzutage gibt es für jeden Schnick-Schnack einen > fertigen IC, nur eben dafür nicht. Nimm's mir nicht übel, aber willst du mich ärgern? Die gibt es doch... FTDI hat eine ganze Produktpalette, die nichts anderes macht. Jeder namhafte Controllerhersteller hat außerdem mindestens ein Produkt mit integriertem USB. Du wehrst dich nur komischerweise aus mir verborgenen Gründen gegen diese Lösungen. Trabant 500 schrieb: > ich habe keine große Lust alles 10-mal erklären zu müssen.
Da hab ich mich wohl falsch ausgedrückt. Ich meinte natürlich (wie schon mehrmals erwähnt) einen IC in DIL-Bauform der die Kommunikation zwischen PC und Mc ermöglicht. Natürlich hat FTDI eine ganze Produktreihe, aber eben alle nur in SMD.
Naja, du wirst schon was passendes finden. Wir haben dir nun alle Möglichkeiten aufgezeigt, da wird schon was für dich dabei sein. Zur Not kannst du ja einen ASIC produzieren lassen. ;-)
> Zur Not kannst du ja einen ASIC produzieren lassen. ;-) Ähm...Dann nehm ich doch lieber die 15,- Euro Lösung. ;) Ich werd morgen mal zu Conrad fahren und mir ein paar MAX232-ICs holen um die Schaltung erstmal damit aufbauen zu können. Und wenn das dann steht, werd ich weitersehen.
Trabant 500 schrieb: > Ich meinte natürlich (wie schon > mehrmals erwähnt) einen IC in DIL-Bauform der die Kommunikation zwischen > PC und Mc ermöglicht. Wie wäre ein PIC von Mikrochip? z.B. der 18F2455. Ein Mikrocontroller mit integriertem USB. Und bei Atmel gibts bestimmt auch µCs, die USB an Board haben und im DIL/DIP sitzen. Die Teile von FTDI kann man auf handelsübliche Adapter-Platinen packen so dass aus einem SMD auch ein DIL wird, der aufs Steckbrett passt. Wenn es USB-ICs nicht als DIL/DIP gibt dann ist mit an Sicherheit grenzender Wahrscheinlichkeit nicht die Technik schuld sondern schlichtweg die Tatsache, dass es hierfür keinen Bedarf gibt.
> Wie wäre ein PIC von Mikrochip? Das klingt interessant. Hättest Du da einen Schaltplan für eine Beispielschaltung ? Hab bei Google leider keinen gefunden wo ein PIC zwischen USB-Buchse und Atmega sitzt. > Und bei Atmel gibts bestimmt auch µCs, die USB an Board haben und im > DIL/DIP sitzen. Es gibt von Atmel zum Beispiel den AT90USB, aber leider auch nicht im DIL-Gehäuse. > Die Teile von FTDI kann man auf handelsübliche Adapter-Platinen packen > so dass aus einem SMD auch ein DIL wird, der aufs Steckbrett passt. Diese Platinen gibt es natürlich, aber auch da muss man erst SMD löten. Im Prinzip sollte das kein großes Problem sein, aber diese Schaltung soll ja von einem Anfänger für Anfänger sein. Also so das sie andere Anfänger möglichst einfach nachbauen können. > Wenn es USB-ICs nicht als DIL/DIP gibt dann ist mit an Sicherheit > grenzender Wahrscheinlichkeit nicht die Technik schuld sondern > schlichtweg die Tatsache, dass es hierfür keinen Bedarf gibt. Das haste wohl Recht. Und für ein paar Bastler wird man die nicht erst herstellen. Das würde sich für die wohl nicht lohnen.
Trabant 500 schrieb: >> Die Teile von FTDI kann man auf handelsübliche Adapter-Platinen packen >> so dass aus einem SMD auch ein DIL wird, der aufs Steckbrett passt. > Diese Platinen gibt es natürlich, aber auch da muss man erst SMD löten. Es gibt an jeder Ecke fertige FT232-Adapterplatinen, die man nicht mehr löten muss, sondern einfach in Buchsenleisten steckt. Sogar im Rahmen des Arduino-Projekts existiert ein solcher Adapter, was ich für eine zuverlässige Quelle halte. Deiner Aussage entnehme ich, dass du unsere Tipps hier gar nicht so ernst nimmst, schließlich habe ich schon gesagt, dass du bei eBay nach solchen Boards suchen sollst... Trabant 500 schrieb: > Das klingt interessant. Hättest Du da einen Schaltplan für eine > Beispielschaltung ? Hab bei Google leider keinen gefunden wo ein PIC > zwischen USB-Buchse und Atmega sitzt. Ich befürchte, das es sowas fertig nicht geben wird, da es normalerweise ziemlich unsinnig ist, einen USB-PIC an einen ATmega8 zu klemmen. Aber das ist ja kein Problem, du muss ja nur einen Beispielcode für USB um eine USART-Routine erweitern (Das könnte es sogar fertig geben, mal bei Google einhacken). Ich vermute, dass es allerdings am Durchsetzungsvermögen scheitert. Du drehst dich wie eine Fahne im Wind. Entscheide dich doch un mal für eine Technik, und versuche diese umzusetzen.
Trabant 500 schrieb: >> Wie wäre ein PIC von Mikrochip? > Das klingt interessant. Hättest Du da einen Schaltplan für eine > Beispielschaltung ? Hab bei Google leider keinen gefunden wo ein PIC > zwischen USB-Buchse und Atmega sitzt. Das gibts nicht weil es Quatsch ist dass der PIC nur die USB-Kommunikation übernimmt und die IOs vom Atmega kommen. Trabant 500 schrieb: > Diese Platinen gibt es natürlich, aber auch da muss man erst SMD löten. > Im Prinzip sollte das kein großes Problem sein, aber diese Schaltung > soll ja von einem Anfänger für Anfänger sein. Also so das sie andere > Anfänger möglichst einfach nachbauen können. SMD in SOIC-Package ist auch von jedem Anfänger zu löten. Wer das als Anfänger nicht hinbekommt sollte auch bei DIL/DIP scheitern. Und selbst wenn...fürs Steckbrett kompatibel gibts von FTDI auch einiges, z.B. http://de.farnell.com/jsp/search/productdetail.jsp?SKU=1146037 Wo ist dein verdammtes Problem? Gib endlich mal Gas und beweg deinen Arsch. Von nix kommt nix. Mit der Software wirst du noch deinen Spass haben vermute ich.
Michael Köhler schrieb: > SMD in SOIC-Package ist auch von jedem Anfänger zu löten. Wer das als > Anfänger nicht hinbekommt sollte auch bei DIL/DIP scheitern. Auch wenn ich beim Lesen deines Posts dauernd genickt habe, muss ich schon sagen, dass ich persönlich zwar inzwischen lieber SMD löte, trotzdem ist es für einen Anfänger schon noch ein riesiger Unterschied, wie ich mich noch erinnern kann. Die Technik muss man auch erst mal lernen. Und dafür sollte man zumindest schon mal ein paar THTs sauber gelötet haben und nicht gleich mit einem 4€-Baustein anfangen, sondern vorher an ein paar NE556 üben. Bin mir aber sicher und muss dir in sofern Recht geben, dass das auch im ersten Projekt zu schaffen ist.
Ach Ihr zwei seid ja zuckersüß. Seid Ihr ein Pärchen oder sowas ? Eure Höflichkeit ist echt schmeichelhaft. Das ist eine gute Werbung für dieses Forum und ich glaub da fühlen sich Anfänger gleich richtig geborgen hier. Toll gemacht...Weiter so ! Und falls Ihr es nicht gerafft habt...Das war ironisch gemeint ! > Deiner Aussage entnehme ich, dass du unsere Tipps hier gar nicht so ernst > nimmst... Und ich entnehme Deiner Aussage das Du meine Posts nicht richtig gelesen hast oder schlicht und einfach nicht kapierst. > Ich befürchte, das es sowas fertig nicht geben wird, da es normalerweise > ziemlich unsinnig ist, einen USB-PIC an einen ATmega8 zu klemmen. Dann hab ich das falsch verstanden. Ich dachte er meinte einen PIC-Controller, den man (ähnlich dem FT232R) einfach nur zwischenschaltet. > Ich vermute, dass es allerdings am Durchsetzungsvermögen scheitert... Das mit Sicherheit nicht und das kannst Du auch gar nicht einschätzen. Natürlich habe ich schon verschiedene Sachen ausprobiert, aber wie ich bereits schrieb, werde ich erstmal den MAX232 ausprobieren und mich dann um eine USB-Lösung kümmern. > Das gibts nicht weil es Quatsch ist dass der PIC nur die > USB-Kommunikation übernimmt und die IOs vom Atmega kommen. Wie gesagt...ich dachte Du meintest das so. > SMD in SOIC-Package ist auch von jedem Anfänger zu löten. Das ist völliger Blödsinn ! > ...fürs Steckbrett kompatibel gibts von FTDI auch einiges Bist Du Dir sicher das Du Dir meine Posts durchgelesen und vorallem auch wirklich verstanden hast ? Hört sich irgendwie nicht danach an. > Gib endlich mal Gas und beweg deinen Arsch. Dein Niveau ist wirklich Weltklasse und Du bist ein echtes Vorbild für diese Community. Vielleicht sollte man Dich mal als Forum-Maskottchen vorschlagen. Wär doch toll, Du so als Aushängeschild, oder ? > Mit der Software wirst du noch deinen Spass haben vermute ich. Die Software stellt kein Problem für mich dar, da ich bereits seit 23 Jahren aktiver Programierer bin. Nur mit Elektronik kenne ich mich nicht wirkich aus, aber aus diesem Grund hab ich mich hier ja eigentlich mal angemeldet. Schlußwort: Keine Ahnung was Ihr geraucht habt, aber ewig auf dem gleichen rumzureiten und dann die Anderen anzugehen das sie zu faul wären, obwohl Ihr es doch seid die es nicht verstehen (wollen), halte ich für falsch. Mit Höflichkeit kommt man viel weiter im Leben als mit so einem niveaulosen Gespamme. Also macht Euch den Knigge mal zur Bettlektüre, lernt was daraus und übt Euch ein bissl in Zurückhaltung mit blöden, ja fast schon beleidigenden, Kommentaren !
Ich habe mir jetzt extra nochmal den ganzen Thread durchgelesen. Irgendwann habe ich dann diesen Abschnitt gefunden: Trabant 500 schrieb: > @alle anderen: > Vorgefertigte Platinen sind ja schön und gut, aber die will ich nicht > nutzen, da ich was dabei lernen will. Deswegen möchte ich mir ja meine > eigene AVR-Experimentierplatine bauen. Das war der einzigste. Also zunächst muss ich sagen, dafür, dass du keine Ahnung hast, bist du ja mit Verlaub schon ein ziemlich eingebildeter Futz. Ich habe 37 Minuten dafür gebraucht, das alles zu lesen. Meinst du, dass ich das bei jedem machen kann, der eine USB-Schnittstelle an seinen Controller haben möchte? Wenn man trotzdem versucht zu helfen, scheißt du die ganze Zeit hier rum, dass keiner deine Beiträge liest. Was glaubst du, wer wem in so einer Situation dann auch etwas entgegen kommen sollte? Der Helfende, der für seine Gutmütigkeit 37 Minuten seiner Freizeit opfern müsste, oder der Fragende, den es eine Minute kostet den anderen auf aktuellen Stand zu bringen? Und mal ganz ehrlich, diese blöde, vorgegaukelte "ich will ja was dabei lernen" geht mir schon seit Jahren auf den Senkel. Kauf dir so ein blödes Board für zehn Euro und ließ dir dazu noch das Datenblatt vom FT232RL durch, achso, da war ja was, du verstehst die Datenblätter ja nicht. Dann kauf dir eben das Buch bei Amazon dazu (kein Witz). Lernen heißt nämlich nicht, sich hier jeden Schmarrn vorbeten zu lassen, sondern eigenständige Arbeit zu leisten. Ich musste da irgendwann auch mal durch. Und deine Ansprüche sind einfach weltfremd: - RS232 will ich nicht - FT232RL kann ich nicht einlöten - Adapterboard mag ich aber nicht - USB-Buchse mit integrierter Logik ist zu teuer - Fertiges Board kann niemand nachbauen (als ob den Schwachfug jemand nachbauen würde) DANN LASS ES! Ich weiß gar nicht mehr, was ich dazu sagen soll... Trabant 500 schrieb: >> Deiner Aussage entnehme ich, dass du unsere Tipps hier gar nicht so ernst >> nimmst... > Und ich entnehme Deiner Aussage das Du meine Posts nicht richtig gelesen > hast oder schlicht und einfach nicht kapierst. Gib mir ein einziges Totschlagargument, was in deinem Fall gegen ein fertiges Adapterboard spricht und ich halt sofort meinen Mund. Ich hol schonmal Popcorn (und wehe, es kommt wieder dieses "ich will ja was dabei lernen"). Trabant 500 schrieb: >> SMD in SOIC-Package ist auch von jedem Anfänger zu löten. > Das ist völliger Blödsinn ! Komplettiere diesen Satz: "Das weiß ich, weil..."
Trabant 500 schrieb: > Das ist eine gute Werbung für > dieses Forum und ich glaub da fühlen sich Anfänger gleich richtig > geborgen hier. Wir müssen keine Werbung an Anfänger richten, die partout keine Hilfe annehmen wollen. Wir haben dir mindestens fünf Lösungswege aufgezeigt, keiner passt dir. Wie also sollen wir dir noch helfen? Trabant 500 schrieb: > Mit Höflichkeit kommt man viel weiter im Leben als mit so einem > niveaulosen Gespamme. Das ist übrigens mein Lieblingssatz. Klar, ich bin ja derjenige, der etwas von dir wissen will. Was habe ich eigentlich gesagt, was du als beleidigend empfindest? Vielleicht haben wir uns ja falsch verstanden? Aber du darfst hier natürlich schon so schroff werden. Wer im Glashaus sitzt, mein Freund.
> ...dafür, dass du keine Ahnung hast, bist du ja mit Verlaub schon ein > ziemlich eingebildeter Futz. Ich bin mit Sicherheit nicht eingebildet, nur weil ich mir solch dumme Anmachen nicht gefallen lasse. Ganz im Gegenteil. Ich bin eigentlich ein netter und freundlicher Mensch, aber auch meine Freundlichkeit hat Grenzen. > Und mal ganz ehrlich, diese blöde, vorgegaukelte "ich will ja was dabei > lernen" geht mir schon seit Jahren auf den Senkel. Das ist Dein Problem, wenn Du mit Menschen nicht klar kommst, die nicht einfach nur irgendwas vorgefertigtes kaufen wollen, sondern auch daran interessiert sind etwas zu lernen und die verstehen wollen wie und warum etwas funktioniert ! > ...achso, da war ja was, du verstehst die Datenblätter ja nicht. Ich weiß nicht wieso Du Dir solchen Mist zusammenspinnst, aber ich habe nie behauptet das ich Datenblätter nicht lese, nicht lesen will oder nicht verstehe ! > - RS232 will ich nicht Wollte ich nicht unbedingt, weil USB nunmal aktueller ist als die serielle oder parallele Schnittstelle. > - FT232RL kann ich nicht einlöten Kann ich schon, aber ich wollte das Projekt ja nicht nur für mich, sondern auch für andere Anfänger so einfach wie möglich halten. Das ich das nicht löten kann, habe ich nie gesagt und ist (wie viele andere Dinge auch) von Dir einfach nur unterstellt worden. > - Adapterboard mag ich aber nicht Richtig, weil ich es eben selber aufbauen will. Und soll ich Dir sagen warum ? WEIL ICH WAS DABEI LERNEN WILL ! > - USB-Buchse mit integrierter Logik ist zu teuer Ich habe nie gesagt, daß mir das zu teuer ist, sondern lediglich das ich 15,- Euro für so ein kleines Teil teuer finde. > - Fertiges Board kann niemand nachbauen (als ob den Schwachfug jemand > nachbauen würde) Was Du damit meinst, entzieht sich meiner Kenntnis. > DANN LASS ES! Lass Du es lieber mir ständig irgendeinen Scheiß zu unterstellen ! > Gib mir ein einziges Totschlagargument, was in deinem Fall gegen ein > fertiges Adapterboard spricht und ich halt sofort meinen Mund. Die Gründe dafür habe ich in diesem Thread schon mehrmals genannt. Wenn Du das immernoch nicht kapiert hast, dann solltest Du Dich mal von einem Neurologen durchchecken lassen, denn das wäre dann nicht mehr normal. Sagte ich eigentlich schon, daß ich dabei was lernen will ? > Komplettiere diesen Satz: "Das weiß ich, weil..." ...ich weiß daß viele Anfänger noch nichtmal mit 'normalem' Löten zurechtkommen. Und auch ich habe einige Anläufe gebraucht, bis ich den Dreh damit raus hatte. Außerdem wissen die meisten Anfänger zum Beispiel nicht, daß man SMD nicht unbedingt mit einem 5-Euro-Standard-Lötkolben löten sollte. > Wir haben dir mindestens fünf Lösungswege aufgezeigt, keiner passt dir. DU (und ausschließlich Du) sagst, daß mir keiner der Lösungswege passt. Ich seh das ganz anders. Und wenn Dir das alles nicht passt, dann hör endlich auf diesen Thread zuzuspammen und kack jemanden anderen an ! Und jetzt genug des Offtopics und zurück zum Thema bitte !
Trabant 500 schrieb: >> ...dafür, dass du keine Ahnung hast, bist du ja mit Verlaub schon ein >> ziemlich eingebildeter Futz. > Ich bin mit Sicherheit nicht eingebildet, nur weil ich mir solch dumme > Anmachen nicht gefallen lasse. Du konntest mir immernoch nicht sagen, was ich denn eigentlich so verwerfliches geschrieben habe. Ich finde, dass ich ziemlich objektiv geblieben bin und jegliche Beleidigung unterlassen habe. Siehst du das anders? Dann tut mir das leid. Das mit dem Futz kam ja erst später, nachdem du meine soziale Kompetenz in Frage gestellt hast. ======================================================================== === Trabant 500 schrieb: >> ...achso, da war ja was, du verstehst die Datenblätter ja nicht. > Ich weiß nicht wieso Du Dir solchen Mist zusammenspinnst, aber ich habe > nie behauptet das ich Datenblätter nicht lese, nicht lesen will oder > nicht verstehe ! Du hast selber geschrieben, dass du eine gewisse Antipathie zu Datenblättern hegst: Trabant 500 schrieb: > Das mache ich eigentlich grundsätzlich. Das Problem dabei ist, daß die > alle in Englisch sind. Ich kann zwar gut Englisch, aber da ich momentan > von Elektronik noch soviel verstehe wie eine Kuh von Quantenphysik, > erschwert mir es das ungemein. Ich muss allerdings zugeben, dass das nicht die feine englische Art war, sich über dein (Nicht-)Können lustig zu machen. ======================================================================== === Trabant 500 schrieb: >> - RS232 will ich nicht > Wollte ich nicht unbedingt, weil USB nunmal aktueller ist als die > serielle oder parallele Schnittstelle. q.e.d. ======================================================================== === Trabant 500 schrieb: >> - USB-Buchse mit integrierter Logik ist zu teuer > Ich habe nie gesagt, daß mir das zu teuer ist, sondern lediglich das ich > 15,- Euro für so ein kleines Teil teuer finde. ??? Kuckuck! Der ganze Satz ist einfach nur Geschwätz. Erstens: Du willst doch jetzt hier nicht auf dem "zu" rumreiten? Mit solchem Spitzfindigkeiten brauchst du jetzt nicht anfangen. Wo soll denn da der praktische Unterschied sein? Es läuft darauf hinaus, dass du eine andere Lösung suchst. Außerdem: Eine präzise Armbanduhr wird auch nicht billiger, wenn man sie noch kleiner baut. ABER, und das finde ich schon äußerst amüsant und sehe mich total bestätigt, man sieht hier mal deutlich, wie inkonsequent du bist. Ein großes Evalboard passt dir nicht, weil du da nichts lernen kannst. Wenn man aber alles unter einer USB-Buchse versteckt, gefällt es dir plötzlich doch. ======================================================================== === Trabant 500 schrieb: >> - Adapterboard mag ich aber nicht > Richtig, weil ich es eben selber aufbauen will. Und soll ich Dir sagen > warum ? WEIL ICH WAS DABEI LERNEN WILL ! Trabant 500 schrieb: >> - Fertiges Board kann niemand nachbauen (als ob den Schwachfug jemand >> nachbauen würde) > Was Du damit meinst, entzieht sich meiner Kenntnis. Hab da was verwechselt, richtig muss es heißen: - Adapterboard kann kein Anfänger nachbauen - Fertiges Adapterboard will ich nicht, da ich was lernen will Übrigens lernt man da nichts anderes als Löten. Ich glaube, dass du immer noch nicht begriffen hast, dass es Platinen gibt, die nichts anderes tun, als die SMD-Beinchen auf Stiftleisten zu führen. Wieso kaufst du dir nicht für dich ein solches Platinchen und einen FT232 und lässt einen Anfänger, der nichts dabei lernen will oder nicht löten kann, ein fertig gelötetes Adapterboard nehmen? Den Rest kannst du dann erledigen, als ob es ein THT-USB-Wandler wäre. Außenbeschaltung etc. ======================================================================== === Trabant 500 schrieb: >> Wir haben dir mindestens fünf Lösungswege aufgezeigt, keiner passt dir. > DU (und ausschließlich Du) sagst, daß mir keiner der Lösungswege passt. > Ich seh das ganz anders. Mal ehrlich, alle anderen haben das hier doch schon aufgegeben. Ich bin der einzige, der glaubt, dass du irgendwann vielleicht doch noch auf den richtigen Trichter kommst, nachdem man dir deinen Aberglauben ausgeredet hat. Welche Lösung bevorzugst du denn nun? ======================================================================== === Hör jetzt endlich auf hier Stunk zu verbreiten. Entweder du willst, dass man dir hilft, dann bleib sachlich und nimm Ratschläge an. Ansonsten kannst du weiter rumjammern, dass ich angeblich so unverschämt zu dir bin. Ich werde nicht mehr darauf reagieren, aber erwarte nicht, dass dir hier noch besonders viele helfen werden.
Achja: Trabant 500 schrieb: >> Gib mir ein einziges Totschlagargument, was in deinem Fall gegen ein >> fertiges Adapterboard spricht [außer "ich will was dabei lernen", bitt >> beim Zitieren nichts Wichtiges auslassen] und ich halt sofort meinen Mund. > Die Gründe dafür habe ich in diesem Thread schon mehrmals genannt. Wenn > Du das immernoch nicht kapiert hast, dann solltest Du Dich mal von einem > Neurologen durchchecken lassen, denn das wäre dann nicht mehr normal. > Sagte ich eigentlich schon, daß ich dabei was lernen will ? Ja, das sagtest du bereits. Und das ist meiner Meinung nach das einzigste Argument, was du gegen ein Adapterboard anzuführen hast. Ich verstehe nur nicht, welcher Lerneffekt dabei ausbleiben soll, wenn man noch eine Platine und Stiftleisten unter dem eigentlichen Bauteil hat. Mir fällt da lediglich ein, dass man kein SMD-Bauteil löten muss, was ja eher ein Vorteil ist, wenn man es nicht machen oder lernen möchte. Die externe Beschaltung und die Software ändern sich dadurch nicht. Wie gesagt, ich glaube, dass du noch nicht verstanden hast, was ein Adapterboard ist. Natürlich kostet ein Adapterboard noch ein bisschen Geld, aber ich habe ja bereits erwähnt, dass Speziallösungen nicht günstiger sein können als Massenware.
Nochmal zum Thema USB-Anschluss: Wie ich bereits mehrfach sagte, wollte ich die Verbindung zwischen PC und Mc (eigentlich) über USB herstellen. Das man eine USB-Buchse nicht einfach so an den Mc dranklemmt und alles ist schön, wusste ich auch vorher schon (Von einem Bootloader mal abgesehen). Allerdings nahm ich an, daß es einen (oder mehrere) IC in DIL-Bauform gibt, die man zwischen USB-Buchse und MC schalten kann und der dann eben die Datenumwandlung automatisch vornimmt. Jedoch konnte ich, trotz ausführlicher Recherche, kein solches Bauteil finden und aus diesem Grund habe ich hier danach gefragt. Wie sich dann herausstellte, gibt es solch einen IC nicht, zumindestens nicht in Nicht-SMD-Form. Diese Tatsache hat mich sehr verwundert, aber ich habe sie trotzdem schon vor vielen, vielen Posts akzeptiert. Wieso Du mir das Gegenteil unterstellst und nun schon ewig darauf herumreitest, ist mir ein absolutes Rätsel. Genauso die Tatsache wieso Du mir stänig vorwirfst das ich mich nicht für eine der Alternativen entscheiden könnte !? Ich sagte bereits, daß ich mich vorerst dazu entschlossen habe, die erste Version meiner Schaltung mit einem MAX232-Baustein aufzubauen, es auszutesten um mir dann die weitere Vorgehensweise zu überlegen. Es wird sicherlich darauf hinauslaufen, daß ich meiner Schaltung dann, zusätzlich zur seriellen Anbindung, auch noch einen USB-Anschluss spendieren werde. Aber eben nicht gleich, sondern Schritt für Schritt. Das heißt also NICHT!, daß ich eine der USB-Alternativen schon jetzt komplett ausgeschlossen habe ! Was Du daran nicht verstehst, bzw. wieso Du mir ständig irgendwelche Dinge unterstellst, kann ich absolut nicht nachvollziehen. Aus diesem Grund werde ich auch nicht mehr weiter auf Deine anderen Unterstellungen eingehen, weil sie einfach völlig haltlos sind und ich mit oben geschriebenen, meiner Meinung nach, alles gesagt habe.
Bitte melde dich an um einen Beitrag zu schreiben. Anmeldung ist kostenlos und dauert nur eine Minute.
Bestehender Account
Schon ein Account bei Google/GoogleMail? Keine Anmeldung erforderlich!
Mit Google-Account einloggen
Mit Google-Account einloggen
Noch kein Account? Hier anmelden.






