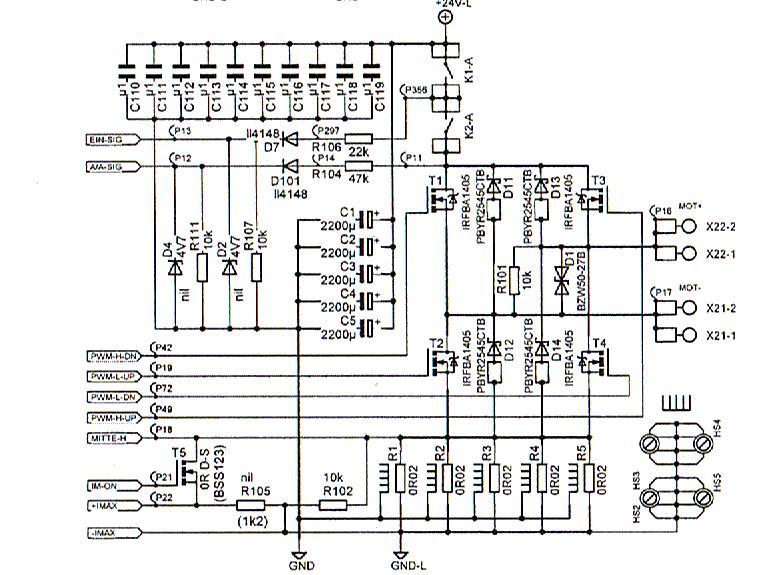
Hallo, kann mir einer sagen was das für eine Diode ist ? Ich habe mir mal das Datenblatt gegoogelt, aber das Symbol für die Diode ist ein anderes wie auf der Schaltung die ich habe. Wenn ich es richtig verstanden habe, dürfte das eine Art Supressordiode sein. Aber so richtig ist mir die Funktion unklar. Kennt sich da einer aus ? Grüße Micha
Micha100 schrieb: > Hallo, kann mir einer sagen was das für eine Diode ist ? Google kaputt? http://www.digchip.com/datasheets/parts/datasheet/364/PBYR2545CT.php Wenn du die nicht findest nimmst du eine MBR2545: http://www.conrad.de/ce/de/product/163703/SCHOTTKY-DIODE-MBR2545CT-1-TO-262
Danke Lothar, doch ich habe gegoogelt. Aber bin daraus nicht schlau geworden. Das Schaltzeichen auf vorhandenen Schaltung ist ein ganz anderes wie im Datenblatt ? Kannst du mir vlt. erklären was die Diode macht ? Ist das eine Art Z-Diode ? Micha
Supressordioden haben die Eigenschaft sehr schnell zu sein. Werden oft benutzt um Schaltungen vor Überspannungen zu schützen. In der Regel können die auch die kurzzeitig relativ viel abfangen. Bei Reichelt gibts welche die schaffen für eine kurze zeit 1500W (wenn ich mich recht erinnere). Bei den Diode ist eine Spannungsangabe angegeben, diese gibt an ab wann diese leitend wird.In der Schaltung wird diese wohl die Funktion einer "Freilaufdiode" haben.
Micha100 schrieb: > Das Schaltzeichen auf vorhandenen Schaltung ist ein ganz anderes wie im > Datenblatt ? Ganz anders? Naja, ganz anders sieht für mich z.B. ein Widerstand oder ein Kondensator aus. Allerddings ist das das Symbol im Schaltplan eigentlich falsch, denn die beiden Anoden sind im Package nicht miteinander verbunden... BTW: Dieses eckige S im Diodensymbol kommt von Walter Schottky. > Wenn ich es richtig verstanden habe, > dürfte das eine Art Supressordiode sein. Nein, das hast du falsch verstanden. Das ist (wie schon erwähnt) eine Freilaufdiode. > Kannst du mir vlt. erklären was die Diode macht ? Sie leitet in eine Richtung und in die Andere leitet sie nicht... Oder wie war die Frage gemeint? > Ist das eine Art Z-Diode ? Nein. Es ist eine Schottky-Diode. Wikipedia kann dir da mehr dazu sagen... Die ebenfalls in deinem Plan eingezeichnete BZW50-27B ist allerdings eine antiserielle Z-Diode. > macht ? > Diode ? Bitte nicht Plenken...
Bitte melde dich an um einen Beitrag zu schreiben. Anmeldung ist kostenlos und dauert nur eine Minute.
Bestehender Account
Schon ein Account bei Google/GoogleMail? Keine Anmeldung erforderlich!
Mit Google-Account einloggen
Mit Google-Account einloggen
Noch kein Account? Hier anmelden.
