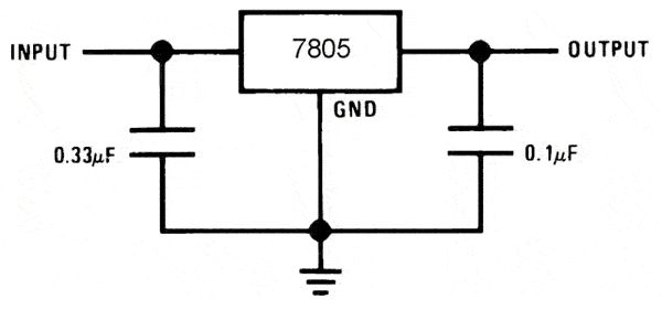
hallo...ein frage... gibt es ein Berechnungssystem der größe für die Kondensatoren bei einem Festspannungsregler.? zum beispiel 7805 oder 7812 mein gedanke ist hauptsächlich, ob man die Eingangsspannung mit beachten muss... danke. mfg: JO
Die Werte stehen doch dran? Natürlich müssen die Kondensatoren die nötige Spannungsfestigkeit haben :-)
ja ich weiß, jedoch steht keine einganssp. da. also gibt es da kein richtiges system oder.?
Die Werte die der Hersteller empfiehlt sind geeignet für den jeweiligen Spannungsregler, und zwar über den ganzen Spannungsbereich für den der Regler ausgelegt ist.
Johannes Adler schrieb: > hallo...ein frage... > > gibt es ein Berechnungssystem der größe für die Kondensatoren bei einem > Festspannungsregler.? zum beispiel 7805 oder 7812 > > mein gedanke ist hauptsächlich, ob man die Eingangsspannung mit beachten > muss... > im Datenblatt steht der Eingangs/Ausgangsspunnungsbereich des Reglers. Damit hast Du schon mal die Spannungs-Eckdaten. Wenn Deine Eingangsspannung deutlich unter dem Maximalwert des Datenblattes liegt, hast du die Daten für die Feinplanung des linken Kondensators. Weil Du den Kram nicht ständig reparieren willst, wählst Du die Spannungswerte 20% höher und hast dadurch die nötige Reserve. Damit bist du fertig.
Bitte melde dich an um einen Beitrag zu schreiben. Anmeldung ist kostenlos und dauert nur eine Minute.
Bestehender Account
Schon ein Account bei Google/GoogleMail? Keine Anmeldung erforderlich!
Mit Google-Account einloggen
Mit Google-Account einloggen
Noch kein Account? Hier anmelden.
