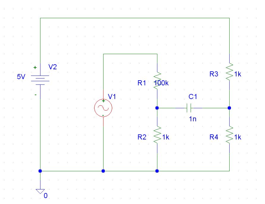
Hallo zusammen, um einen Testaufbau zu prüfen muss auf ein DC-Signal (erzeugt durch Poti) eine definierte AC-Störung kleiner Frequenz und Amplitude gegeben werden. Funktionsgenerator steht nicht zur Verfügung und ich möchte keinen Oszillator jetzt aufbauen. Man kann ja (mit Vorsicht!!!) die Netzfrequenz dazu missbrauchen. Hab mir jetzt eine Testschaltung überlegt und mit PSpice simuliert (Anhang). In Simulation scheints zu gehen. Gibt es eurerseits Bedenken oder kann ich es so aufbauen? Danke!
noips schrieb: > Gibt es eurerseits Bedenken oder kann ich es so aufbauen? Wenn das Ding nicht berührbar ist, dein 100k Widerstand die benötigte Spannungsfestigkeit hat, dir Netzstörungen egal sind...
noips schrieb: > Man kann ja (mit Vorsicht!!!) die > > Netzfrequenz dazu missbrauchen. Die Netzfrequenz ist nicht das was Vorsicht erfodert. Die NETZSPANNUNG bzw. deren Höhe ist es. Die Abhilfe (z.B. Trafo) wurde ja bereits genannt.
Doch, ich habe doch ein Steckernetzteil mit 9V~ am Ausgang. Danke für den Denkanstoss!!!!!
Bitte melde dich an um einen Beitrag zu schreiben. Anmeldung ist kostenlos und dauert nur eine Minute.
Bestehender Account
Schon ein Account bei Google/GoogleMail? Keine Anmeldung erforderlich!
Mit Google-Account einloggen
Mit Google-Account einloggen
Noch kein Account? Hier anmelden.

