Hallo, ich habe im zweiten Band von Elektronik gar nicht schwer mal eine Strombegrenzung mittels Transistor gesehen. Leider habe ich das Buch nicht (hatte es mir ausgeliehen) und kann die Schaltung nicht nachschlagen. Aus dem Kopf heraus habe ich die Schaltung im Anhang gebastelt. Die Idee: sobald mehr als 200mA durch den Widerstand fließen fallen über diesen 0.7 Volt ab und der Transistor schaltet durch, wodurch der Strom nicht mehr durch den Widerstand fließt und daher der Transistor wieder sperrt, usw. usf. Aber es funktioniert nicht, weder bei meinem Steckbrettaufbau noch bei meiner Simulation mit Spice. Was ist daran falsch? Viele Grüße Thilo
Bei Deiner Schaltung wird bei 0,7V UBE der Transistor leitend und der Strom fließt halt durch den Transistor statt durch den widerstand. Das wird so nichts. mfG Michael
Thilo G. schrieb: > Aus dem Kopf heraus habe ich die Schaltung im Anhang gebastelt. Die > Idee: sobald mehr als 200mA durch den Widerstand fließen fallen über > diesen 0.7 Volt ab und der Transistor schaltet durch, wodurch der Strom > nicht mehr durch den Widerstand fließt und daher der Transistor wieder > sperrt, usw. usf. > > Aber es funktioniert nicht, Was ist daran falsch? Der Kurzschluss zwischen Basis und Kollektor. Passende Schaltungen findest Du u.a. hier im Mikrocontroller.net unter Konstantstromquelle. Das Problem bei solchen Schaltungen ist, das oft eine nicht unerhebliche Verlustleistung abgeführt werden muss. Gruss Harald
....was meinst du,welches potenzial an der basis des transistors gewinnt,das positive ohne widerstand,oder das negative mit widerstand??? warscheinlich wird der transistor einfach immer voll durchgesteuert bleiben..... die schaltung von heinz zeigt es,wenn du statt eines transistors einen lm317 nimmst,hast du auch noch eine temperaturkompensation und sehr präzise konstantstromquelle ;-)
Also ich habe mir die Schaltung vom Link ausführlich angeschaut und die macht ja auch Sinn, aber die Variante von Elektronik gar nicht schwer hat den Strom in der positiven Leitung gemessen und nicht im rückführenden Strom. Hat niemand von euch den zweiten Band und kann bei den Netzteilkapiteln kurz nachschauen? Mich würde es schon interessieren wie es dort gelöst wurde. Wäre echt spitze! Grüße Thilo
@Heinz wie gewünscht: Stromshunt zwischen Emitter des Längstransistor und Pluspol Spannungsquelle (spart Denkarbeit) GroberKlotz
Graobe schrieb: > @Heinz Sorry Heinz ;-) habe mich wohl bei der Antwort selbst überholt. Gemeint war natürlich "@Thilo G. (thilo11)" mfg GroberKlotz
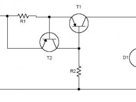
Thilo G. schrieb: >... aber die Variante von Elektronik gar nicht schwer > hat den Strom in der positiven Leitung gemessen und nicht im > rückführenden Strom. > ...Grüße Thilo ...leider funktioniert die gewünschte Strombegrenzung nur mit zwei Transistoren, oder ersatzweise für den zweiten Transistor eine entsprechende Diode. Das wäre die Minimalbeschaltung....vielleicht hast Du es ja mit dem "zweckentfremdeten" Spannungsregler als Konstantstromquelle verwechselt? Dort kommst Du mit zwei Bauteilen aus..... -------- in | | out -------- VCC o------------| LM 317 |------| R1 |---o--------o | | -------- | -------- | ref | | | | ----------------------- GND o--------------------------------------------------o
Hallo, danke für die vielen Vorschläge :-) Ich habe Gestern Abend auch noch ein wenig experimentiert und man kann die Variante aus dem Link auch in den positiven Zweig integrieren. Schätze mal dann war das schon so mit den Dioden und ich hatte mich nur noch an Transistor und Messwiderstand erinnert. Die Regelung über LM317 kenne ich, aber wollte es Gestern einfach halten...naja wie viel einfacher es mit Transistor ist haben wir ja jetzt gesehen ;-) Die Lösung mit den zwei Transistoren muss ich mir mal genauer anschauen, so ganz verstehe ich die auf anhieb nicht. Grüße Thilo
deinemuddi schrieb: > Transistor hört sich an wie Transsexuell Da verstehst Du was falsch... Transistor kommt von Transfer und Resistor...
deinemuddi schrieb: > Transistor hört sich an wie Transsexuell "Trans" heisst so was ähnliches wie "zwischen", und das passt zu beiden Begriffen (und sicherlich auch zu hundert weiteren Wörtern). :-) Gruss Harald
Graobe schrieb: > @Heinz > > wie gewünscht: Stromshunt zwischen Emitter des Längstransistor und > Pluspol Spannungsquelle (spart Denkarbeit) > > GroberKlotz Hallo Leute! Kann mirr jemand sagen, wie in dieser Schaltung der R2 dimensioniert wird?
moin das is das einfachste das mir einfällt um den strom durch die last (R16) konstant zu halten und zu begrenzen... an der z-diode fallen 4.7V ab... U_BE des Transistors sind etwa 0.7V (Datenblatt schauen) bleiben 4V für den R15 Der Strom durch die Last ist (abgesehen von IB) gleich dem Strom Ic durch R15 und beträgt 4V/R15 in dem Bild 4V/1k = 4mA Das gilt für jede Last bis zu einer bestimmten Grenze: R_max= (U_b-U_r15)/Ic -> (10V-4V)/4mA = 6k
Beitrag #4966701 wurde von einem Moderator gelöscht.
olaf schrieb: > ...leider funktioniert die gewünschte Strombegrenzung nur mit zwei > Transistoren, oder ersatzweise für den zweiten Transistor eine > entsprechende Diode. Wie würde die entsprechende Schaltung dann aussehen ?
interrupt schrieb: > Wie würde die entsprechende Schaltung dann aussehen ? Schau Dir zuerst diese Grundlagen an: https://www.mikrocontroller.net/articles/Konstantstromquelle und eröffne dann einen neuen Thread.
interrupt schrieb: > Wie würde die entsprechende Schaltung dann aussehen ? Der Widerstand R1 hängt vom max. gewünschten Strom ab.
Beitrag #5759775 wurde von einem Moderator gelöscht.
Beitrag #5759795 wurde von einem Moderator gelöscht.
Beitrag #5760673 wurde von einem Moderator gelöscht.
Bitte melde dich an um einen Beitrag zu schreiben. Anmeldung ist kostenlos und dauert nur eine Minute.
Bestehender Account
Schon ein Account bei Google/GoogleMail? Keine Anmeldung erforderlich!
Mit Google-Account einloggen
Mit Google-Account einloggen
Noch kein Account? Hier anmelden.




