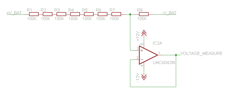
Hallo, ich hab mal eine Frage bezüglich der Schaltung im Anhang. Ich möchte eine Batteriespannung von 36V mit einem µC messen. Dafür benutze ich einen Ohmschen Teiler der das Übersetzungsverhältnis 0,125 besitzt (Annahme maximal 40V Batteriespannung) Also, da ich einen recht hochohmigen Teiler angedacht hab, dachte ich, dass es vielleicht Schwierigkeiten mit dem µC-Eingang geben könnte. Kann ich das Problem so umgehen (wie im Anhang). Durch den Impedanzwandler, sollte doch mein Signal nahe am zu messenden Signal bleiben, oder irre ich mich in dem Punkt? Die Versorgung vom OP mit +12V/-12V ist kein Problem, da diese Spannung schon für einen LEM-Wandler vorhanden sind. Der µC ist ein AT90CAN128. Freu mich auf eure Antworten. Schöne Grüße Kai
Danke für deine schnelle Antwort. Werd ich dann so aufbauen. Ich hab grad mist gemacht. Hoffe ein Admin kann den einen Thread löschen.
Wenn der Teiler nicht unbedingt so hochohmig sein muss, dann würde ich alle Widerstände auf 10kΩ reduzieren. Das passt dann ganz gut zum ADC-Eingang und der OPV kann entfallen. Eine Schottkydiode nach von ADC-Pin zu VCC und ein RC vor den ADC-Pin (1kΩ, 10nF) dürften das Ganze auch störsicher genug machen. mfg mf
Also ein Eingangsschutz ist am ADC-Eingang schon dran. Zwei Schottky Dioden, eine zu Vcc, die andere zu GND. Davor ein 1k Widerstand. Dann hätte man bei 80kOhm & 36V einen Strom von 0,45mA. -> P=16,2mW Ist ja auch noch tolerierbar. 10kOhm Präzisionswiderstände hab ich auch noch.
Kann mir vielleicht noch jemand sagen, unter welchen Namen/Bezeichnung finde ich im Datenblatt die Angaben zum Eingangswiderstand vom ADC? Auf Seite 366 des AT90CAN128 hab ich schon mal geschaut, aber was Datenblätter angeht, steh ich noch böse in den Kinderschuhen.
Seite 281 verrät folgendes: > The ADC is optimized for analog signals with an output impedance > of approximately 10 kΩ or less. If such a source is used, the > sampling time will be negligible. If a source with higher imped- > ance is used, the sampling time will depend on how long time the > source needs to charge the S/H capacitor, with can vary widely. > The user is recommended to only use low impedant sources with > slowly varying signals, since this minimizes the required charge > transfer to the S/H capacitor. Die Impedanz(sic) muss kleiner als 10kΩ sein. Wenn die Batteriespannung eh nicht so schnell schwankt oder du das eh nicht erfassen willst, dann nimm doch deinen 100kΩ-Teiler und Schalte noch 100nF parallel zum ADC-Pin. der 1kΩ macht das Kraut dann auch nicht fett. mfg mf PS: R = 700kΩ || 100kΩ = 87,5kΩ C = 100nF tau = R * C = 8,75ms Ladezeit = ca. 5*tau = ca. 45ms
Danke für die Info ausm Datenblatt. Also ich sag mal so, ich kann ja ruhig den Teiler aus 10kOhm Widerständen aufbauen. Dann hab ich ja keine Probleme mehr. Der Kondensator würde in der 100kOhm Teiler Variante ja nur als ein Puffer fungieren um den sogenannten S/H capacitor von 10pF (s.369) zu laden, oder? Die 45ms sind dann ja nur im ersten Moment merkbar. Im weiteren Verlauf wird der ADC Kanal im 5ms Rythmus abgerufen, das sollte dann ja kein Problem mehr darstellen.
Ich bau die Varianten morgen mal aufm Steckbrett auf und teste es mal ordentlich ;-) Danke euch allen.
Kai Krestegal schrieb: > Der Kondensator würde in der 100kOhm Teiler Variante ja nur als ein > Puffer fungieren um den sogenannten S/H capacitor von 10pF (s.369) zu > laden, oder? Genau. Deswegen schreiben die ja auch "Impedanz". Kai Krestegal schrieb: > Die 45ms sind dann ja nur im ersten Moment merkbar. Im weiteren Verlauf > wird der ADC Kanal im 5ms Rythmus abgerufen, das sollte dann ja kein > Problem mehr darstellen. Bei 8x 10kΩ-Widerständen wären es mit 100nF übrigens ca. 4,5ms. mfg mf
Ja um ein zehntel kleiner. Die Beschreibung war von mir für die 100kOhm (8*100k) gedacht. Bei der 10kOhm Variante brauch ich den Kondensator eigentlich gar nicht mehr.
Bitte melde dich an um einen Beitrag zu schreiben. Anmeldung ist kostenlos und dauert nur eine Minute.
Bestehender Account
Schon ein Account bei Google/GoogleMail? Keine Anmeldung erforderlich!
Mit Google-Account einloggen
Mit Google-Account einloggen
Noch kein Account? Hier anmelden.
