Hallo Zusammen, ich wollte mal kurz wissen ob eine Kombination aus 78xx und 79xx wie in dem link nur gegen masse oder auch gegeneinander belastbar ist, sprich bei 7805/7905 kombi ob man die resultierenden 10V auch mit voller leistung belasten kann ... http://henningbusch.de/joomla/images/stories/schaltbilder/7805-7905pT.png MFG
Kann man, aber bei Überlastung (schon das Aufladen von Elkos kann eine Überlastung sein) bricht einer zuerst mit der Spannung ei, und bricht dabei auf unter 0V ein was ihn zerstört. Daher noch ja einen 1N4001 Diode in Sperrichtung an jeden Ausgang nach Masse, dann kann er nicht weniger als 0.7V in Gegenrichtung haben.
Gerade wenn man viele OPV an die Regler anschließt, kann es zu Startproblemen kommen ohne die Dioden! Ingo
Okay dankeschön, also Diode mit einplanen und los gehts, besten dank MFG
>Gerade wenn man viele OPV an die Regler anschließt, kann es zu >Startproblemen kommen ohne die Dioden! Genau. Die 78/79xx neigen zum Latch-up. Deswegen in einer solchen Anwendung niemals die Latch-up-Schutzdioden vergessen. >ich wollte mal kurz wissen ob eine Kombination aus 78xx und 79xx wie in >dem link nur gegen masse oder auch gegeneinander belastbar ist, sprich >bei 7805/7905 kombi ob man die resultierenden 10V auch mit voller >leistung belasten kann ... Die 220µF Elkos hinter dem Gleichrichter sind recht klein. Was für Ströme möchtest du denn ziehen?
> Die 78/79xx neigen zum Latch-up.
Dafür hast du bestimmt ein Beispiel.
Ein einziges reicht schon.
Oder hast du bloss das Blaue vom Himmel runterphantasiert ?
MaWin schrieb: > Oder hast du bloss das Blaue vom Himmel runterphantasiert ? Er hat vielleicht bloss das Datasheet der L7900 von ST gelesen. Da steht zu ebendiesen Dioden eines ebensolchen +/- Netzteils mit 7815/7915: "(*) Against potential latch-up problems."
Ich muss mal ein wenig rechnen, aber würde gerne an die 2 A aus nem 7824 und nem 7918 entnehmen ...also 2 A auf 42V MFG
Gut, das bezieht sich nur auf diese Verschaltung, die "latcht" dann (wegen fold back Kennlinie der Strombegrenzung). Im Normalbetrieb (z.B. positiver Regler, es gibt keine negative Spannung) gibt es das Problem nie.
2A wirste wohl nicht packen bzw extreme Verlustleistung haben die schwer zu kühlen sind. Dann nimm lieber einen Schaltregler oder nimm einen Leistungstransistor parallel zum 78xx, damit dieser einen Teil des Stromes trägt und die Leistung besser verteilt werden kann. Ingo
MaWin schrieb: > Im Normalbetrieb (z.B. positiver Regler, es gibt keine negative > Spannung) gibt es das Problem nie. Richtig
In der AN-103 von NS (LM340/320 entspricht 7800/7900) wird das etwas genauer ausgeführt, wobei dort im positiven Zweig sogar eine Germaniumdiode empfohlen wird. Ist demzufolge kein Latch-up im CMOS Sinn, aber es kann andernfalls vorkommen, dass die Schaltung in bestimmten Fällen nicht startet.
>Dafür hast du bestimmt ein Beispiel. Ja. >Im Normalbetrieb (z.B. positiver Regler, es gibt keine negative >Spannung)... Natürlich gibt es die: Wir hatten eine Anwendung, bei der OPamps mit +/-15V versorgt werden mußten und eine Schaltung, die zusätzlich nur vom positiven Regler Strom gezogen hat. Beim Ausschalten des Netzteils ist dann etwas Unangenehmes passiert: Da der positiven Versorgung mehr Strom abverlangt wurde, lief dessen Ausgangsspannung ins Negative, weil die negative Versorung noch -10V ausgegeben hat und die OPamps weiter munter Strom zogen. Der positive Festspannungsregler hat die Ausgangsspannung selbst intern gegen rund -0,8V geklemmt. Aber mit dem unangenehmen Effekt, daß beim anschließenden Wiederanschalten des Netzteils die Ausgangsspannung auf -0,8V bleib, weil eben Latch-up eintrat. >In der AN-103 von NS (LM340/320 entspricht 7800/7900) wird das etwas >genauer ausgeführt, wobei dort im positiven Zweig sogar eine >Germniumdiode empfohlen wird. Weil das intern geklemmte -0,8V doch recht klein ist, nehmen wir eine Schottkydiode zum Latch-up-Schutz.
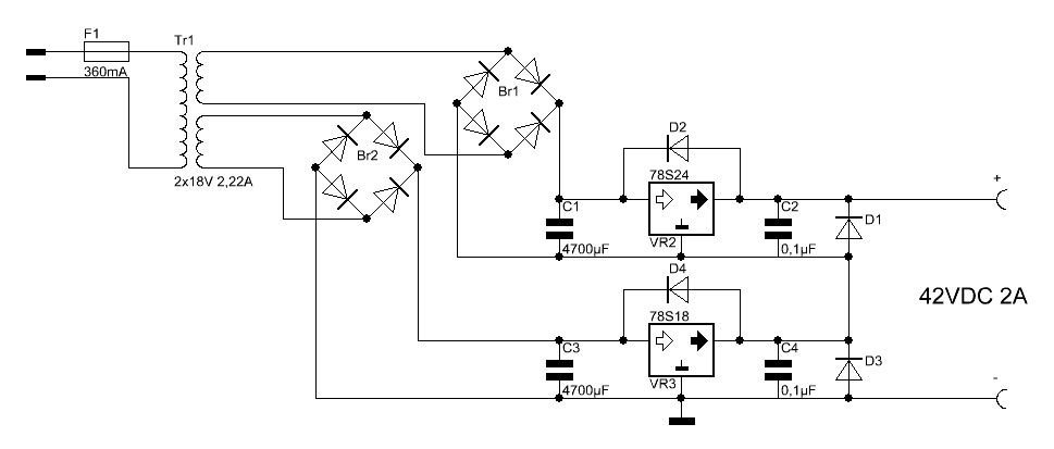
hab nochmal ein wenig geschaut, gibt ja auch die 2A Veriante der 78er reihe, dann würde das ganze wie folgt aussehen, gibts da irgendwelche Einwände ?
Einen 24V-Regler kannst du nicht aus 18V~ betreiben. Erstens reicht da schon allein die Spannung nicht, zweitens ist die Leistungsbilanz absurd: 18V/2,2A=40W rein, 24V/2A=48W raus.
A. K. schrieb: > Erstens reicht da > schon allein die Spannung nicht, zweitens ist die Leistungsbilanz > absurd: 18V/2,2A=40W rein, 24V/2A=48W raus. Erstens richtig, zweitens nicht ganz richtig denn 18V AC sind etwa 25.5 V DC ;-) Die Eingangsspannung reicht für einen L7824 dann aber immer noch nicht, der braucht mindestens 27V DC um richtig regeln zu können mein ich, Datenblatt weiß mehr. Und ganz nebenbei kann so ein L78xx auch nicht standardmäßig 2A tragen.
Kann man die 78xx eigentlich kaskadieren? Also mit einem 78(L)18 stabilisierte 18V erzeugen, die man wieder als GND für einen 78(S)24 nimmt, um insgesamt 42V zu erzeugen? Mit Z-Dioden am GND-Anschluss wird das ja gemacht, aber dann hängt die Genauigkeit eben stark von der Z-Spannung ab. Abgesehen davon, dass man prüfen muss, ob man den zulässigen Eingangsspannungsbereich nicht überschreitet.
Michael Köhler schrieb: > Erstens richtig, zweitens nicht ganz richtig denn 18V AC sind etwa 25.5 > V DC ;-) Aber nur unbelastet. Wie groß willst Du die Siebelkos machen, dass der Ripple bei 2A immer über den 24V liegt? Das würde selbst mit LDO nicht gehen.
Michael Köhler schrieb: > Erstens richtig, zweitens nicht ganz richtig denn 18V AC sind etwa 25.5 > V DC ;-) Aber nicht 25.5 V effektiv. Es kommt also ganz entscheidend drauf an, wie klein dein Strom und wie groß dein Lade-C ist. Falls die 18 VAC echte 18 VAC effektiv sind, wird es trotzdem nicht funktionieren, weil du am Gleichrichter einen Spannungsabfall hast, die Spannung über dem C eine Restwelligkeit hat und der 7824 auch noch eine Oberspannung zum Regeln braucht.
Timm Thaler schrieb: > Aber nur unbelastet. Wie groß willst Du die Siebelkos machen, dass der > Ripple bei 2A immer über den 24V liegt? Das von mir war nur auf die Leistung bezogen da mit 18V~ gerechnet wurde. Dass die Auslegung dennoch nicht ganz passt hab ich ja auch geschrieben. Mal ganz nebenbei ist auch die Frage ob wirklich die 2.2A des Trafos gebraucht werden oder obs nur 1 A sind und 2 A die Ausnahme. Dann kommt man vielleicht doch auf genügend Spannung da Trafodaten ja immer Nenndaten sind, hier also bei 2.2A hat man 18V~. Bei 1A könnens aber auch locker über 20V~ sein. Kommt halt auf den genauen Trafo an aber das sind Daten, die wissen wir nicht sondern nur der TE. Auf der anderen Seite, wer ist schon so klug und belastet einen Trafo bis an seine Nenndaten? Deshalb würde ich dem TE zumindest raten, einen Trafo zu nehmen, der mehr Strom kann. Michael schrieb: > und der 7824 auch noch eine Oberspannung zum > Regeln braucht. Ja, sowas in der Art hab ich ja angedeutet oben ;)
Gibt bei Pollin grad günstig Ringkern-Trafos 2 x 22V, 80W oder so, die müssten reichen.
Timm Thaler schrieb: > Gibt bei Pollin grad günstig Ringkern-Trafos 2 x 22V, 80W oder so, die > müssten reichen. Sind 2*30V~, die erzeugen zuviel Spannung für den 7818 & 7824 (über 40V bei Nennbelastung, bei Leerlauf ist es noch wesentlich mehr) 2*18V~ hat der TE ja zur Zeit ;)
Achso, der 22V-Trafo hat nur eine Sekundärwicklung, geht dann nicht. Es gibt aber Schaltungen, wie man die 78xxer für höhere Eingangsspannungen ertüchtigt. Wobei die Frage wäre: Wenn ich einen 7805 nehme und mit einer 39V-ZDiode an GND die Spannung anhebe, am Ausgang noch eine Schutzdiode gegen negative Spannung gegen das GND des 7805, dann sieht der doch nur die Eingangsspannung minus die 39V der ZD. Damit kann ich den problemlos an höherer Eingangsspannung betreiben, oder?
Timm Thaler schrieb: > Damit kann ich den problemlos an > höherer Eingangsspannung betreiben, oder? Ja kann man, wichtig ist die Spannungsdifferenz zwischen den Pins In und ADJ, die darf halt beim 7805 z.B. nicht mehr als 35V sein. Timm Thaler schrieb: > Es gibt aber Schaltungen, wie man die 78xxer für höhere > Eingangsspannungen ertüchtigt. Klar gibt es die aber vielleicht warten wir erstmal bis der TE sich nochmal meldet. Vielleicht nutzt er unsere Anregungen, vielleicht nimmt er auch was anderes und hat den Plan hier über Bord geworfen.
> wichtig ist die Spannungsdifferenz zwischen den Pins In > und ADJ, die darf halt beim 7805 z.B. nicht mehr als 35V sein. Der 7805 hat keinen Pin namens ADJ, und das ist gut so weil er dazu auch kaum verwendbar ist. Ausserdem sind Elkos am Ausgang immer erst mal entladen.
MaWin schrieb: > Der 7805 hat keinen Pin namens ADJ, > > und das ist gut so weil er dazu auch kaum verwendbar ist. Dann heißt er halt GND oder sonstwie, wenn ich 13V brauch und nen 7805 hab tut der Pin genau das, was ich will. Denk doch mal für 5 Cent nach...ach ne, ist ja MaWin, der kann ja nur meckern. Jeder, der seinen Grips verwendet, weiß was ich mein.
Michael Köhler schrieb: > MaWin schrieb: >> Der 7805 hat keinen Pin namens ADJ, >> >> und das ist gut so weil er dazu auch kaum verwendbar ist. > > Dann heißt er halt GND oder sonstwie, wenn ich 13V brauch und nen 7805 > hab tut der Pin genau das, was ich will. Denk doch mal für 5 Cent > nach...ach ne, ist ja MaWin, der kann ja nur meckern. Jeder, der seinen > Grips verwendet, weiß was ich mein. Wenn man 13V braucht, nimmt man einen LM317. Da kommen bei richtiger Dimensionierung dann auch 13V raus und nicht irgendetwas zwischen 12 und 14V wie bei Deiner Schwurbelschaltung. Gruss Harald
Hi Danke für eure Hilfe, @ sylaina: über den haufen geworfen hab ich noch nichts, ich hab mich beim Trafo, Leistung/Spannung wohl verhauen, das sehe ich nun auch .... keine ahnung was ich da gerechnet hab .... aber generell hab ich zwar andere möglichkeiten für 42VDC Festspannung hier vorgeschlagen bekommen (Z-Diode im GND eine 78xx) aber für falsch oder nicht funktional hat keiner meine lösung gehalten, daher denke ich ich passe den Trafo an und los gehts
Harald Wilhelms schrieb: > Wenn man 13V braucht, nimmt man einen LM317. Da kommen bei richtiger > Dimensionierung dann auch 13V raus und nicht irgendetwas zwischen > 12 und 14V wie bei Deiner Schwurbelschaltung. Im Anhang mal Seite 18 aus dem Datenblatt zum L7805 von ST...das sind die gleichen Schaltungen wie beim LM317, insbesonder Figure 19 wird mehr als häufig benutzt...keine weiteren Fragen, euer Ehren Wir haben Montag, vielleicht benutzt nun doch der ein und andere seinen Grips bevor er mal was schreibt statt nur, offenbar unwissend, zu meckern. Fr3gg3L schrieb: > keine ahnung was ich da gerechnet hab Ich schätz mal, du hast mit der Leerlaufspannung des Trafos gerechnet, möglicherweise hast du ihn vorher mal im Leerlauf gemessen und mit diesem Wert gerechnet ;) Fr3gg3L schrieb: > daher denke ich ich passe den Trafo an und > los gehts Wie ich schon schrieb, achte auch auf den Leerlauf. Trafodaten sind immer bei Nennbelastung, im Leerlauf ist seine Spannung höher. Und beachte auch, dass z.B. unser 230V Netz um, ich glaub, 10% schwanken darf...nach oben wie nach unten. ;)
*Zitat--- Wie ich schon schrieb, achte auch auf den Leerlauf. Trafodaten sind immer bei Nennbelastung, im Leerlauf ist seine Spannung höher. Und beachte auch, dass z.B. unser 230V Netz um, ich glaub, 10% schwanken darf...nach oben wie nach unten. ;) *ende--- wie gesagt beim Trafo hab ich mich verhauen werde eine alternative suchen/best. müssen, denke 2*24VAC mit 100-120VA sollte passen. steinigt mich wenn ich mich wieder versehen hab :) aber nun war ich fit beim rechnen ;) Die Schaltung werde ich ansonsten wie anfangs beschrieben umsetzten, es sei denn es kommt nun noch ein großes veto... Danke für eure unterstützung
>Im Anhang mal Seite 18 aus dem Datenblatt zum L7805 von ST...das sind >die gleichen Schaltungen wie beim LM317, insbesonder Figure 19 wird mehr >als häufig benutzt.. Diese Schaltungen sind Krücken. Daß sie irgendwie funktionieren, heißt ja nicht, daß sie auch gut sind. Und warum sollte man auch einen 7805 einsetzen, wenn der 317 genau dafür gebaut wurde??
Krücki schrieb: >>Im Anhang mal Seite 18 aus dem Datenblatt zum L7805 von ST...das sind >>die gleichen Schaltungen wie beim LM317, insbesonder Figure 19 wird mehr >>als häufig benutzt.. > > Diese Schaltungen sind Krücken. Daß sie irgendwie funktionieren, heißt > ja nicht, daß sie auch gut sind. Und warum sollte man auch einen 7805 > einsetzen, wenn der 317 genau dafür gebaut wurde?? Ich nehme den LM317 auch in Anwendungen, wo es auch ein 7805 oder 7812 tun würde. Er hat einfach das modernere Design. Gruss Harald
Krücki schrieb: > Diese Schaltungen sind Krücken. Es sind die Gleichen wie beim LM317, liegt wahrscheinlich daran, dass der LM317 im Prinzip nix anderes ist als ein L78xx nur mit ner anderen "Ausgangsspannung"...von daher die Gegenfrage zu: Krücki schrieb: > Und warum sollte man auch einen 7805 > einsetzen, wenn der 317 genau dafür gebaut wurde?? Warum sollte man einen LM317 kaufen wenn man einen L7805 in der Schublade liegen hat und man mit beidem zum selben Ergebnis kommt? Wenn man den Regler erst kaufen muss empfiehlt sich ein LM317. Grund hierfür: Er ist idR preiswerter als ein L7805 (vgl. z.B. Reichelt: LM317 TO220: 25 Cent, 7805 TO220: 29 Cent). Harald Wilhelms schrieb: > Ich nehme den LM317 auch in Anwendungen, wo es auch ein 7805 > oder 7812 tun würde. Er hat einfach das modernere Design. Auch das ist ein Argument, das durchaus nachvollziehbar ist. Anders als so Aussagen, die Schaltung sei beim einem Regler Mist und beim anderen völlig OK. Fr3gg3L schrieb: > denke 2*24VAC mit 100-120VA sollte passen. steinigt > mich wenn ich mich wieder versehen hab :) aber nun war ich fit beim > rechnen ;) Steinigen werde ich dich nicht aber nur eine Anmerkung zu 24V AC: Nehmen wir an, dein Trafo hat eine Nennspannung auf der Eingangsseite von 230V AC. Wie groß ist bei zulässiger Netzschwankung die größte zu erwartende Spannung auf der Sekundärseite? Und dabei wurde noch keine Leerlaufspannung angenommen sondern der Trafo sei nennbelastet. ;)
>Warum sollte man einen LM317 kaufen wenn man einen L7805 in der >Schublade liegen hat und man mit beidem zum selben Ergebnis kommt? Naja, wenn der Ruhestrom des LM78XX bis zu 8,5mA betragen kann und im Spannungsteiler der 5-fache Strom fließen soll, dann steigt die Ruhestromaufnahme der Reglerschaltung auf bis zu 43mA. Und bei einer Ruhestromänderung von bis zu 1mA würde eine auf solche Weise erzeugte 12V Spannung um bis zu 0,2V schwanken.
Krücki schrieb: >>Warum sollte man einen LM317 kaufen wenn man einen L7805 in der >>Schublade liegen hat und man mit beidem zum selben Ergebnis kommt? > > Naja, wenn der Ruhestrom des LM78XX bis zu 8,5mA betragen kann und im > Spannungsteiler der 5-fache Strom fließen soll, dann steigt die > Ruhestromaufnahme der Reglerschaltung auf bis zu 43mA. Der Strom am (echten) Adjusteingang des LM317 beträgt dagegen nur typ. 50 uA. Die sehr niederohmige Bemessung des Spannungsteilers ist nur deshalb in den Datenblättern, um gleichzeitig die Mindest- belastung des Reglers sicherzustellen. Gruss Harald
Krücki schrieb: > Naja, wenn der Ruhestrom des LM78XX bis zu 8,5mA betragen kann und im > Spannungsteiler der 5-fache Strom fließen soll, dann steigt die > Ruhestromaufnahme der Reglerschaltung auf bis zu 43mA. > > Und bei einer Ruhestromänderung von bis zu 1mA würde eine auf solche > Weise erzeugte 12V Spannung um bis zu 0,2V schwanken. Das ist das moderne Design vom LM317 und sicher ein weiteres Argument für den LM317, schrieb ich ja schon oben bzw. stimmte Harald zu. Gegen zu hohen Ruhestrom hilft auch Figure 20 aus oben genannten gelinkter Seite des Datenblatts, der OP wurde nicht nur eingesetzt weil er zu viel Platz auf dem Schreibtisch einnimmt und sich auf ner Platine besser macht. ;) Der LM317 ist ja sicher nicht schlecht und idR nem 78er vorzuziehen aber wie gesagt kann man mit 78er zu gleichen Ergebnissen kommen.
>Der LM317 ist ja sicher nicht schlecht und idR nem 78er vorzuziehen aber >wie gesagt kann man mit 78er zu gleichen Ergebnissen kommen. Naja, sieht man ja auch oft, daß ein 78XX dafür eingesetzt wird. Ich würde es halt nicht machen...
Krücki schrieb: > Naja, sieht man ja auch oft, daß ein 78XX dafür eingesetzt wird. Ich > würde es halt nicht machen... Für das hier vorliegende Problem würde ich es weder mit L78xx noch mit LM317 machen sondern mit einem Schaltregler aber das scheint dem TE nicht zuzusagen. 2A sind schon ne Ecke für die Linearregler ;)
sicherlich weiß auch ich das es elegantere Lösungen für mein vorhaben gibt, aber ich bin sehr lange aus der Materie raus, hab zuletzt vor einigen Jahren in meiner Ausbildung mit Elektronik Basteleien zu tun gehabt, und L78er zu kaskadieren ist nun mal eine einfache günstige Lösung die auch ich noch hin bekomme. Was den Trafo angeht habe ich mich nun für folgendes entschieden da ich den 2x18 80VA schon habe, Speisung L78S24 über 2x18VAC 80VA (Wicklungen in reihe) Speisung L78S18 über 1x22,2VAC 88VA (danke für den günstigen Tipp bei Pollin :) damit sollte ich selbst bei 10% Netzschwankungen noch genug Reserve für die Regler haben, und Leistungsmäsig nicht so nah am Grenzbereich arbeiten...
>Speisung L78S24 über 2x18VAC 80VA (Wicklungen in reihe)
2x18V in Reihe gibt im Leerlauf rund 50V! Und da ist der
Leerlaufspannungsfaktor des Trafos noch nicht berücksichtigt. Der 78S24
fliegt dir dabei um die Ohren, weil er nur 40V aushält.
Fr3gg3L schrieb: > damit sollte ich selbst bei 10% Netzschwankungen noch genug Reserve für > die Regler haben, und Leistungsmäsig nicht so nah am Grenzbereich > arbeiten Verrate uns doch mal, wie du das berechnest? Das würde mich auch mal interessieren den Kai, und auch du, habt völlig recht: Mit den Angaben bist du weit weg vom Grenzbereich...mitten in der Todeszone des L7824
Bitte melde dich an um einen Beitrag zu schreiben. Anmeldung ist kostenlos und dauert nur eine Minute.
Bestehender Account
Schon ein Account bei Google/GoogleMail? Keine Anmeldung erforderlich!
Mit Google-Account einloggen
Mit Google-Account einloggen
Noch kein Account? Hier anmelden.
