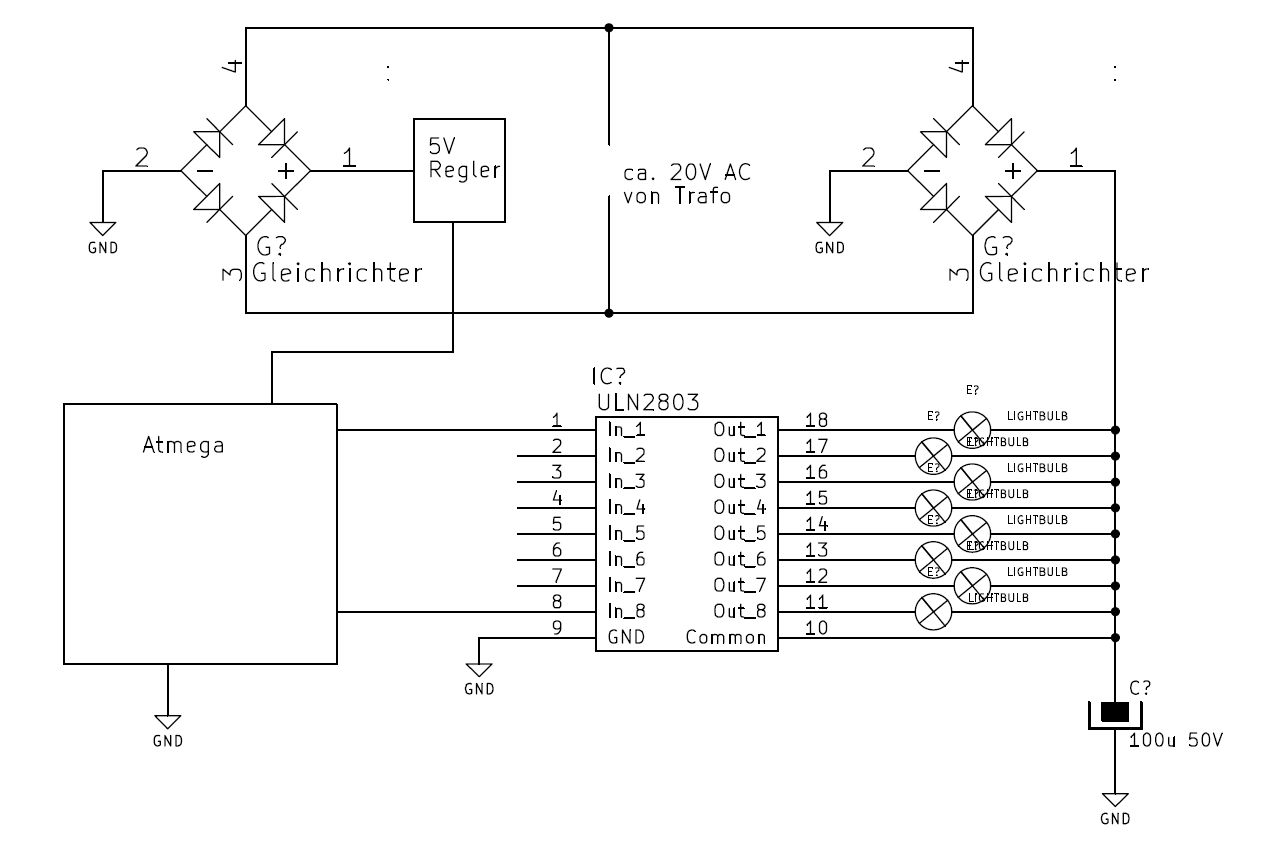
Hi! Ich habe das Problem, dass in meiner Schaltung die ULN2803 - aus für mich unerklärlichen Gründen - sterben. Ich habe mal ein Prinzip-Schaltbild angehängt, vielleicht fällt euch was dazu ein. Die C´s rund um den Atmega und den Regler etc. sind vorhanden. das geht auch alles und da liegt auch nicht das Problem. Die Lämpchen haben 60mA und werden über den Atmega per PWM gedimmt. Manchmal passiert es dann, dass einzelne Ausgänge oder der ganze ULN leitend werden (Lämpchen also immer an). Die 100uF sind eigentlich zu wenig, das ist bei der Last schon noch arg wellig. Kanns damit zusammen hängen? Falls ihr noch Infos braucht...jederzeit. Danke und Gruss, Micha
>Die Lämpchen haben 60mA und werden über den Atmega per PWM gedimmt.
Dir ist bekannt das Lämpchen Kaltleiter sind?
Je dunkler du die machst desto mehr Strom geht
da durch wenn die PWM auf leiten schaltet.
Außerdem haben die Glühwendeln je nach Lampe keine ganz kleine Induktivität die dann beim Ausschalten eine Spannungsspitze induziert die evtl. den Chip grillt. Wenn du die Welligkeit der Versorgung messen kannst, scheinst du ja ein Oszi zu haben, schau dir mal die Spannung an den Ausgängen des ULN an ob da was merkwürdig ist.
..ausser dass meiner PWM im On-Zustand die 50Hz überlagert sind (wegen der unzureichenden Kapazität des Siebelkos) gibts nix aussergewöhnliches. Gegen die Spannungsspitzen hat der ULN ja Freilaufdioden!? Was zieht ein Lämpchen wenns als Kaltleiter niederohmig ist? Der ULN schafft - wenn ich mich recht erinnere - 2,5W. Kann ich mal messen. Danke und Gruss, Micha
@ hdd (Gast) >Außerdem haben die Glühwendeln je nach Lampe keine ganz kleine >Induktivität die dann beim Ausschalten eine Spannungsspitze induziert >die evtl. den Chip grillt. Jaja, was wäre die Welt ohne Urban Legends . . . 8-0 Wieviel nH kommen da zusammen? Wieviel nH haben die normalen Zuleitungen in der Schaltung. Ausserdem sind die Freilaufdioden angeschlossen. Der ULN kann pro Kanal 500mA, wenn gleich nicht gleichzeitig. Selbst wenn man einen 10fachen Einschaltstrom zugrunde legt, so schnell killt es den damit nicht. Ich tippe auf falsch konfigurierte Ausgänge, die nur den shwachen Pull-Up einschalten. Damit läuft der ULN im quasi Linearbetrieb und raucht ab. Also Ausgänge im 1s Takt ein/aus schalten und mit dem DMM die Spannung messen. Die muss praktisch auf VCC sein, sonst stimmt was nicht. MfG Falk
Hallo Falk! Danke für die Antwort! Kannst Du mir das bitte kurz erläutern? Im Moment schalte ich die DDxn auf 1 und lasse Portxn per PWM-Routine wackeln. Was kann man noch tun? Ich messe also an den Ausgängen des Atmegas die Spannung? Atmega16A ist verbaut. Gruss, Micha
Entweder was Falk schreibt, oder: Mit welcher Frequenz läuft denn die PWM? Es ist auch ein 2803, kein 2804?
Es kann schon sein, dass die Lampen die Outs überlasten, im Einschaltmoment, was zum Defekt führen kann. Die 500mA sind abs.max, nicht recom.max! Vielleicht einfach n paar Rs davor setzen. (Zu hohe PWM-f würde den allerdings auch (therm.) kaputt kriegen)
Wenn es wirklich so gebaut wie angegeben und angesteuert wie angegeben, geht da nichts kaputt. Eins von beiden wird von der Beschreibung abweichen. Oder es sind gar gefälschte ULNs....hab ich aber noch nie gehört, dass es sowas gibt.
Hi! Es ist genau so gebaut. Die ULN´s sind von CSD - und waren schon günstig. Aber da will ich nichts unterstellen. Ich messe morgen mal die Ausgänge... Gruss, Micha
>Ich messe morgen mal die Ausgänge...
Mess mal den R der Lampen, dann wirst du wahrscheinlich sehen, dass der
Einsch.strom zu hoch sein wird.
hmhmhmhmhm...gibts ne Lösung? Will aber keine 2 ULNs übereinander löten. Sind SMD.... Neues Layout muss eh gemacht werden. Gibts Alternativen zum ULN?
Micha ... schrieb: > Neues Layout muss eh gemacht werden. Gibts Alternativen zum ULN? Ja, Bipolar-Transistoren mit Aussenbeschaltung (haben viel weniger Vce als dieser Opa) oder noch besser FETs. Gruss hro
Hi! Welchen FET könnte man für diese Anwendung denn nehmen? Habe FETs noch nie verbaut... Danke und Gruss, Micha
Tatsächlich, wie einen das Bauchgefühl täuschen kann.... Ob die 28R nun stimmen oder nicht, 10fach kleinerer Einschaltwiderstand stimmt jedenfalls im allgemeinen, das wären dann 40R. Selbst damit wäre der 2803 überlastet, wenn im Scheitelpunkt eingeschaltet wird, knappe 700mA. Ich ziehe mein obiges posting ersatzlos zurück :-)
Mal eine andere Frage zum Originalen Schaltbild: Schaltet der UDN nicht zwischen seinen Ausgängen und dem Common? Sollte dann Common nicht eher an Gnd angeschlossen werden zu dem sie schalten sollten?
@ Muetze1 (Gast) >Mal eine andere Frage zum Originalen Schaltbild: Schaltet der UDN nicht >zwischen seinen Ausgängen und dem Common? Nö. > Sollte dann Common nicht eher > an Gnd angeschlossen werden zu dem sie schalten sollten? Nö, an Commons sind die Freilaufdioden dran. Möglicherweise ist aber auch in Kurzschluss an einem ULN Ausgang gegen VCC. 28 Ohm sind bei knapp 30V am Gleichrichter schon heftig, 1A Puls. Wobei bei 100 Hz PWM die Dinger relativ schnell heiß sein sollten und dann im Pulsbetrieb nicht mehr kalt werden sollten, wenn gleich bei kleineren Tastverhältnissen die Strompulse dann wieder stärker werden. Hmmm. Muss man scheinbar doch bissel massiver bauen. IRF7103 ist dein Freund. MFG Falk
Könnte man den Lämpchen nicht einen 40Ohm Vorwiderstand spendieren? Das würde im kalten Zustand den Strom begrenzen, und wenn die Lämpchen warm sind sollte der Vorwiderstand kaum noch eine Rolle spielen.
Micha ... schrieb: > Hi! > > Welchen FET könnte man für diese Anwendung denn nehmen? > Habe FETs noch nie verbaut... > > Danke und Gruss, > Micha z.B. IRF7313 Gruss hro
Selbst wenn die Driver den Einschaltstrom aushalten würden, wäre die Schaltung i.Allgem nicht vorteilhaft, eben weil der extrem hohe Einschaltstrom gar nicht erwünscht ist. Also müsste man Diesen schon begrenzen. Was ist simpler als einfach nur ein R in die Lampen zu legen? (kostet gigantische 0,5 ct /Stck) Der U-Abfall an dem liegt viell. bei ca 2V, was doch keinen stört. Dann hat man die I-Begrenzung und der ULN-Driver geht auch. (Selbst wenn man mit PWM die Lampen erst gezielt "hochfahren" wollte, hätte man das gleiche Problem mit dem Einschaltstrom). Man könnte auch je Lampe 2 Driver spendieren. Einen mit R.V, Einen ohne R.V. Dann könnte man damit die Lampen "hochfahren". Allerdings droht dann bei einem Software-Fehler wieder ein Driver-Defekt. Oder man macht diese Umschalt-Stufe in Hardware.
Hallo, früher(tm) hat man noch einen anderen Weg gewählt: Widerstände von den Ausgängen des ULN gegen GND. So groß, daß die Lampen noch nicht sichtbar störend leuchten. Dann sind sie vorgeheizt und der "Kaltwiderstand" ist merklich höher. Gruß aus Berlin Michael
Lol, merkt denn hier keiner, daß Common nicht auf GND gehört? Der ULN grillt sich ja selbst. RTF Datenblatt.
Checker schrieb: > Lol, merkt denn hier keiner, daß Common nicht auf GND gehört? > Der ULN grillt sich ja selbst. > RTF Datenblatt. Wenn du meine Frage und die Antwort gelesen hättest und oben auf dem Schaltbild nochmal die Augen aufmachst, dann siehst, dass dem nicht so ist. Klassisches Eigentor...
>Lol, merkt denn hier keiner, daß Common nicht auf GND gehört? >Der ULN grillt sich ja selbst. Auch wenn Common auf GND wäre (bei brennenden Lampen), kann sich ein OC-Driver dadurch gerade nicht selbst grillen. (Denke mal bei der Lampenschaltung kann man auf Common auch verzichten.)
und wurde gerne als Lampentest benutzt... Common auf Gnd -> alle Lampen leuchten, unabhäng von der Ansteuerung.
H.joachim Seifert schrieb: > und wurde gerne als Lampentest benutzt... Wäre hier dann ein erweiterter Lampentest mit Grillfunktion :-) Was aber klappen könnte, hier eine Vorspannung anzulegen, um die Lämpchen vorzuheizen.
ca. 100 - 270 Ohm von Common gegen Masse (gerade soviel, daß die Lampen nicht leuchten) sollte genügen ...
Hi! Ich habe eine Version meiner Platine mit MosFets gemacht. Könntet ihr bitte mal den Ausschnitt des Schaltbildes prüfen, ob das so stimmt? VCC sind 5V, VDD zwischen 20V und 25V. Danke und Gruss, Micha
Der IRF710 ist nicht dein Ernst ? 700 Volt, 3.6 Ohm und 10V nötige Ansteuerspannung sind hier völlig fehl am Platze. Für 60mA Lämpchen reichen BS170, aber selbst wenn man TO220 nimmt, wären IRLZ24 passender. Ich gehe nach wie vor davon aus, daß nicht 8 60mA Lämpchen den ULN2803 töten, sondern der Versuch eine zu schnelle PWM mit ULN zu machen.
Noch 100k von Gate auf Masse, um undefinierte Zustände während Reset, Programmierung o.ä. zu vermeiden. Kann man auch als Widerstandsarray ausführen. Ggfs. ausserdem noch Freilaufdiode, falls auch mal induktive Lasten geschaltet werden sollten.
Hi! Danke für die Hinweise! Ich habe ja weiter oben geschrieben, dass ich noch nichts mit FET gemacht habe und bei reichelt und DigiKey einen Type gesucht habe, der passende Werte hat. War wohl der falsche :) Dann steig ich um auf den IRLZ24. Danke und Gruss, Micha
> Ich gehe nach wie vor davon aus, daß nicht 8 60mA Lämpchen > den ULN2803 töten, sondern der Versuch eine zu schnelle PWM > mit ULN zu machen. Wenn der ULN und die Lämpchen dafür ausgelegt sind daß ihnen 100% an nichts ausmacht - wieso sollte der ULN dann durch eine zu schnelle PWM kaputtgehen?
Hi! Das würde dann mit Pulldown und Freilaufdiode so aussehen. Schaltungsausschnitt richtig? Danke, Micha
Hm, wenn die Widerstände an PortA, die Fets aber an PortB, sind sie zumindest für den angedachten Zweck nutzlos.
Hi! Ja, ist nur ein Ausschnitt. Jeweils 8 Fets an Port A, B und C. gruss, Micha
Hmm, bei 24 FETs würde ich mir dann langsam doch über Treiber gedanken machen - auch wenn Du nur mit 100 Hz schaltest. Das Problem ist die maximale Stromstärke pro Atmega-Pin und für alle Atmega-Pins gemeinsam. Das Gate des FETs ist wirkt wie ein Kondensator. Wenn der FET aus ist und Du schaltest das Pin des Atmegas auf High fließt ein Strom um das Gate zu laden. Dieser Strom ist am Anfang das Maximum was der Atmega hergibt und wird dann schwächer. Dennoch überlastest Du das Pin des Atmegas kurzzeitig. Wenn Du ihm danach aber etwas Zeit bis zum nächsten Schaltvorgang zum Abkühlen gibst ist das kein Problem. Deshalb geht das bei langsamen Schaltvorgängen (z.B. Deinen 100 Hz) gut. Wenn Du jetzt aber 24 von diesen FETs hast und davon mehrere gleichzeitig oder kurz hintereinander geschaltet werden, summieren sich diese Ströme und es bleibt keine Zeit zum Abkühlen mehr. Vermutlich grillst Du damit statt dem ULN jetzt den Atmega. Schau also mal auf Treiber, ich nehm z.B. gerne den diskreten Treiber aus PNP/NPN-Pärchen, für Deine 100 Hz sollte es aber auch eigentlich einer mit nur einem NPN tun. Dafür kannst Du dann Deine Restbestände an ULNs nehmen ;) Gruß, Gerd
Warum nicht einfach zwei ULN-Ein/Ausgänge parallel schalten? Oder ULN 2065B nehmen - hat zwar nur 4 Zweige, hält aber mehr aus.
> wieso sollte der ULN dann durch eine zu schnelle PWM kaputtgehen?
Weil der ULN langsam ist und die Transistoren nicht schnell genug
schalten, also prozentual lange Zeit im Übergangsbereich sind, wo sie
nicht in Sättigung leiten und nicht komplett sperren, sondern Strom UND
Spannung an ihnen anliegt, und die hohen Verluste in Wärme umgewandelt
werden.
Er ist quasi halb-leitend.
MaWin schrieb: > Weil der ULN langsam ist und die Transistoren nicht schnell genug > schalten, Laut Datenblatt sind Ton/Toff bei typ. 0,25µs. Das ist schnell genug für 100Hz PWM.
Hi! Das mit den FETs war mir dann doch zu oversized. Hier ein neuer Versuch mit ULN2068B und (bei Bedarf) Vorwiderstände im Ausgangszweig. Schaut ihr bitte mal drüber. Danke und Gruss, Micha
>Er ist quasi halb-leitend. So entstanden die Halbleiter .... @Micha ... (micha68) Benutzerseite >Hier ein neuer Versuch mit ULN2068B und (bei Bedarf) Vorwiderstände im >Ausgangszweig. >Schaut ihr bitte mal drüber. Bei einem 1,5A-Treiber sind die R's eigentlich nicht nötig. Andererseits kann das wohl die Lebensdauer der Lämpchen verlängern, wenn man hart ein- oder ausschaltet (also nicht PWM im höheren Frequenzbereich, sondern längere Taktzeiten)
Oh, ich sehe gerade, daß die 1,5A offensichtlich auch das Devicelimit sind, nicht nur das Limit der einzelnen Tranis.
Ups, wo hast Du das gesehen? Datenblatt: OUTPUT CURRENT TO 1.5 A EACH DARLINGTON
Bitte melde dich an um einen Beitrag zu schreiben. Anmeldung ist kostenlos und dauert nur eine Minute.
Bestehender Account
Schon ein Account bei Google/GoogleMail? Keine Anmeldung erforderlich!
Mit Google-Account einloggen
Mit Google-Account einloggen
Noch kein Account? Hier anmelden.



