Servus zusammen, hab da nen Problem was mich irgendwie zur verzweiflung bring. Also ich hab da ne Schaltung mit einem ATMEGA8 und nen ULN2003 und zwei Taster. Hab jetzt nen Programm von Bascom auf den ATMEGA8 aufgespielt. Wenn ich S1 abwechselnd drücke soll er mir die LEDs durchschalten. PD0= 1 PD1 = 0 PD2 = 0 PD3 = 0 PD0= 0 PD1 = 1 PD2 = 0 PD3 = 0 PD0= 0 PD1 = 0 PD2 = 1 PD3 = 0 PD0= 0 PD1 = 0 PD2 = 0 PD3 = 1 und wieder von vorne. Funktioniert auch wunderbar. Mit S2 soll er mir meine angewählte LED dimmen. Und genau da ist mein Problem. Wenn ich den S2 betätige dann gehen auf einmal alle LEDs an. Das soll aber nicht so sein, denn auf dem STK500 sieht es so aus wie wenn es funktionieren würde. Aber sobald ich den Mega8 auf meine Schaltung stecke geht es nicht mehr. Kann man mir vieleicht weiterhelfen? Wäre euch dankbar. Mfg
Hallo MB wenn es auf dem STK500 geht, in deiner (selbstgemachten?) Schaltung aber nicht, denkst du nicht auch, es liegt dann weniger am Programm als an deiner Schaltung? Wäre es dann nicht sinnvoll, deinen Schaltplan hier einzustellen, damit man sich ein Bild machen kann?
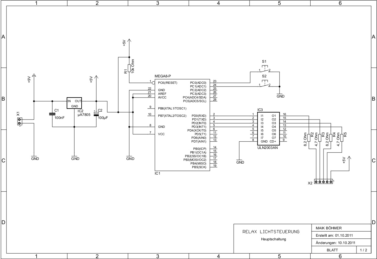
@ich da: Ist schon ok, ja das stk500 hat keinen uln, aber der wird hier ja auch nicht benötigt zum testen. @mue-c: Laut schaltplan ist alles ok, hab auch schon ne soft-pwm auf der schaltung betrieben, aber hier noch der schaltplan.
MB schrieb: > Wenn ich den S2 betätige dann gehen auf einmal alle LEDs an. Das klingt bei diesem Programm absolout plausibel. Ich würde sagen: Genau so muss das bei dem Programm auch sein. Je nachdem, wie die LED angechlossen sind, sind die entweder alle ein oder alle aus. > Das soll aber nicht so sein, denn auf dem STK500 sieht es so aus wie > wenn es funktionieren würde. Das kann ich mir ehrlich gesagt nicht vorstellen. > Kann man mir vieleicht weiterhelfen? Dein Programm ist Mist Genauer: Die Interaktion zwischen 'Welche LED soll leuchten bei Druck auf S1' und dem Teil 'mach eine PWM auf alle LED' was hilft es dir, wenn du vorher sorgsam die jeweils aktive LED ein/ausschaltest, wenn du danach mittels
1 | Decr Pwm_counter |
2 | If Led_1_value <= Pwm_counter Then |
3 | Led1 = 0 |
4 | Else |
5 | Led1 = 1 |
6 | End If |
7 | If Led_2_value <= Pwm_counter Then |
8 | Led2 = 0 |
9 | Else |
10 | Led2 = 1 |
11 | End If |
12 | If Led_3_value <= Pwm_counter Then |
13 | Led3 = 0 |
14 | Else |
15 | Led3 = 1 |
16 | End If |
17 | If Led_4_value <= Pwm_counter Then |
18 | Led4 = 0 |
19 | Else |
20 | Led4 = 1 |
21 | End If |
über alle LED drüberbügelst um da dann alle LED nochmal abhängig von der PWM ein bzw. auszuschalten.
MB schrieb: > Laut schaltplan ist alles ok Danach sieht es aber nicht aus. Mindestens die Verbindung von ARef nach VCC ist falsch. Das Datenblatt sagt: "Note that VREF is a high impedant source, and only a capacitive load should be connected in a system." Ich glaube kaum, dass der STK500 so beschaltet ist.
MB schrieb: > ja das stk500 hat keinen uln, aber der wird hier > ja auch nicht benötigt zum testen Aber Du weißt, dass der ULN invertiert?
Bitte melde dich an um einen Beitrag zu schreiben. Anmeldung ist kostenlos und dauert nur eine Minute.
Bestehender Account
Schon ein Account bei Google/GoogleMail? Keine Anmeldung erforderlich!
Mit Google-Account einloggen
Mit Google-Account einloggen
Noch kein Account? Hier anmelden.
