Hallo,
ich möchte für eine grobe Abschätzung einen Fall aus der
Strömungstechnik berechnen, komme aber an einer Stelle nicht weiter.
Worum es geht:
Einblasen von Luft in Belebungsbecken auf einer Kläranlage.
Dabei wird mitteils Verdichtern die Luft von unten in die Becken
eingeblasen.
Es gibt dabei (erstmal) nur zwei Becken. Da der Luftbedarf in den Becken
unterschiedlich sein kann, ist in der Rohrleitung zu den Becken ein
verstellbarer Blendregulierschieber vorhanden.
>--Schieber 1-->Rohrleitung 1-->Becken 1
|
--Verdichter--|
|
>--Schieber 2-->Rohrleitung 2-->Becken 2
Annahmen (vereinfacht):
- Der Verdichter ist ein Drehkolbenverdichter und hat eine konstante
Förderleistung unabhängig vom Gegendruck.
- Alle Strömungen sind laminar
- Widerstandsbeiwertberechnung für die Blenden als Normblenden
- Keine Rohrleitungsverluste
Berechnen möchte ich den Druck in der Leitung hinter dem Verdichter, und
den Volumenstrom der in das jeweilige Becken eingeblasen wird.
(Wer ein Problem mit den Verdichtern und der Luft hat, könnte auch
folgendes Beispiel nehmen:
Eine Brunnenpumpe fördert über zwei Rohrleitungen mit Stellventilen in
Speicher die auf unterschiedlichen Höhen liegen.
Wie verteilt sich der Förderstrom auf die einzelnen Speicher?)
Jetzt habe ich mir entsprechende Informationen zusammengesucht. Von
Prinzip her scheint das einer elektrischen Widerstandsschaltung relativ
ähnlich.
Ich habe folgende Schritte deren Berechnung und deren Ergebnisse mir
plausibel erscheinen:
1. Einzelwiderstände der Blenden berechnen (je nach Öffnungsgrad)
2. Gesamtwiderstand der beiden Blenden berechnen (Parallelschaltung)
3. Gesamt-Druckverlust aus Gesamtdurchfluss und Gesamtwiderstand
berechnen
4. Mit dem Gesamt-Druckverlust und den Einzelwiderständen der Blenden
die Einzeldurchflüsse der Blenden berechnen
Wenn ich jetzt die Rohrleitungsverluste mit einberechnen will, kann ich
diese einfach in die Widerstandsberechnung einfließen lassen.
Mein Problem:
Wenn ich annehme dass beide Becken die gleiche Füllhöhe (z.b. 5m) haben,
benötige ich am Ende der Rohrleitungen jeweils 500 mbar Überdruck damit
überhaupt Luft austritt.
Wenn ich aber unterschiedliche Füllhöhen annehme (z.B. Becken 2 hat 5,1
m) würde ich meinen dass dadurch in dieses Becken
weniger Luft einströmt. Durch meine Widerstandsberechnung bekomme ich
diesen Druckunterschied aber nicht erfasst.
Wenn ich das gedanklich auf eine elektrische Schaltung übertrage, wäre
das ein Widerstand an dem eine konstante Spannung abfällt. Für die
Berechnung ist das aber alles andere als einfach, und irgendwie habe ich
das Gefühl dass es da einen anderen Berechnungsweg geben könnte.
Vielleicht hat ja jemand eine Idee,
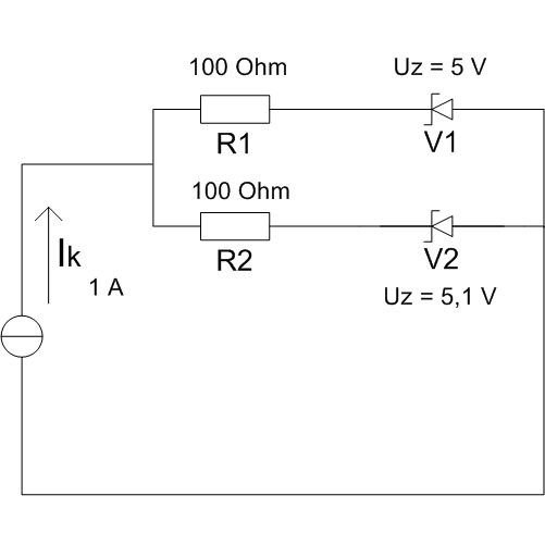
Thomas W. schrieb: > Wenn ich das gedanklich auf eine elektrische Schaltung übertrage, wäre > das ein Widerstand an dem eine konstante Spannung abfällt. Widerstand + (Zener-) Diode in Reihe
So wie im Anhang? Ich hoffe die "Elektrikersicht" kann man anwenden, und dass die Kirchhoffschen Regeln auch hier gelten. Bei einer Parallelschaltung ist die Berechnung zumindest etwas anders: 1/sqrt(Rges) = 1/sqrt(R1) + 1/sqrt(R2)
Hm, die Formel für die Elektronikschaltung nach U umzustellen wenn R1, R2 und die beiden Zenerspannungen bekannt sind ist ja nicht das Problem. Aber durch die zusätzliche Wurzel bei der Parallelschaltung in der Strömungstechnik wird die Formelumstellung ein ganz schöner Bandwurm. Hat jemand Zugriff auf ein Mathematik-Programm und könnte mir den Gefallen tun und testen ob das überhaupt lösbar ist? Ich habe es probehalber mal bei Wolframalpha eingegeben, dort bekomme ich ein Timeout (was auch immer das bedeutet). 1/(SQRT(U/V^2)) = (1/ (SQRT((U*R)/(U-A)))) + (1/ (SQRT((U*S)/(U-B)))) http://www.wolframalpha.com/input/?i=solve+U+%3D+%28R+S+U^2+V^2%29%2F%28%28U-A%29+%28U-B%29+%28sqrt%28%28R+U%29%2F%28U-A%29%29%2Bsqrt%28%28S+U%29%2F%28U-B%29%29%29^2%29+for+U
@Thomas W.:
===========
>>Kleines Problem mit Strömungstechnik
Sag mal, was lernt ihr heutzutage an einer Uni/FH?
Ist das wirklich nur Bullshit und ihr haltet Euch für die grossen
Könner, da ihr nach eurem Studium die Erde+Universium komplett
mathematisch erklären könnt?
Jetzt werden schon elektrische Schaltungen zum Erklären eines fluiden
Strömungsmodelles herangezogen!
Ich fass es nicht!
Doch das wird noch getopt mit der Aussage:
------------------------------------------
Wenn ich das gedanklich auf eine elektrische Schaltung übertrage...
Mann, was denkst Du warum es eine extra Fachrichtung "Strömungstechnik"
gibt?
Alles in Allem, lass es sein -> Dir fehlen die Grundlagen:
===========================================================
* bei 4°C = grösste Dichte, wie wird sich Dein Medium verhalten bei 30°C
* >> Wenn ich annehme dass beide Becken die gleiche Füllhöhe (z.b. 5m)
haben....
--> gute Annahme, aber was ist wenn Deine Theorie nicht zutriffft?
Kopfschüttel
Stevko
Stevko R. schrieb: > * >> Wenn ich annehme dass beide Becken die gleiche Füllhöhe (z.b. 5m) > haben.... > --> gute Annahme, aber was ist wenn Deine Theorie nicht zutriffft? Dafür wurden doch die "idealen Z-Dioden" eingelötet.
Bitte melde dich an um einen Beitrag zu schreiben. Anmeldung ist kostenlos und dauert nur eine Minute.
Bestehender Account
Schon ein Account bei Google/GoogleMail? Keine Anmeldung erforderlich!
Mit Google-Account einloggen
Mit Google-Account einloggen
Noch kein Account? Hier anmelden.
