Hallo, wird der Schrittmotor (Link) zu der Schaltung (Anhang) passen? der Motor hat Strangstrom max. 345 mA und Strangwiderstand 30 Ω? http://www.pollin.de/shop/dt/Njk5OTg2OTk-/Motoren/Schrittmotoren/Schrittmotor_BERGER_LAHR_RDM57.html Danke
ja, Rs1 und Rs2 müssen entsprechend dem Datenblatt auf die 345 mA dimensioniert werden. Aber.... -Der L298 ist nicht mehr der neuste Baustein und hat eine Menge an Verlusten -ist zu teuer für den kleinen Motor
Bin genau an der gleichen Sache dran, habe aber den Bausatz mit dem Motortreiber. Der Strom des Motors ist recht hoch . Bei mir hat ein Strang schon bei 5 V ca. ein Ampere . Der Strangstrom müsste sich aber problemlos einstellen lassen,. Mehr Gedanken mache ich mir um die Ansteuerung. Zum einen die Sache mit der bipolaren Ansteuerung und zum anderen, eine Ansteuerung mit Microcontroller und ohne Decoder -IC. Grüße
Der vom Threadsteller erwähnte Motor lässt sich auch locker mit einem L293 ansteuern! Vorteile sind unter anderem, die minimale Beschaltung und der geringe Preis des Bausteins... Edit: Dran denken, dass man einen Baustein pro bipolarem Schrittmotor braucht! Der l293D hat die Dioden bereits integriert, aber kann nur max. 600mA liefern ;)
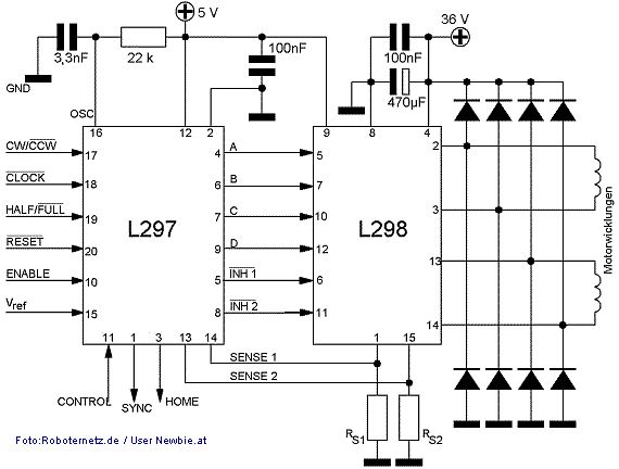
Philipp W. schrieb: > Der vom Threadsteller erwähnte Motor lässt sich auch locker mit einem > L293 ansteuern! Du hast die Schaltung nicht verstanden. Bei der Schaltung des TO wird der Motor mit hoher Spannungsreserve betrieben und der Strom geregelt, so dass er auch bei hohen Schrittfrequenzen noch Drehmoment hat. Der L293 kann das nicht.
Wolfgang schrieb: > Du hast die Schaltung nicht verstanden. Klar, aber er hat das nie erwähnt ;) Dachte er hat die Schaltung zufällig bei Roboternetz gefunden und wollte wissen ob er sie verwenden kann. Da dann gleich über Kosten diskutiert wurde, wollte ich eben eine Günstige und einfache Alternative in die Runde werfen.
für kleinere Motore: L6219 für 1,71€ bei Reichelt. OUTPUT CURRENT UP TO 750mA EACH WINDING WIDE VOLTAGERANGE 10V TO 46V.
kleine Nebenfrage, wie soll der Steppertreiber eigentlich angesteuert werden, vom PC über Windows? Falls ja, Windows versaut das Timing am PP (jedenfalls nach meiner umfangreichen Erfahrung). Ich bin dazu übergegangen, meinen X-Y-Platinenbohrer mit einem alten Notebook unter DOS zu steuern, was einen gewissen Aufwand in der Dateiverwaltung bedeutet. (das aber nur nebenbei)
PS: so schlecht und teuer sind die beiden L297/298 auch wieder nicht, kann man schon nehmen, wenn man genug "Stromreserven" hat.
Bin nun endlich, Zeittechnisch, zum Testen gekommen. Also der Motor , wenn es der gemeinte ist , hat 6 Anschlüsse und ist unipolar. Ich habe dazu , einen Treiberplatinenbausatz vom selben Händler. Zu diesem Bausatz wird eine Software dazugeliefert, Welche unter Win. eine Steuersoftware enthält. Der Anschluss ertfolgt am LPT 1 - 378H. In meiner Systemsteuerung wird aber nur 378 0-F angezeigt Alles andere schein sonst gut zu funktionieren. Werde am WE mal die Controllerschaltung aufbauen, dann könnte man den Motor mit Schaltern oder ggf. mit einem Joystick steuern.
Andre D. schrieb: > Also der Motor , wenn es der gemeinte ist , hat 6 Anschlüsse und ist > unipolar. unipolare Ms kann man auch bipolar betreiben, umgekehrt geht nicht. > Zu diesem Bausatz wird eine Software dazugeliefert, Welche unter Win. > eine Steuersoftware enthält. > Der Anschluss ertfolgt am LPT 1 - 378H. Win ab spätestens w2k ist für Steppersteuerung mit Vorsicht zu genießen wg. "Zeitverzerrungen" am PP
Bitte melde dich an um einen Beitrag zu schreiben. Anmeldung ist kostenlos und dauert nur eine Minute.
Bestehender Account
Schon ein Account bei Google/GoogleMail? Keine Anmeldung erforderlich!
Mit Google-Account einloggen
Mit Google-Account einloggen
Noch kein Account? Hier anmelden.



