Hallo zusammen, ich habe mir von ELV die LED-I2C-Steuertreiber gekauft. Jetzt würde ich gerne über einen Optokoppler Weichen Ansteuern Der Link: http://medienpdb.maerklin.de/product_files/1/pdf/74490_betrieb.pdf Welche Optokoppler kann ich dafür nehmen? danke für Info´s thomas
Hallo, der Link ist bei mir soweit Okay aber hier noch einmal der Link, bitte davor http:// setzen medienpdb.maerklin.de/product_files/1/pdf/74490_betrieb.pdf gruß thomas
Also stinknormale Märklinweichen. Die werden normalerweise mit 16VAC betrieben, man kann sie aber auch mit 12VDC betreiben. Sinnvoll wäre es in beiden Fällen die Einschaltzeit durch ein Monoflop zu begrenzen, sonst brennt bei einem Softwarefehler die Magnetspule durch. Für AC gibts für kleines Geld Optokoppler mit Triacausgang, aka SSR. Reichelt hat AFAIR welche für unter EUR 1,-, und mit ausreichender Stromtragfähigkeit.
Hallo, Ja ich wollte a) nur den Baustein für Sekunden ansteuern, um keine Überlastung zu bekommen. Reichelt hat doch leider einiges an Optokoppler im angebot. Welcher wäre ratsam? gruß thomas hinz schrieb: > Also stinknormale Märklinweichen. Die werden normalerweise mit 16VAC > betrieben, man kann sie aber auch mit 12VDC betreiben. Sinnvoll wäre es > in beiden Fällen die Einschaltzeit durch ein Monoflop zu begrenzen, > sonst brennt bei einem Softwarefehler die Magnetspule durch. > > Für AC gibts für kleines Geld Optokoppler mit Triacausgang, aka SSR. > Reichelt hat AFAIR welche für unter EUR 1,-, und mit ausreichender > Stromtragfähigkeit.
Thomas St. schrieb: > Reichelt hat doch leider einiges an Optokoppler im angebot. Welcher wäre > ratsam? S26M D02
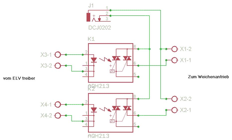
hinz schrieb: > Thomas St. schrieb: >> Reichelt hat doch leider einiges an Optokoppler im angebot. Welcher wäre >> ratsam? > > S26M D02 Okay gefunden habe ich Ihn bei Reichelt. Ich denke das ich für jede Weiche zwei Bauteile brauche. Über Pin 2 + 3 kommen meine 5V an. Welche PIN´s belege ich den für den Ausgang? gruß thomas
Hallo, Antwort direkt bekommen, Pin 8 und 6 muss ich nehmen. Hole mir am Montag mal den Baustein raus und probiere es aus. gruß thomas
Hallo zusammen, kennt jemand zufälligerweise die Bezeichnung bei eagle ?? gruß thomas
Thomas St. schrieb: > kennt jemand zufälligerweise die Bezeichnung bei eagle ?? Wirst du selbst erstellen müssen.
Hallo zusammen, habe das Bauteil nun doch gefunden, es ist das AQH213 gruß thomas
Könntet Ihr bitte einmal den Schaltplan ansehen? über Feedback und änderung würde ich mich freuen. gruß thomas
Bitte melde dich an um einen Beitrag zu schreiben. Anmeldung ist kostenlos und dauert nur eine Minute.
Bestehender Account
Schon ein Account bei Google/GoogleMail? Keine Anmeldung erforderlich!
Mit Google-Account einloggen
Mit Google-Account einloggen
Noch kein Account? Hier anmelden.

