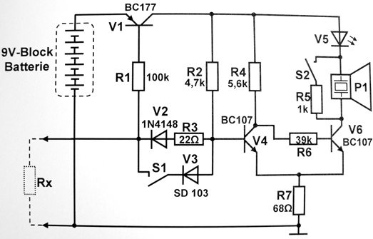
Hallo Leute, ich wende mich an euch, in der Hoffnung, dass ihr mir bei der beigefügten Schaltung ein wenig helfen könnt. Die soll ich nämlich aufbauen (Layout, Platine, Bauteile sind alles schon vorhanden). Allerdings tue ich mich mit der Erklärung der Funktion ein wenig schwer, weil ich da nur Grundkenntnisse habe. Bin für jeden Hinweis dankbar :-) V1 sieht für mich wie ein Längstransistor (PNP) in Emitterschaltung aus: Ist Rx niederohmig, fließt der Basisstrom über den Basisvorwiderstand R1 und V1 wird leitend (Schalterbetrieb??) R2 macht eine Stromgegenkopplung? (wofür??) Wird S1 geschlossen, verstärkt sich die Gegenkopplung, oder? Warum ist da einmal eine Schottky und eine Silizium-Diode mit Widerstand? Wird Rx niederohmig, wird V4 leitend und V6 sperrt? Dann würde P1 bzw. V5 aber keinen Durchgang signalisieren? Mit S2 kann man den Ton überbrücken, R5 ist dann Vorwiderstand für die LED. Wozu ist R7? Temperaturkompensation? (macht auch irgendwie keinen Sinn für mich) Danke!
Alles viel einfacher > (Schalterbetrieb??) Ja, das ist der Einschalter. So lange an Rx nichts angechlossen ist, ist die Schaltung aus, braucht nur den Leckstrom des BC177 > R2 macht eine Stromgegenkopplung? Nein, keine Gegenkopplung, R2 liefert nur den Basisstrom für V4, so lange der Strom nicht durch Rx abgeleitet wird. > Wird S1 geschlossen, verstärkt sich die Gegenkopplung, oder? Nein, dann sinkt nur die Schaltschwelle um eben die ca. 0.3V die die Schottky besser ist als die Si-Diode. > Wird Rx niederohmig, wird V4 leitend und V6 sperrt? Umgekehrt. > Mit S2 kann man den Ton überbrücken, > R5 ist dann Vorwiderstand für die LED. Vermutlich ist es so gedacht, dürfte aber nicht funktionieren. P1 muss auch ein Piezosummer sein, nicht nur ein Piezolautsprecher, denn in der Schaltung ist kein Oszillator, es fehlt der zeitbestimmende Kondensator. > Wozu ist R7? Bewirkt ein Schmitt-Trigger (Differenzverstärker) Schaltverhalten. Die Schaltung ist besser: Dieser simple Durchgangstester aus einem OpAmp mit Offsetabgleich hat einen besonderen Vorteil: Er wird so eingestellt, das er nur unter 0.1 Ohm anschlägt und man kann dadurch tatsächlich durch Leitungen verbundene Stellen von solchen unterscheiden, bei denen Bauteile dazwischenliegen. Die Messspannung von 1 Millivolt reicht nämlich nicht aus, ausreichend Strom durch die Bauteile fliessen zu lassen (bis auf den 0.01 Ohm Shunt, aber den wird man auch so finden). +---+---------------+----+ 10k | Summer | o--+--|+\-----------+ | | + 10R | >----------)--+ Batterie o--+--|-/-TrimmPoti-+ | - 10k | | | +---+------+-------------+ allerdings kein auto-off.
Eure Schaltungen sind beide Scheisse. Überlegt Euch doch mal für drei Minuten, was passiert, wenn jemand das Ding für einen Phasenprüfer hält und es in die Steckdose steckt. Richtig. Ganz schlecht. Daher das Design vielleicht doch nochmal um ein paar Schutzbauteile erweitern.
San Francisko schrob: >Überlegt Euch doch mal für drei >Minuten, was passiert, wenn jemand das Ding für einen Phasenprüfer hält >und es in die Steckdose steckt. Richtig. Ganz schlecht. Kann ein Weißkrautkopf eine Mohrrübe sein? Das ist genauso ein passender Vergleich. Ein Idiot würde alles in die Steckdose stecken, was mechanisch geignet ist, da hält ihn auch keine Schutzschaltung auf. Die Schaltung mit dem OPV kann ich empfehlen -ich habe das mit einem Doppel-OPV vom Typ B082 (TL082). Einer ist der eigentliche Durchgangs-prüfer und der andere ein astabiler Multivibrator, der eine Piezokapsel betreibt. MfG Paul
Paul Baumann schrieb: > Kann ein Weißkrautkopf eine Mohrrübe sein? > > Das ist genauso ein passender Vergleich. Ein Idiot würde alles in die > Steckdose stecken, was mechanisch geignet ist, da hält ihn auch keine > Schutzschaltung auf. Du bist dir also ganz sicher dass du niemals vergisst den Stecker zu ziehen wenn du etwas messen willst? Abgesehen davon wäre es schon praktisch wenn sich die Schaltung nicht zerlegt wenn sie z.B. auf einen Elko mit Restladung trifft. Bei OPV-Schaltung ist das eher einfach zu bewerkstelligen: - 10 Ohm gegen PTC tauschen - Schutzwiderstände zwischen OPV und 10 Ohm - antiparallele Dioden zwischen die beiden OPV-Eingänge Sollte nicht teuer sein als der erste Ersatz-OPV.
Alle guten Multimeter sind im Durchgangsmodus explizit gegen solche Fehler geschützt. Die Folgen sind einfach zu gravierend und der Schutz preiswert genug. Vermutlich hält auch euer Gehäuse keiner Explosion durch Restladung oder Netzspannung stand und dann habt Ihr Euch die Hand verbrannt und nen ordentlichen Schock, nur weil 20 Cent Bauteile gespart wurden. Dann doch gleich ganz billig: Messkabel_1----Batterie----Glühbirne-----Messkabel_2 Da spart Ihr Euch sogar den Vorwiderstand für eine LED.
oh, danke für die vielen Antworten. Natürlich ist die Schaltung nicht für den täglichen Einsatz in der Elektronik-Werkstatt oder "auf dem Bau" gedacht ;-) Da nimmt man doch lieber was von Fluke oder den Duspol mit integriertem Durchgangsprüfer. Leider kann ich an der Schaltung nichts verändern. Ich soll sie ja nur erklären, obwohl ein bisschen Kritik natürlich auch nicht schlecht ist. Ich sehe das auch so, dass da eigentlich eine Schutzbeschaltung sinnvoll wäre. Aber gut, MaWin hat schon mal den Anfang gemacht. MaWin schrieb: > R2 liefert nur den Basisstrom für V4, > so lange der Strom nicht durch Rx abgeleitet wird. Aber ich denke, es kann überhaupt nur ein Basisstrom fließen, wenn der "Schalter" V1 leitend ist, was wiederum nur dann der Fall ist, wenn Rx leitend ist? Was demnach den Basisstrom ableiten würde und demnach nie ein Basisstrom auftreten könnte?? >> Wird S1 geschlossen, verstärkt sich die Gegenkopplung, oder? > > Nein, dann sinkt nur die Schaltschwelle um eben die ca. 0.3V die die > Schottky besser ist als die Si-Diode. Und der Effekt ist dann, dass bei geschlossenem Schalter der Durchgangsprüfer empfindlicher wird? > P1 muss auch ein Piezosummer sein... ist es >> Wozu ist R7? > > Bewirkt ein Schmitt-Trigger (Differenzverstärker) Schaltverhalten. Wenigstens ein aha-Erlebnis, V4 + V6 als Schmitt-Trigger leuchtet mir ein, allerdings ist da in Beispielen immer noch ein Widerstand von der 2. Basis (hier von V6) zu Masse, der nicht in meiner Schaltung ist.
> Aber ich denke, es kann überhaupt nur ein Basisstrom fließen, wenn der > "Schalter" V1 leitend ist, was wiederum nur dann der Fall ist, wenn Rx > leitend ist? Was demnach den Basisstrom ableiten würde und demnach nie > ein Basisstrom auftreten könnte?? Unterschiedliche Schaltschwellen. Eingeschaltet wird schon bei 100k für Rx, Durchgang nur ermittelt wenn der Spannungsabfall unter 0.7V liegt. > ein Widerstand von der > 2. Basis (hier von V6) zu Masse, der nicht in meiner Schaltung ist. Der ändert nur das Schaltverhalten, ist aber für die Funktion nicht wichtig.
San Francisco schrieb: > Eure Schaltungen sind beide Scheisse. Überlegt Euch doch mal für drei > Minuten, was passiert, wenn jemand das Ding für einen Phasenprüfer hält > und es in die Steckdose steckt. Bei einer Stricknadel hast du das gleiche Problem
>> Bei einer Stricknadel hast du das gleiche Problem
Wo gibt es denn noch Stricknadeln ohne Schutz-Dioden/Widerstände und
PTC?
San Francisco schrieb: > Eure Schaltungen sind beide Scheisse. Überlegt Euch doch mal für drei > Minuten, was passiert, wenn jemand das Ding für einen Phasenprüfer hält > und es in die Steckdose steckt. Ja, so Verwechslungen können tragisch enden. Du hältst das schimmelige Brötchen zwischen deinen Ohren ja auch für ein Hirn... SCNR, XL
Bitte melde dich an um einen Beitrag zu schreiben. Anmeldung ist kostenlos und dauert nur eine Minute.
Bestehender Account
Schon ein Account bei Google/GoogleMail? Keine Anmeldung erforderlich!
Mit Google-Account einloggen
Mit Google-Account einloggen
Noch kein Account? Hier anmelden.
