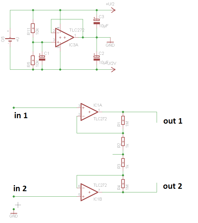
Hallo, ich verzweifel jetzt seit einigen Tagen und nach vielen Stunden langsam wirklich an einer eigentlich sehr simplen Schaltung, ich hoffe und bitte um eure Unterstützung! Ich weiß sonst nicht mehr, was ich noch machen soll. Bitte schaut euch erstmal meine Doku an, bevor ihr "TRIVIAL" schreit, das habe ich nämlich auch getan, bis ich mit meinem latein am ende war. Falls jemand von euch die triviale lösung sieht und mir an den kopf werfen kann: Ich würde mich freuen! Der Aufbau ist (eigentlich) schlicht: Die Erste Stufe eines Instrumentenverstärkers soll über eine symmetrische Spannungsquelle versorgt, ein Signal um den Faktor 1000 verstärken. Das ist alles. Schaltung und Aufbau sowie Oszi-Bild ist angehängt.Die symmetrische Spannungsversorgung ist über einen Opamp geregelt, die eine virtuelle Masse zwischen U+ und GND erzeugt. Im Schaltplan sind noch kondensatoren dabei, die im Foto jedoch fehlen, weil ich mit Batterien versorge. Mein Problem, das ich nun seit tagen nicht gelöst bekomme und einfach nicht verstehe: Der Verstärkungsfaktor der Stufe errechnet sich zu (2*R2/R1 +1), wobei im Eagle Schaltbild die beiden 1MegOhm Widerstände R2 sind und die beiden 1kOhm Widerstände (also 2k) R1. Verstärkung sollte also 1001 sein und damit ein mV Sinus-Signal zwischen den beiden Eingängen In1 und In2 in den Voltbereich verstärken, also zwischen den beiden Ausgängen Out1 und Out2 als V Sinus erscheinen. Das Eingangssignal ist aus meiner Soundkarte und kommt über einen Spannungsteiler (im Foto Nr. 2) kleiner gemacht als Signal zwischen 3 und 12mV über In1 (Signal) und In2 (GND) in die Schaltung. Und nun die Probleme: 1. Bei Messung des Ausgangssignals zwischen Out1 und Out2 messe ich NICHTS! Dass ich dort (und nicht etwa gegen mein virtuelles GND) bereits das um den gewünschten Faktor verstärkte Signal messen sollte, zeigt die Spice Simulation (siehe auch Anhang). 2. Messe ich von einem der Ausgänge Out1/2 gegen VGND bekomme ich zwar ein verstärktes Signal, jedoch stimmt die Verstärkung nicht, sie liegt immer unterhalb (um einen faktor 10 bis 2) des gewünschten faktors 1000. Die Widerstände sind mehrmals nachgemessen und stimmen sicher. Die ganze Schaltung ist ja wohl völlig übersichtlich und ich habe sie inzwischen mehrmals neu aufgebaut. Ich bin mit meinem latein am Ende. Letzte Anmerkungen: - die Opamps sind TLC272er und nicht defekt. ich habe drei und alle ausprobiert - außerdem arbeiten sie ja - blos nicht so wie ich will. - die Spannungsversorgung funktioniert, ich messe überall da, wo ich sollte, meine +- 4,5V gegen VGND. Wenn ihr mir IRGENDWIE weiterhelfen könntet, ich wäre euch wirklich dankbar! Alle Fragen beantworte ich dazu gerne! Mit besten Grüßen Alex
zur Ergänzung der Anhänge: - Das Bild der Spice-Simulation zeigt das Signal zwischen Out1 und Out2, also zwischen den beiden Ausgängen der Impedanzwandler - das Oszibild zeigt das Eingangssignal zwischen In1 und In2 (blau) und das verstärkte Ausgangssignal gemessen zwischen Out1 und VGND (und eben nicht zwischen Out1 und 2).
Mach unbedingtr die Abblockkondensatoren rein. 100nF direkt am opamp. Danach nochmal messen, auchmal ohne Eingangssignal und mit kleineren Zeitbasen, wahrscheinlich schwingt das ganze Ding.
Der opamp ist für die virtuelle Masse nicht geeignet, kann nicht genug Strom liefern. Warum zapst Du nicht zweischen den Batterien eine Masse ab? Messe mal v+ und v- gegen die virtuelle Masse.
Hans Mayer schrieb: > Der opamp ist für die virtuelle Masse nicht geeignet, kann nicht genug > Strom liefern. > Mach unbedingtr die Abblockkondensatoren rein. > 100nF direkt am opamp. > Danach nochmal messen, auchmal ohne Eingangssignal und mit kleineren > Zeitbasen, wahrscheinlich schwingt das ganze Ding. Eigentlich sollte ja fast kein strom fließen, weil die ausgänge nicht belastet sind oder? Ich habe momentan leider keinen anderen OpAmp. Kondensatoren habe ich wieder dazugesteckt, die waren aber (leider) am Anfang meines Aufbaus auch schon drin, habe sie nur rausgenommen um Fehlerquellen zu eliminieren. Ich mache grad mal nen oszi-screenshot ohne eingangssignal > Warum zapst Du nicht zweischen den Batterien eine Masse ab? > Messe mal v+ und v- gegen die virtuelle Masse. Weil das ganze mal (bzw zwischendurch) mit 9V Block versorgt wird und da gehts ja nicht. V+ und V- gegen die Masse sind ziemlich genau +4,5 und - 4,5V mit 9V block und +2,85 bzw -2,85 mit 4xAABlock - und die brechen auch nicht ein während alles läuft...
das ist das signal das ich zwischen Out2 und VGND messe wenn kein eingangssignal anliegt..
ich habe das ganze auch nochmal mit GND zwischen 2x2AA Batterien (also +-3V) getestet mit dem selben Ergebnis (ausgangssignal wie im oszibild ganz oben)... versteht das IRGENDjemand?
ich meine nicht die Elkos, sondern Abblockkondensatoren direkt an den Opamps.
ich drehe außerdem momentan ständig am Eingangssignal aus der soundkarte... die verstärkung ist signalstärkeabhängig (soll heißen sie wird höher je stärker das signal ist). bei eingangssignalpegel peak to peak von 15mV ergibt sich eine Verstärkung von 350... um gleich vorwegzunehmen: Ich habe das ganze auch shcon mit einem signal aus einem signalgenerator getestet.
Klingt jetzt altklug, aber bei Instrumentenverstärkern fährt man besser wenn man einen fertigen kauft. Es gibt preiswerte. Wenn es wirklich handgestrickt sein muss: nimm das 2-OPA-Design, das mit den dreien macht oft mehr Ärger. Virtuelle Massen sind bei INAs ganz ganz schlecht!
Hmm, grad nochmal überlegt: kann es seinm dass Du die Chips gebraten hast? der TLC272 ist extrem anfällig gegen Überspannung der Versorgung und ESD!!!!! Schlimmstes Bauteil überhaupt in der Hinsicht.
Oldman schrieb: > Hmm, grad nochmal überlegt: kann es seinm dass Du die Chips gebraten > hast? der TLC272 ist extrem anfällig gegen Überspannung der Versorgung > und ESD!!!!! Schlimmstes Bauteil überhaupt in der Hinsicht. ja, das dachte ich auch aber ich habe drei davon getestet und - die schaltung läuft ja. er verstärkt ja (sogar sauber) nur nicht so wie ich will.. um genau zu sein verstärkt er jetzt gerade zwar mit Faktor 1000 - aber nur wenn den mittleren Widerstand (R1) um faktor 2 verkleinere, also statt 2k 1kOhm nehbe UND wenn ich das Vrms (anstatt Vpp) beider Signale messe (letzteres dürfte wohl am rauschen des kleinen Eingangssignals liegen)...
Eine Verstärkung von 1000 ist schon viel. Da bekommt man bald Probleme mit den Offsets der OPVs. Probier doch erst mal die Schaltung stabiel mit 100 zum laufen zu bekommen. Teste doch auch mal nicht so hochohmige Widerstände. Bei einem Megaohm könnten die Ströme an den OPV-Eingängen das ganze schon beeinflussen.
Tom B. schrieb: > Teste doch auch mal nicht so hochohmige Widerstände. Bei einem Megaohm > könnten die Ströme an den OPV-Eingängen das ganze schon beeinflussen. jo eben gemacht, statt 1Meg 100k und statt 2k 220 genommen. das selbe in grün ... -.-
Noch eine Erkenntnis, die ich nicht verstehe: DIe Schaltung zeigt ein hochpassverhalten - die Verstärkung von 1000 (die ich in jedem fall und bei jeder frequenz nur erreiche, wenn ich R1 halbiere) bekomme ich nur bei einem eingangssignal von ca. 100Hz (und mehr, allerdings wird das signal bei 1k schon wieder gedämpft). Bei einem Signal unter 10Hz (wie ich es ja brauche weil das ganze ein EKG verstärkeraufbau werden soll) habe ich bei gleichem Aufbau nur noch eine Verstärkung von 25. Im Aufbau sind keine Filter eingebaut! die einzigen kondensatoren befinden sich an der symmetrischen spannungsversorgung und das verhalten ändert sich nicht, wenn ich auch diese herausnehme.,..
Hallo exxeqtor, wenn ich mir das stark verrauschte Signal aus newfile0 anschaue und das Rauschen mal abziehe, komme ich auf ein Peak2Peak von weniger als 1/2 Div. Das können also gut 2 mV sein, was dann gut zu den 1 V P2P einem Ausgang passt. Erst die Differenz ist mal 1000. Gruß
Rigol baut m.W. keine Oszis mit potentialgetrennten Eingängen. Somit sind die beiden Masseklemmen geerdet und miteinander verbunden. Da du sie an verschiedenen Punkten in der Schaltung anschließt, schließt du diese beiden Punkte damit kurz. Da die Masseleitung des Soundkartenausgangs vermutlich ebenfalls geerdet ist, ist auch sie mit den Masseklemmen des Oszis verbunden. Du musst also alle drei Masseklemmen am gleichen Punkt in der Schaltung anschlie- ßen, sonst gibt es Kurzschlüsse. Bei dem Differenzverstärker musst du darauf achten, dass an den Eingän- gen nicht nur die Differenz-, sondern auch die Gleichtaktspannung so klein ist, dass bei der hohen Verstärkung keiner der beiden Opamps in den Anschlag läuft. Soll die Soundkarte die beim EKG am Körper abgegriffenen Signale simu- lieren? Ein echtes Differenzsignal liefert sie ja nicht, weil eine der Ausgangsleitungen fest auf Masse liegt. Du solltest aber trotzdem ein vernünftiges Ausgangssignal am Instrumentenverstärker bekommen, wenn du Anschluss 5 im Foto als Massepunkt definierst, alle drei Masseklemmen und zusätzlich die virtuelle Masse dort anschließt. Damit kannst du schon einmal jede der beiden Ausgangsspannungen für sich messen. Um die Differenzausgangsspannung zu messen, schließt du an jeden Ausgang einen der Oszitastköpfe an und stellst das Oszi so ein, dass es automatisch die Differenz der beiden Kanäle bildet.
hallo joachim, danke das mit dem Rauschen ist ein Argument, das mir vorhin auch schlüssig schien- und es erklärt warum die vrms-messungen schon wesentlich befriedigender sind! Joachim schrieb: > Erst die Differenz ist mal 1000. ich habe hinter die impedanzwandlerstufe jetzt auch die differenzverstärkerstufe (ohne verstärkung) geschaltet und messe dort genau eine verstärkung von 500. leider. also immernoch der böse Faktor 2. Mit einem 1k Ohm widerstand stimmt die verstärkung dann. ABER eben (s.o.) nur bei ca. 100 Hz. Ich versteh noch nich wieso das ganze frequenzabhängig verstärkt, das dürfte ja wohl so nicht sein!?
Du hast eventuell ein Problem mit der Masse, wenn du sie Masse der Soundkarte an In1 oder In2 anschliesst, musst du dort auch die Massen der Osziloskope anschliessen, und nicht an VGND. Versuch mal das Eingangssignal und auch die Eingangsmase über große Elkos (5Hz?) einzukoppeln ohne galvanische Verbindung.
Marcus Overhagen schrieb: > Du hast eventuell ein Problem mit der Masse, wenn du sie Masse der > Soundkarte an In1 oder In2 anschliesst, musst du dort auch die Massen > der Osziloskope anschliessen, und nicht an VGND. könntest du das genauer erklären? ich habe das gefühl dass es irgendwie den nagel auf den kopf trifft (unter anderem weil ich solche probleme bisher immer nur bei aufbauten mit symmetrischer versorgung hatte)!
Du hast ziemlich wahrscheinlich eine Verbindung zwischen Masse-Soundkarte und Masse-Oszilloskop über die Steckdosen oder ähnlich.
exxeqtor schrieb: > ... > Ich versteh noch nich wieso das ganze frequenzabhängig verstärkt, das > dürfte ja wohl so nicht sein!? Bread Boards haben zum teil erstaunlich hohe Kapazitäten.
Yalu X. schrieb: > Rigol baut m.W. keine Oszis mit potentialgetrennten Eingängen. Somit > sind die beiden Masseklemmen geerdet und miteinander verbunden. Da du > sie an verschiedenen Punkten in der Schaltung anschließt, schließt du > diese beiden Punkte damit kurz. hallo Yalu, irgendwie habe ich deinen post übersehen (weil ich parallel dazu geschrieben und geposted habe) - danke für deine antwort! Die probleme sind leider auch bei einem Tektronix oszi aufgetaucht - weißt du, wie das mit denen steht?
Was passiert wenn du reinen DC reingibst?
ich kann es gerade nicht testen, ich habe aber an beide eingänge mal ein gleichtaktsignal angelegt und bei der konfiguration von Eingangssignal Gleichtakt: 100Hz, A=1,56V und Eingangssignal Differenziell: 100Hz, A=5mV eine Gleichtaktunterdrückung von 78 dB bekommen
exxeqtor schrieb: > Die probleme sind leider auch bei einem Tektronix oszi aufgetaucht - > weißt du, wie das mit denen steht? Auch die allermeisten Tektronix-Oszis haben geerdete und damit unter- einander verbundene Masseleitungen. Eine Ausnahme bilden die batterie- betriebenen Modelle. Da bei Batteriebetrieb keine Erdung über den Schutzleiter des Netzanschlusses möglich ist, sind die Masseleitungen der einzelnen Kanäle aus Sicherheitsgründen auch untereinander isoliert. Den dafür getriebenen Aufwand lässt sich der Hersteller gut bezahlen. Gewöhne dir einfach an, die Masseklemmen des Oszis immer nur an die (möglicherweise geerdete) Masse der zu prüfenden Schaltung anzuschlie- ßen, dann ist die Gefahr am geringsten, dass du Mist misst oder gar etwas kaputt machst. Zu Messung von Spannungsdifferenzen nimmst du am besten zwei Kanäle und die Differenzfunktion des Oszis.
Bitte melde dich an um einen Beitrag zu schreiben. Anmeldung ist kostenlos und dauert nur eine Minute.
Bestehender Account
Schon ein Account bei Google/GoogleMail? Keine Anmeldung erforderlich!
Mit Google-Account einloggen
Mit Google-Account einloggen
Noch kein Account? Hier anmelden.




