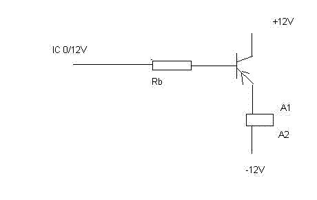
Hallo, wie der Betreff verrät stehe ich vor dem Problem, dass ich ein Schütz mit einem Transistor schalten möchte. Das Schütz liegt fest mit A2 auf -12V und kann nicht geändert werden. Es benötigt einen Strom von 86mA. Der Transistor soll von einem IC welcher 12V schaltet gesteuert werden und meine 24V (12V)/-12V)schalten. Mein Grundgedanke ist, dass ich den IC und einem Rb auf die Basis des Transistor bringe, die +12V auf den Kollektor und das Schütz an den Emitter, welcher auf -12V geht. Was mich an der ganzen Sache irritiert sind halt die -12V, wo sonst halt 0V sind. Kann der Grundgedanke so funktionieren oder Bedarfs da einer anderen Schaltung. Danke für Eure Hilfe Gruß Tobi
Tobias Franz schrieb: > Kann der Grundgedanke so funktionieren oder Bedarfs da einer anderen > Schaltung. Nein. Wenn die Basis deines Transistors auf 0V liegt hast du am Emitter -0.7V und damit 11.3V noch immer ueber der Spule liegen. Du brauchst einen PNP Transistor. Allerdings hast du dann eine Invertierung. Willst du die nicht haben brauchst du noch einen zusaetzlichen NPN. Siehe auch Pegelwandler.
Vor die Basis eine 12v Z -Diode, statt dem T ein Darlington und Freilaufdiode am Schütz nicht vergessen. Dann schützts.
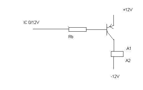
Onkel Dagobert schrieb: > Vor die Basis eine 12v Z -Diode, statt dem T ein Darlington und > Freilaufdiode am Schütz nicht vergessen. Dann schützts. Funktioniert auch nicht. Dann ist die Spannung am Emitter -12V und -0.7V.
Hallo nimm einen Optokoppler und gut ist.
Ups, saudumm, das lag wohl am Bier beim Grillen. (Kopf an Wand schlag... Au au ! ) Optokoppler ist die eleganteste Lösung.
Zuerst einmal Danke Helmut Lenzen schrieb: > Nein. Wenn die Basis deines Transistors auf 0V liegt hast du am Emitter > -0.7V und damit 11.3V noch immer ueber der Spule liegen. Du brauchst > einen PNP Transistor. Allerdings hast du dann eine Invertierung. Willst > du die nicht haben brauchst du noch einen zusaetzlichen NPN. @Helmut Wenn ich nun einen PNP Transistor und statt z.B einem AND ein NAND IC benutze würde doch die Invertierung aufgehoben? Für die Berechnung von Rb würde ich dann so vorgehen: Ib= Ic(86mA) / hFE Rb= (12V -0,7V) / Ib Gruß Tobi
Hallo das Problem löst du so nicht. Wenn dann mußt du den Emitter vom PNP an +12V legen. Kollektor zum Relais. Dann fehlt die Freilaufdiode.
Nachtrag: Wenn deine Logik nur 11,3V schafft, fehlt noch ein Widerstand zwischen Basis und Emitter.
Zum Schluß allen nochmals ein Danke! Problem konnte mit PNP Transistor gelöst werden. Gruß Tobi
Bitte melde dich an um einen Beitrag zu schreiben. Anmeldung ist kostenlos und dauert nur eine Minute.
Bestehender Account
Schon ein Account bei Google/GoogleMail? Keine Anmeldung erforderlich!
Mit Google-Account einloggen
Mit Google-Account einloggen
Noch kein Account? Hier anmelden.


