Hi Leute, habe mir diesen Programmer zusammengebaut, weil ich halt alles dafür zu Hause hatte. http://www.mikrocontroller.net/attachment/preview/66414.jpg Nur geht da überhaupt nix. Als C`s am Quarz habe ich 39 pF genommen, der Quarz hat nen Wert von 14,31818 MHz. AVR erkennt aber den ATTINY2313 nicht, auch wenn ich ihn dann manuell auswähle und den Test mit der Busy-LED starte, tut sich nix auf der Platine. Kann es daran liegen, dass der Quarz nicht schwinkt, oder ist an der Schaltung was falsch? Oder muss ich AVR erst konfigurieren, damit die Parallelschnittstelle benutzt wird? Gruß Andi
Ich hoffe erstmal, das du wirklich nur 39p (besser 22p) am Quarz hast, denn die Werte im Schaltplan sind natürlich völlig daneben. Allerdings sollte ein fabrikfrischer ATTiny sowieso auf den internen Oszillator gefused sein, da ist es egal, ob ein Quarz angeschlossen ist oder nicht. Schaden tut er aber nicht. Die 'Busy' LED kann auch erst dann leuchten/blinken, wenn ein Programm im Tiny ist. Bei einem leeren passiert da erstmal nichts. Dein Problem ist vermutlich eines dieser: * Der Kondensator am Reset Pin ist zu gross. Es ist durchaus legitim, ihn ganz zu entfernen oder ihn durch was kleines (10n) zu ersetzen. * Das Brennprogramm hat Probleme, auf den Druckerport zuzugreifen. Das kannst du checken, indem du mal eine LED mit Vorwiderstand an den Tiny Reset Pin machst. Beim Brennen wird dieser auf low gezogen, um den MC in den Programmiermodus zu bringen. Im Normalbetrieb ist er dann high. * Die Software ist nicht kompatibel mit deinem System. Sag uns mal, welche Software du benutzt und was für ein Betriebssystem bei dir läuft.
dolf schrieb: > den schaltplan nutz ich schon jahre lang an der µsps > mfg äh hab ich auch vergessen zu sagen... ponyprog2000 und win xp pro_sp3 lpt ist aufm mainboard . mfg
Hi, habe, um sicherzugehen, neuen Quarz 16MHz und 22pF gekauft und eingebaut. AVR erkennt ihn trotzdem nicht. Betriebssstem ist Win 98, weil nur an dem Rechner habe ich nen LPT-Port. Programm ist die Demo von MCS-Electronics BASCOM-AVR. Habe ich frisch runtergeladen. Muss man dem Programm eventuell irgendwo sagen, welches D-Bit auf welchen Port des 2313 gelangt? Gruß Andi
Ach so, BASCOM-AVR hat im Flash-Programm die Möglichkeit, zu testen. ZB. Busy-LED. Ich denke, wenn man das startet, soll wohl die LED leuchten. Tut sie nicht... Wenn ich auf die Funktion "Flash auslesen" oder "Flash ereasen" gehe, läuft der Fortschrittsbalken durch, so dass es aussieht, als ob Verbindung besteht. Gehe ich auf Burning to Flash", verharrt er bei 0 %. Gruß Andi
Nur zur Info. Wenn ich in AVR auf "Send to Chip" gehe, kommt, bevor das Flash-Fenster aufgeht, die Fehlermeldung "Could not identify chip with ID:FFFFF"und "selected chip and target chip do not match AT90S1200"
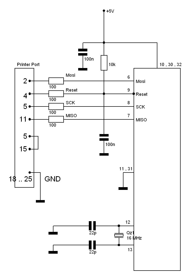
@ Dolf, bei deiner Schaltung sind ja ganz andere Pins vom LPT belegt wie auf meiner. Langsam bin ich verwirrt.
Hi Dolf, habe deine Schaltung nachgebautund es funktioniert. Ist denn im anderen Forum, wo ich die erste Schaltung herhatte, niemandem aufgefallen, dass sie gar nicht funktioniert? Komisch. Danke für die Lösung. Gruß Andi
Ich nehme an du arbeitest in eine Bascom_AVR-Oberfläche. Und so wie du die LPT belegt hast entspricht das dem SP12 Programmer. Also must du die Optionen nach folgender Anleitung einstellen: http://www.mitchsoft.de/Tips/BascomIDE/HEX_brennen/index.html Hans Peter
Bitte melde dich an um einen Beitrag zu schreiben. Anmeldung ist kostenlos und dauert nur eine Minute.
Bestehender Account
Schon ein Account bei Google/GoogleMail? Keine Anmeldung erforderlich!
Mit Google-Account einloggen
Mit Google-Account einloggen
Noch kein Account? Hier anmelden.

