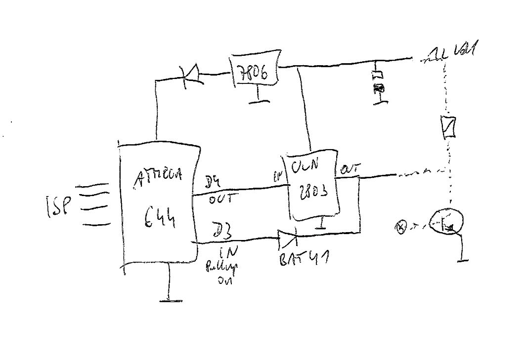
Schönen Guten Tag, hab hier folgendes Problem (sh. Skizze) Mit Hilfe des ULN2803 wird auf 12-Volt Basis ein Relais geschaltet, dass (skizziert durch einen Transistor auch von einem Funkempfänger geschaltet wird). Dieser Teil ist aber gar nicht angesteckt, sprich angeschlossen. Auch die 12 Volt-Versorgung ist für den Test nicht angeschlossen. Die Schaltung erhält zum Testen nur die 5 Volt über ISP. Jetzt tritt folgendes auf: D4-Out ist 0, D3-In soll erkennen, ob der Funkschalter eventuell geschaltet hat, hier wird über die Schottky-Diode BAT41 dann das Massesingal an den als IN-gesetzten PIN übertragen. Der Pullup-Widerstand bei D3 ist eingeschaltet. Wenn ich jetzt nur ISP verbinde, steigt die Spannung (so binnen 10 Sekunden) an D3 langsam von 0 Volt auf 2,45 Volt und bleibt dann dort. Irgendwie dürfte über den ULN2803 hier der Kondensator aufgeladen werden. Wie kann ich das verhindern, sodass die Schaltung auch im "Testbetrieb", Spannungsversorgung nur über ISP - ordnungsgemäß funktioniert.
Was ich nie verstehen werden: Warum muss man jeden Pfurz in ein PDF oder eine Word-Datei verpacken. Ist doch nur Aufwand
Sorry, wird nicht wieder vorkommen, nur mein Drucker/Scanner ist so vorprogrammiert, dass er gleich auf USB als pdf scannt.
> Auch die 12 Volt-Versorgung ist für den Test nicht angeschlossen.
D.h. der ULN hat keine Spannungsversorgung?
Da kann man wohl kaum von 'Testbetrieb' sprechen. Ein IC, der eine
Spannungsversorgung haben möchte, möchte die nun mal. Er ist nicht
darauf ausgelegt, irgendetwas Definiertes zu tun, wenn die fehlt.
Manfred S. schrieb: > Sorry, wird nicht wieder vorkommen, nur mein Drucker/Scanner ist so > vorprogrammiert, dass er gleich auf USB als pdf scannt. Normal hätt ich nichts gesagt. Mich hat nur geärgert, dass ich den Monitor um 90° drehen muss / den Kopf schief halten muss, um die Schaltung zu betrachten.
Danke, OK -das nächste Mal wirds gedreht und als GIF hochgeladen oder vielleicht sogar in SPLAN gezeichnet. Die 12 Volt Stufe hängt nicht dran- das sollte aber beim ULN 2803 nichts machen, da er ja nur Darlington-Treiberstufen mit Schutzdioden hat. Aber vielleicht mach ich auch einen Denkfehler: der Ausgang soll quasi als Eingang überwacht werden. Wird das Relais vom Atmega geschaltet, weiß ich das ja softwaremäßig, wird der Ausgang vom Funkschalter geschaltet, soll die Schaltung das auch mitprotokollieren. Der Relaiskontakt dient letzten Endes als Ein- und Ausgang. Ich hab schon überlegt, ob 1 PIN reicht oder das Ganze anders gelöst werden sollte (vielleicht ein Optokoppler)
Hi >D.h. der ULN hat keine Spannungsversorgung? Der braucht keine. >Irgendwie dürfte über den ULN2803 hier der Kondensator aufgeladen werden. Sieh dir mal die Innenschaltung vom ULN an. Da geht eine Diode in Flußrichtung vom Ausgang nach PIN10, der bei dir am Kondensator angeschlossen ist. MfG Spess
> Sieh dir mal die Innenschaltung vom ULN an. Da geht eine Diode in > Flußrichtung vom Ausgang nach PIN10, der bei dir am Kondensator > angeschlossen ist. Ja, stimmt - da geht doch glatt über den Pull-Up Widerstand vom Atmega von D3 in umgekehrter Richtung +über die BAT41 und die Schutzdiode vom ULN 2803 die +5 Volt Spannung an den Ladekondensator - hurra, ich hab einen unbeabsichtigten hardwaremäßigen Zeitschalter programmiert. Nur wie kann ich das Lösen, ich tüftle gerade an einer Lösung, die mit nur 1 PIN auskommt - muss dabei aber aufpassen, dass nicht die vollen 12 Volt an den Atmega-PIN kommen. Hat wer Ideen?
Hmm. Diode zwischen +12 und Pin 10? Dein Relais wird wohl nicht auf akkuraten 12V bestehen. Edit: Allerdings kann dann die bewusste interne Diode nicht mehr als Freilaufdiode für das Relais dienen.
Hallo, danke für die Infos und Tipps, Optokoppler hatte ich schon probiert, dann war mir aber unklar, ob nicht irgendwelche Resttröme am Relais anliegen. Auch die Idee von Hr. Buchegger mit der Diode an PIN10 wäre genial, allerdings hängt am ULN2803 auch noch ein magnetischer Türöffner sowie ein weiteres Relais und ein Lautsprecher, da brauch ich die Schutzdioden. Ich hab jetzt eine einfache aber effektive Änderung vorgenommen (sh. Bild), weiß aber nicht, ob die Spannungsregler das so mögen, wenn die 12 Volt anliegen. Der 1k Widerstand dient als Strombegrenzung und zum Schutz der ISP-Versorgung falls das Ganze einmal bei abgeschalteter 12 Volt Versorgung betrieben wird. Ist das eine Möglichkeit oder gefährlich?
Bitte melde dich an um einen Beitrag zu schreiben. Anmeldung ist kostenlos und dauert nur eine Minute.
Bestehender Account
Schon ein Account bei Google/GoogleMail? Keine Anmeldung erforderlich!
Mit Google-Account einloggen
Mit Google-Account einloggen
Noch kein Account? Hier anmelden.

