Hallo, ich habe eine Frage zum Thema Oszilloskop: Fragestellung: Gegeben sei ein preiswertes Oszilloskop mit einer Eingangskapazität von 50 pF und einem Eingangswiderstand von 1 MΩ. a) Zunächst soll mit dem Oszilloskop die Diagonalspannung Ud einer Wheatstonebrücke gemessen werden, die als Ausschlagbrücke arbeitet. (Das Oszilloskop sei gegenüber der Messanordnung potentialfrei, d.h. ein Abgriff der Diagonalspannung ist möglich.) Hierbei ist U0 = 15 V aus idealer Quelle, R2 = R3 = R4 = R0 = 500 kΩ, R1 = Rx = 800 kΩ. Bestimmen Sie nun die tatsächliche und die mit dem Oszilloskop gemessene Diagonalspannung Ud ! Mein Lösungsansatz: tatsächliche Diagonalspannung Ud: Ud= U0* (500kΩ*500kΩ - 800kΩ*500kΩ)/((800kΩ+500kΩ)*(500kΩ+500kΩ))=-1,7V ist das richtig? Oszilloskop gemessene Diagonalspannung Ud : hier muss ich wahrscheinlich nur Eingangswiderstand betrachten und Eingangskapazität weglassen? wie ist den der Oszilloskop mit der Wheatstonebrücke verbunden? b)Das Oszilloskop soll nun mit einem Tastkopf so erweitert werden, dass der Fehler in der Messanordnung auf höchstens 1% begrenzt wird. Es ist ein Frequenz unabhängiges Teilerverhältnis zu realisieren. Bestimmen Sie aus diesen Anforderungen die Werte der Tastkopfelemente RT und CT. Setzen Sie dabei den aus der obigen Forderung gefundenen Widerstandswert auf die nächsthöhere Zehnerpotenz. Geben Sie den resultierenden Eingangswiderstand und die Eingangskapazität an. Wäre um jede Hilfe und Tipps sehr dankbar. Vielen Dank im voraus. MFG
Nachdem du die theoretische Spannung ausgerechnet hast, kannst du noch den Innenwiderstand der Schaltung aus sicht der Klemmen Ud berechnen. Damit lässt sich dann eine Ersatzspannungsquelle mit Leerlaufspannung und Innenwiderstand "aufbauen". Diese wird dann durch den Tastkopf belastet und die Klemmenspannung kann berechnet werden. Für den zweiten Teil musst du diese Rechnung quasi rückwärts aufrollen: Bei welcher Belastung wird der Fehler kleiner als 1%? Dann weißt du den Widerstand, den der Tastkopf + Vorbau haben muss. Die Frequenzgangkompensation mit einem weiteren C kannst du dann anhand des Teilverhältnisses ausrechnen. :-)
> Ud= U0* (500kΩ*500kΩ - 800kΩ*500kΩ)/((800kΩ+500kΩ)*(500kΩ+500kΩ)
Das ist bestimmt falsch.
Skizziere bitte die Schaltung. Wenn du was ganz Gutes tun willst, dann
zeichne es in LTspice da es dann gut lesbar ist.
Was bringt die Frequenzkompensation des Tastkopfes, wenn das Brückensignal durch die kapazitive Belastung so oder so schon verfälscht wird? Über den Fehler durch Anschließen des Oszilloskops läßt sich nur wenig sagen, solange der Frequenzbereich in der Aufgabenstellung nicht genannt ist. Egal ob mit oder ohne Tastkopf bleibt ein frequenzabhängiger Fehler.
Der Frequenzbereich ist genannt: f=0Hz (DC), siehe Wheatsone-Brücke. Das CT ist in diesem Fall nur theoretischer Natur (damit der Proband noch etwas mehr zu rechnen hat).
Hallo, ich habe deine Frage mal gelesen, beschäftige mich auch mit Oszilloskopen und ich würde gerne wissen, warum denn der folgende Ausdruck falsch ist, weil du doch geschrieben hast, das der Ud für die tatsächliche Diagonalspannung, also laut der Aufgabe ohne Oszilloskop. Da müsste das doch stimmen? Helmut S. schrieb: > Ud= U0* (500kΩ*500kΩ - 800kΩ*500kΩ)/((800kΩ+500kΩ)*(500kΩ+500kΩ) > > Das ist bestimmt falsch.
@Miriam Da wir nicht mal wissen wie die Schaltung aussieht, musste man sich eine ausdenken. Allerdings sieht seine Formel so seltsam aus, dass ich sicher bin, dass sie falsch ist. Ich sag nur Kristallkugel. :-) Bei dieser Aufgabe müssen wir auf den TE bis Montag warten da auch Studenten die 5 Tage Woche haben.
Danke für die Antworten, also zu der Aufgabe gib es keine Schaltung in der Aufgabenstellung. Habe mir auch das Buch plus CD von Pspice geholt, aber es lässt sich nicht installieren. Also an Ud kommt das Oszilloskop an und es ist nur RE, weil die Frequenz null ist?
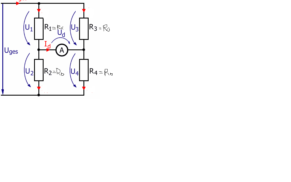
Helmut S. schrieb: > Woher weißt du wie R0, R1, R2; R3, R4 und Rx verschaltet sind? Ich nehme an, dass meine Brücke so aussieht (Anhang) R2=R3=R4 also gleich R0 und R1=RX
OK, damit kann man rechnen. a) Re=1MegaOhm Ud am besten mit Ersatzquellen berechnen Ud = U0*(R0/(Rx+R0)-0,5) * Re/(R0*Rx/(R0+Rx)+R0/2+Re) Ud = -1,111111V ---------------- b) Der Fehler durch den hinteren Faktor soll < 1% sein. Re/(R0*Rx/(R0+Rx)+R0/2 + Re) = 0,99 Re/(x+Re) = 0,99 Re= 99*x Re = 99*(R0*Rx/(R0+Rx)+R0/2) Re >= 55,21MegaOhm ------------------
Bitte melde dich an um einen Beitrag zu schreiben. Anmeldung ist kostenlos und dauert nur eine Minute.
Bestehender Account
Schon ein Account bei Google/GoogleMail? Keine Anmeldung erforderlich!
Mit Google-Account einloggen
Mit Google-Account einloggen
Noch kein Account? Hier anmelden.
