Meine Instrumentenverstärkerschaltung ist wenn ich go drücke irgendwie endlos... Bitte um Hilfe eurerseits. Danke im Voraus :)
Das "untere" Ende der Brücke hängt in der Luft! R14 geht an 3 OpAmp-Eingänge...
Anscheinend soll es sich um eine Application vom Lt1167 handeln? http://www.datasheetcatalog.org/datasheet/lineartechnology/1167fa.pdf Seite 20. Dann muss man aber auch die Schaltung 1:1 übertragen, wenn das funzen soll. Rset fehlt, die Diode oben links müsste eine Spannungsreferenz mit 1,25Volt sein (und nicht eine Diode 4148), die Werte von R8/9 sind vertauscht und von den anderen Werten der Brücke, mal ganz abgesehen, sind auch nicht wie in der Application. Wie soll das so Fehlerhaft funktionieren?
Beim Rset weiss ich nicht, wie ich den Widerstand einstellen muss, da dies ja manuell später geschieht...
Die Versorgungspannung von U4 und U5 fehlt, die von U6 ist verkehrt herum angeschlossen und und und ...
Yalu X. schrieb: > U4 und U5 fehlt Fehlt nicht, wenn vier Op in einem Gehäuse sind. Bei der Messbrücke hab ich auch noch so Zweifel, das das hinzeichnen von vier Widerständen da was bewirkt. Ich hab da jetzt nicht so sehr recherchiert, aber ist das nicht ein Drucksensor? Dann müsste man ein Simulationsmodel von dem Teil für LTspice ergoogeln und einbinden, sonst nützt einem der Simulator nicht viel wenn man da nix brauchbares anzeigen kann.
Ja Michael es ist eine Auswerteschaltung für einen piezoresistiven Druckaufnehmer.
Michael S. schrieb: > Yalu X. schrieb: >> U4 und U5 fehlt > > Fehlt nicht, wenn vier Op in einem Gehäuse sind. Weiß das auch LTspice?
Vielleicht ist D1 ja eine 3V-Zenerdiode? D5 ist wohl auch nur ein Platzhalter für eine Referenz- oder Zener-Diode.
Gewöhnlich wirds in einer Messschaltung immer eine stabile Referenzspannung geben, sonst wird man sich auf Messwerte nie verlassen können. Wenn man mal sich die Mühe macht und sich die Application anschaut wird man schon nachvollziehen können was da hin soll und ob es Sinn macht.
Michael S. schrieb: > Yalu X. schrieb: >> Weiß das auch LTspice? > > Frag LtSpice. Muss ich nicht. Die Frage war rhetorischer Natur, und die Antwort ist "Nein". Wenn ein Spice-Modell Versorgungsspannungsanschlüsse hat, müssen die auch angeschlossen werden, sonst passieren seltsame Dinge. Kannst es ja gerne mal ausprobieren.
Yalu X. schrieb: > Wenn ein Spice-Modell Versorgungsspannungsanschlüsse hat, müssen die > auch angeschlossen werden, sonst passieren seltsame Dinge. Kannst es ja > gerne mal ausprobieren. Komisch nur, das bei mir bei jedem Op vom Lt1114 eine Versorgung vorgesehen ist, beim TO jedoch nicht. Ob er da wohl selbst Hand angelegt hat? Dann muss man sich nicht wundern.
Meine Simulation klappt nun, meine 3 einzigsten Fragen, die ich nun noch hätte sind: 1. Stimmt meine Spannungsversogung nun? 2. Bräuchte die genauen Model-Daten der Diode D5 LT1634CCZ-1.25, da ich es nicht gefunden habe im Internet. 3. Was ist mit dem Rset, da der veränderliche Widerstand ja im Gehäuse ist bei den Brückenwiderständen R1, R2, R3, R4? Oder muss ich die Widerstände R1, R2, R3, R4 entfernen? Ich finde leider im Internet nicht das Symbol LUCAS NOVA SENSOR NPC-1220-015A-3L für LT Spice... Danke im Voraus, Ihr habt mir mit euren bisherigen Antworten wirklich sehr geholfen :)
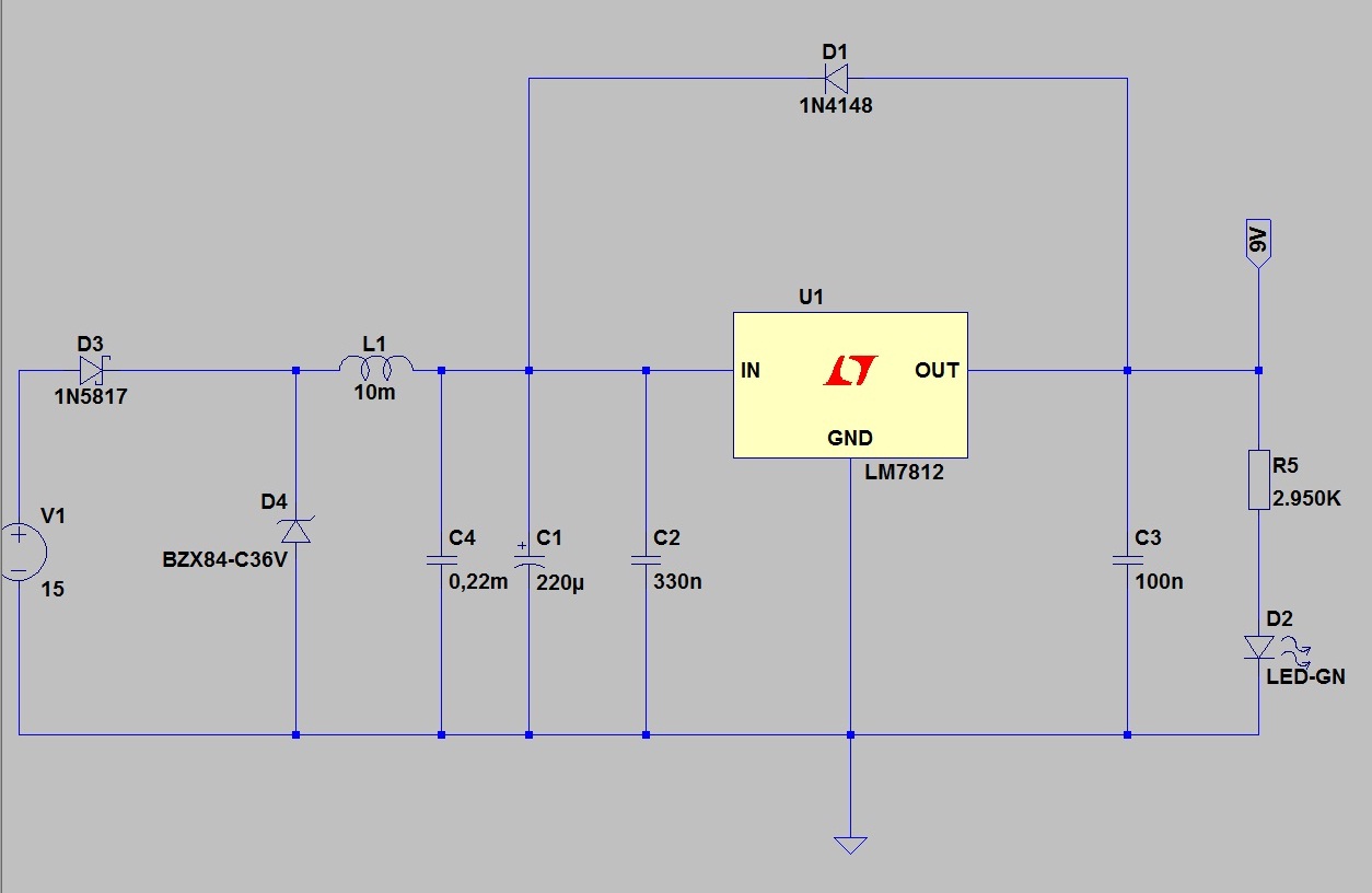
Mike K. schrieb: > 1. Stimmt meine Spannungsversogung nun? Nein. Die Versorgungsspannungen deiner OPVs sind noch immer vertauscht. Aus dem 7812 kriegst du auch 12V und keine 9V. > Meine Simulation klappt nun, ... Unter den Umständen bezweifle ich das. LG Christian
(Bild1) Weiss vielleicht jemand warum das Voltmeter eine Ausgangsspannung mit einem konstanten Wert von 76,89V anzeigt?. (Bild2) Weiss vielleicht jemand warum das Voltmeter eine Ausgangsspannung mit einem konstanten Wert von 71,27005kV anzeigt?. Ist meiner Meinung nach ein bisschen zuviel ....
Um eine Schaltungen zu reparieren, muss man sie in der Hand haben. Bilder, und dann auch noch nur Ausschnitte, helfen da nicht. Häng deine Schaltung(.asc) an deine nächste Antwort.
Die letzte gezeigt Schaltung konnte nicht funktionieren, wie Christian Dir bereits mitgeteilt hat. Jetzt soll jemand erraten ob und was du geändert hast um Dir zu sagen warum die Werte so eigenartig sind, oder zeigst du uns die aktuellen Simulationen mit denen du arbeitest? Nur ein Tip: LTSpice ist recht gutmütig. Es haut nicht um sich und zeigt auch keine Rauchwölkchen wenn Du etwas falsch anschließt. Es simuliert sozusagen mit jedem Unsinn.
So sieht meine aktuelle Schaltung aus. Danke für eure Hilfe im Voraus.
Ich weiß nicht, ob das die Ursache des Problems ist, aber folgende Aussage ist immer noch wahr: John Drake schrieb: > Das "untere" Ende der Brücke hängt in der Luft! R14 geht an 3 > OpAmp-Eingänge... Tu uns doch mal drei kleine Gefallen: 1. Nenne uns die Quelle, wo du die Schaltung her hast. 2. Falls du die Schaltung eigenhändig modifiziert hast, nenne uns die Gründe und sag uns, was du damit bezwecken möchtest. 3. Poste dein ASC-File als Basis, auf der weitere (definitiv notwendige) Änderungen vorgenommen werden können. Sonst wird da in 10 Jahren nichts draus ;-)
"Rset" ist wirkungslos, weil kurzgeschlossen. Übrigens ist nur einer der Widerstände der Messbrücke aktiv. Die anderen sind konstant. Grundsätzlich gilt bei Computern: Wenn man Sche... eingibt, kommt auch Sche... raus. (Hilft natürlich nicht wirklich). Der Schaltplan ist da eine Sache, die Stimulierung der Schaltung mit Versorgungsspannung und -strom eine weitere Sache und die Parametrierung der Messmittel eine andere Sache. Im Netz gibts mehrere Tutorials in deutscher Sprache wo man so einiges lernen kann. Man muss es nicht mal vollständig durcharbeiten. z.B.: http://www.gunthard-kraus.de/LTSwitcherCAD/CD_LTSwitcherCAD/pdf-file/LTspice_4_d.pdf Yalu X. schrieb: > 1. Nenne uns die Quelle, wo du die Schaltung her hast. http://pdf1.alldatasheet.com/datasheet-pdf/view/70327/LINER/LT1167.html
Was soll R11 sein? Das ist eine "load", modelliert als eine Stromquelle. Und die hat nicht weniger als 50kA, was in Verbindung mit R10 und R12 recht große Spannungen ergibt. Nur dadurch, dass du diese Stromquelle von Ixx in R11 umbenennst, wird noch lange kein Widerstand daraus.
kannst du mir bitte das richtige Symbol hier im Anhang schicken Yalu? Das ist glaube ich mein einzigster Fehler :)
Hab dir mal die Schaltung so weit korrigiert, dass man sie endlich mal lesen kann. Ob sie exakt das tut was du vorhast weiß ich natürlich nicht. Du brauchst höchstwahrscheinlich Opamps die für Single Supply taugen. Ist Rset wirklich 10k?
Bitte melde dich an um einen Beitrag zu schreiben. Anmeldung ist kostenlos und dauert nur eine Minute.
Bestehender Account
Schon ein Account bei Google/GoogleMail? Keine Anmeldung erforderlich!
Mit Google-Account einloggen
Mit Google-Account einloggen
Noch kein Account? Hier anmelden.








