Hallo! Falls jemand seine wordclock hergeben möchte bitte email an pinballer AT gmx.net oder ein kplt Kit mit allem was man braucht Plexi, Platine, LEds,.... Ich kann ganz gut Löten aber keinen Microcontroller programmieren wär klasse, meine Frau steht da voll drauf. lg tom
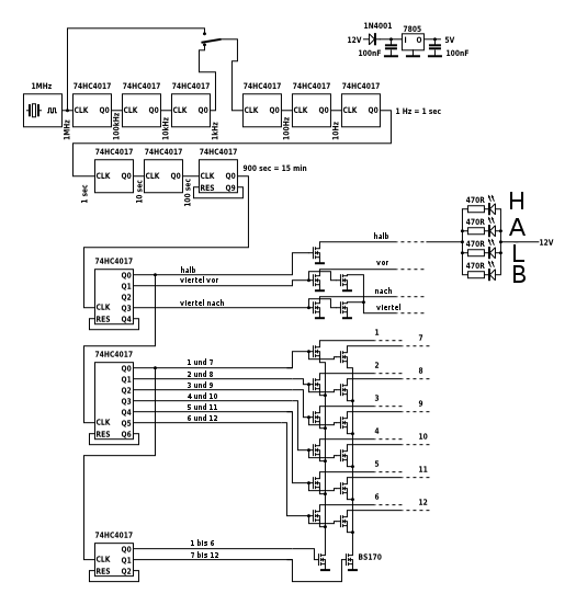
Hallo Tom geht auch ohne Mikrocontroller mit ein paar digital ICs. Anbei ein Schaltplan wie er ähnlich während eines Berufserkundungspraktikums von einem Schüler der 9. Klasse Hauptschule aufgebaut wurde. Er war allerdings recht klever und hat die Uhr noch zweisprachig erweitert.
kann man das board hier mit programmierten Bauteilen bestellen? wie gesagt einen Bausatz nach Anleitung kann ich löten aber habe halt keien Programmiergeräte. wenn also hier wer Kitts verkauft bitte melden zb 1 Ich kann dir die Paltine anbieten bevorzugt bestückt und getestet + LEds 1 die Gehäuseteile + Plexi würd ich mich da drübertraun danke wär echt klasse
Sieh dir das mal an, falls das andere nix für dich ist (ist meine Wordclock) http://blog.jarvic.de/ Bitte beachten, die Acrylglasfront ist deswegen so matt und verkratzt, weil die Schutzfolie noch drauf ist. Layout der Platine, Programm und das CAD File für die Plexiglasscheibe, inkl. Bezugsquelle kann ich dir nennen. Du brauchst nur RGB Strips mit HL1606 Controller ein paar Bauteile (Controller kann ich dir flashen, Platine kann ich auch ätzen). Die Acrylglasscheibe kostet 30 Euro. Dann eine MDF Platte mit 100 Löchern kannst du dir selber Bohren, AluWinkel drum und fertig. Die Elektronikbauteile kommen auf unter 20 Euro ohne die RGB Strips.
Mike Mike schrieb: > Bitte beachten, die Acrylglasfront ist deswegen so matt und verkratzt, > weil die Schutzfolie noch drauf ist. Und du hast nicht daran gedacht, ein Foto davon zu machen, ohne die hässliche Folie?
.... schrieb: > Er hats bestimmt seine Freundin entjungern lassen ;) Was ein nachträgliches Foto unmöglich macht?
Bitte melde dich an um einen Beitrag zu schreiben. Anmeldung ist kostenlos und dauert nur eine Minute.
Bestehender Account
Schon ein Account bei Google/GoogleMail? Keine Anmeldung erforderlich!
Mit Google-Account einloggen
Mit Google-Account einloggen
Noch kein Account? Hier anmelden.

