Hallo, ich muß ein analoges Signal, dass sich im Bereich -2,5V .. -1,9V bewegt in ein Signal im Bereich -1,65V .. +0,15V umwandeln. D.h. Signal mit Faktor 3 multiplizieren und einen Offset von +0,85V hinzufügen. Wie mache ich dies am einfachsten? :-/ Das (dynamische, da sich Frequenz stetig ändert) Signal ist ein Dreieck mit einem Duty-Cycle von 66% bei einer max. Frequenz von 2kHz. Besondere Schwierigkeit dabei: Es ist nur eine sym. Spannung von +/-2,5V vorhanden.. :-( Tipps..?
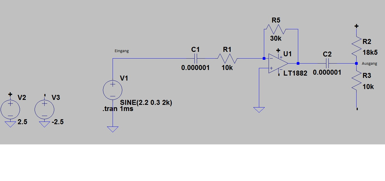
Das ist wechselspannungsgekoppelt und inverterend, wenn das sein darf, ok. Nichtinvertierend und DC-gekoppelt muss die Eingangsspannung auf den nichtinvertierenden Eingang gehen, die beiden Widerstände der Gegenkopplung sind 2:1 damit die Verstärkung dreifach wird. Für den Offset suchen wir den "neutralen Punkt", an dem alle drei OP-Anschlüsse die gleiche Spannung haben. Das ist bei -2,925V der Fall. Ich habe das in LibreOfficeCalc einfach probiert, man kann es sicher auch mit Dreisatzrechnung herausfinden. Der Gegenkopplungswiderstand muß also auf eine Referenzspannung von -2,925V führen. Leider außerhalb der geforderten Betriebsspannungen. Also muß ein Spannungsteiler an den Eingang, und die Verstärkung entsprechend erhöht werden.
Aufgabe wurde gelöst mit zwei Differenzverstärker in Reihe. Der erste verstärkt das Signal um den Faktor drei und erzeugt den Bezug zur Masse. Der zweite sorgt für den Offset.. ;-)
Seppi schrieb: > Aufgabe wurde gelöst mit zwei Differenzverstärker in Reihe. Der erste > verstärkt das Signal um den Faktor drei und erzeugt den Bezug zur Masse. > Der zweite sorgt für den Offset.. ;-) ...wobei einer der beiden überflüssig ist und nur die Störanfälligkeit Deiner Schaltung vergrößert... Gruss Harald
So könnte das aussehen, wenn die -2,5V genau genug sind, um als Referenzspannung verwendet zu werden. Die Widerstände habe ich mit dieser E24-Teiler-Tabelle ausgesucht: http://www.mikrocontroller.net/articles/E24-Teiler Der "neutrale Punkt", bei dem an den Gegenkopplungswiderständen keine Spannung anliegt, liegt jetzt bei -2,5V, dazu gehört nach der Anforderung eine Eingangsspannung von -2,7833V. Daraus ergibt sich der Eingangsspannungsteiler auf -2,5V am nichtinvertierenden Eingang. Das ist das 1,1...fache also muss die Verstärkung jetzt nicht mehr 3 sondern 3*1,1... betragen. Minus 1 ergibt das Widerstandsverhältnis der Gegenkopplung oben von etwa 1/ 0,4262.
Bitte melde dich an um einen Beitrag zu schreiben. Anmeldung ist kostenlos und dauert nur eine Minute.
Bestehender Account
Schon ein Account bei Google/GoogleMail? Keine Anmeldung erforderlich!
Mit Google-Account einloggen
Mit Google-Account einloggen
Noch kein Account? Hier anmelden.

