Hallo, ich habe mal eine frage zur Leistung eines Netzteils für ein Verstärker. Leistungsdaten des Verstärkers: 200W :-) Betriebsspannung 24 bis 36V max 5 A Der Verstärker ist für mein Einsatzzweck völlig zu groß(von der Leistung) und das geforderte NT habe ich nicht. Egal der war nun mal da und nun will ich den auch nehmen.Ist es möglich, da ich nicht die gesamte Leistung des Verstärkers abrufe, dass Netzteil kleiner zu gestalten? Der Verstärker hat am Ausgang jeweils einen Lautspreches mit 10 Watt Leistung. Im Fundus habe ich einen Rinkern mit Mittelanzapfung 2x 10V und 45 VA Leistung. Kann ich mit dem ein NT nach siehe Bild aufbauen. Beim schreiben merke ich gerade die Angabe 24V bis 36V, hmmmm komme ich damit überhat hin?
Dein Trafo ist viel zu klein dafür, du brauchst mindestens einen 2x 18 V Trafo, 45 VA müssten reichen. Mich persönlich würde der Schaltplan mal interessieren. Hast du den gerade Parat?
Die Vorschrift zum Bau des Netzteils ist uebrigens Schrott. Der Widerstand sollte Stoerimulse unterdruecken. Und der Cap laesst jeden Muell durch... Nein, der Ringkern kommt nicht hin. Die Spannung istwas um unteren Ende.
Mario K. schrieb: > Nur habe ich KT818 und KT819 als Transistoren drin. Die würde ich dann auch verwenden. Ich habe die wichtigsten Teile hier gerade zu liegen. Danke!
Hallo Rainer willst du mir mit Bauteilen aushelfen? Wenn ja Danke nein die Schaltung ist ja fertig (siehe Bild) Mir geht es um das NT gruß Mario
> 200W :-) Pro Endstufe kaum. Das würde eine Sinusspannung von knapp 30V an 4Ohm verlangen. Da es eine Brücke ist, und der TDA2030 nur auf paar Volt an Ub ran kommte, fehlen mindestens von den 36V vielleicht so 5-6V. Also 30V Up. Macht grob gerechnet (wenn wir den Einbruch der Ub bei Last ignorieren) Urms=20V - also 100W an 4Ohm (die 5A passen auch dazu). >Dein Trafo ist viel zu klein dafür, du brauchst mindestens einen 2x 18 V >Trafo, 45 VA müssten reichen. Wieso - wenn er nur 10W abrufen will? Der TDA2030 geht offiziell ab +/- 6V los, wenn ich mich nicht irre. Aber dann kann man die KT81x auch ausbauen, und für andere Zwecke nutzen. (deren R_be dann aber überbrücken). >Mich persönlich würde der Schaltplan mal interessieren. Hast du den >gerade Parat? Ist ein TDA2030 mit zusätzlichen Transis, deren Basisstrom vom Laststrom des TDA2030 gesteuert wird. Das ganze dann als Brücke (ist auch in irgendeinem Datenblatt mit drin). ELV hat(te) sowas auch im Angebot.
Imgrunde geht's ja nur um die Versorgungsspannung der OPs. Schau doch
einfachh mal ins Datenblatt. Wenn die bei +-8V oder so noch
funktionieren (da bin ich fast absolut sicher) steht nem ersten Test
nichts im Weg.
>Könnte man den auch nehmen.
Der hat ordentlich Spannung und für deine 10W-Boxen (bei
Zimmerlautstärke gehen da keine 2W durch) reichen die ca. 1.3A des
Trafos dicke.
Mario K. schrieb: > ich habe mal eine frage zur Leistung eines Netzteils für ein Verstärker. > Der Verstärker hat am Ausgang jeweils einen Lautspreches mit > 10 Watt Leistung. > Im Fundus habe ich einen Rinkern mit Mittelanzapfung 2x 10V und 45 VA > Leistung. Der TDA2030 kann auch ohne zusätzliche Transistoren eine Leistung von 10W liefern. Nimm die Standardschaltung aus dem Datenblatt, dann passt auch Dein Trafo dazu. Als Siebelko würde ich da 2x4700µF nehmen. Der TDA 2030 liefert kein Super-HiFi, ist aber für normale Ohren ausreichend. Gruss Harald
Mario K. schrieb: > willst du mir mit Bauteilen aushelfen? Was brauchst du denn? Unbenutzte Trafos und Siebelkos habe ich nicht mehr. Der blaue Trafo oben wird gehen.
> Könnte man den auch nehmen. Warum hältst du dich nicht einfach an deinen Schaltplan ? > Ja habe ich. Nur habe ich KT818 und KT819 als Transistoren drin. 2 x 12V/7A. Das ist deutlich kein 42VA Trafo, sondern ein 168VA Trafo. Der liefert auf Dauer keine 200 Watt, schon gar nicht bei nur 70% Wirkungsgrad so einer Endstufe die eher 285 Watt zieht, aber kurze Zeit kann man diese 286 W aus dem 168 VA Trafo holen. Diese Unterdimensionierung ist bei Audioverstärkern üblich, zum Schutz vor Dauerlast sollte eine Temperatursicherung ikm Trafo eingewebt sein. (Ebenso sind Kühlkörper meist zu klein, und sollten auch mit einer Temperatursicherung versehen sein, damit der Verstärker bei schlechter Lüftung abschaltet). http://www.dse-faq.elektronik-kompendium.de/dse-faq.htm#F.30
Bitte, an alle!Warum ich diesen Verstärker nehme? Das hatte ich geschriegen... den Verst. hatte ich noch da gehabt und möchte mir auch nichts neues kaufen somal der neu war. Und außerdem ist er was die Platine angeht sehr klein. Ich baue das NT mal auf und melde mich nochmal.Danke für eure Antworten. mfg mario
Mario K. schrieb: > Bitte, an alle!Warum ich diesen Verstärker nehme? > Das hatte ich geschriegen... den Verst. hatte ich noch da gehabt und > möchte mir auch nichts neues kaufen somal der neu war. Und außerdem ist > er was die Platine angeht sehr klein. Es ist trotzdem albern. Wenn du nur 10W brauchst, dann ist eine Brückenschaltung aus 2x TDA2030 + Booster vollkommen überdimensioniert. Weder die Brückenschaltung noch der Booster machen den Klang besser. Ein TDA2030 kann allein schon mehr als 10W. Oder ein einzelner TDA2005 kann 2x 10W (für Stereo). Das Zeug kostet nackig fast nix. Und die üblichen Verdächtigen (Conrad, ELV, Pollin) sollten alle auch Module für kleines Geld haben, entweder fertig oder als Bausatz. Was du vorhast, ist einen Leopard-Panzer zum Brötchenholen zu benutzen, wobei du daran scheiterst, daß du mit Ketten nicht bei der örtlichen Tankstelle vorfahren kannst. XL
Axel Schwenke schrieb: > Mario K. schrieb: > >> Bitte, an alle!Warum ich diesen Verstärker nehme? >> Das hatte ich geschriegen... den Verst. hatte ich noch da gehabt und >> möchte mir auch nichts neues kaufen somal der neu war. Und außerdem ist >> er was die Platine angeht sehr klein. > > Es ist trotzdem albern. Wenn du nur 10W brauchst, dann ist eine > Brückenschaltung aus 2x TDA2030 + Booster vollkommen überdimensioniert. > Weder die Brückenschaltung noch der Booster machen den Klang besser. Ja, und man kann die beiden Endstufentransistoren problemlos ausbauen und die Lötpunkte überbrücken. So reicht dann auch die ansonsten etwas knappe Ausgangsspannung des Trafos aus. Es müssen (ausser dem anscheinend schon vorhandenen Tafo) also keine neuen Teile gekauft werden. Man kann ja die Beinchen der Endstufentransistoren hochbiegen, damit später, wenn man vielleicht doch wieder einen 100W-Verstärker mit entsprechend grossen Trafo haben will, die Änderung rückgängig gemacht werden kann. Gruss Harald
Mario K. schrieb: > Ich möchte mir auch nichts neues kaufen. Noch mal kurz zu den sinnvollen, durchaus geringen Änderungen im obigen Schaltplan: Widerstände R1, R4, R10, R11 mit Drahtbrücke kurzschliessen. (Ersatzweise B und E der 4 Endstufentransistoren) Kollektoren der 4 Endstufentransistoren auslöten und hochbiegen. Parallel zu C3 und C5 jeweils einen 10k-Widerstand parallel schalten) Das wars. Für das Netzteil würde ich die beiden Sek. Wicklungen des Block-Trafos parallel schalten. Falls die im Schaltplan gezeigten grossen Siebelkos nicht da sind, würde auch ein Siebelko reichen. Obige Änderungen sind auf jeden Fall sinnvoll, weil sonst die gewünschte Ausgangsleistung von ca. 10W nicht zu der Betriebsspannung passt. Da führt dann dazu , das wesentlich mehr Leistung im Verstärker hängen bleibt, als an dem Lautsprecher ankommt. Gruss Harald
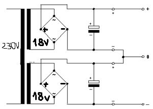
o.k ich habe mir folgendes Angenommen: Alles Überdimensioniert was ich da mache? Stimmt! Also habe ich die Boxen genommen und die alten Lautsprecher gegen neue ausgetauscht. ( die hatten 6 Watt :-) ) So jetzt habe ich satte 30 Watt Lautsprecher zu versorgen ( Ja ja das ist auch nicht die Megaleistung ). Dann habe ich nochmal rumgekramt und einen Ringkern mit 2x18V/2x 4,4A gefunden. So... kann man jetzt die Schaltung nicht so lassen? Ich würde das NT wie im Bild aufbauen. Bei der große der C bin ich mir nicht sicher. Was ich einsetzten würde wäre 2x 5600yF/50V pro Seite. Ps.: der Panzer kann jetzt noch drei Brote mitbringen.
> Dann habe ich nochmal rumgekramt und einen Ringkern mit 2x18V/2x 4,4A > gefunden. So... kann man jetzt die Schaltung nicht so lassen? Der TDA2030 verträgt max. +-18V. Bei deinem Trafo wären es etwa +-24V.
Hi Arno, in der Beschreibung zur Endstufe stehen 24...36V. Habe ich da jetzt einen Denkfehler?
> in der Beschreibung zur Endstufe stehen 24...36V. Habe ich da jetzt > einen Denkfehler? Ja, damit sind dann +-12...+-18V gemeint. DB lesen.
Bitte melde dich an um einen Beitrag zu schreiben. Anmeldung ist kostenlos und dauert nur eine Minute.
Bestehender Account
Schon ein Account bei Google/GoogleMail? Keine Anmeldung erforderlich!
Mit Google-Account einloggen
Mit Google-Account einloggen
Noch kein Account? Hier anmelden.





