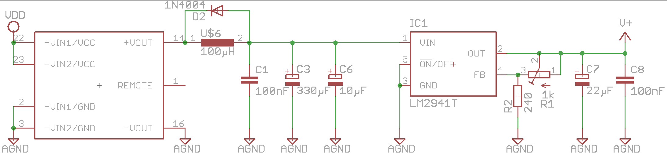
Guten Abend, ich frag mich grad ob eine Freilaufdiode nach einem DC/DC Wandler sinnvoll ist? Bei Abschalten der Spannung könnte der Strom aus der Spule die nachfolgende Elektronik beschädigen, allerdings steckt in dem DC/DC Wandler ja genauso sensible Elektronik die beim zurücklaufen des Stromes durch die Freilaufdiode doch genauso beschädigt werden kann? Seh ich das richtig? Im angehängten Schaltplan handelt es sich um D2. Vielen Dank, Gruß
Funktionell ist es wie eine Freilaufdiode über einer Relaisspule. Ob es wirklich was bringt, könnte mit Eigenarten des Wandlers zusammenhängen.
Wenn du den negativen Pin der Diode jetzt noch mit GND verbindest ist es richtig.
Mike J. schrieb: > Wenn du den negativen Pin der Diode jetzt noch mit GND verbindest ist es > richtig. Würde das im regulären Betrieb keinen Kurzschluss verursachen?
Mike J. schrieb: > negativen Pin der Diode jetzt noch mit GND verbindest WTF? Die Diode ist nutzlos: 1) Als Freilaufdiode ist eine 1N4004 gänzlich ungeeignet, da zu langsam. 2) Da die Diode des DC/DC-Wandlers überraschenderweise im DC/DC-Wandler integriert ist. Spule und Kondesatoren sind als reiner Tiefpass gedacht um Oberwellen des DC/DC-Wandlers zu dämpfen. Falls zwischen DC/DC-Wandler und Tiefpass eine trennbare Verbindung besteht, hätte die Diode einen Nutzen aber siehe 1)
Eddy Current schrieb: > 1) Als Freilaufdiode ist eine 1N4004 gänzlich ungeeignet, da zu langsam. Nicht unbedingt, da sie ja nicht während des regulären Betriebes gebraucht wird. Da spielt die lange Erholzeit der Diode keine Rolle. siehe: Bernhard W. schrieb: > Bei Abschalten der Spannung könnte der Strom aus der Spule die > nachfolgende Elektronik beschädigen,
Ok alles klar also passiert dem Wandler nichts, weil er eine integrierte Schutzdiode hat. Was ist mit dem Spannungsregler?
Bernhard W. schrieb: > Was ist mit dem Spannungsregler? ? D2 schon wieder vergessen? Sie verhindert doch das "Spielen wir Sperrwandler" der Induktivität.
Die Diode braucht du nicht. Das Spule ist doch schon durch die Last b.z.w. Kondensatoren extrem bedämpft.
Bernhard W. schrieb: > Mike J. schrieb: >> Wenn du den negativen Pin der Diode jetzt noch mit GND verbindest ist es >> richtig. > > Würde das im regulären Betrieb keinen Kurzschluss verursachen? Ja. Du musst den positiven Pin auf GND setzen, den negativen vor die Spule. Ich sehe irgendwie nicht was da passieren könnte, der Linearregler dahinter ist okay, was deine Remote-Schaltung macht kann ich aber nicht ergründen. Wenn der Teil davor (Remote) nun den Strom mit einem Transistor abschaltet(wie und aus welchem Grund auch immer) fließt der Strom über die Spule (vorher über die Diode) und dann in den Kondensator ... wie ein StepDown Spannungswandler eben funktioniert. Wenn du die Diode nicht so drin hast und +Vout abgeschaltet wird erzeugt dir die Spule am +Vout-Pin eine negative Spannung. Die Diode sorgt dafür dass Strom nachfließen kann, so ist das Potential zwar negativ, aber nur so negativ wie die Durchbruchspannung der Diode.
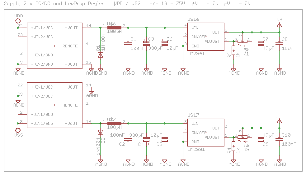
Danke für die Antworten, ich hab den Schaltplan wie folgt abgeändert. Bitte nicht wundern, R1/R2 sowie C7 und die jeweils negativen Pendanten wurden geändert, das hat aber nichts mit der Frage hier zu tun. Es handelt sich ganz allgemein um eine Schaltung die aus +/- 60V eine absolut saubere +/- 5V Gleichspannung erzeugt. Den "Remote" Pin am DC/DC Wandler muss man unbeschaltet lassen, deshalb ist der nicht angeschlossen. Dioden D1 und D2 nun so korrekt? Sollte ich andere Dioden verwenden oder sind die 1N400x ok? Die Wandler sind für knapp 700mA ausgelegt, mehr fließt dort auch nicht. Ich denke im normalen Betrieb werden nie mehr als 150mA je Spannung gezogen. Danke, Gruß
Bitte melde dich an um einen Beitrag zu schreiben. Anmeldung ist kostenlos und dauert nur eine Minute.
Bestehender Account
Schon ein Account bei Google/GoogleMail? Keine Anmeldung erforderlich!
Mit Google-Account einloggen
Mit Google-Account einloggen
Noch kein Account? Hier anmelden.

