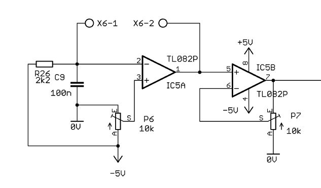
Hallo Kollegen, ich habe einen PT1000 Messverstäreker entwickelt (oder kopiert?). Auf alle Fälle schwingt er um den Ausgangswert. Uss ~ 2V, f = 60kHz. Ein zusätzlicher Stützkondensator bringt nichts. Hat die Schaltung eine Schwachstelle oder liegts doch eher am Layout? Merci.
jetzt geht's. Dachte der C wäre um ein Schwingen zu verhindern?
Uiiii, ein TL082 fuer Themoelemente ... wie hoch ist dessen Offset nochmals ? 3mV ... das waeren dann 75 Grad Fehler bei einem Typ K.
эл дорфтротель schrieb: > Uiiii, ein TL082 fuer Themoelemente ... wie hoch ist dessen Offset > nochmals ? 3mV ... das waeren dann 75 Grad Fehler bei einem Typ K. PT1000 schrieb: > ich habe einen PT1000 Messverstäreker entwickelt
> Dachte der C wäre um ein Schwingen zu verhindern?
Der TL08x ist 1-stabil, schwingt also bei beliebiger ohmscher
Beschaltung nicht.
Wenn du eine Störunterdrückung machen willst, dann C9 parallel zum
PT1000.
> ich habe einen PT1000 Messverstäreker entwickelt Nein, du hast einen Oszillator "entwickelt" von dem du nur glaubst daß er Pt1000 auswerten würde. http://www.radio-electronics.com/info/circuits/opamp_multivibrator_oscillator/op_amp_multivibrator_oscillator.php
PT1000 schrieb: > jetzt geht's. > Dachte der C wäre um ein Schwingen zu verhindern? Ne, der foerdert geradezu die Schwingneigung. Du kannst das ganze mal als einen invertierenden Verstaerker betrachten. Da ist die Verstaerkung auch Gegenkopplungswiderstand / Eingangswiderstand. Und der ist bei dir ein Kondensator von 100nF und liegt auf GND.
Bei einem PT1000 darf man hoechsten 100mV drueber haben, wegen der Verlustleistung, resp Eigenerwaermung. Da wuerd mich wundern, wenn 3mV Offset des Verstaerkers tolerierbar waeren.
Oha schrieb: > Bei einem PT1000 darf man hoechsten 100mV drueber haben, wegen der > Verlustleistung, resp Eigenerwaermung. schon mal die Verlustleistung bei 100mV ausgerechnet?
Oha schrieb: > ... Da wuerd mich wundern, wenn 3mV > Offset des Verstaerkers tolerierbar waeren. Das ist bei der gezeigten Schaltung doch ohnehin egal. Der "Mess"wert hängt von der Toleranz der -5V und des R26 ab. Von den zwei Trimmern zur Verschlimmbesserung einmal ganz abgesehen...
nicht "Gast" schrieb: > Von den zwei Trimmern zur > Verschlimmbesserung einmal ganz abgesehen... Das sind keine Trimmer sondern Wunschtemperaturschrauben :=)
Solche Schaltungen, bei denen es direkt vom "-" Eingang eines OPamps zu
einem entfernten Sensor geht, sind fast immer Schrott, weil undefinierte
Phase-Lag-Kapazitäten in die Gegenkopplung eingebracht werden, die die
Phase Margin aufzehren. Der absichtliche C9 macht hier natürlich alles
noch schlimmer. Autsch!
>Hat die Schaltung eine Schwachstelle oder liegts doch eher am Layout?
Sehr witzig. Für die abgebildete Schaltung sollte man eigentlich
Schmerzensgeld fordern, da bereits der bloße Anblick schon Schmerzen
verursacht.
Kai Klaas schrieb: > Solche Schaltungen, bei denen es direkt vom "-" Eingang eines OPamps zu > einem entfernten Sensor geht, sind fast immer Schrott, weil undefinierte > Phase-Lag-Kapazitäten in die Gegenkopplung eingebracht werden, die die > Phase Margin aufzehren. Verstehe ich nicht. Kann mir das jemand bitte erklären? Kai Klaas schrieb: > Schmerzensgeld Ich sag mal "Lehrgeld"
PT1000 schrieb: > Verstehe ich nicht. Kann mir das jemand bitte erklären? Du solltest Dich als erstes mal mit den Grundlagen der OPV-Technik beschäftigen. Vielleicht hilft Dir da das Tutorial hier im µc.net. Speziell zum "Schwingen" hilft vielleicht dieser Link. http://www.elektronikwissen.net/opamp/9-opamp-wissen.html Grundsätzlich kann man mit PT-Widerständen sehr genau Temperaturen messen. Der Aufwand und die nötigen Grundlagen sind dort aber auch etwas höher. Als Anfänger sollte man zur Temp-Mesun vielleicht eher elektronische Fühler (KTY...) oder NTCs nehmen. Gruss Harald
PT1000 schrieb: > ich habe einen PT1000 Messverstäreker entwickelt (oder kopiert?). Ah ja, gedankenlos einen gemalten Schrott nachgemalt und sogar zusammengelötet. (Leise Häme kommt dabei in mir auf, die ich als netter Mensch jedoch sofort durch Bedauern ersetze) Junge, benutze zu allererst deinen Verstand und informiere dich über die Eigenschaften von PT100, PT1000 und Konsorten. Anschließend kannst du hoffentlich für deinen eigenen Gebrauch formulieren, was du eigentlich haben willst. Wenn du damit erfolgreich fertig bist, dann benutze die Suchfunktion in diesem Forum. Es gibt hier mehr als genug Leute, die mit ihren Schaltungen geprahlt haben und anschließend Schiffbruch erlitten. Von denen kann man lernen, was man besser nicht tun sollte. Es gibt leider immer wieder Leute, die sich sagen "Ich will was messen mit nem PT100 oder PT1000" und als allererstes anfangen, irgendein Kunstwerk mit einer Breitseite OpV's zu kreieren. Dabei kommt mit Regelmäßigkeit ein Hausnummerngenerator bei heraus. W.S.
W.S. was willst du mir GENAU sagen? Ich bin für konstruktive Hilfe wirklich sehr dankbar, aber dieses diffuse Geschlaumeirere in diesem Forum geht mir langsam auf den S... Sucht euch eine Freundin oder besser einen Job.
Die Schaltung ist derart Muell, dass es sich nicht mal lohnt drauf einzugehen. Flupp - in die Tonne. WS meinte es gibt hinreichen Artikel hier, die das Problem loesen.
>> Solche Schaltungen, bei denen es direkt vom "-" Eingang eines OPamps zu >> einem entfernten Sensor geht, sind fast immer Schrott, weil undefinierte >> Phase-Lag-Kapazitäten in die Gegenkopplung eingebracht werden, die die >> Phase Margin aufzehren. >Verstehe ich nicht. Kann mir das jemand bitte erklären? Dann versuche doch darüber zu lernen. Ich habe extra den Fachausdruck "Phase Margin" erwähnt, damit du weißt, wonach du suchen mußt. Es geht einfach darum, daß in der Gegenkopplung eines OPamp keine unzulässigen Phasenverzögerungen, phase lags, auftreten dürfen, weil sich sonst die Schaltung in einen Oszillator verwandeln kann, genau das, was du ja auch beobachtest hast. Deswegen steht in fast jedem zweiten Datenblatt von OPamps, daß man Caps vom "-" Eingang nach Masse unbedingt vermeiden sollte. Schon Caps im 10pF Bereich können problematisch werden. Und jetzt kommst du daher und lötest mit deinem 100nF Cap 10000mal so viel Kapazität dahin... >Ich bin für konstruktive Hilfe wirklich sehr dankbar, aber dieses diffuse >Geschlaumeirere in diesem Forum geht mir langsam auf den S... Es haben dir doch jetzt ganz viele Leute hier gesagt, was du falsch gemacht hast. >Sucht euch eine Freundin oder besser einen Job. Oder du überdenkst mal deine Einstellung zu den Leuten hier, die dir helfen wollen und sich die Mühe machen, auf einen beinahe hoffnungslosen Thread überhaupt zu antworten.
Bitte melde dich an um einen Beitrag zu schreiben. Anmeldung ist kostenlos und dauert nur eine Minute.
Bestehender Account
Schon ein Account bei Google/GoogleMail? Keine Anmeldung erforderlich!
Mit Google-Account einloggen
Mit Google-Account einloggen
Noch kein Account? Hier anmelden.
