Hallo, ich bin in Sache Microcontroller absolut Neuling und versuche mich da rein zu arbeiten. Könntet Ihr mal über meine Schaltung schauen ob dies so richtig ist? - 5V+ --> Relais 200mW --> C (bc547) --> E (bc547) --> GND - PB0 (ATmega32) --> 1KOhm --> B (bc547) Dazwischen jeweils die Schutzbeschaltung über eine Diode 1N4 148. Was falsch? Gruß ichy
@ Mirko Stutz (Firma: Privat) (ichy) >ich bin in Sache Microcontroller absolut Neuling und versuche mich da Auch in Sachen Bildformate. Wer soll das lesen können? >Dazwischen jeweils die Schutzbeschaltung über eine Diode 1N4 148. Keine Ahnung, siehe Relais mit Logik ansteuern.
Hallo, mein Plan ist in PDF Format und ich habe kein Programm was daraus ein GIF format macht. Über die Druckfunktion mittels Irfanview in GIF. Habe nur die Forum Regel befolgt. Und da ich es auch gesehen habe, dass dies undeutlich ist, habe ich es noch beschrieben. Sorry & Danke für deine Antwort. Gruß ichy
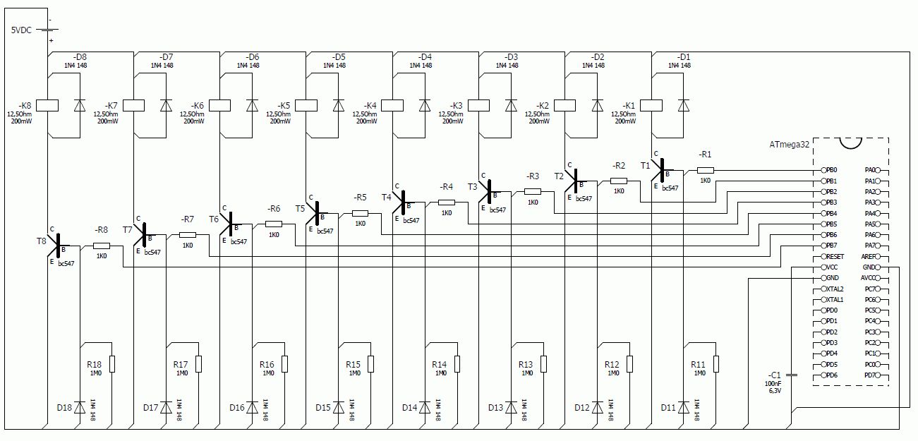
Mirko Stutz schrieb: > Hallo, > > mein Plan ist in PDF Format Aber er ist zu klein! Kein Mensch kann die im Plan eingetragenen Zahlenwerte lesen! Mach doch selber mal das GIF auf und sag uns, was wohl die 3 schwarzen Flecken an den Basiswiderständen der Transistoren für einen Wert bezeichnen! > Und da ich es auch gesehen habe, dass dies undeutlich ist, habe ich es > noch beschrieben. Text ist schön. Aber im Zweifel gilt immer der Schaltplan. Denn das ist die einzige Stelle, an der alle Informationen zusammenkommen. Kein Mensch hat Lust einen Text mit einer Zeichnung gegenseitig abzugleichen. Die Widerstände von den Basen nach Masse versteh ich ja noch. Das sind Pulldown-Widerstände, damit die Transistoren sicher sperren, wenn der µC noch nicht hoch ist. Aber welchen Zweck haben die Dioden dort?
> und ich habe kein Programm was daraus ein GIF format macht.
Tipp: Zur Not kann man immer einen Screenshot machen.
In Windows ist das "Strg + Druck".
Danach steht das aktuelle Schirmbild in der Zwischenablage und kann zb
in Paint 'eingefügt' werden. Dann schneidest du noch die Ränder ein
wenig zurecht und hast dein Bild.
Und das beste am ganzen: Wenn du im PDF Viewer ein wenig zoomst, dann
kriegst du auch ein gezoomtes Bild.
Du kannst aber auch einfach das PDF direkt posten.
Hi Falls das mit dem Bild jetzt geklärt ist, was soll den mit den Relais geschaltet werden? MfG Spess
Hi
>LM7805 vorm IC fehlt... !?#
Und was soll der aus 5V machen?
Weswentlich kritischer sind fehlende Abblockkondensatoren. Das zweite
GND-Pin und AVCC sind auch nicht beschaltet.
MfG Spess
Hallo, - ich hab das Bild vergrößert. - die Diode ich dachte als Schutz für den IC Ausgang. - mit den Relais möchte ich, über eine 12VDC Versorgung, LED Streifen schalten. - muss unbedingt am AVCC eine Spannung anliegen? - für was ist der LM7805? - Abblockkondensatoren so richtig und wo noch? Danke & Gruß ichy
Hi >- Abblockkondensatoren so richtig und wo noch? AVCC an 5V + Abblockkondensator fehlt immer noch. Persönlich versuche ich es zu vermeiden, Relais und Controller an der gleichen Stromversorgung zu betreiben. Das führt öfters mal zu Problemen. An deiner Stelle würde ich 12V-Relais, von deiner LED-Spannung mit versorgt, nehmen. MfG Spess
Hallo Spess, hab meine Schaltung überarbeitet. So richtig? Gruß ichy
Die Dioden D11-D18 hätte ich auch nicht erwartet. Weiterhin hätte ich Mos-Fets statt der Transitoren genommen (z.B. 2N7000). Damit würde der Spannungsteiler an der Basis jeweils entfallen!
visitor schrieb: > Mos-Fets statt der Transitoren genommen (z.B. 2N7000). Damit würde der > Spannungsteiler an der Basis jeweils entfallen! Aber gerade bei FETs ist zumindest der Widerstand nach GND sehr sinnvoll, um den FET während der Initialisierung des µC sicher zu sperren. Bei bipolaren Transistoren (auch FETs sind Transistoren ;-)) könnte ich eher auf den Basisableitwiderstand verzichten. Also: Basisvorwiderstand ist Pflicht, Gate-Ableitwiderstand ist sehr sinnvoll. Weitere Widerstände sind das "Sahnehäubchen": Begrenzung des Stromes für die Ladung der Gatekapazität bzw. ganz sicheres Sperren des Bipolartransistors. Gruß Dietrich
Bitte melde dich an um einen Beitrag zu schreiben. Anmeldung ist kostenlos und dauert nur eine Minute.
Bestehender Account
Schon ein Account bei Google/GoogleMail? Keine Anmeldung erforderlich!
Mit Google-Account einloggen
Mit Google-Account einloggen
Noch kein Account? Hier anmelden.

