Hallo zusammen, ich hoffe, ich bin hier richtig. Habe ein kleines Problem mit einer bestehenden Platine für ein Maschinenteil. Auf dieser Platine befindet sich Last sowie auch der Steuerteil. Im Segment des Steuerteils wurde vom Hersteller ein Trafo ins Platinenlayout eingearbeitet, bei dem der Ferritkern zwischen 3 öffnungen in der Platine eingerastet wird. Die Eingangsspannung beträgt 65V DC und bringt 4 mal 12V DC. Gemessene Stromaufnahme liegt bei 127mA. Nun haben wir das Problem, dass der Trafo in mitten der Platine verbrennt oder teils anschmort und dabei warscheinlich weitere Bauteile zerstört. Wir haben uns nun gedacht, diesen Trafo abzuschalten und gegen eine eigene Spannungsverorgung zu ersetzen. Der Gedanke war ein Spannungsteiler oder anderes zu bauen um von unseren 65V auf die benötigten 12V zu kommen. Habe die Widerstände mal ausgerechnet und bin auf folgende Ergebnisse gekommen. Eingangsspannung 65V DC R1 = 106 Ohm 26,5W R2 = 24O Ohm 6W I = 500mA Der Aufbau wie folgt: R1 = 100 Ohm in Reihe mit zwei parallel geschalteten 12 Ohm Widerständen R2 = 10 Ohm mit 10 Ohm und 1 Ohm in Reihe sowie zwei 10 Ohm parallel. Muss da noch irgend etwas dazu um die Spannung konstant zu halten oder gibt es eine einfachere Variante? Kann mir da jemand helfen? Mit freundlichem Gruß Bernd Eyermann
Spannungsteiler wird Mist - sieht man ja schon an den von Dir errechneten Verlustleistungen. Und auserdem ist die Spannung lastabhängig. Hier kämen also eigentlich nur kleine Schaltreglermodule in Frage.
Spontan fällt mir was ein: Schaltregler. Spart im Vergleich zum Spannungsteiler viel Verlust, und Wärme. Für den Schaltregler zur Not eine Extraplatine Layouten, die via Stiftleisten, etc. mit den "Originalverbindungspnkten" des ehemaligen Trafos verlötet wird. Gruß, Sascha Edit: ..hm zu spät ;-)
Super das Ihr Euch so schnell meldet. Dafür erst einmel ein dickes Danke! Kann mir jemand einen Tipp geben was ich da für einen Spannungsregler benutzen kann ? Habe leider nicht viel Platz. Und für einen Prototypen sollte der Preis nicht zu hoch sein. Wir haben so ca. 3500 Stück dieser Platinen verbaut und da steigen halt Täglich welche aus. Die werden zwar noch kostenfrei Ausgetauscht, die Lohnkosten für den Tausch haben aber wir an der Backe. Da muß eine Lösung her. Vom Hersteller kommt da nicht so viel obwohl wir auf das problem der Übertemperatur seit 2 jahren hnweisen. Unser problem ist halt, daß wir keine Entwickler sind. Wir hatten da nur so eine Idee. Gruß Bernd
Dem Foto "Front_side" nach ist auf Deiner Platine eine MOSFET-Stufe (3-Phasen-Brücke). Ich vermute mal, dass mit dem Trafo die MOSFET-Treiberspannungen für die High-Side FETs generiert wird. Für diesen Fall müssen die 12V-Ausgangsspannungen galvanisch von Deinen 65V sein und kannst Du Deinen Spannungsteiler-Ansatz gleich wieder vergessen. > Nun haben wir das Problem, dass der Trafo in mitten der Platine > verbrennt oder teils anschmort und dabei warscheinlich weitere Bauteile > zerstört Das Gerät kann man ja offensichtlich im Handel kaufen, also wird die Schaltung i.d.R. auch funktionieren. Du solltest Dich besser daran machen, herauszufinden warum der Trafo da rausbrennt!
Tja - 65V Eingangsspannung - da scheinen die Regler rar zu sein. Auf die Schnelle finde ich da nix, wenn es was fertiges sein soll. Wenn es dagegen 230V AC sein darf, da findet sich genug bei den üblichen Versandläden ...
Hallo Hans_Dampf, danke für deine Antwort. Leider kann man die Platine nicht im Handel kaufen,da es eine Sonderanfertigung speziell für uns ist. Es geht hier um Sondermaschinen aus der Automatisierung. Gruß Bernd
Hallo Jens, ne 230V geht da leider nicht. Wäre mir aber auch viel lieber. Die 65V sind die Grundversorgung über ein Scheifersystem ( Stromschienen in denen Stromabnehmer beweglich laufen) Die Maschine ist über einige 100m beweglich. Gruß Bernd P.S. Es muss kein fertiges Teil sein. Man kann da auch etwas bauen um ans Ziel zu kommen. Ein wenig Hilfe wäre da nur schön.
Wie gesagt, du solltest klären, ob die 12V galvanisch untereinander und
zu 65V getrennt sind! Ist das der Fall reicht Dir auch kein gewöhnlicher
Schaltregler!
> da es eine Sonderanfertigung speziell für uns ist
Da sollte der Fall klar sein. Der Zulieferer hat Müll geliefert und
trägt die Kosten zur Regulierung - sowohl Material- als auch
Personalkosten!
Guten Abend, ich nehme an es handelt sich nur um ein Schrift-Versehen. Ansonsten werde ich aus dem Ausführungen oben nicht ganz schlau. Ausgangslage ist wirklich: 65V DC --> 12V DC bei etwa 150mA mit Trafo?! Gleichstrom und Trafo... das ließ mich stutzen... Ich habe da auch die Vermutung, wenns denn so ist, dass der brennende Trafo nur eine Folge von einem anderen Defekt/Fehldesign ist. Grüße jan
Ich denke der Hersteller hat schon mittlerweile erkannt, daß er da Müll gebaut hat. Aus diesem Grund hatten wir auch schon diverse Retrofits. Personalkosten erstattet er aber leider nicht. Darum sind wir auch auf der Suche nach einer Lösung. Ich habe durch einen glücklichen Zufall die Pläne der Layouts in die Hände bekommen und mir diese einscannen können. Möchte möglicherweise da mal einer einen Blick drauf werfen?
Hans_Dampf schrieb: > Wie gesagt, du solltest klären, ob die 12V galvanisch untereinander und > zu 65V getrennt sind! Ist das der Fall reicht Dir auch kein gewöhnlicher > Schaltregler! Für ein z.B THD-12WI Modul von TRACO sollte das jetzt kein Problem sein (z.B. Reichelt)
> Für ein z.B THD-12WI Modul von TRACO sollte das jetzt kein Proble
Da gebe ich Dir recht, das sollte OK sein.
Ich hatte das so verstanden, als das der TO da etwas selber bauen möchte
(Regel-IC + Drossel, ...)
>ich nehme an es handelt sich nur um ein Schrift-Versehen. >Ansonsten werde ich aus dem Ausführungen oben nicht ganz schlau. >Ausgangslage ist wirklich: 65V DC --> 12V DC bei etwa 150mA mit Trafo?! >Gleichstrom und Trafo... das ließ mich stutzen... Heute geht alles ;-) Aber wenn Du Dir die Platine oben anschaust, dann wird eigentlich klar, daß dies ein Schaltnetzteiltrafo ist .... >> Für ein z.B THD-12WI Modul von TRACO sollte das jetzt kein Proble >Da gebe ich Dir recht, das sollte OK sein. Ich gebe Dir nicht recht - da steht: Eingangsspannung: 9-36 VDC
Jens G. schrieb: > Ich gebe Dir nicht recht - da steht: > > Eingangsspannung: 9-36 VDC Ich hab nicht nachgesehen, aber es gibt solche Module meistens auch mit 18..72V. Ist etwas knapp, aber besser gehts nicht. Bernd Eyermann schrieb: > Personalkosten erstattet er aber leider nicht. Darum sind wir auch auf > der Suche nach einer Lösung. Verstehe ich nicht. Wie erspart es euch Personalkosten, wenn ihr ein eigenes Netzteil einbaut? Die dürften doch eher noch höher werden. Gruss Reinhard
Bernd Eyermann schrieb: > Ja leider ist es wirklich Eingang 65V Ausgang 4 mal 12V TI: LM5017 kann 100V Eingang
Reinhard Kern schrieb: > Verstehe ich nicht. Wie erspart es euch Personalkosten, wenn ihr ein > eigenes Netzteil einbaut? Die dürften doch eher noch höher werden. Die Antwort liegt doch auf der Hand: Ohne Workaround läuft es darauf hinaus, dass irgendwann der Hersteller das kostenlose Tauschprogramm beendet und dann zusätzlich zu den Personalkosten noch Kosten für die Ersatzbaugruppen hinzukommen. Findet man einen Workaround (vernünftige externer DC/DC Wandler), so entstehen für jede Baugruppe (im Idealfall) einmalig überschaubare Kosten. Ein zukünftiger Ausfall durch eine abgerauchte Baugruppe, verbunden mit erneuten Personalkosten, wäre dann eher unwahrscheinlich.
Genau so sieht es aus. Der Punkt ist derzeit aber, daß wir als Kunde zwar nicht zuständig sind Lösungen zu liefern. Eine Zusammenarbeit aber trotzdem nicht falsch sein kann. In diesem Fall ist eine Lösung unseres Problems egal woher sie auch kommen mag, am Ende eine Kosteneinsparung. Es soll am Ende auch nicht so aussehen, daß wir all die Platinen abändern, es soll lediglich ein Aufzeigen sein. Und möglicherweise eine kleine Bestätigung, daß wir mit unserer Aussage der Überhitzung recht hatten, obwohl immer wieder gesagt wurde: Wir haben kein Hitzeproblem!
Bernd Eyermann schrieb: > Wir haben uns nun gedacht, diesen Trafo abzuschalten und gegen eine > eigene Spannungsverorgung zu ersetzen. Ich würde da einfach mal einen vernünftigen Schaltnetzteiltrafo wickeln und statt dieses Platinentrafos da reinhängen. Nur braucht man dafür die Fertigungsdaten des jetzigen Trafos, sonst artet das arg in Gebastel aus... Hmmm.... Siemens. Man meint, dass die sowas können sollten...
Keine schlechte Idee wenn die Platine nicht von Siemens käme.
Jens G. schrieb: >>> Für ein z.B THD-12WI Modul von TRACO sollte das jetzt kein Proble >>Da gebe ich Dir recht, das sollte OK sein. > Ich gebe Dir nicht recht - da steht: > Eingangsspannung: 9-36 VDC Und Du kannst Datenblätter nicht lesen. http://www.traco-electronic.de/index.php?id=214
>Und Du kannst Datenblätter nicht lesen. >http://www.traco-electronic.de/index.php?id=214 tatsächlich - da habe ich wohl was übersehen ...
Ich hätte da noch mal ne Frage. Hab mir mal den LM5017 von Texas Instruments angesehen. Das sieht ja soweit ganz gut aus. Nur bekomme ich, wenn ich da richtig liege nur 10V heraus. Wie gesagt, bin kein Entwickler und im entwerfen von Layouts nicht so geübt. Was muß ich den an dem angegebenen Layout ändern, damit ich meine 12V an Vout habe? Kann mir jemand helfen? Danke im voraus!!!!!!!!
Du müsstest das Verhältnis Rfb1 zu Rfb2 entsprechend abändern. Letztendlich kommt es aber auch auf das Leiterplattenlayout an - da sollte schon die Leitungsführung (speziell Masse) einigermaßen stimmig sein.
Lothar Miller schrieb: > Hmmm.... Siemens. Man meint, dass die sowas können sollten... Es gilt nach wie vor der alt bekannte Spruch: "Soll es funktionieren oder darf es etwas von Siemens sein" :=)
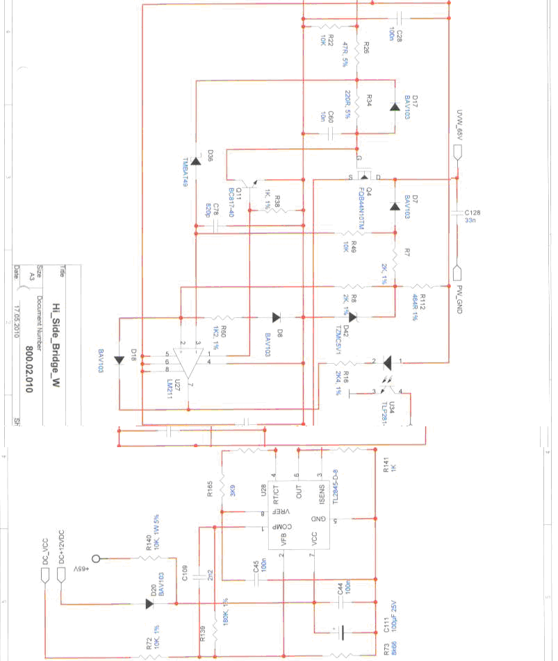
Bernd Eyermann schrieb: > Ich hätte da noch mal ne Frage. > Hab mir mal den LM5017 von Texas Instruments angesehen. Das sieht ja > soweit ganz gut aus. Nur bekomme ich, wenn ich da richtig liege nur 10V > heraus. > Wie gesagt, bin kein Entwickler und im entwerfen von Layouts nicht so > geübt. Hallo Bernd, den LM5017 kannst Du auf jede Spannung einstellen, also auch auf 12V. Wenn ich aber Deine Platine so recht betrachte denke ich folgendes (korrigier' mich wenn ich's falsch sehe): - Da steckt ein Ferritkern über einer maschinell gewickelten Kupferspule (schon mal ungewöhnlich wenn auch nicht ganz unüblich). - der Kern wird um die Leiterplatte gesteckt (auch nicht allzu üblich) - Wo sind die Sekundärwicklungen - auf der leiterplatte oder auch Kupferspulen? Ich gehe daher davon aus, dass hier bereits ein Schaltwandler vorliegt. Wenn der Schaltwandlerkern so warm wird, dass die Leiterplatte die im Bild gezeigten Verfärbungen aufweist ist entweder der Kern falsch gewählt oder massiv unterdimensioniert. Oder die Kupferspulen liegen auf der Leiterplatte und erwärmen sich derart dass die Leiterplatte zu warm wird (das dürfte eher der Fall sein). Auf die dort zur Verfügung stehende Fläche einen neuen Schaltwandler (mit Leiterplatte also ein "fertiges Produkt" - sei es auch ein kundenspezifisches mit dem LM5017) mit ähnlichen Leistungsdaten draufzupacken ist wahrscheinlich nicht von Erfolg gekrönt da Du ja einen Kern mit ähnlichen Leistungsdaten benötigts UND noch die Ansteuerschaltung. Einzig ein zusätzlich irgendwo in der Nähe zu verstauender Schaltwandler auf neuer Platine mit den von Dir zu bestimmenden Daten wäre denkbar - also die Spannungsversorgung extern zur Verfügung zu stellen wenn dasa Sinn macht. ODER: du schaust dass Du herasubekommst was das für ein Schaltwandler das ist (Hersteller , Typ) und schaust dass Du "nur" einen Kern bekommst der komplett mit Wicklung (Kundenspezifisch) ist, bessere Daten hat und auf den Platz passt. Der müsste dann von Hand bestückt werden (2+4x2 = 10 Handlötstellen). rgds
> - Da steckt ein Ferritkern über einer maschinell gewickelten Kupferspule > (schon mal ungewöhnlich wenn auch nicht ganz unüblich). > - der Kern wird um die Leiterplatte gesteckt (auch nicht allzu üblich) > - Wo sind die Sekundärwicklungen - auf der leiterplatte oder auch > Kupferspulen? Das ist ein Planartrafo. Die 4 Sekundärwicklungen sowie die Primärwicklung werden auf der PCB aufgebracht (Er wird daher mindestens eine 6-Lagige PCB haben). Man muss dann nur einen Kern einstecken (+ kleben) und fertig ist der Trafo. > unüblich ganz im Gegenteil. Das ist sehr geläufig. Wir erzeugen in unseren Geräten mittels dieser Technologie die Gate-Treiber Spannungen für die High-Side-Fets. Aus diesem Grund auch mein obiger Kommentar, das er doch bitte Prüfen soll, ob seine Ausgangsspannungen galvanisch (untereinander und zu den 65V) getrennt sind!
Hallo zusammen, nochmals vielen Dank, dass Ihr Euch so bemüht. Habe heute eine gange menge zu tun. Ich werde Euch morgen mal die Layoutpläne zur verfügung stellen. Bis dahin Gruß Bernd
ohne mir das im Detail angesehen zu haben, warum nicht Stepdown 65V -> 12V auch ungetrennt und dann mit 4 DC/DC Modulen 12 in 12 out die galvanische Trennung machen ?
Bernd Eyermann schrieb: > hier sind die Pläne. Hätten die nicht auch in 1 PDF gepasst? Was ist ein Tempeonitor (10.png )? jar schrieb: > ohne mir das im Detail angesehen zu haben Die letzten beiden sind interessant... Warum haben die Elkos Kringel drumrum? Gabs damit schon mal Probleme? Wieviel Platz ist für die Modifikation? Ich würde da erst mal nur den Trafo gegen einen gewickelten austauschen.
Lothar Miller schrieb: > Hätten die nicht auch in 1 PDF gepasst? > Was ist ein Tempeonitor (10.png )? Das ist ein Temperturmonitor und zeigt, dass in den Grafiken leider Stellen fehlen. Das Powersupply scheint jedoch nicht davon betroffen. rgds
Lothar Miller schrieb: > Wieviel Platz ist für die Modifikation? > Ich würde da erst mal nur den Trafo gegen einen gewickelten austauschen. 6A66 schrieb: > ODER: du schaust dass Du herasubekommst was das für ein Schaltwandler > das ist (Hersteller , Typ) und schaust dass Du "nur" einen Kern bekommst > der komplett mit Wicklung (Kundenspezifisch) ist, bessere Daten hat und > auf den Platz passt. Der müsste dann von Hand bestückt werden (2+4x2 = > 10 Handlötstellen). Sorry, sind 11 Handlötstellen. Sieht aber wie oben beschrieben für mich nach der einfachsten Möglichkeit aus. Andere Frage: Sind hier nur schon bestückte PCBAs das Problem oder müssen noch welche nachgebaut werden? Bei neuen Leiterplatten könnte man evtl. die Kupferlagen dicker machen um die Stromtragfähigkeit der Leiterbahnen zu erhöhen (e.g. 35u -> 70u) wenn diese das Problem darstellen. rgds
6A66 schrieb: > die Kupferlagen dicker machen um die Stromtragfähigkeit der > Leiterbahnen zu erhöhen (e.g. 35u -> 70u) Das geht natürlich nur, wenn da nicht die SMD-Fertigung "Aaaaber" sagt...
Lothar Miller schrieb: > Das geht natürlich nur, wenn da nicht die SMD-Fertigung "Aaaaber" > sagt... Man kann durchaus 200µ Kupfer mit Feinleitertechnik kombinieren, bloss kostet das eben zusätzlich Geld. Dann sagt der Einkauf "Aaaaber" oder wahrscheinlich gleich Nein. Ob in dieser Konstruktion die Verwendung eines gedruckten Trafos ökonomisch sinnvoll ist, würde ich sowieso erst nachrechnen, aber solche Trafos scheinen ein Steckenpferd der Siemens-Entwicklung zu sein. Wir haben solche Trafos schon in vielen Ausführungen und Stückzahlen gefertigt, aber aus technischen Gründen kann so ein Trafo nie den gleichen Cu-Füllgrad erreichen wie ein gewickelter. Gruss Reinhard
Hallo, also, meine 0,02€ -> die schaltung hat schon einen Schaltregler (Fly-back, der scheinbar nicht richtig ausgelegt ist. -> eigenen DC/DC Spannungsregler basteln würde ich abraten, da Du selber schon gesagt hast das ihr von der Materie keine Ahnung habt. Und gerade DC/DC ist nicht gerade ein Einsteigerthema. -> Bist Du sicher wegen 4x12V? Es scheint mir eher 3x 12V zu sein, die 4.Spannung ist nur mit VCC gelabeled, es scheint aber weniger zu sein, da die Caps hier nur noch 16V Typen sind (statt 25V). Möglichkeiten: Falls möglich den Entwickler in Regress nehmen, es scheint so als wenn das Design fehlerhaft ist. (oder sind die Lasten vielleicht zu groß für die Schaltung???) Ansonsten Umbau mit käuflichen Schaltnetzteilmodulen. Aber Vorsicht: CE etc wird dadurch erlöschen, muss mit Sicherheit nachzertifiziert werden. Wenn ihr mit E-Technik nichts am Hut habt, solltet ihr dringend drüber nachdenken dies an ein Ingenieurbüro zu vergeben....
Wir sind schon aus der Elektrotechnik / Automatisierung und haben Elektronik irgendwann mal in unserer Ausbildung abgehandelt. Dann muste man sich halt entscheiden. Es geht nunmal leider nicht alles. Deshalb finde ich es überaus super, daß man mit Euch so unkompliziert kommunizieren kann und dabei noch lernt.
Bitte melde dich an um einen Beitrag zu schreiben. Anmeldung ist kostenlos und dauert nur eine Minute.
Bestehender Account
Schon ein Account bei Google/GoogleMail? Keine Anmeldung erforderlich!
Mit Google-Account einloggen
Mit Google-Account einloggen
Noch kein Account? Hier anmelden.

















