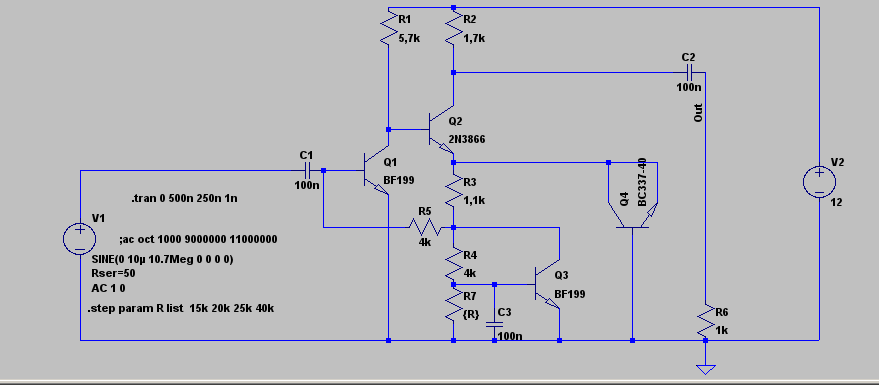
Ich habe mal vor über 10 Jahren von einem Litauer eine Kiste mit unterschiedlichen russischen Ics geschenkt bekommen, zusammen mit einem Datenbuch. Da sind teilweise recht interessante Sachen drin, z.B. ICs im TO99 Gehäuse, kleine Vorverstärker auch Zeug ähnlich CA3005 usw.. Ich habe gerade einen IC am Wickel der sich K1UB221W nennt (К1УБ221В) oder aber acuh K122UB1W (К122УБ1В). Das Ding nennt sich Videoverstärker und ich mache mir gerade Gedanken darüber ob es als ZF Verstärker für eine 10,7 bzw. 18Mhz 1.ZF eines Kurzwellenempfängers brauchbar ist... Abgesehen davon das mit einem К231US1 auch ein Chip mit Videoverstärker bezeichnet ist für den eine Grenzfrequenz von 50 bzw. 100Khz angegeben wird und ich mich frage was das soll, habe ich versucht diesen IC mal mit LTSpice zu simulieren. Q4 dürfte ja nichts weiter als eine Diode in Sperrrichtung darstellen, aber je nach ausgewähltem Transistor unterscheidet sich doch stark was da hinten heraus kommt. Was macht das Ding? R7 ist extern, damit gedachte ich eine AGC zu realisieren, der Rest bsi auf die Quellen und die Kondensatoren befindet sich im IC. Ich weiß, ohne sinnvolle Daten der integrierten Transistoren kommt da im Wesentlichen irgendwas heraus... Hat Jemand eine Meinung dazu? Gruß, Holm
Holm Tiffe schrieb: > Q4 dürfte ja nichts weiter als eine Diode in > Sperrrichtung darstellen, aber je nach ausgewähltem Transistor > unterscheidet sich doch stark was da hinten heraus kommt. Was macht das > Ding? Z-Diode vielleicht? B-E-Strecke eines Planartransistors wurde bei Hagen Jakubaschk schon mal für sowas missbraucht. ;-)
Die Spannung an dem Ding krebst nur bei 1,25V herum, jedenfalls in der Simulation...Bisschen knapp für eine Z-Diode. Gruß, Holm
Hallo, scheinbar simuliert Ltspice diese Schaltungsart eines Transistors nicht korrekt. Du kannst an den so als Zweipol geschalteten Transistor beliebig hohe Spannungen anlegen, ohne dass der mehr als einige nA zieht. Ich habe ein Dutzend npn-Typen drin gehabt, kaum Unterschiede. Möglicherweise enthalten die meisten Transistormodelle für diesen Betriebsfall keine sinnvollen Daten. Löte es zusammen, dann spielt es auch. Der BE-Durchbruch kommt bei einigen Volt. Auch, wenn das die Simulation nicht hergibt. MfG. Andreas
Ja, ich weiß schon, 7 bis 7,5V ist i.A. die Durchbruchsspannung, aber das kann eigentlich nicht der Sinn dieses Transistors sein. Diese Spannung wird ja eigentlich nie erreicht. Die nominelle Betriebsspannung des Ics ist 12,6V (vom W Typ, die das A Typs ist 6,3V). R1 besteht eigentlich aus 2 Widerständen, am oberen Ende 1,7K an Ucc und 4K am Kollektor, dazwischen ist ein Anschluß herausgeführt. Interessant ist, das ich bei der Simulation zu verschiedenen Ergebnissen zwischen 5,7K und 4+1,7K komme, wenn ich eine Transientanalyse mache und Mit Vout anzeigen lasse (mit verschiedenen Werten für R7). Komisch das... Gruß, Holm
Holm Tiffe schrieb: > Q4 dürfte ja nichts weiter als eine Diode in > Sperrrichtung darstellen, aber je nach ausgewähltem Transistor > unterscheidet sich doch stark was da hinten heraus kommt. Was macht das > Ding? Kann es nicht sein, dass dessen Kapazität die Pointe ist und letzlich auch die Verstärkung bei höheren Frequenzen definiert? Gruß
Sowas mit der Kapazität (Kapazitätsdiode) ging mir auch schon durch den Kopf.. Ich bilde mir ein, einen internationalen Typ mit der welben Innenschaltung gesehen zu haben, bei dem das bewußte Teil auch als Diode eingezeichnet war...ich habe den Typ aber nicht wieder finden können. Wollte noch shreiben das ich hier LTSPice V 4.17 habe.. Gruß, Holm
Holm Tiffe schrieb: > (Kapazitätsdiode) Wobei es wohl überhaupt nicht um eine Spannungsabhängigkeit geht, sondern einfach nur um eine integrierte Kapazität von wenigen pF. Gruß
Bitte melde dich an um einen Beitrag zu schreiben. Anmeldung ist kostenlos und dauert nur eine Minute.
Bestehender Account
Schon ein Account bei Google/GoogleMail? Keine Anmeldung erforderlich!
Mit Google-Account einloggen
Mit Google-Account einloggen
Noch kein Account? Hier anmelden.
