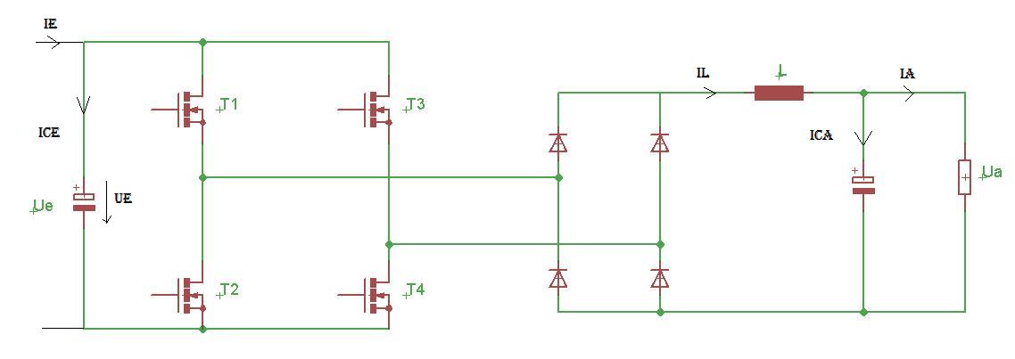
Hallo Leute, im Rahmen einer Laboraufgabe, muss ich bei einer Teilaufgabe die Spule dimensionieren. Bei der Schaltung handelt es sich um einen Vollbrücken-Gegentaktwandler (ohne Trafo). Gemessene Größen sind dabei Ue, Ie, Ia und die Frequenz. Da bei höheren Frequenzen (z.B. 100kHz) die Restwelligkeit sehr niedrig ist, nehme ich zur Vereinfachung für Ua eine Gleichspannung an. Mein Ansatz zu Dimensionierung der Spule ist, dass ich mir die Masche aufstelle, wenn alle Transistoren sperren (taus). Dadurch ergibt sich ausgangsseitig: ul = Ua. ul ersetze ich mit ul = L * dil/dt. il müsste doch der gleich ie sein, wenn T1 und T4 leiten und wenn ich den Knotenpunkt am Eingang anschaue, ergibt sich doch ie = Ie - ice. ice müsste ja sein: ice = C * dUce/dt. Uce müsste nach der Maschenregel Ue sein, doch dann würde ja ice = 0 sein. Kann mir jemand vllt an dieser Stelle weiterhelfen? Gruß Paarthurnax
Mal 'ne Frage... Was soll der Unsinn? Ist Dir schon aufgefallen, daß Du für sowas gar keine Vollbrücke brauchst? Das was Du da bauen willst ist ein ganz simpler Step-Down-Wandler mit megaüberkomplizierter Speisung. Das einzige was Du da machst ist Wechselstromerzeugung auf zwei blanken Drahtenden oder Leiterbahnen. Wozu? Du richtest den doch sowieso sofort wieder gleich.
Lese bitte alles gründlich, bevor du sowas schreibst. Ich habe diese Schaltung nicht selbst gebastelt oder so. Das ist eine Praktikumsaufgabe und da ich mir an dieser Stelle (Dimensionierung von L) nicht ganz sicher bin, wollte ich mal hier nachfragen. Gruß Paarthurnax
Du, ich habs gründlich gelesen. Mehrfach sogar. Ich habe mir echt Mühe gegeben, den tieferen Sinn dieser Schaltung zu erkennen. Aber es bleibt dabei, es ist einfach Murks. Was Deine Stromfrage angeht: Kondensatoren sind nur für Wechselstrom durchlässig, in einer statischen Situation mit eingepegelten Spannungen (geladene Kondensatoren) ist der Stromfluß durch einen (idealen) Kondensator natürlich Null.
Ben _ schrieb: > Ich habe mir echt Mühe > gegeben, den tieferen Sinn dieser Schaltung zu erkennen. Es ist der Sinn in einer Ausbildung, möglichst sinnfreie Schaltungen zu bringen, damit man in praxisbezogenen Veröffentlichungen keine Lösungen abschreiben kann. Meint Harald
Wie schon gesagt, die Schaltung ist völlig Sinnlos. Wenn du schon viele Halbleiter verwenden willst, dann mach die Diode im Buck synchron. MFG
Naja, Was solls. Sowas kann man bauen, wenn man keine galvanische Trennung und auch keine Uebersetzung benoetigt. Die Fet operieren ja auch die Spule, dh der Strom durch die Spule nimmt im Einschaltfenster zu, im Ausschaltfenster ab. Der Eingangs Strom folgt dem Ausgangsstrom in gewisser Weise. Bei einer idealen Spannungsquelle am Eingang ist der Kondenser am Eingang unnoetig, bringt nichts. Bei einer weniger idealen Quelle bringt der Kondenser den Strom, waehrend die Zuleitungsinduktivitaet noch am Schlafen ist.
Bitte melde dich an um einen Beitrag zu schreiben. Anmeldung ist kostenlos und dauert nur eine Minute.
Bestehender Account
Schon ein Account bei Google/GoogleMail? Keine Anmeldung erforderlich!
Mit Google-Account einloggen
Mit Google-Account einloggen
Noch kein Account? Hier anmelden.
