Moin, nun plane ich etwas um und möchte gerne zwei oder LEDs blinken lassen - so weit so gut, Anleitungen gibt es im Netz zu Hauf, ABER... ich möchte die ganze Schaltung gerne sehr flach bauen und deshalb am liebsten eine/zwei Knopfzelle(n) als Spannungsquelle nutzen. Hat jemand eine Schaltungsidee? Die meisten Schaltungen sind mit 2x1,5V Mignon dimensioniert und ich habe etwas Sorge, dass das mit einer Knopfzelle super schnell alle ist... Danke Jakob
Überlege Dir, welchen Strom deine LEDs benötigen. Mit der Kapzität deiner Knopfzelle hast Du dann deine Antwort.
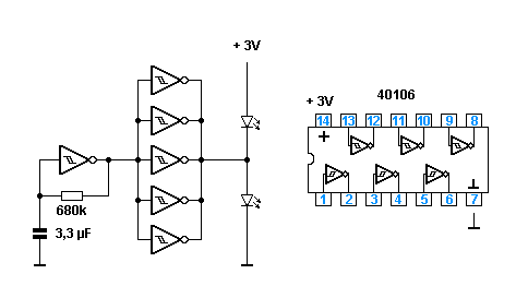
Jakob M. schrieb: > ABER... ich möchte > die ganze Schaltung gerne sehr flach bauen Was heißt sehr flach? Knapp über der Wasseroberfläche schwappend? Mit einem CMOS 4000 kann man eine astabile Kippstufe aufbauen, wo das Tastverhältnis nur 1/100 ist, damit extrem sparsam.
Jakob M. schrieb: > Moin, > > nun plane ich etwas um und möchte gerne zwei oder LEDs blinken lassen - > so weit so gut, Anleitungen gibt es im Netz zu Hauf, ABER... ich möchte > die ganze Schaltung gerne sehr flach bauen und deshalb am liebsten > eine/zwei Knopfzelle(n) als Spannungsquelle nutzen. scchau mal hier - meiner im Garten blinkt seit 2 Jahren dauernd mit einer Babyzelle - eine Ende noch nicht in sicht http://www.b-kainka.de/bastel59.htm chris
Find ich cool, aber ich hätte halt gerne zwei im Wechsel. Sehr flach heißt 5mm, allerhöchstens 10mm. Nachtrag: 20mA sollten doch je LED reichen...
Wenns sehr klein sein soll, nimm einen ATtiny4. Die Zeiten macht man mit dem Watchdoginterrupt, damit kommt man auf 5µA (ohne LEDs) Verbrauch. Peter
stevven schrieb: > Es gibt fertige blink Led's im 5mm Gehäuse Ja hab ich auch gerade gesehen, dann muss ich nur den "wechsel" reinbekommen :)
Jakob M. schrieb: > stevven schrieb: >> Es gibt fertige blink Led's im 5mm Gehäuse > > Ja hab ich auch gerade gesehen, dann muss ich nur den "wechsel" > reinbekommen :) Schalte eine zweite LED mit Vorwiderstand parallel zur Blink LED. Vielleicht klappts dann mit dem Wechselblinken. Gruss Harald
Jakob M. schrieb: > Find ich cool, aber ich hätte halt gerne zwei im Wechsel. > > Sehr flach heißt 5mm, allerhöchstens 10mm. > > > Nachtrag: 20mA sollten doch je LED reichen... Mit den mAh deiner Batterie, den LED strom und die Länge und die Häufigkeit des Blinkens, die du kennst, kannnst Du dir deine Frage beantworten.
> Sparsame Blinkerschaltung Eine Wechselblinkerschaltung, bei der immer genau 1 LED an ist, kann nicht "sparsam" sein. Die braucht mindestens so viel Strom, wie eine einzige, dauernd leuchtende LED. Sparen könntest du nur, wenn du eine "WechselBLITZschaltung" aufbauen würdest... Chris_dus L. schrieb: > scchau mal hier - meiner im Garten blinkt seit 2 Jahren dauernd mit > einer Babyzelle - eine Ende noch nicht in sicht > http://www.b-kainka.de/bastel59.htm Meiner blinkt seit mehr als 3 Jahren vor sich hin. Damals hatte ich nur eine "halbleere" Mignonzelle zur Hand. Deren Spannung ist heute auf knapp 1,2 V runter, das Blinken wird jetzt langsamer...
Das erinnert mich an eine Jux-Schaltung, die ich vor einiger Zeit mal zusammengebastelt habe. Wollte sich jemand zum Spaß unter seine Rollschuhe oder so klemmen. Der Trick ist, dass die Spannung der CR2032 gut mit der Spannung einer blauen (bzw weissen) LED übereinstimmt und der Innenwiderstand der Knopfzelle begrenzt den Strom durch diese auf einige mA. Dadurch ergeben sich Betriebszeiten von einigen Tagen, natürlich mit abnehmender Leuchtintensität. Ich echt sieht das übrigens so aus: http://www.youtube.com/watch?v=J3qgp-KBJ6A&feature=youtu.be
Bitte melde dich an um einen Beitrag zu schreiben. Anmeldung ist kostenlos und dauert nur eine Minute.
Bestehender Account
Schon ein Account bei Google/GoogleMail? Keine Anmeldung erforderlich!
Mit Google-Account einloggen
Mit Google-Account einloggen
Noch kein Account? Hier anmelden.
