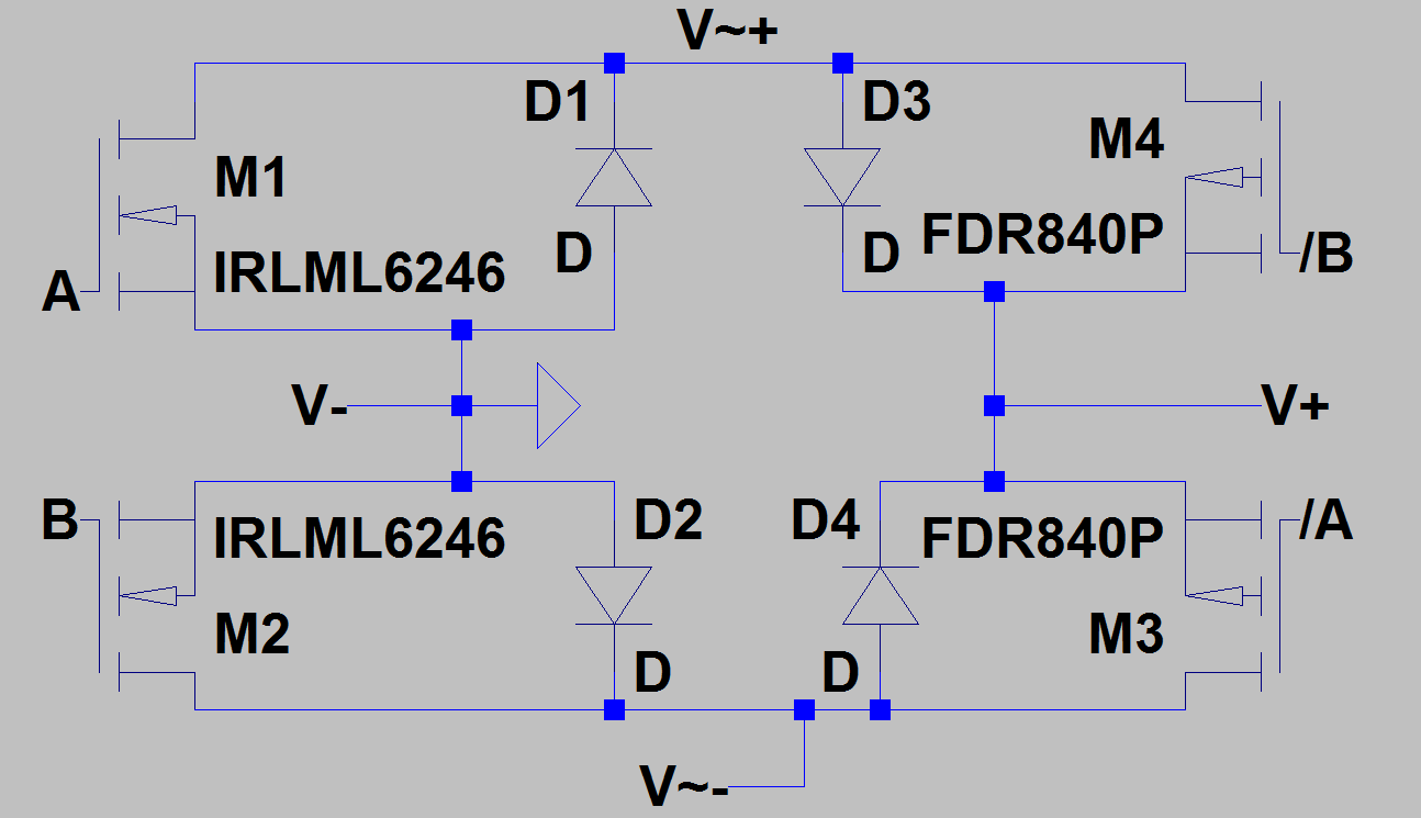
Servus, ich versuch grad in LTSpice ne Simulation für nen Synchrongleichrichter hinzukriegen (irgendwann mal gedacht fürs Fahrrad). Mit resistiver Last funzt auch alles schon super, ich hab jetz aber das Problem, wenn ich die Spannung glätten will, krieg ich ja ne phasenverschiebung von der Ausgangsspanung und dann ist das ganz nicht mehr so toll...... Hat jemand ne Idee, wie das in den Griff zu kriegen ist? Muss ich die Phasenverschiebung der Last messen (kann sich ja je nach Lastwiderstand und Frequenz ändern) und entsprechend die Ansteuerung der FETs auch anpassen?
Spannung (und damit Strom) an den Bodydioden messen und entsprechend einschalten. Es gibt dafür fertige ICs(Spannung, Frequenz, Gatestrom beachten). Oder selbst bauen, wenn man glaubt besser zu sein;) Funktioniert in Resoanzwandler aller Art(welche auch induktive oder kapazitive Phasenverschiebungen haben können) recht gut. Erklär mal, warum man das am Fahrrad brauchen sollte. Wieder mal den Generator Synchrongleichrichten mit der Hoffung weniger treten zu müssen?
Fralla schrieb: > Spannung (und damit Strom) an den Bodydioden messen und entsprechend > einschalten. Es gibt dafür fertige ICs(Spannung, Frequenz, Gatestrom > beachten). Oder selbst bauen, wenn man glaubt besser zu sein;) danke :) das müsste funktionieren, ich muss ja die fets schließlich wie die dioden schalten... meine andre idee wär jetzt, nach dem synchrongleichrichter nen sepic-wandler mit 200kHz oder 500kHz zu schalten, der dann ne konstante eingangsspannung liefert. hab ich mir aber noch nicht genauer angeschaut, da bräucht ich aber keine spannungsglättung nach der gleichrichtung überhaupt solls halt möglichst effektiv sein für licht und 5V-Versorgung z. B. zum Handy-Laden fänd ich auch praktisch am rad. dann kann man das handy auch n paar tage als navi hernehmen, bzw. muss nicht aufladen, sollte man ne radeltour machen. wenns schon ne spielerei ist, dann wenigstens möglichst gut und nicht stümperhaft und ineffizient ;)
Jonas K. schrieb: > Synchrongleichrichter gedacht fürs Fahrrad. Da Fahrraddynamos eher Stromquellen als Spannungsquellen sind, bringt es kaum was, hier zwei Zehntel Volt zu sparen. Grund- sätzlich gibt es aber verschiedene Fertigkonzepte, den Fahrrad- dynamo als Universalstromquelle zu nutzen. Du findest sie mit der Suchfunktion des Forums. Gruss Harald
Harald Wilhelms schrieb: > Fahrraddynamos eher Stromquellen als Spannungsquellen glaub ich nicht, was ich bisher gelesen hab, ist der nabendynamo eher ne quelle mit variablem innenwiderstand, siehe z. B. http://www.enhydralutris.de/Fahrrad/Modellierung_eines_Nabendynamos__Mathias_Magdowski_.pdf auf Seite 17 ist da ein Kennlinienfeld gezeichnet. nur der kurzschlussstrom ist bei höheren drehzahlen recht konstant (was ja was ganz anderes bedeutet) Bin bisher noch nicht dazugekommen, es selbst rauszumessen, ich denke es dürfte allerdings einigermaßen passen. Harald Wilhelms schrieb: > verschiedene Fertigkonzepte, den Fahrrad-dynamo als Universalstromquelle zu nutzen. werd ich mal suchen, danke... wobei die ausnutzung als stromquelle sich ja vermutlich auf leds bezieht, und das ist ja recht simpel mit 2 antiparallelen Hochleistungsleds + Stromglättung.
Und es geht mir ja mehr darum, eine spannungsquelle zur verfügung zu stellen, da hilft mir ne stromquelle herzlich wenig
Bitte melde dich an um einen Beitrag zu schreiben. Anmeldung ist kostenlos und dauert nur eine Minute.
Bestehender Account
Schon ein Account bei Google/GoogleMail? Keine Anmeldung erforderlich!
Mit Google-Account einloggen
Mit Google-Account einloggen
Noch kein Account? Hier anmelden.
