Hi, ich würde gerne mal wissen, was übliche Schaltnetzteile für einen komischen Unfug treiben, wenn man sie zu stark belastet, d.h. wenn man versucht, aus ihnen mehr Strom zu entlocken, als sie eigentlich zu treiben in der Lage wären. Anders als beim Linearnetzteil bricht da nämlich nicht einfach nur die Spannung ein sondern sie scheinen dann im halbsekunden-Takt versuchen den Betrieb wieder aufzunehmen, merken dann hoppla, das pack ich nich, schalten sich wieder ab und so weiter. Ich ververwende ein solches Schaltnetzteil nämlich zum Laden eines Akkus und das klappt irgendwie so überhaupt nicht gescheit. Anfangs habe ich einen extremen Ripple auf der Akkuspannung. Einer Strommessung entnehme ich dann, dass ich kurze Phasen hohen Stromflusses hab, und dann wieder ne weile garnix, das ganze mit diesem Halbsekundentakt. Kann ich da irgendwie mit einfachen Mitteln eine Impedanzanpassung machen, damit mein SNT nicht anfängt durchzudrehen, sobald die Belastung zu hoch wird? Gibt es irgendwo Schaltnetzteile mit Konstantstromverhalten bei Überbelastung? lg PoWl
> Gibt es irgendwo Schaltnetzteile mit Konstantstromverhalten bei > Überbelastung? Ja, z.B. sowas [0] in der Art macht das richtig(tm). [0] http://www.peaktech.de/produktdetails/kategorie/stabilisierte-hochleistungs---labornetzgeraete/produkt/peaktech-1530.html
jup.. jetzt bräuchte ich das ganze eben nur noch integriert und habwegs einbaufertig ;)
> ich würde gerne mal wissen, was übliche Schaltnetzteile für einen > komischen Unfug treiben, wenn man sie zu stark belastet, d.h. wenn man > versucht, aus ihnen mehr Strom zu entlocken, als sie eigentlich zu > treiben in der Lage wären. Das kommt auf das Netzteil an und sollte im Datenblatt stehen: - es gibt Rauchzeichen - eine Sicherung brennt durch - elektronische Sicherung löst aus (und geht erst wieder nach Wiedereinschalten wieder an gehen) - das von dir beschriebene Verhalten (ähnelt einer Foldback-Kennlinie) - es begrenzt den Strom (eher selten) Du kannst natürlich irgendwie in die Regelung eingreifen und über einen Shunt den Strom messen und diesen Wert in die Regelschleife zurückführen. Die Regelschleife wird meist über einen Optokoppler realisiert, d.h. wenn genug Spannung vorhanden ist, wird der Optokoppler angesteuert, so dass der Primärkreis weniger Energie in den Kern pumpt. Auf ähnliche Weise sollte sich auch eine Stromregelung realisieren lassen. (Ist aber eine Bastellösung) Gruß Roland
Was zur Hölle ist denn ein "übliches Schaltnetzteil"?
üblich -> meistproduziert, z.B. in der Unterhaltungselektronik (braune Ware).
im Datenblatt steht: OVER LOAD: Protection type : Hiccup mode, recovers automatically after fault condition is removed
Paul Hamacher schrieb: > ich würde gerne mal wissen, was übliche Schaltnetzteile für einen > komischen Unfug treiben, wenn man sie zu stark belastet, d.h. wenn man > versucht, aus ihnen mehr Strom zu entlocken, als sie eigentlich zu > treiben in der Lage wären. Hier stellt sich allerdings die Frage, wer hier wohl Unfug treibt...
Paul Hamacher schrieb: > Ich ververwende ein solches > Schaltnetzteil nämlich zum Laden eines Akkus und das klappt irgendwie so > überhaupt nicht gescheit. Schalte einen schnöden belastbaren Widerstand mit ein paar Ohm in Reihe oder benutze ein NT mit "Ladegerät" in der Bezeichnung.
Paul Hamacher schrieb: > damit mein SNT nicht anfängt durchzudrehen, sobald die Belastung > zu hoch wird? Gibt es irgendwo Schaltnetzteile mit > Konstantstromverhalten bei Überbelastung? Nennt sich Ladegerät. Da der leere Akku eine sehr niedrige Spannung haben kann, wird am Anfang der Ladung mit Deinem "normalen" Netzteil ein sehr hoher Strom fließen, der erst mit dem höheren Ladezustand geringer wird.
Paul Hamacher schrieb: > jup.. jetzt bräuchte ich das ganze eben nur noch integriert und habwegs > einbaufertig ;) Schaltnetzteile, deren Regelkriterium der Strom anstatt die Spannung ist? Kein Problem - die werden heute oft zur LED-Versorgung eingesetzt. Beispielsweise hier von 12 bis 320 Watt: http://www.meanwell.com/webnet/search/seriessearch.html runterscrollen - ab LED / LED Driver (orangefarbener Balken) findet man die, die (im Arbeitsbereich, dh. bis zur maximal möglichen Ausgangsspannung) einen (justierbaren) konstanten Strom liefern. Ich selbst verwende eines dieser Teile als Ladegerät für auf NiMh-Zellen umgebaute Akkupacks für das TDS3054B. Problemfrei und verdoppelter Betriebszeit gegenüber den originalen Akku-Packs (früher: NiCd, heute gibt es wohl auch von Tek NiMh, oder fpr die C-Serie sogar Litium?) Das Beste: Für die Preisdifferenz zu TEKs originalem BatPack+Ladegerät kann ich (bei 28ct/kWh) rechnerisch über 20000 Ladungen vom Stromanbieter erwerben... ;-)
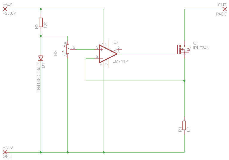
So, wird die Schaltung im Anhang zur Strombegrenzung so funktionieren? Oder fängt das irgendwie an zu schwingen? Den 741 hab ich gewählt, weil ich hier noch ein paar davon rumliegen hab und die weg müssen ;)
Paul Hamacher schrieb: > Den 741 hab ich gewählt, weil ich hier noch ein paar davon rumliegen hab > und die weg müssen ;) Wenn Dich die hohe Offsetspannung nicht stört... Gruss Harald
Sollte doch im Regelkreis nicht ins Gewicht fallen oder?
Paul Hamacher schrieb: > wird die Schaltung im Anhang zur Strombegrenzung so funktionieren? Nicht ganz, da der Eingangsspannungsbereich unterschritten wird. Mit Kniffen kann man das korrigieren, wobei ein anderer OPV aber einfacher ist.
stimmt.. naja dann nehm ich lieber nen Rail-to-Rail OP
Paul Hamacher schrieb: > Oder fängt das irgendwie an zu schwingen? Sehr leicht möglich. Da fehlt noch ein Kondensator zwischen Ausgang und (-)-Eingang und Widerstand zwischen (-)-Eingang und Shunt (R1). Dazu gab es schon etliche Threads. Gruß Dietrich
Bitte melde dich an um einen Beitrag zu schreiben. Anmeldung ist kostenlos und dauert nur eine Minute.
Bestehender Account
Schon ein Account bei Google/GoogleMail? Keine Anmeldung erforderlich!
Mit Google-Account einloggen
Mit Google-Account einloggen
Noch kein Account? Hier anmelden.

