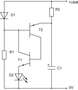
Hallo liebe Elektronik-Gemeinde, obwohl schon etliche Jährchen in Sachen Elektronik unterwegs, stehe ich bei folgendem Problem ein bisschen auf dem Schlauch. Ursprünglich wollte ich eine vorhandene Blitzschaltung durch etwas ersetzen wo kein Unijunction Transistor drin vorkommt weil heutzutage schwer zu besorgen. Obige Schaltung kusiert in x Abwandlungen im Internet. Ich dachte ich hätte die Funktion auch soweit verstanden: Sobald die Spannung über C1 größer als die Spannung an der Diode abzüglich der 0,6 der BE Strecke von T2 wird, fängt dieser an zu leiten und schaukelt sich dann mit T1 gegenseitig auf bis der Kondensator entladen ist. Soweit ein Thyristor. Aber: warum funktioniert das Ganze nicht mehr wenn ich für D1 zwei 1N4148 in Reihe einsetze. Ich hätte gedacht die Kombi aus T1/T2 würde lediglich 0,6V früher zünden, aber die Schaltung zündet, die LED blitzt und glimmt danach mit dem durch R2 bestimmtern Strom weiter. R1 in dem Fall 100k, R2 10k Warum ist das so ?!?!? Danke für eure Mithilfe. Ich habe bei mancher Analog-Querdenkerei so meine Problemchen da ich eher zu der Generation gehöre die dafür einen AtTiny irgendwas mit 10 Zeilen Source Code verwende um den gleichen Effekt zu erreichen. Aber in dem Fall muss es ohne Prozessor gehen. Vielen Dank für eure Unterstüttzung.
Der Haltestrom wird nicht mehr unterschritten, durch die beiden Dioden ist die Vorspannung des oberen Transistors zu groß und dadurch kann die Schaltung nicht in den gesperrten Zustand zurückkippen.
Findest Du die Schaltung gut? Die überschreitet doch vermutlich bei jedem Blitzen den maximal erlaubten Basisstrom von T1.
Hallo und Danke für eure schnellen Antworten. Das es mit dem Haltestrom zu tun hat, war auch mein Gedanke, aber warum ändert der sich ? Zunächst mea culpa, ich hatte die Strombegrenzung vom Netzteil auf 10mA stehen, jetzt geht es auch mit den beiden 1N4148 in Reihe nur verstehe ich es jetzt gar nicht mehr ... Neue Phänomene, neue Fragen ... Fall 1 : eine 1N4148, R2=4k7 bis zu einer Spannung von 2,5V funktioniert das problemlos, unter 2,5V löscht der Thyristor nicht mehr und es fliesst ca. 1mA. Aber wo kommen die her ??? Die Spannung an der LED ist bei diesem Strom ca. 1,8V. Hinzu kommen 0,6V über den "Thyristor". Bleiben für R2 0,1V über und man sollte meinen es fliessen 0,1V/4k7 = 0,021mA, Es fliesst aber 1mA ! R1 ist mittlerweile auf 1M vergrössert so daß der Querstrom da vernachlässigbar ist. Die 1mA fliessen also über D1 durch den "Thyristor" durch. Wie kann das sein. Man sollte doch meinen das aus Sicht von D1 alles in Sperrrichtung steht ?!? Fall 2; zwei 1N4148 hiermit verstärkt sich der Effekt weswegen auch meine Strombegrenzung am Netzteil einsetzte. Also bis runter zu diesmal 4V funktioniert auch das einwandfrei. LED blitzt und Thyristor löscht sich. Unter 4V leuchtet die LED dauerhaft und es fliesst ein Strom von 40(!) mA, diesmal über die beiden 1N4148 durch den Thyristor. Warum ist das so ????? Und wie könnte man es verhindern ? Sinn und Zweck der Schaltung sollte eigentlich sein einen kleinen parasitären Strom einzufangen. Dieser wird "gleichgerichtet" und mittels Z-Dioden auf 15V begrenzt. Damit lädt sich der Elko und wenn er irgendwann voll genug ist, solls einmal blitzen. O.g. Phänomen würde also gar nicht einsetzen weil in diesem Fall ja die Spannungsquelle die eigentlich eine Stromquelle ist, sehr hochohming ist. Trotzdem würde ich gerne verstehen was da passiert. Auch noch interessant: selbst ohne R1 blitzt die Schaltung wenn auch mit sich ändernder Frequenz. Ich dachte ja eigentlich das der Zündstrom genau über R1 fliesst. Dann habe ich noch zwischen die Basis von T2 und der Kathode von D1 eine Diode gesetzt. Dann gibts wieder fröhliches Dauerleuchten nach erfolter Zündung je nach Polung von dieser zusätzlichen Diode mehr oder minder stark. Hat jemand vo euch ne Erklärung dazu ? Die Schaltung ist ja an sich super simpel trotzdem löst sie bei mir viel Fragen aus. Habt ihr eventuell noch einen alternativen Vorschlag ? So Lösungen mit nem 555 selbst in der CMOS Variante fallen aus weil die schon mehr Ruhestrom ziehen als das der Elko normalerweise damit geladen wird. Ich hab noch was mit dem LowPower-Komparator aufm Schirm. PS: T1 wird übrigens nicht überbelastet, da ja der grösste Teil des Stromes über die CE Strecke und nicht über die BE Strecke fliesst.
R2D2 schrieb: > ersetzen wo kein Unijunction Transistor drin vorkommt weil heutzutage > schwer zu besorgen. wie kommst zu der weisheit? reichelt 2n2646 mfg
Um genauer zu sein ist es kein Unijuncion sondern ein programmierbarer Unijunction was wiederum nicht das geringste mit einem "normalen" Unijunction zu tun hat. Um genau zu sein entspricht das dann eher einem steuerbaren Thyristor. Trotzdem würde mich intersssieren warum sich obige Schaltung so verhält ? Problem ist das bei heute noch zu beschaffbaren programmierbaren Unijunctions bei 150mA Sense ist. Der Strom durch die LED muss aber möglichst groß sein, damit sie sehr hell, wenn auch nur sehr kurz blitzt.
Es müsste im Internet bessere Schaltungen geben. Deine ist - mit Verlaub - saumäßig...
Bitte melde dich an um einen Beitrag zu schreiben. Anmeldung ist kostenlos und dauert nur eine Minute.
Bestehender Account
Schon ein Account bei Google/GoogleMail? Keine Anmeldung erforderlich!
Mit Google-Account einloggen
Mit Google-Account einloggen
Noch kein Account? Hier anmelden.
