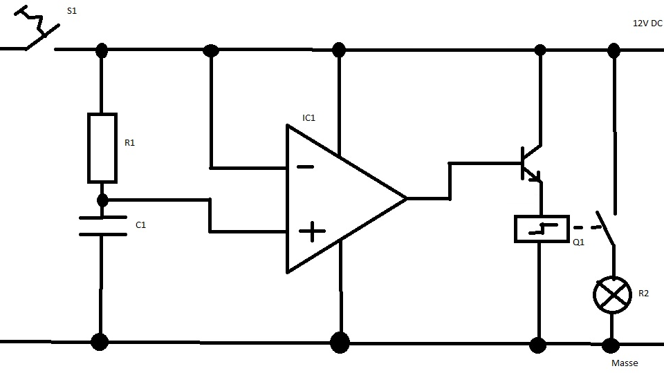
Hallo zusammen. Ich würde gern eine kleine Schaltung bauen. Die Werte habe ich schon alle ausgerechnet bloß macht mit den IC zu finden ein paar Probleme. Kurz zusammengefasst. Ich schalte die Spannung 12Volt DC ein und ein Kondensator fängt an sich zu laden, sobald er voll ist soll der IC durchsteuern und einen Transisitor ansteuern, oder würde der IC auch ein Relais schaffen? Was sonst vom Transistor angesteuer würde. Der Gedanke dahinter ist das zum einen erst wenn der Kondensator geladen ist das Relais schaltet und somit der der Lastverbraucher eingeschaltet wird und nebenbei der Kondensator die Spannung noch ein wenig stabilisiert. Ich hoffe es ist verständlich was ich vorhabe. Meine Fragen sind daher halt. 1. Was für einen OP soll ich nehmen? Ich hab was von einem 741 mal gehört. 2. Läuft dieser mit einer Versorgungsspannung von 12V gegen Masse? 3. Wäre der Strom großgenug um ein Relais zu schalten oder muss erst ein Transistor dazwischen? Wenn ja was würdet ihr mir da für einen Transistor empfehlen? Wenn ihrgendwelche Denkfehler drin sind bitte Nachsichtig sein, bin nur Elektroazubi im 2 Jahr
> Die Werte habe ich schon alle ausgerechnet Na das ist ja beruhigend, warum hast du sie nicht drangeschrieben ? > sobald er voll ist Das passiert natürlich nie, die Spannung nähert sich nur asymptotisch der Versorgungsspannung an erreicht sie aber nie. > 1. Was für einen OP soll ich nehmen? > Ich hab was von einem 741 mal gehört. Genau. Den gibt es ungefähr seit 40 Jahren, aber nicht in dieser Schaltung. > Wäre der Strom großgenug um ein Relais zu schalten Woher sollen wir das wissen wenn du nicht dranschreibt welche Werte du für dein Relais berechnet hast ? > nebenbei der Kondensator die Spannung noch ein wenig > stabilisiert Das tut er sciher nicht wenn er über einen Widerstand von der Spannung getrennt ist, der so gross ist, daß schon ein Aufladen ewig dauert. > Nimm einen 555er! Das ist für so eine Schxaltung ein sinnvoller Tip.
Oh ja die Werte rotwerd Betriebsspannung 12V DC C1 10mF R1 56 Ohm I 214.286mA h 560ms Das Relai: 12V 150mA max Schaltleistung 20A Und schuldigung ja ich weiß das ein Kondensator nach 5tau nur zu 99% geladen ist Meint ihr der Wiederstand is von 56 Ohm ist zu groß für die Stabilisierung? Und ja ich bin mir bewusst der der Kondensator schon recht groß ist Aber lieber zu groß als zu klein oder nicht?
Mit einem Kondensator diese Verzögerungsfunktion und eine Stabilisierung gleichzeitig zu bewerkstelligen ist einfach Unsinn. Vergiss es! Nimm einen deutlich kleineren Kondensator für die Verzögerung und dafür einen entsprechend größeren Widerstand (nur mit 'i', nicht mit 'ie'). Wenn Du die Spannung mit einem Elko Blocken möchtest, schalte einen solchen direkt an die Versorgungsspannung. Wie groß dieser sein muss, hängt von vielen Dingen ab, von denen wir hier kein einziges Wissen. (Z.B. welcher Art Deine Spannungsquelle ist, mit welchen und wie langen Kabeln sie angeschlossen ist, was evtl. sonst noch an dieser Spannung dranhängt...). Nur einfach für die gezeigte Schaltung braucht man evtl. auch gar keinen. Dann: ein Relais, dessen Spule 150 mA zieht, sollte mit einem Transistor getrieben werden (ein OP schafft das im Allgemeinen nicht, obwohl es Ausnahmen gibt). Dann: Dein Transistor ist unzweckmäßiger Weise in Kollektorschaltung (Emitterfolger) geschaltet. Das ist Quatsch! Schalte ihn in Emitterschaltung (Emitter direkt auf GND, Relais zwischen Kollektor und +12V. Dann: Sieh eine Freilaufdiode zwischen parallel zur Relaisspule vor. Beim Abschalten des Spulenstromes erzeugt deren Induktivität eine Hochspannungsspitze, die den Tranistor zerstören würde. Eine Diode würde diese Spannungsspitze auf ihre Flussspannung begrenzen. Der 741 ist in der Tat nicht unbedingt ein moderner Baustein. Es gibt ihn aber noch zu kaufen, er ist nicht unverhältnismäßig teuer und das, was Du vorhast, sollte damit gehen.
mse2 schrieb: > und das, > was Du vorhast, sollte damit gehen. Nein, der 741 ist kein R2R (rail to rail). Und diese Schaltung geht generell nicht. Beitrag "Re: Komperatorschaltung" Peter
mse2 schrieb: > ... das, was Du vorhast, sollte damit gehen. Verzeihung, voreilig! Nein, das geht leider so nicht. Du willst den OP als Komparator (mit 'a', nicht mit 'e') betreiben. Die Kondensatorspannung am P-Eingang wird mit der Spannung am N-Eingang verglichen. Der Ausgang des OP geht erst dann hoch, wenn U(P) > U(N) ist. Dies ist aber nie der Fall. Wie schon geschrieben wurde, wird allenfalls U(P) fast gleich U(N) sein, aber nie größer. Du könntest N statt auf +12V auf einen niedrigeren Wert zwischen +12V und 0V legen, den Du mit einem Spannungsteiler aus zwei Widerständen erzeugst. Ich kenne die Daten des alten 741 nicht gut genug. Es besteht aber weiterhin die Gefahr, dass wenn sein Ausgang auf 'niedrig' liegt (also bei U(P)<U(N) ), dass dieser Pegel immer noch so hoch ist, dass der Transistor aufgesteuert wird. Dies könnte durch einen Spannungsteiler (ein R zwischen OP-Ausgang und Transistorbasis, ein anderes R zwischen Transistorbasis und Masse) behoben werden. Was ich beim letzten Post auch noch übersehen habe: Ein Vorwiderstand zwischen Basis und OP ist unbedingt nötig. Zugegebenermaßen allerdings nicht, wenn man den Transi so beschaltet, wie Du es getan hast (in Kollektorschaltung).
Peter Dannegger schrieb: > mse2 schrieb: >> und das, >> was Du vorhast, sollte damit gehen. > > Nein, der 741 ist kein R2R (rail to rail). > Und diese Schaltung geht generell nicht. > > Beitrag "Re: Komperatorschaltung" > > Peter Ja, das ist noch ein Mal die Kurzform.
Wenn die Schaltung nicht funktioniert, kann es an Haarrissen liegen, in deiner Zeichnung zu erkennen an einigen Leitungen mit einem minimalen Versatz zwischendurch.
Leiterplattenhersteller schrieb: > Wenn die Schaltung nicht funktioniert, kann es an Haarrissen liegen, > in deiner Zeichnung zu erkennen an einigen Leitungen mit einem minimalen > Versatz zwischendurch. :D Haarrisse in einem Schaltplan sind 'mal was neues.
Nur mal so zum Nachdenken: der Komparator schaltet seinen Ausgang auf high, wenn die Spannung am +Eingang größer ist, als die am -Eingang. Wenn jetzt die Spannung am +Eingang sich von 0V von unten langsam an Vcc auflädt, wie soll die denn jemals größer werden, als Vcc?
741 ist ok. Du mußt den invertierenden Eingang von der positiven Versorgung wegbringen da der IC nicht rail to rail arbeitet. Also Spannungsteiler ( zb 10 kOhm nach plus, 1 kOhm nach minus). Ob ein Transistor notwendig ist, hängt vom Relais ab. Kleine Relais brauchen bei 12 V ca 100 mA. Das schafft der 741. Sonst einen Transistor wählen, der den Relaisstrom als Ice schafft (jeder BC... macht mindestens 200 mA). lg Hubert, seit 40Jahren in der Branche
hubert e schrieb: > Ob ein Transistor notwendig ist, hängt vom Relais ab. Kleine Relais > brauchen bei 12 V ca 100 mA. Das schafft der 741. Ach, in meinem Datenblatt (von TI) steht was von einem Kurzschluss- strom von typisch 25mA. Wobei ich eine Schaltung nicht unbedingt auf einen Kurzschlussstrom dimensionieren würde. Gruss Harald
Bitte melde dich an um einen Beitrag zu schreiben. Anmeldung ist kostenlos und dauert nur eine Minute.
Bestehender Account
Schon ein Account bei Google/GoogleMail? Keine Anmeldung erforderlich!
Mit Google-Account einloggen
Mit Google-Account einloggen
Noch kein Account? Hier anmelden.

