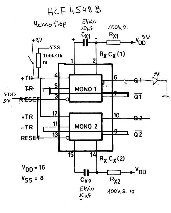
Hallo, mittels Monoflop möchte ich ein kurzes Eingangssingal (9V) in ein 1-5 sekündiges Ausgangssignal wandeln und in der Testschaltung eine LED leuchten lassen. benutzt habe ich ein HCF4538B mit folgender Beschaltung. Aktuell funktioniert die Schaltung mit einer 9V Blockbatterie einwandfrei. Möchte ich nun die Schaltung mittels 24V Netzteil und Spannungsteiler (2x 470 Ohm (12v)) betreiben, ist der Triggereingang gestört.D.h. ich kann mit +12V ( Spannungsteiler) oder einer Berührung an einem metalischen Gegenstand meine Schaltung triggern (Obwohl 100kOhm Pull Down drin ist). Kann mir mit der Schaltung jemand weiterhelfen?
Hans Strauß schrieb: > Kann mir mit der Schaltung jemand weiterhelfen? Hallo Hans, bitte verwende ein vernünftiges Netzteil. Die Versorgungsspannung über einen Spannungsteilen zu erzeugen ist ja prinzipiell möglich, nur musst Du dann auch noch sauber betrachten was bei Schwankungen des Versorgungsstromes deiner Schaltung passiert. Da leuchtet mal die LED mit auf (im übrigen: ohen Vorwiderstand???), das werden irgendwo 10mA sein. bei 2x470R hast Du einen Querstrom von ca. 24mA (24mA * 12V =300mW, werden die Widerstände nicht heiß?). Wenn Du dann z.B. zusätzlich 10mA ziehst ändert sich mal schnell die Spannung am Spannungsteiler, d.h. die Versorgungsspannung des ICs (Befrechnung überlasse ich Dir). Das hat alle möglichen Effekte. rgds
6A66 schrieb: > Da leuchtet mal die LED mit auf (im übrigen: ohen Vorwiderstand???), Dafür ist doch der hochohmige Spannungsteiler drin. :-) Gruss Harald PS: Eine Z-Diode sollte man für ein solches "Netzteil" immer übrig haben. Und ein Dreibeinregler ist kaum teurer.
Bitte melde dich an um einen Beitrag zu schreiben. Anmeldung ist kostenlos und dauert nur eine Minute.
Bestehender Account
Schon ein Account bei Google/GoogleMail? Keine Anmeldung erforderlich!
Mit Google-Account einloggen
Mit Google-Account einloggen
Noch kein Account? Hier anmelden.
