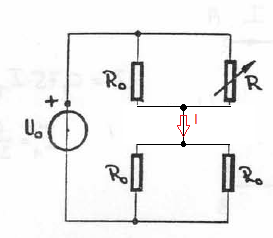
Hallo, ich bin gerade sehr verwirrt was dieses Beispiel anbelangt (siehe Anhang). Liege ich richtig wenn ich sage dort wo der Strom I fließt befindet sich ein riesendicker fetter Knoten und meine Schaltung lasst sich auf siehe Bild vereinfachen? Oder liege ich komplett daneben. Das Problem bei meiner Theorie ist, ich wüsste nicht in welche Richtung der Strom fließt... Ich bekäme dann raus:
nach deiner Formel könnte der Strom nur in eine Richtung fließen, was wohl nicht so ganz richtig sein kann. (Stell dir dazu nur mal die Extreme R0=0 und R0=unendlich vor) Mein Vorschlag: denke dir den linken Spannungsteiler als eine Ersatzspannungsquelle mit Uq1 = U0/2 und Ri1 = R0/2 mach das selbe für den rechten Spannungsteiler, wobei Uq2 und Ri2 vom variablen R abhängen (rechnen darfst du selbst). Wenn du jetzt beide Ersatzspannungsquellen zusammenschließt, fließt der Strom (Uq1-Uq2)/(Ri1+Ri2). Sein Vorzeichen hängt vom Vorzeichen der Differenzspannung ab.
Achim S. schrieb: > (Stell dir dazu nur mal die > Extreme R0=0 und R0=unendlich vor) sorry: natürlich R=0 und R=unendlich...
Bitte melde dich an um einen Beitrag zu schreiben. Anmeldung ist kostenlos und dauert nur eine Minute.
Bestehender Account
Schon ein Account bei Google/GoogleMail? Keine Anmeldung erforderlich!
Mit Google-Account einloggen
Mit Google-Account einloggen
Noch kein Account? Hier anmelden.

