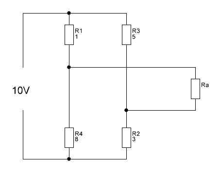
Habe bei folgender Schaltung ausgerechnet wie Ra gewählt werden muss, wenn die Leistung an ihm maximal sein soll. Habe dann U0 und alle anderen Widerstände als Ersatzspannungsquelle berechnet und dann P abgeleitet und kam dann auf die Erkenntnis: Ra muss so groß sein wie Ri der Ersatzspannungsquelle. Puuuuuuh! All die Arbeit umsonst. Meine Frage: Wie kann ich das denn sofort sehn? In den Lösungen wird so argumentiert: "Ri ausrechnen, wenn P max sein soll, dann muss Ra = Ri sein" ohne irgend eine Rechnung... Ich hab da ewig rumgerechnet, bis ich draufkam, dass sich die Leerlaufspannung beim Ableiten sowieso wegkürzt, jedoch auch ohne ULL zu berechnen müsste man doch irgendwas aufschreiben oder sieht man das !sofort! ??? Bitte um Gedankenhilfe, da ich auch die Dinge so sehen will... Danke!
Johannes M. schrieb: > http://de.wikipedia.org/wiki/Leistungsanpassung ;-) JAAAAA!! Sehr schön, eine noch schönere Antwort auf eine Frage hatte ich hier noch nie! Jetzt stell ich mir aber die Frage wieso man beim Empfang eines Antennensignals nicht einfach einen OPV statt Ra schaltet? Vielleicht habe ich noch nicht ganz verstanden worum es hier geht, aber im Prinzip will ich doch das empfangene Signal verstärken oder? Da verstärke ich doch das signal... wobei mir noch nicht so ganz klar ist was der Widerstand Ra eigentlich ist? Sind das Lautsprecher od so ähnl? Danke für die schnelle Antwort!
Die Zeichnung ist verwirrend. 1. Spannungsquelle wird zum Draht, weg mit Rlast Inenwiderstand der Ersatz U Quelle: 2. Zeichne R2 und R1 in einer Reihe und zeichne R3 und R4 darunter 3. Jetzt lege die Verbindungen und du siehst eine einfache Parallelschaltung von R und R .... in Reihe mit der Parallelschaltung von R. und R. ?? na?
Frank K. schrieb: > JAAAAA!! Sehr schön, eine noch schönere Antwort auf eine Frage hatte ich > hier noch nie! Kater brummt- sehr gut! schrieb: > Die Zeichnung ist verwirrend. > 1. Spannungsquelle wird zum Draht, weg mit Rlast > Inenwiderstand der Ersatz U Quelle: > 2. Zeichne R2 und R1 in einer Reihe und zeichne R3 und R4 darunter > 3. Jetzt lege die Verbindungen und du siehst eine einfache > Parallelschaltung von R und R .... in Reihe mit der Parallelschaltung > von R. und R. ?? na? Das meinte ich ernst... Ich habs schon gelöst und verstanden. Interessant wäre noch wieso man die Leistung maximieren will, wieso schaltet man nicht einen OPV dahinter?
Man kann nicht für alles einen OPV verwenden, da es diese nur für kleine Leistungen gibt. Ia ist im 10....20mA Bereich. Bei der Leistungsanpassen, geht es nicht darum, die größte Spannung oder den höchsten Strom zu bekommen, sondern um die Leistung (P=U*I) Wie du warscheinlich bemerkt hast, haben Strom und Spannung jeweils einen maximum-Punkt. Wenn aber der Strom maximal ist, ist die Spannung fast 0, und umgekehrt. Wenn man jetzt aber das Produkt von Strom und Spannung nimmt, hat man die größte Leistungsausbeute, um was es bei z.B. Lautsprecher geht. Ra kann ein Lautsprecher sein, kann aber aber auch was anderes sein.
Frank K. schrieb: > Interessant wäre noch wieso man die Leistung maximieren will, wieso > schaltet man nicht einen OPV dahinter? Kannst ja dann genauso gut Ra direkt an die Spannungsquelle schalten und sehr niederohmig machen.
Ralf schrieb: > Frank K. schrieb: >> Interessant wäre noch wieso man die Leistung maximieren will, wieso >> schaltet man nicht einen OPV dahinter? > > Kannst ja dann genauso gut Ra direkt an die Spannungsquelle schalten und > sehr niederohmig machen. Nein wenn du Ra niederohmig(Ra<<Ri) machst, fällt nahezu keine Spannung hab. Bau dir das doch mal in Excel nach, Lege U fest und Ri fest, und lasse dann Ri von sehr klein nach sehr groß gehen. Du kommst in der Praxis nicht an den Innenwiderstand heran, das ist keine Widerstand der in der Batterie verlötet ist, der ist einfach da, duch Leiterbahnen und chemisch physikalische Begebenheiten.
Hallo, also wenn ich nicht völlig falsch liege ist der Innenwiderstand die Summe aus den Parallelschaltungen R1 und R4 sowie R2 und R3. Und Ra muß für Leistungsanpassung genau diesen Wert haben. Lang ist es her.... Gruß, Michael
Hier mal eine Simulation im Video: http://et-tutorials.de/4048/pspice-leistungsanpassung-mit-dcsweep/
Frank K. schrieb: > Interessant wäre noch wieso man die Leistung maximieren will, wieso > schaltet man nicht einen OPV dahinter? Leistungsanpassung wird zwar oft zitiert, aber man "will" sie meistens gar nicht. Üblich ist sie eigentlich nur im HF-Bereich und für Solargeneratoren. Gruss Harald
Michael Appelt schrieb: > Hallo, > > also wenn ich nicht völlig falsch liege ist der Innenwiderstand die > Summe aus den Parallelschaltungen R1 und R4 sowie R2 und R3. > Und Ra muß für Leistungsanpassung genau diesen Wert haben. > > Lang ist es her.... > > Gruß, > Michael Ja, das ist das, was der Kater oben gemeint hat. Nur die Indices sollte sich der TO noch Selbst überlegen. War aber für den TO immer noch nicht mundgerecht genug auf die Frage " wie sieht man das auf einen Blick" , deswegen gibts auf gutgemeinte Hilfe eine gereizte Antwort. Kann man verstehen. Er schreibt in kürze Klausur, hat keinen Schimmer, wie er solche Aufgaben elegant lösen soll und murkst überall mit Knoten und Maschen herum.
Formalist schrieb: > Ja, das ist das, was der Kater oben gemeint hat. Nur die Indices sollte > sich der TO noch Selbst überlegen. War aber für den TO immer noch nicht > mundgerecht genug auf die Frage " wie sieht man das auf einen Blick" , > deswegen gibts auf gutgemeinte Hilfe eine gereizte Antwort. Kann man > verstehen. Er schreibt in kürze Klausur, hat keinen Schimmer, wie er > solche Aufgaben elegant lösen soll und murkst überall mit Knoten und > Maschen herum. Tja ableiten ableiten ableiten mehr kann man dazu nicht sagen.
Ja ... Wie war das nochmals. Ein Maximum ist entweder bei Ableitung gleich Null oder am Rand des Bereiches. Aber wenn man verpasst hat, war's das wohl. Bye, bye.
Bitte melde dich an um einen Beitrag zu schreiben. Anmeldung ist kostenlos und dauert nur eine Minute.
Bestehender Account
Schon ein Account bei Google/GoogleMail? Keine Anmeldung erforderlich!
Mit Google-Account einloggen
Mit Google-Account einloggen
Noch kein Account? Hier anmelden.

