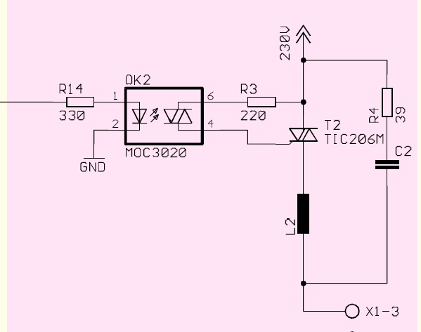
Hallo zusammen, oben ist die standard Entstörschaltung von einem Trisc, an dem X1-3 wird die Lampe angeschloßen. Im Ausschaltzustand vom Triac, wird nicht über R und C Wechselstrom fließen? ist die Lampe nicht dauernd unter Spannung? Vielen Dank
Chris schrieb: > Im Ausschaltzustand vom Triac, wird nicht über R und C Wechselstrom > fließen? Da fliest ein Strom, aber vermutl. nur ein geringer. Wenn der C-Wert bekannt ist kann man das ausrechnen. Und wenn ein Strom fliest liegt auch eine (mehr oder weniger hohe) Spannung an der Lampe an, wenn die niedrig genug ist sollte das aber nicht stören.
Ja, es fließt dauernd ein Strom, deswegen funktioniert das auch nicht mit vielen LED Lampen. Alternativ kann man die Spule weglassen und das R/C Glied parallel zur Lampe schalten. Allerdings fehlt dann jeglicher Schutz vor Spannungsspitzen aus der Steckdose, da müsste man dann noch was machen.
Chris schrieb: > Im Ausschaltzustand vom Triac, wird nicht über R und C Wechselstrom > fließen? ist die Lampe nicht dauernd unter Spannung? Ja. Es gibt aber auch sog. "Snubberless-Triacs", die eine solche Beschaltung nicht benötigen. Gruss Harald
> wird nicht über R und C Wechselstrom fließen?
Es wird Strom fließen, zu wenig damit die Lampe leuchtet, aber
ausreichend um eine gewischt zu bekommen.
Bitte melde dich an um einen Beitrag zu schreiben. Anmeldung ist kostenlos und dauert nur eine Minute.
Bestehender Account
Schon ein Account bei Google/GoogleMail? Keine Anmeldung erforderlich!
Mit Google-Account einloggen
Mit Google-Account einloggen
Noch kein Account? Hier anmelden.
