Servus, ich möchte gerne die parasitären Induktivitäten einer Tiefsetzstelleranordnung (eines Doppelpulsprüfstandes) bestimmen. (Nicht nur die Gesamtinduktivität, sondern auch die einzelnen Parts.) Hat da jemand Erfahrungen mit? Ich würde ihn jetzt einfach schalten lassen, die Strom und Spannungskennlinien aufzeichnen und anhand von di/dt und Überspannung U im Stromnulldurchgang die Inuktivitätswerte ausrechnen. Kann man das so machen? Gibt es da andere Methoden zur Validierung?
>ich möchte gerne die parasitären Induktivitäten einer >Tiefsetzstelleranordnung (eines Doppelpulsprüfstandes) bestimmen. (Nicht >nur die Gesamtinduktivität, sondern auch die einzelnen Parts.) Du meinst L4, L5 und L6?
Kai Klaas schrieb: > Du meinst L4, L5 und L6? Stimmt, da hätte ich wohl besser ein Schaltbild angehängt. Aber ich meine: - reale Zuleitungsinduktivitäten des Highside und des Lowsideschalters (nicht nur die Werte aus dem Datenblatt) - Leitungsinduktivität zwischen den Schaltern - und die Leitungsinduktivitäten bis zum Zwischenkreiskondensator. Die im Freilaufpfad sind ja egal, da ich sowieso eine große Ausgangsspule habe.
Würde es helfen 1nH pro mm Leitungslänge anzunehmen? Damit läßt sich doch zumindest eine grobe Abschätzung durchführen.
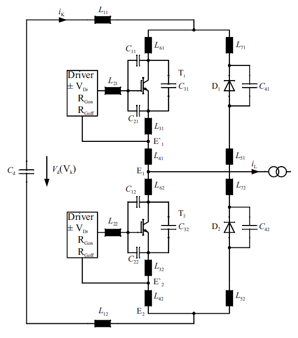
Kai Klaas schrieb: > Würde es helfen 1nH pro mm Leitungslänge anzunehmen? Damit läßt sich > doch zumindest eine grobe Abschätzung durchführen. Ja genau sowas könnte man annehmen; und die Standardzuleitungsinduktivitäten von TO-Gehäusen kann man auch noch annehmen. Aber es wäre gut, wenn man das messtechnisch validieren kann (für eine wissenschaftliche Arbeit). Variante 1: Die Halbleiter ohne Leitungen so nah wie möglich an den Zwischenkreiskondensator klatschen. Variante 2: Platine mit großen Leiterflächen designen und noch jede Menge Kondensatoren dazwischenklatschen. Also ich finde beides irgendwie unschön. Aber man muss ja alles mal ausprobieren... Im Anhang ein ESB mit Parasiten.
Bitte melde dich an um einen Beitrag zu schreiben. Anmeldung ist kostenlos und dauert nur eine Minute.
Bestehender Account
Schon ein Account bei Google/GoogleMail? Keine Anmeldung erforderlich!
Mit Google-Account einloggen
Mit Google-Account einloggen
Noch kein Account? Hier anmelden.
